EX-99.1 2 tm2521695d1_ex99-1.htm EXHIBIT 99.1

Exhibit 99.1

 

 

 

 

South West Arkansas Project Pre-Feasibility Study 23 July 25

 

Cautionary Note Regarding Forward-Looking Information

 

Information contained in this report and the documents referred to herein which are not statements of historical facts, may be “forward-looking information” for the purposes of Canadian Securities laws. Such forward looking information involves risks, uncertainties and other factors that could cause actual results, performance, prospects and opportunities to differ materially from those expressed or implied by such forward looking information. The words “expect”, “target”, “estimate”, “may”, “anticipate”, “should”, “will”, and similar expressions identify forward-looking information.

 

These forward-looking statements relate to, among other things, resource estimates, grades and recoveries, development plans, mining methods and metrics including recovery process and, mining and production expectations including expected cash flows, capital cost estimates and expected life of mine, operating costs, the expected payback period, receipt of government approvals and licenses, time frame for construction, financial forecasts including net present value and internal rate of return estimates, tax and royalty rates, and other expected costs.

 

Forward-looking information is necessarily based upon a number of estimates and assumptions that, while considered reasonable, are inherently subject to significant political, business, economic and competitive uncertainties and contingencies. There may be factors that cause results, assumptions, performance, achievements, prospects or opportunities in future periods not to be as anticipated, estimated or intended.

 

There can be no assurances that forward-looking information and statements will prove to be accurate, as many factors and future events, both known and unknown could cause actual results, performance or achievements to vary or differ materially from the results, performance or achievements that are or may be expressed or implied by such forward-looking statements contained herein or incorporated by reference. Accordingly, all such factors should be considered carefully when making decisions with respect to the Project, and prospective investors should not place undue reliance on forward-looking information. Forward-looking information in this technical report is as of the issue date, July 23, 2025. Standard Lithium Ltd. assumes no obligation to update or revise forward-looking information to reflect changes in assumptions, changes in circumstances or any other events affecting such forward-looking information, except as required by applicable law.

 

I

 

 

South West Arkansas Project Pre-Feasibility Study 23 July 25

 

Table of Contents

 

1 Summary 1
1.1 Issuer and Purpose 1
1.2 Property Location and Ownership 1
1.3 Geology and Mineralization 2
1.4 Status of Exploration 2
1.5 Updated Mineral Resource Estimation 3
1.6 Mining Methods 5
1.7 Recovery Method and Mineral Processing 6
1.8 Capital and Operating Cost Estimates 7
1.8.1 Capital Expenditure Costs 7
1.8.2 Operating Expenditure Costs (OPEX) 8
1.9 Economic Analysis 10
1.10 QP Conclusions 12
1.10.1 Exploration work 12
1.10.2 Mineral Processing work 12
1.11 Key Study Recommendations 13
2 Introduction 15
2.1 Issuer and Purpose 15
2.2 Technical Report Authors and Personal Inspection of Property 17
2.3 Sources of Information 18
2.4 Units of Measure, Currency, and Acronyms 20
3 Reliance on Other Experts 24
4 Property Description and Location 25
4.1 Property Description and Location 25
4.2 Lithium-Brine Mineral Production Rights 25
4.2.1 Summary of the Standard Lithium – TETRA Agreement 27
4.2.2 Summary of Salt Water (Brine) Deeds 27
4.2.3 Summary of Leases 27

 

II

 

 

South West Arkansas Project Pre-Feasibility Study 23 July 25

 

4.2.4 Mineral Brine Right Distribution on Individual Leases 28
4.3 Surface (and Mineral) Rights in Arkansas 32
4.4 Unitization 33
4.5 Potential Future Royalty Payments to Lessors 34
4.6 Property Environmental Liabilities and Permitting 35
4.7 Risks and Uncertainties 36
5 Accessibility, Climate, Local Resources, Infrastructure, and Physiography 37
5.1 Accessibility 37
5.1.1 Airport Access 37
5.1.2 Rail Access 37
5.1.3 Road Access 37
5.2 Climate 39
5.3 Local Resources and Infrastructure 39
5.4 Physiography 39
6 History 41
6.1 Introduction To Brine Production 41
6.2 Regional Assessment of the Lithium Potential of the Smackover Formation Brine 43
6.3 SWA Property Historical Infrastructure Summary 48
7 Geological Setting and Mineralization 50
8 Deposit Type 58
9 Exploration 59
9.1 Subsurface data review 59
9.2 2018 and 2023 Lithium Concentration Data Sampling program 59
9.3 Exploration Results and Interpretation 63
10 Drilling 65
10.1 Standard Lithium exploration program 68
10.1.1 Taylor, Beulah et al 1 Well Re-entry 71
10.1.2 International Paper Company 1 Well Re-entry 72
10.1.3 Carter-Moore 1 Well Re-entry 72

 

III

 

 

South West Arkansas Project Pre-Feasibility Study 23 July 25

 

10.1.4 Speer 1 New Well 72
10.1.5 Montague 1 New Well 72
11 Sample Preparation, Analyses, and Security 73
11.1 Sampling Methods 73
11.2 Sample Preparation, Analyses And Security 73
11.2.1 Brine Sample Collection 73
11.2.2 Security 75
11.2.3 Analytical Methodology 75
11.3 Quality Control/Quality Assurance 76
11.3.1 Field Duplicate Samples 76
11.4 Other Data: Core Reports 77
11.5 Summary 78
12 Data Verification 79
12.1 Verification of Lithium Concentration Data, Well Logs, and Core Data 79
12.2 Verification of Metallurgical Process Data 81
13 Mineral Processing and Metallurgical Testing 83
13.1 Introduction 83
13.1.1 Process Selection Rationale 84
13.1.2 Process Overview 85
13.2 Historical Testing 86
13.3 Demonstration Plant Testing 86
13.3.1 Overview 86
13.3.2 Brine Pre-Treatment Testing 91
13.3.3 DLE Testing at the Demonstration Plant 91
13.3.4 LSS Laboratory Testing 94
13.4 Demonstration Plant LiCl Purification and Concentration 95
13.5 Additional LiCl Purification and Concentration Testing 96
13.6 LiCl Conversion Testing 96
13.6.1 Electrolysis 97
13.6.2 Bi-polar Membrane Electrodialysis (BPMED) 98

 

IV

 

 

South West Arkansas Project Pre-Feasibility Study 23 July 25

 

13.6.3 Direct Lithium Conversion 99
13.6.4 Further Development 99
13.7 Crystallization and Packaging 100
13.8 Process Testing QA/QC 100
13.9 Process Scalability 101
13.10 Process Technical Risks and Mitigation Measures 101
13.11 Conclusions and Recommendations 102
14 Mineral Resource Estimates 103
14.1 Geologic Model Description 104
14.2 Lithium Resource Estimates 113
14.3 QP Discussion 115
15 Mineral Reserve Estimates 117
16 Mining Methods 118
16.1 Lithium Recovery Process 118
16.2 Methodology 119
16.3 Well Field Overview 121
16.4 Well Field Configuration 122
16.4.1 Production Wells 122
16.4.2 Injection Wells 123
17 Recovery Methods 124
17.1 Brine Production and Delivery 126
17.2 Production of Purified Lithium Chloride Solution 126
17.2.1 Pretreatment of the Feed Brine 126
17.2.2 Lithium Extraction Process 127
17.2.3 Lithium Barren Brine Disposal 127
17.2.4 Raw Lithium Chloride Purification and Concentration 128
17.3 Production of Lithium Hydroxide 128
17.4 Packaging of Lithium Hydroxide 129
17.5 Projected Energy, Water, and Raw Material Requirements 129
18 Project Infrastructure 132

 

V

 

 

South West Arkansas Project Pre-Feasibility Study 23 July 25

 

18.1 Brine Supply Wells Infrastructure 132
18.1.1 Well Field 132
18.2 Central Processing Facility Infrastructure 136
18.2.1 Fresh Water Supply and Distribution 137
18.2.2 Steam Supply 138
18.2.3 Power Supply 138
18.2.4 Compressed Air 138
18.2.5 Compressed Nitrogen 138
18.2.6 Sour Gas Transfer 138
18.2.7 Chemicals and Reagents 139
18.2.8 Auxiliary Facilities 139
18.3 Effluent Brine/Process Water Injection Wells Network Infrastructure 140
18.3.1 Well Field 140
18.3.2 Pipelines 143
19 Market Studies And Contracts 144
19.1 Background 144
19.2 Lithium Hydroxide Price 147
20 Environmental Studies, Permitting, and Social or Community Impact 150
20.1 Introduction 150
20.2 Environmental Considerations 150
20.3 Permitting 151
20.3.1 Overview 151
20.3.2 Clean Water Act Section 404 Permitting 152
20.3.3 Air Emissions Permitting 153
20.3.4 Water Discharge Permitting 154
20.4 Brine Supply/Disposal Well Permits 155
20.4.1 Underground Injection Control (UIC) Permitting 156
20.4.2 Public Water Supply 157
20.4.3 Resource Conservation Recovery Act 157
20.4.4 Construction Permits, Approvals, and Plans 157

 

VI

 

 

South West Arkansas Project Pre-Feasibility Study 23 July 25

 

20.5 Social Impact 158
20.6 Environmental Management and Closure Plan 159
21 Capital and Operating Expenditure Costs 160
21.1 Capital Expenditure Estimate 160
21.1.1 Basis of Estimate 160
21.1.2 General 160
21.1.3 Brine Supply and Injection Well Fields 160
21.1.4 Brine Supply/Return and Sour Gas Pipeline Network 161
21.1.5 Central Processing Facility 162
21.1.6 CAPEX Summary 163
21.1.7 Sustaining Capital 165
21.1.8 Land Costs 166
21.2 Operating Expenditure Estimate 167
21.2.1 Basis of Estimate (BOE) 167
21.2.2 Direct Operational Expenditures 167
21.2.3 Indirect Operational Expenditures 173
21.2.4 Mineral Rights, Royalties and Land Fees 174
21.2.5 OPEX Summary 175
21.2.6 All-In Operating Costs 177
21.3 Exclusions 177
21.4 Upside Production Analysis 178
22 Economic Analysis 179
22.1 Evaluation Criteria 179
22.2 Taxes & Royalties 180
22.2.1 Royalties and Lease Fees 180
22.2.2 Depreciation 180
22.2.3 Corporate Taxes 180
22.2.4 Property Tax 180
22.2.5 Federal Funding and Tax Benefits 181
22.3 CAPEX Spend Schedule 181

 

VII

 

 

South West Arkansas Project Pre-Feasibility Study 23 July 25

 

22.4 Production Revenues 181
22.5 Cash-Flow Projection 181
22.6 Economic Evaluation Results 183
22.7 Sensitivity Analysis 184
22.8 Sensitivity Analysis Conclusions 187
22.9 Upside Production Scenario 187
22.9.1 Deviation of Alternative Upside Scenario from Base Case 187
23 Adjacent Properties 189
24 Other Relevant Data and Information 191
25 Interpretations and Conclusions 192
25.1 Exploration Work 192
25.2 Process Development Work 192
25.3 SWA Pre-Feasibility Study Summary 193
25.4 Project Risks 193
26 Recommendations 196
27 References 197
28 Certificate of Authors 204

 

VIII

 

 

South West Arkansas Project Pre-Feasibility Study 23 July 25

 

List of Figures

 

Figure 1-1. SWA Project 2023 Exploration Program 3
Figure 2-1. SWA Project discussed in this Technical Report 16
Figure 4-1. SWA Project discussed in this Technical Report 26
Figure 4-2.  SWA Property Ownership Summary 31
Figure 5-1. SWA Property with cities/towns and access routes, including major and secondary U.S. highways and railway lines 38
Figure 5-2. Average Temperature and Precipitation in Magnolia, AR 39
Figure 6-1. Summary of South Arkansas Oil and Gas Production 42
Figure 6-2.  Summary of South Arkansas Brine Production 43
Figure 6-3. Regional Smackover Formation Lithium Brine Values from the USGS National Produced Waters Database 45
Figure 6-4. Historic Smackover Formation Lithium Brine Values Derived within, and Adjacent to, the South West Arkansas Property 47
Figure 6-5. Well Status on the SWA Property 49
Figure 7-1. Facies Map of the Smackover Formation, Northern Gulf Coast Basin 52
Figure 7-2. Structural Framework, Northern Gulf Coast 53
Figure 7-3. Stratigraphic Column of the Late Triassic to Late Jurassic Formations 54
Figure 7-4. Smackover Stratigraphic Column 55
Figure 7-5. Smackover Structure Map 56
Figure 7-6.  Exploration Program Wells Cross Section 57
Figure 9-1. SWA Property Concentration Data 63
Figure 9-2. Lithium Concentration Map Based on Data Gathered by Standard Lithium 64
Figure 10-1. Upper Smackover Well Data Source 66
Figure 10-2. Middle Smackover Well Data Source 67
Figure 10-3. SWA Property Exploration Program 69
Figure 10-4. Montague 1 Type Well 71

 

IX

 

 

South West Arkansas Project Pre-Feasibility Study 23 July 25

 

Figure 13-1. SWA Lithium Brine Project Flowsheet Schematic 86
Figure 14-1. South West Arkansas Field Smackover Type Well, Montague 1 108
Figure 14-2. Core Data Plot 109
Figure 14-3. Porosity Log Calibration to Core Data Plot 109
Figure 14-4. Porosity Log Net Pay Example 110
Figure 14-5. Stratigraphic Cross Section, Exploration Program Wells 111
Figure 14-6. Total Upper Smackover Net Porosity-Thickness 112
Figure 14-7. Total Middle Smackover Net Porosity-Thickness 113
Figure 16-1. Core Data Plot with Permeability Data Fit and Equation 121
Figure 16-2. Supply Well Process 122
Figure 17-1. Overall Block Flow Diagram of Lithium Hydroxide Production from Smackover Formation Brine 125
Figure 18-1. Brine Supply Multi-Well Pad Conceptual Layout 133
Figure 18-2. Central Production Facility Conceptual Layout 137
Figure 18-3. Brine Injection Multi-Well Pad Conceptual Layout 141
Figure 19-1. Global Li-ion Battery Cell Demand, GWh, Base Case 145
Figure 19-2. Lithium Supply and Demand - Historical and forecast from 2020-2030 146
Figure 19-3. Global Weighted Average Lithium Hydroxide 148
Figure 19-4. Global Lithium Price Forecast 149
Figure 21-1. CAPEX Breakdown 165
Figure 21-2. OPEX Breakdown 177
Figure 22-1. NPV Post Tax Sensitivity 186
Figure 22-2. IRR Post-Tax Sensitivity 186
Figure 23-1. Arkansas Regional Activity 1989

 

X

 

 

South West Arkansas Project Pre-Feasibility Study 23 July 25

 

List of Tables

 

Table 1-1. SWA Property Geologic Factors and Indicated Lithium Resource Estimates 4
Table 1-2. SWA Property Geologic Factors and Inferred Lithium Resource Estimates 4
Table 1-3. Capital Cost Summary 8
Table 1-4. Operating Cost Summary 9
Table 1-5. Economic Evaluation Summary 11
Table 2-1. Qualified Persons and Their Responsibilities 17
Table 2-2. Abbreviations 20
Table 4-1. SWA Property Ownership Summary 29
Table 9-1. SWA Property Lithium Concentration Data 61
Table 10-1. Types of Well Data 65
Table 10-2. Well Actions Taken During Exploration Program 70
Table 11-1. Comparison of Field Duplicate Samples from the 2023 Sampling Program 77
Table 12-1. Comparison of Verification Samples from the 2023 Sampling Program 80
Table 13-1. Representative Brine Analyses and LiCl Product 89
Table 14-1. SWA Property Geologic Factors and Indicated Lithium Resource Estimates 114
Table 14-2. SWA Property Geologic Factors and Inferred Lithium Resource Estimates 115
Table 17-1. Raw Material Requirements 131
Table 18-1. Power Consumption for the Brine Supply Well Facilities 134
Table 18-2.  Estimated Brine Supply and Sour Gas Pipeline Details 136
Table 18-3. Estimated Sour Gas Disposal Pipeline Details 139
Table 18-4.  Power Consumption for the Brine Injection Well Facilities 142
Table 18-5. Estimated Effluent Brine Pipeline Details 143
Table 20-1. Applicable Permits and Schedule for SWA Project 158

 

XI

 

 

South West Arkansas Project Pre-Feasibility Study 23 July 25

 

Table 21-1. Pipeline Material Summary 162
Table 21-2. SWA Project Capital Expenditure Cost Estimate 164
Table 21-3. Sustaining Capital 166
Table 21-4. Well Facilities and Central Processing Plant Land Costs 167
Table 21-5. Manpower Cost Summary 168
Table 21-6. Annual Electrical Use and Cost 169
Table 21-7. Average Annual Reagents Cost For 30,000 Tonnes Lithium Hydroxide Per Year Production 170
Table 21-8. Natural Gas Use 171
Table 21-9. Maintenance & Servicing Costs 172
Table 21-10. Solids Disposal 173
Table 21-11. TETRA Brine Lease Agreement Summary 175
Table 21-12. Annual OPEX Summary 176
Table 22-1. Annual Operating Cost Summary 182
Table 22-2. Economic Evaluation – Case 1 (Base Case) Summary 183
Table 22-3. Sensitivity Analysis 185
Table 22-4. Economic Evaluation – Case 2 (Alternative Upside Scenario) Summary 188
Table 26-1. Recommendations Cost Summary 197

 

XII

 

 

South West Arkansas Project Pre-Feasibility Study 23 July 25

 

1Summary

 

1.1Issuer and Purpose

 

This Technical Report has been commissioned by, and completed for, Standard Lithium Ltd. (Standard Lithium, or the Company); a public company with its corporate headquarters in Vancouver, B.C. This report focuses on Standard Lithium’s greenfield development in southwest Arkansas referred to as the South West Arkansas Project (SWA Project), which considers extraction of lithium produced from brine associated with mineral leases acquired by TETRA Technologies Inc. (TETRA) under which Standard Lithium has an option agreement for the lithium.

 

This report outlines Standard Lithium’s plans for the SWA Project, including how the lease acreage could be unitized in compliance with the Arkansas Brine Statute (AR Code § 15-76-301) to facilitate production from the underlying Smackover Formation brine aquifer in conjunction with the preparation of a Pre-Feasibility Study (PFS). This Technical Report updates and refines the findings and recommendations presented in the 2021 Preliminary Economic Assessment (PEA). This PFS also outlines and updates the proposed method of extraction of the brine from the resource while also presenting a more refined flowsheet to extract and purify the lithium to produce a marketable product.

 

1.2Property Location and Ownership

 

The center of the SWA Project is located approximately 24 km (15 miles) west of the City of Magnolia in Lafayette County, southwestern Arkansas, United States. The SWA Property encompasses Townships 16-17 South and Ranges 22-24 West of the 5th Meridian and lies wholly within Lafayette and Columbia counties.

 

The SWA Property is comprised of 489 land tracts containing 851 individual leases and eight salt water (brine) deeds that covers 27,066 net mineral acres (10,953 net mineral hectares). The proposed unitized SWA Property encompasses 36,839 gross mineral acres (14,908 gross mineral hectares) and forms the updated 2023 resource and project area.

 

The leases and deeds are held by TETRA. TETRA began acquiring brine deeds and/or brine leases in 1992 and added additional brine leases in 1994, 2006 and 2017. Standard Lithium acquired the SWA Project brine production rights to lithium directly from TETRA through an option agreement providing that Standard Lithium makes annual payments. At the time of writing, Standard Lithium is up to date with all required payments. As of the date of this report, the process of unitization has not commenced and neither Standard Lithium nor TETRA have developed the SWA Project brine leases and deeds for production of brine minerals.

 

1

 

 

South West Arkansas Project Pre-Feasibility Study 23 July 25

 

1.3Geology and Mineralization

 

The SWA Property lithium deposit is a confined brine deposit in the form of a lithium-bearing brine contained within the porosity of the Smackover Formation within the SWA Property boundaries. The Smackover Formation in southern Arkansas is commonly subdivided into three intervals, the Reynolds Member Oolite (predominantly oolitic limestone), referred to in this report as the Upper Smackover, the Middle Smackover (a burrowed pellet packstone), and the Brown Dense (dark, dense limestone), referred to in this report as the Lower Smackover. The lithium brine resource, as reported, is contained within the Upper and Middle Members of the Smackover Formation (which underlie the entire Project area). The Lower Smackover does not contribute to the resource estimates in this report, but is a future target for exploration.

 

The depth of the top of the Smackover in the Property area generally dips from north-northeast to south-southwest and varies in depth from approximately 7,600 feet (2,316 meters) subsea to approximately 9,100 feet (2,773 meters) subsea. Brine has been extracted commercially from the Smackover in southern Arkansas for approximately 60 years and is well understood.

 

The volume of in-place lithium is proportional to the product of the brine-saturated pore volume and the lithium concentration, both of which are known with reasonable accuracy, based on the drilling, logging, coring, and sampling data obtained throughout the property area. The data used to estimate and model the resource were gathered from the five project specific wells described in Section 1.4 along with 424 existing and suspended oil and gas production wells on or adjacent to the SWA Project and surface seismic information.

 

1.4Status of Exploration

 

From February to July in 2023 Standard Lithium conducted a five-well exploration program at the SWA Property. The exploration program design and execution was supported by the QP Williams, including choice of well locations, data gathering plans, monitoring well progress, advising on coring targets and procedures, and interpretation of results. This program included re-entry into three existing abandoned wells (Taylor, Beulah et al 1, International Paper Co. 1, and Carter Moore 1) and drilling two all-new wells (Speer 1 and Montague 1). These five well locations were chosen to maximize the description of the geologic properties and lithium concentrations within the Property. Figure 1-1 depicts the locations of those five wells and the observed maximum and average lithium concentrations. In support of further project definition, up to three additional wells will be considered for the next phase to provide in-fill data in support of a reserve classification.

 

2

 

 

South West Arkansas Project Pre-Feasibility Study 23 July 25

 

Figure 1-1. SWA Project 2023 Exploration Program

 

A map with a location

Description automatically generated with medium confidence

 

1.5Updated Mineral Resource Estimation

 

The resource present in the Smackover Formation below the SWA Project was updated based on the proposed unitized area encompassing 36,839 gross mineral acres (14,908 gross mineral hectares). Using a conversion factor of 5.323 kg of lithium carbonate equivalent (LCE) per kg of lithium, the Indicated Resource value corresponds to an estimate of 1,430 thousand metric tonnes LCE. For the Inferred Resource, the estimate is 392 thousand metric tonnes LCE; see Table 1-1 and Table 1-2 below for more detail.

 

3

 

 

South West Arkansas Project Pre-Feasibility Study 23 July 25

 

Table 1-1. SWA Property Geologic Factors and Indicated Lithium Resource Estimates

 

  Indicated Resource
Smackover Formation North
Upper
South
Upper
Total
Upper
Gross Volume, km3 4.69 2.80 7.49
Net Volume, km3 3.17 1.93 5.11
Average Porosity 11.7% 11.9% 11.8%
Average Lithium Concentration, mg/L 408 507 446
Indicated Lithium Resource, Thousand Tonnes 152 116 269
LCE, Thousand Tonnes 810 620 1,430

 

Table 1-2. SWA Property Geologic Factors and Inferred Lithium Resource Estimates

 

  Inferred Resource
Smackover Formation North
Middle
South
Middle
Total
Middle
Gross Volume, km3 6.04 2.98 9.02
Net Volume, km3 1.60 0.46 2.06
Average Porosity 9.0% 8.1% 8.8%
Average Lithium Concentration, mg/L 379 508 405
Inferred Lithium Resource, Thousand Tonnes 55 19 74
LCE, Thousand Tonnes 291 100 392

 

4

 

 

South West Arkansas Project Pre-Feasibility Study 23 July 25

 

Notes for Table 1-1 and Table 1-2:

 

1. Mineral resources are not mineral reserves and do not have demonstrated economic viability. There is no guarantee that all or any part of the mineral resource will be converted into a mineral reserve. The estimate of mineral resources may be materially affected by geology, environment, permitting, legal, title, taxation, socio-political, marketing, or other relevant issues.

 

2. Numbers may not add up due to rounding to the nearest 1,000 unit.

 

3. A minimum lithium concentration cutoff was not applied in this analysis because the entirety of the SWA Property exceeds the previously used 100 mg/L cutoff value.

 

4. The resource estimate was developed and classified in accordance with guidelines established by the Canadian Institute of Mining and Metallurgy. The associated Technical Report was completed in accordance with the Canadian Securities Administration’s National Instrument 43-101 and all associated documents and amendments. As per these guidelines, the resource was estimated in terms of metallic (or elemental) lithium.

 

5. In order to describe the resource in terms of ‘industry standard’ lithium carbonate equivalent, a conversion factor of 5.323 was used to convert elemental lithium to LCE.

 

The average lithium concentrations used in the indicated resource calculation are 507 mg/L and 408 mg/L, for the South and North resource areas, respectively.

 

The updated 2023 SWA Project resource is 52% larger than the 2021 PEA resource estimate. The resource increase is primarily related to the higher concentration of lithium, which increased in concentration from an overall average of 255 mg/L to 437 mg/L. Higher lithium concentrations offset a reduction in brine volume associated with tightened and enhanced reservoir definition.

 

1.6Mining Methods

 

The resource will be extracted using a network of brine supply wells and injection wells (which are required for pressure maintenance and are standard throughout the Arkansas brine industry). The configuration of this well field has been determined using a finite difference computer model based on the eight-layer geologic model developed for the resource categorization. The preliminary results of this model indicate the SWA Property appears to be capable of producing greater than 30,000 metric tonnes per annum (tpa) of lithium hydroxide monohydrate (the commercially sold form, also referred to as lithium hydroxide or hydroxide) for 20 years or more, and that production rates greater than 35,000 metric tpa are probable with modifications to the assumed production and injection well count and configuration, given the current understanding of the SWA Property’s geology and distribution of lithium.

 

5

 

 

South West Arkansas Project Pre-Feasibility Study 23 July 25

 

1.7Recovery Method and Mineral Processing

 

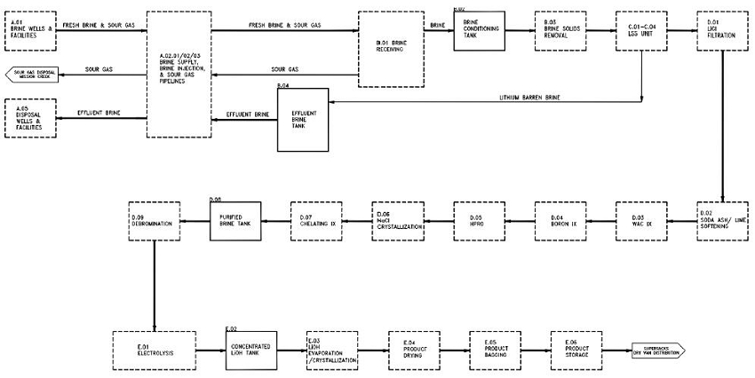
Standard Lithium have operated a Demonstration Plant, exclusively processing Smackover brine, since May 2020. This has provided a valuable source of knowledge in regards to the behavior of the brine, testing of various flowsheet elements directly, and providing a test bed for operator training. In addition, the Demonstration Plant has facilitated an ability to produce lithium chloride samples along with brine samples from various stages of the flowsheet to support bench scale metallurgical testing, mini-pilot plant testing and vendor testing in support of equipment design and process guarantees. The Demonstration Plant is located about 40 km (25 miles) east of the SWA Project and it is the Company’s intent to continue to use the information obtained from the Demonstration Plant to aid in flowsheet development, optimize lithium extraction and lithium chloride purification and to develop operations capability.

 

The development plan considered for the SWA Project PFS demonstrates production of battery-quality lithium hydroxide averaging 30,000 tpa over a 20-year operating life. The Project will pump brine from the Smackover Formation aquifer via production wells, extract lithium from the brine, convert it to a saleable product, and then reinject the effluent brine via injection wells to maintain pressure in the reservoir.

 

The PFS assumes a network of 21 brine supply wells will be completed in the Smackover Formation, producing approximately 1,800 m3/hr or 7,925 US gallons per minute(gpm). Twenty-two injection wells will support pressure maintenance in the Smackover aquifer to maintain long-term production.

 

Brine from the supply wells will be routed to a lithium extraction and lithium hydroxide production facility by a network of underground fiberglass pipelines. The brine entering the production facility will be pre-treated and then processed via Koch Technology Solutions’ Lithium Selective Sorption (“LSS”) Direct Lithium Extraction (DLE) process. The lithium chloride extracted by the DLE has a significantly higher relative concentration of lithium chloride relative to the other naturally occurring salts in the brine and is subsequently purified and concentrated using industry proven and commercially established processes prior to conversion to lithium hydroxide via a modified chlor-alkali process.

 

After lithium extraction, the lithium-depleted, effluent brine will be returned to the resource area by a pipeline system to the network of brine injection wells.

 

The further concentrated and purified lithium chloride solution will be processed by electrolyzers to form a high-purity lithium hydroxide solution. The Company evaluated several technologies at laboratory and pilot scale testing to support the selection of electrolysis as the core technology for conversion of lithium chloride to lithium hydroxide.

 

The testing undertaken during the PFS phase produced battery-quality lithium hydroxide from Smackover brines processed through the Demonstration Plant, confirming the viability of the process. The output solution from electrolysis will be crystalized into a solid, battery-quality lithium hydroxide using standard, proven processes.

 

6

 

 

South West Arkansas Project Pre-Feasibility Study 23 July 25

 

The base case development for the project as proposed will produce, on average, 30,000 tonnes of battery-quality lithium hydroxide per year, over a 20-year timeframe with an upside production scenario of 35,000 tpa of lithium hydroxide production that was identified in July 2023 as a result of the exploration assessment and resource evaluation outlined in Sections 9, 10, 14 and 16.

 

Although the potential for further upside will be assessed further in the Feasibility Study phase, this PFS addresses the identified 35,000 tpa assessed as a probable upside economic case.

 

1.8Capital and Operating Cost Estimates

 

1.8.1Capital Expenditure Costs

 

At full build-out, with estimated average production over 20 years of 30,000 tpa of lithium hydroxide, the direct capital costs are estimated to be US$845 million, with indirect costs of US$218 million. A contingency of 20% was applied to direct costs (US$211 million) to yield an estimated all-in capital cost of US$1.3 billion. A summary of the capital costs is provided in Table 1-3.

 

7

 

 

South West Arkansas Project Pre-Feasibility Study 23 July 25

 

Table 1-3. Capital Cost Summary

 

Description Direct Costs Million US$[1] Indirect Costs Million US$[2]
Extraction and Injection Well Field[3] 234.6 2.2
Pipelines[3] 60.5 7.1
Receiving/Pre-Treatment 118.4 48.2
Direct Lithium Extraction (LSS) 110.3 28.8
Purification & Concentration 110.8 42.8
Lithium Hydroxide Unit 121.5 36.8
Chemical Storage, Handling & Utilities 74.0 50.1
Plant Buildings 6.8 1.8
Sub-Total 837.0 217.9
Freight 8.0 -
Contingency 211.0[4]

-

CAPEX TOTAL US$1.27 billion

 

Notes:

 

1. Direct costs were estimated using either vendor-supplied quotes, and/or engineer estimated pricing (based on recent experience) for all major equipment. Major equipment prices were scaled using appropriate AACE Class 4 Direct Cost Factors to derive all direct equipment costs.

 

2. Indirect costs were estimated using AACE Class 4 Indirect Cost Factors. Indirect costs include all contractor costs (including engineering), indirect labor costs, and Owner’s Engineer costs.

 

3. Exceptions to above costing estimate methodology were the well field and pipelines, which were based on HGA’s recent project experience in the local area.

 

4. AACE Class 4 estimate includes 20% contingency on direct capital costs.

 

1.8.2Operating Expenditure Costs (OPEX)

 

The operating cost estimate includes both direct costs and indirect costs, as well as allowances for mine closure (see Table 1-4). The majority of the operating cost comprises electricity usage including conversion to lithium hydroxide, as well as reagent usage required to extract the lithium from the brine. The all-in operating cost is $5,229 per tonne of lithium hydroxide.

 

8

 

 

South West Arkansas Project Pre-Feasibility Study 23 July 25

 

Table 1-4. Operating Cost Summary

 

Description Operating Cost US$/tonne Lithium
Hydroxide[1]
Workforce[2] 371
Electrical Power[3] 1,291
Reagents and Consumables[4] 1,158
Natural Gas[5] 15
Maintenance/Waste Disposal/Misc[6] 1,073
Indirect Operational Costs[7] 168
Royalties[8]

741

Sustaining Capital[9] 415
All-in OPEX Total 5,229

 

Notes:

 

1. Operating costs are calculated based on average annual production of 30,000 tonnes of lithium hydroxide.

 

2. Approximately 91 full time equivalent (FTE) positions.

 

3. Approximately 30% of electrical energy consumed by well field and pipelines; 70% by the processing facilities.

 

4. Majority of reagent costs are comprised of sodium hydroxide and soda ash. Other reagents and consumables are air, hydrochloric acid, sodium metabisulfite, lime, membrane replacement, nitrogen, and scale inhibitors for pumps/wellheads.

 

5. Assumes that all of the natural gas is purchased from open market and none is co-produced at the wellheads.

 

6. Includes all maintenance and workover costs and is based on experience in similar-sized electrochemical facilities, brine processing facilities, and Smackover Formation brine production well fields.

 

7. Indirect costs (insurance, environmental monitoring, etc.) are factored from other capital and operational costs, except for mine closure, which is based on known well-abandonment costs.

 

8. Based on agreed royalties and expected future lease costs. Does not include future lease-fees-in-lieu-of-royalties which are still to be determined and subject to regulatory approval (lease-fees-in-lieu-of-royalties have been determined for bromine and certain other minerals in the State of Arkansas, but have not yet been determined for lithium extraction).

 

9. Major equipment refurbishment and replacement is categorized as sustaining capital. Sustaining Capital is shown included in the OPEX here to present an all-in annual operating cost.

 

9

 

 

South West Arkansas Project Pre-Feasibility Study 23 July 25

 

1.9Economic Analysis

 

The results for internal rate of return (IRR) and net present value (NPV) from the assumed Capital Expenditure (CAPEX), Operating Expenditure (OPEX) and price scenario at full Base Case production, are presented in Table 1-5.

 

In addition, the upside case of 35,000 tpa production was assessed. To support this assessment, CAPEX costs are scaled based on a capacity factored estimate considering the increased production, resulting in an estimated upside case CAPEX estimate of US$1.36 billion.

 

Operating costs were evaluated in two categories, fixed and variable. Manpower was assumed to be a fixed cost based on the incremental sizing of the facility. Variable costs including reagents, consumables and electrical usage were scaled linearly for the increased consumption. Other costs including maintenance and miscellaneous costs were automatically adjusted as a percentage of the increased CAPEX resulting in an average annual OPEX cost of US$3,964/tonne. The economic analysis for this upside scenario is presented in Table 1-5.

 

10

 

 

South West Arkansas Project Pre-Feasibility Study 23 July 25

 

Table 1-5. Economic Evaluation Summary

 

Description Units Base Case Upside Case
Average Annual Production of Lithium Hydroxide tpa[1] 30,000[2] 35,000[2]
Plant Operating Life years 20 20
Total Capital Expenditures Million US$ 1,274[3,4] 1,360[3,4]
Average Annual Operating Cost US$/t 4,073 3,964
Average Annual All-in Operating Cost US$/t 5,229[5,6] 5,060[5,6]
Selling Price US$/t 30,000[7] 30,000[7]
Discount Rate %

8.0

8.0
Net Present Value (NPV) Pre-Tax Million US$ 4,473 5,367
Net Present Value (NPV) After-Tax Million US$ 3,090[8] 3,736[8]
Internal Rate of Return (IRR) Pre-Tax % 41.3 44.4
Internal Rate of Return (IRR) After-Tax % 32.8 35.4

 

Notes: All model outputs are expressed on a 100% project ownership basis with no adjustments for project financing assumptions.

 

1. Metric tonnes (1,000 kg) per annum.

 

2. Resource modelling work indicates the SWA Property appears to be capable of producing more than 30,000 tpa of lithium hydroxide for 20 years or more, and that production rates greater than 35,000 tpa are probable.

 

3. Capital Expenditures include 20% contingency on total installed costs.

 

4. No inflation or escalation has been carried for the economic modelling.

 

5. Includes all operating expenditures, ongoing land costs, royalties, and sustaining capital.

 

6. Brine lease fees in-lieu-of-royalties (to be approved by the Arkansas Oil and Gas Commission) have not been defined and are not currently included in the economic modelling.

 

7. Selling price of battery-quality lithium hydroxide based on a flatline price of $30,000/t over total project lifetime.

 

8. Assumes a U.S. Federal tax rate of 21% and State of Arkansas Tax rate of 5.1%, as well as variable property taxes.

 

A sensitivity analysis for the project indicates that the economics remain robust even under the downside scenarios of a 20% increased CAPEX, a 20% reduced product selling price, a 5,000 tpa reduced production output, or a 20% increased OPEX.

 

11

 

 

South West Arkansas Project Pre-Feasibility Study 23 July 25

 

1.10QP Conclusions

 

1.10.1Exploration work

 

Standard Lithium successfully executed a five-well exploration program that significantly improved the geologic description of the target Smackover Formation. The program addressed the three key factors that determine the quality of the resource: the total volume of brine based on core and log porosity data, the brine’s lithium concentration based on the analysis of multiple brine samples from the wells, and the productivity of the formation based on the core permeability data collected. QP Williams was closely involved with all aspects of the exploration program, including selecting the well locations; designing the coring, logging, and sampling programs; attending the coring and sampling of the wells; and analyzing the resulting data. In the opinion of QP Williams, the resulting data and analyses fully support the conclusion that the inferred and indicated resources present at the SWA Property are of sufficient quality to justify pursuit of a lithium extraction project at the site.

 

1.10.2Mineral Processing work

 

Because continuous start-to-finish DLE (without the use of evaporation ponds) is not yet commercially proven, test work becomes especially critical to reduce process and scale-up risks. The test work needs to be conducted over a reasonable period of time and at a suitable scale-up factor. The Demonstration Plant operation has achieved both these objectives. In addition, the equipment operated in the Demonstration Plant has shown reliability in terms of having the required availabilities for stable process operation. The process control and chemical analysis applied in the Demonstration Plant have provided a solid foundation for reliable results.

 

The LSS DLE process has been run over many months, demonstrating consistency of results and its applicability for the SWA project. For further effective optimization and applicability for the Definitive Feasibility Study (DFS), the LSS DLE process needs to be run on actual SWA brine for a long-term, continuous test.

 

The conversion of a lithium chloride solution to a lithium hydroxide solution using electrolysis has been shown to be the process route with the least process risk, mainly because it is based, to a large extent, on the commercially proven chlor-alkali process. The approach taken by Standard Lithium to develop this process route has been appropriate for the PFS stage of the project. During the DFS, Standard Lithium should focus on further reducing the process risk. This can be accomplished by longer testing and by larger scale testing.

 

12

 

 

South West Arkansas Project Pre-Feasibility Study 23 July 25

 

1.11Key Study Recommendations

 

The recommended next steps for Standard Lithium to elevate the SWA Project to a higher level of resource classification and project definition are to:

 

·Further develop the reservoir model in support of development of an optimized well plan and brine production profile.

 

·Develop and optimize the flowsheet using the Demonstration Plant with a target of additional optimization. For example, review and optimize the process such that the reagent usage can be minimized and solid-waste generation from the process can be substantially reduced or eliminated.

 

·Continue optimization of the LSS DLE to improve the quality of the raw LiCl solution by elimination of impurities, including testing of new sorbents and adjustments to operating parameters.

 

·Conduct all additional necessary engineering and feasibility studies (i.e. FEED level engineering definition) to integrate the project development findings into an updated resource classification and DFS.

 

·Continue testing of electrolytic conversion of lithium chloride to lithium hydroxide in support of development of engineering inputs for design.

 

·Undertake a logistics study to assess road versus rail for supply of reagents and for export of products during the next project phase.

 

·Complete any necessary process equipment vendor testing for lithium hydroxide concentration and evaporation/crystallization to a battery-quality product.

 

·Identify long lead items that impact project schedule and develop procurement packages and strategy to facilitate potential opportunity for early purchasing in support of optimizing the project execution schedule.

 

·Engage with AOGC to support definition of royalty for lithium production from brine in Arkansas in support of detailed understanding of project economics.

 

·Continue to engage with the local electrical supplier Southwest Arkansas Electric Cooperative to continue to work through the interconnection requirements and ensure timeliness of power availability for the project.

 

·The project as it is currently envisaged does not trigger a National Environmental Policy Act (NEPA) process, however the NEPA process would be triggered if federal funds are obtained for the project. It is recommended to pro-actively assess NEPA requirements and initiate key activities to facilitate flexibility in project financing.

 

13

 

 

South West Arkansas Project Pre-Feasibility Study 23 July 25

 

·Drill additional test wells targeting the Upper, Middle, and Lower Smackover to provide:

 

oGeologic data;

 

oLithium concentrations;

 

oLong term production test information to estimate well rates, the number of wells needed, facility rates, and the completion plans for those wells;

 

oInformation regarding the potential extent of a Lower Smackover development target; and,

 

oInformation regarding the benefit of well stimulation to well productivity.

 

oMonitor the test wells for salt precipitation, evaluate the potential effect of salt precipitation on production operations, identify remediation options.

 

oConduct long term production tests on one or more of the 2023 exploration program wells; decide on scope of these tests based on the results of the new test wells.

 

·Update the geologic description.

 

·Revise and adjust the categories of the resource estimates.

 

·Revise the simulation model input geologic description and optimize the SWA Property development plan, brine flow rate, well count, and well configuration.

 

14

 

 

South West Arkansas Project Pre-Feasibility Study 23 July 25

 

2Introduction

 

2.1Issuer and Purpose

 

This Technical Report has been commissioned by, and completed for, Standard Lithium Ltd. (Standard Lithium, or the Company); a public company with its corporate headquarters in Vancouver, B.C. Standard Lithium is focused on unlocking the lithium potential from brine. As such, Standard Lithium has established ‘brine access agreements’ with historically/presently permitted and active brine operators that include:

 

·TETRA Technologies Inc. (TETRA) and National Chloride Company of America (National Chloride) in the Mojave Desert of California (Standard Lithium’s Bristol and Cadiz Dry Lakes play lithium-brine projects).

 

·Lanxess Corporation (Lanxess) in the Smackover Formation of south-central Arkansas (Standard Lithium’s LANXESS Project Phase 1A).

 

·TETRA in the Smackover Formation of southwestern Arkansas (Standard Lithium’s South West Arkansas (SWA) Project and the focus of this Technical Report).

 

The center of the SWA Property is located approximately 24 km (15 miles) west of the City of Magnolia in Lafayette County, Arkansas, United States (Figure 2-1). The SWA Property encompasses Townships 16-17 South and Ranges 22-24 West of the 5th Meridian.

 

The SWA Property comprises 851 brine leases and 8 salt water (brine) deeds from private mineral owners covering 27,066 net mineral acres (10,953 net mineral hectares).

 

At the SWA Project, which is the focus of this report, Standard Lithium has outlined how it could unitize the underlying Smackover Formation brine aquifer in conjunction with the preparation of a PFS. This Technical Report updates the 2021 Preliminary Economic Assessment report and applies a gross acreage with 100% brine ownership that is consistent with unitization within the Arkansas Brine Statute. This PFS also outlines a proposed method of extraction of the brine from the resource, a proposed flowsheet to extract and purify the lithium to potentially produce a marketable product, as well as other necessary SWA Project information.

 

15

 

 

South West Arkansas Project Pre-Feasibility Study 23 July 25

 

Figure 2-1. SWA Project discussed in this Technical Report

 

A map of a state

Description automatically generated

 

Consequently, this Technical Report provides an updated 2023 mineral resource estimate at the SWA Project in accordance with the Canadian Securities Administration’s (CSA’s) National Instrument 43-101 (NI 43-101) with the mineral resource being estimated using the CIM “Estimation of Mineral Resources and Mineral Reserves Best Practice Guidelines” dated November 29th, 2019, the CIM “Definition Standards for Mineral Resources and Mineral Reserves” amended and adopted May 10th, 2014 and the CIM "Leading Practice Guidelines for Mineral Processing" adopted November 25th, 2022. The effective date of this Technical Report is August 8, 2023.

 

16

 

 

South West Arkansas Project Pre-Feasibility Study 23 July 25

 

2.2Technical Report Authors and Personal Inspection of Property

 

Table 2-1 presents the list of Qualified Persons (QPs) for the Technical Report and their responsibilities.

 

Table 2-1. Qualified Persons and Their Responsibilities

 

Qualified Person Company Sections
Frank Gay, P.E. HGA 1-6, 18-19, 22-27
Marek Dworzanowski, EUR ING, CEng N/A 1,  12.2, 13, 17, 18, 21-22, 25, 26
Randal M. Brush, P.E. Cobb & Associates 10, 14.2, 14.3, 15 and 16
Robert E. Williams, P.G., CPG Cobb & Associates 7, 8, 9, 11, 12.1, and 14.1
Caleb Mutschler, P.E. HGA 17.1-17.3, 17.5
Dutch Johnson, P.E. HGA 17.4
Charles Campbell, P.E. Alliance Technical Group 20

Notes:

 

1. N/A denotes not applicable.

 

2. Marek Dworzanowski operates as an independent contractor.

 

In accordance with the CIM Best Practice Guidelines for Resource and Reserve Estimation for Lithium Brines (1 November 2012), this lithium-brine PFS has been prepared by a multi-disciplinary team that includes geologists, hydrogeologists, chemical, process and civil engineers with relevant experience in the lithium-brine confined aquifer type deposits, Smackover Formation geology and brine processing.

 

Mr. Caleb Mutschler (HGA) and Mr. Marek Dworzanowski visited the existing Standard Lithium Demonstration Plant in El Dorado, AR on October 27, 2022 and November 14-15, 2022 respectively to inspect the LSS equipment in service and verify the process conditions and technology. Mr. Dworzanowski also inspected the electrolysis process on January 18-19, 2023 at Electrosynthesis Company, Inc. in Lancaster, NY.

 

17

 

 

South West Arkansas Project Pre-Feasibility Study 23 July 25

 

Mr. Robert Williams (Cobb & Associates) visited the Standard Lithium Project site April 19, May 23, and June 1, 2023, and participated in sampling three different wells (Taylor, Beulah et al 1, Carter Moore 1, and International Paper Company 1, respectively).

 

Randal Brush (Cobb & Associates) visited the Standard Lithium Project site on July 24, 2023, and inspected the Montague 1 well and the International Paper Co. 1 well.

 

All authors are independent of Standard Lithium (and TETRA) and are QPs as defined by the CSA’s NI 43-101.

 

2.3Sources of Information

 

This Technical Report is based, in part, on internal company technical reports, maps, company letters, memoranda, public disclosure, and public information, as listed in the NI 43-101 Technical Report Preliminary Economic Assessment of Southwest Arkansas Smackover Project (Eccles, et al., 2019).

 

This Technical Report is a compilation of publicly available information, as well as information obtained from the 2018 and 2023 exploration programs. The 2018 exploration program included core analysis and brine analytical test programs conducted by Standard Lithium at the SWA Property. The 2023 exploration program included gathering and analyzing log data, core samples, pressure data, and brine samples from five wells: three were existing wells that were re-entered; two were new wells drilled by Standard Lithium.

 

References in this Technical Report are made to publicly available reports that were written prior to implementation of NI 43-101, including government geological publications. All reports are cited in Section 27, References.

 

Government reports include those that provide:

 

·Smackover Formation stratigraphic information;

 

·Arkansas policy and regulation;

 

·Well information;

 

·Produced water geochemistry; and,

 

·Oil, gas, and brine production statistics (e.g., Dickinson, 1968; Arkansas Code, 2016 a to f; Blondes et al., 2018; Arkansas Geological Survey, 2018; AOG Commission, 2021 & 2022 a to b).

 

Miscellaneous journal articles were used to set the geological setting of southern Arkansas (e.g., Bishop, 1967; Alkin and Graves, 1969; Bishop, 1971a and b; Buffler et al., 1981; Moore and Druckman, 1981; Moore, 1984; Harris and Dodman, 1987; Salvador, 1991a and b; Troell and Robinson, 1987; Kopaska-Merkel et al., 1992; Moldovanyi and Walter, 1992; Zimmerman, 1992; Heydari and Baria, 2005; Mancini et al., 2008). Company information and news releases were used to reference any historical mineral exploration work at the SWA Property (e.g., Standard Lithium Ltd., 2018a and b).

 

18

 

 

South West Arkansas Project Pre-Feasibility Study 23 July 25

 

Geochemical data collected in 2018 presented in the previous revision of this Technical Report were analyzed at independent and accredited laboratories: ALS-Houston Environmental Services (ALS-Houston) in Houston, Texas, and Western Environmental Testing Laboratory (WetLab) in Sparks, Nevada. Geochemical data collected in 2023 presented in this Technical Report were analyzed at WetLab. Historical Smackover Formation brine geochemical data from a peer reviewed journal were also used (Moldovanyi and Walter, 1992).

 

Historic well log data and well status information used to create the layered geologic model was obtained from TGS and IHS, two companies that supply well log and well status information to the petroleum and bromine industry. Historical geotechnical data presented in this Technical Report include core reports that were prepared by independent petroleum laboratories and engineering firms that include:

 

·Core Laboratories Inc. in Dallas, TX and Shreveport, LA;

 

·Delta Core Analysts in Shreveport, LA;

 

·All Points Inc. in Houston, TX;

 

·Thigpen Core Laboratories, Inc. in Shreveport, LA;

 

·O’Malley Laboratories, Inc. in Natchez, Miss; and

 

·Bell Core Laboratories in Shreveport, LA.

 

The geotechnical data collected in the 2023 exploration program include core reports prepared by these independent petroleum laboratories and engineering firms:

 

·Intertek Westport Technology Center in Houston, TX; and,

 

·Delta Core Analysts in Shreveport, LA.

 

The laboratories and engineering firms are independent and certified third-party consultants and/or include certified Professional Geologists or Engineers. The geochemical laboratories for the brine samples collected in 2018 and 2023 cite National and State accreditations (e.g., ISO/IEC 17025:2005; 2009 TNI Environmental Testing Laboratory Standard; DoD Environmental Laboratory Accreditation Program (DoD ELAP); ISO/IEC Guide 25-1990; NAC 445A). Historical brine analytical data originated from a peer reviewed journal (American Association of Petroleum Geologist Bulletin) and is considered a reputable source of information (Moldovanyi and Walter, 1992).

 

19

 

 

South West Arkansas Project Pre-Feasibility Study 23 July 25

 

2.4Units of Measure, Currency, and Acronyms

 

With respect to units of measure and currency, unless otherwise stated, this Report uses:

 

·Abbreviated shorthand consistent with the International System of Units (International Bureau of Weights and Measures, 2006);

 

·‘Bulk’ weight is presented in both metric and imperial units. Metric is presented as tonnes and is equivalent to 1,000 kg or 2,204.6 lbs. Imperial is United States short tons which is presented as tons and is equivalent to 2,000 lbs or 907.2 kg;

 

·Geographic coordinates projected in the Universal Transverse Mercator (UTM) system relative to Zone 15 of the North American Datum (NAD) 1983;

 

·Currency in U.S. dollars (USD$), unless otherwise specified (e.g., Canadian dollars, CDN$; Euros, €);

 

·Key well field dimensions such as well depth, reservoir depth and casing sizes will be presented using standard oil field units as the primary unit of measure with SI units in brackets; and,

 

·Brine leases and surface leases are presented in acres to maintain consistency with Arkansas brine leases and property legal descriptions.

 

·Lithium hydroxide or hydroxide refer to lithium hydroxide monohydrate which is the commercially sold form of lithium.

 

Table 2-2 describes the various abbreviations used in the Technical Report.

 

Table 2-2. Abbreviations

 

Abbreviation Description
mm Micrometers
AACE American Association of Cost Engineers
ADEE Arkansas Department of Energy and Environment
ADEE-AOGC Arkansas Department of Energy and Environment Arkansas Oil & Gas Commission
ADEE-DEQ Arkansas Department of Energy and Environment Division of Environmental Quality
ADH Arkansas Department of Health
AOGC Arkansas Oil and Gas Commission
ASTM American Society for Testing and Materials

 

20

 

 

South West Arkansas Project Pre-Feasibility Study 23 July 25

 

Abbreviation Description
BFD Block Flow Diagram
BOE Basis of Estimate
CAPEX Capital Expenditure
CIM Canadian Institute of Mining
CIT Corporate Income Tax
CPF Central Processing Facility
CSA Canadian Securities Administration
DCF Discounted Cash Flow
DLE Direct Lithium Extraction
EA Environmental Assessment
EPA Environmental Protection Agency
ESP Electric Submersible Pump
ESS Energy Storage Systems
EVs Electric Vehicles
GPM US Gallons per Minute
GWh Gigawatt-hour
H2S Hydrogen Sulfide
HDPE High Density Polyethylene
HPRO High Pressure Reverse Osmosis
ICE Internal Combustion Engine
ICP-OES Inductively Coupled Plasma Optical Emission Spectroscopy
IRR Internal Rate of Return
ISBL Inside Boundary Limit

 

21

 

 

South West Arkansas Project Pre-Feasibility Study 23 July 25

 

Abbreviation Description
IX Ion Exchange
LCE Lithium Carbonate Equivalent
Li2CO3 Lithium Carbonate
Li2O Lithium Oxide
LiOH Lithium Hydroxide
LiOH.H2O Lithium Hydroxide Monohydrate
LiSTR Lithium Stirred Tank Reactor
LSS Lithium Selective Sorption
m3 Cubic Meter
MCC Motor Control Center
mD Millidarcies
mg/L Milligrams per litre
MKP McKamie-Patton
MMBTU Million British Thermal Units
MW Megawatts
MWh Megawatt-hour
NAD North American Datum
NI 43-101 National Instrument 43-101
NPDES National Pollutant Discharge Elimination System
NPV Net Present Value
OARO Osmotically Assisted Reserve Osmosis
OPEX Operating Expenditure
PEA Preliminary Economic Assessment

 

22

 

 

South West Arkansas Project Pre-Feasibility Study 23 July 25

 

Abbreviation Description
PFD Process Flow Diagram
PFS Pre-Feasibility Study
ppm Parts Per Million
psi Pounds per square inch
QA/QC Quality Assurance/Quality Control
QP(s) Qualified Person(s)
RCRA Resource Conservation and Recovery Act
RO Reverse Osmosis
ROW Right-of-Way
RPD Relative Percentage Difference
SM Standard Methods
SX Solvent Extraction
TDS Total Dissolved Solids
TEC Total Equipment Cost
TIC Total Installed Cost
TPC Total Plant Cost
UIC Underground Injection Control
USACE U. S. Army Corps of Engineers
USGS United States Geological Survey
UTM Universal Transverse Mercator
WetLab Western Environmental Testing Laboratory

 

23

 

 

South West Arkansas Project Pre-Feasibility Study 23 July 25

 

3Reliance on Other Experts

 

The authors are not qualified to provide an opinion or comment on issues related to legal agreements and royalties. They have relied entirely on background information and details regarding the nature and extent of TETRA’s Land Titles. The author has not reviewed the approximately 851 leases and 8 salt water (brine) deeds owned by TETRA or the transactional agreement between Standard Lithium and TETRA (and/or the agreement between TETRA and the underlying landowners) to obtain mineral brine production rights. The legal and survey validation of the leases and brine rights is not in our expertise, and we are relying on Standard Lithium and TETRA’s land-persons and lawyers.

 

The QP of Section 4 has no reason to question the validity or good standing of the TETRA leases and brine deeds through which Standard Lithium is gaining access to brine for process test work.

 

24

 

 

South West Arkansas Project Pre-Feasibility Study 23 July 25

 

4Property Description and Location

 

4.1Property Description and Location

 

The SWA Property encompasses Townships 16-17 South and Ranges 22-24 West of the 5th Meridian. The center of SWA Project is located approximately 24 km (15 miles) west of the City of Magnolia in Lafayette and Columbia Counties, Arkansas, United States. Coordinates for the Property center are:

 

·Latitude 33.2843 and Longitude -93.5135; or

 

·Universal Transverse Mercator 452185.15 Easting, 3682922.78 Northing, Zone 15N, North American Datum 83 (Figure 4-1).

 

The SWA Property consists of 27,066 net mineral acres (10,953 net mineral hectares) and covers a surface area of approximately 110 km2 (42 square miles) and is comprised of 489 land tracts containing 851 individual leases and 8 salt water (brine) deeds from private mineral owners, as illustrated in Figure 4-2. The proposed unitized area encompasses the individual leases and consists of 36,839 gross mineral acres (14,908 gross mineral hectares) (see Table 4-1).

 

4.2Lithium-Brine Mineral Production Rights

 

Standard Lithium acquired the SWA Project brine rights to produce lithium from TETRA through an option agreement. As part of the agreement between Standard Lithium and TETRA, Standard Lithium owns the ‘lithium-brine’ production rights within the SWA Property brine lease holding. The Standard Lithium-TETRA agreement and a summary of the leases and deeds are discussed in more detail in the following sub-sections.

 

25

 

 

South West Arkansas Project Pre-Feasibility Study 23 July 25

 

Figure 4-1. SWA Project discussed in this Technical Report

 

A map of a state

Description automatically generated

 

26

 

 

South West Arkansas Project Pre-Feasibility Study 23 July 25

 

4.2.1Summary of the Standard Lithium – TETRA Agreement

 

Standard Lithium owns the rights to produce lithium from TETRA’s brine leasehold for a period of 10-years (the exploratory period) through an option agreement providing that Standard Lithium makes annual payments on the annual anniversary of the effective date (December 29, 2017) of the agreement with TETRA, as follows:

 

·US$500,000 before January 28, 2018 (paid)

 

·An additional US$600,000 on or before December 29, 2018 (paid)

 

·An additional US$700,000 on or before December 29, 2019 (paid)

 

·An additional US$750,000 on or before December 29, 2020 (paid)

 

·Years 4-5: $1,000,000 per year (paid)

 

·Years 6-10: $1,000,000 per year

 

As of the writing of this report, the option agreement is still in place and all required payments have been fulfilled. When Standard Lithium commences production of lithium or exercises the option, Standard Lithium will pay TETRA a 2.5% royalty on gross revenue, and not less than $1,000,000 in any year, starting on the date that Standard Lithium exercises the option.

 

4.2.2Summary of Salt Water (Brine) Deeds

 

In 1992, TETRA acquired the rights to 2,045 acres in the form of eight salt water (Brine) Deeds. The brine deeds are a 35-year term conveyance of brine within the Smackover Formation limestone. The initial brine deeds were executed from March 23 to April 29, 1992 and will expire in 2027 unless the term is extended by agreement.

 

The Brine Deeds permit TETRA or its assignee to produce brine attributable to its Grantor’s interest in the covered lands without royalty becoming due. Thus, with respect to those Grantors’ brine interests, no delay rental or brine royalty payment is required, and no additional royalty will become due upon commercial extraction of lithium. Instead, TETRA is obligated to make annual promissory note installment payments of $79,125, in the aggregate, on promissory notes executed by TETRA in favor of the Grantor and its related parties. These notes provide for 35 annual installments, coinciding with the term of the Brine Deed.

 

4.2.3Summary of Leases

 

In 1994, TETRA implemented a brine leasing strategy and added additional brine leases in 2006 and 2017-2018 bringing their total lease holdings to 802 leases at the Effective Date of the PEA. Except for 3 leases with five-year terms dated 26 September 2018, representing 240 acres, each lease has a 25-year term, and there is an attempt to renew or extend the leases prior to the expiration of the original 25-year term. Since the publishing of the PEA, a campaign to maintain and increase the lease acreage in line with TETRA’s obligation under the option agreement was implemented and the number of leases was increased to 934.

 

27

 

 

South West Arkansas Project Pre-Feasibility Study 23 July 25

 

Subsequently, 83 leases totaling 196 net mineral acres have lapsed leaving a total of 851 leases at the effective date of this report. A summary of the leases in place at the effective date of this report can be found in Table 4-1 and shown in Figure 4-2.

 

The SWA Property brine leases have yet to be developed for production of brine minerals.

 

4.2.4Mineral Brine Right Distribution on Individual Leases

 

In some instances, the property encompassed by an individual brine lease may be very small, less than one acre, or much larger, up to several hundred acres. The percentage of brine rights ownership varies from section to section. In some instances, the percentage of the area leased within an individual brine lease may be small, less than 10%, or up to 100% ownership within any arbitrary section.

 

Overall, the lease ownership is complex, however, Standard Lithium has conducted a due diligence compilation of the percentage ownership of the individual brine leases on a section-by-section basis. That is, Standard Lithium engaged third-party firm R&J Land Services, LLC (R&J Land) of Bossier City, Louisiana to conduct due diligence of TETRA title of the brine leases and salt water (brine) deeds.

 

Standard Lithium also retained Arkansas attorney, Mr. Robert Honea, of Hardin, Jesson & Terry PLC of Fort Smith, AR regarded as having expertise in Arkansas State brine as well as oil and gas law. Mr. Honea issued an opinion letter to Standard Lithium, prior to Standard Lithium signing the Option Agreement with TETRA, after reviewing R&J Land’s review into the documentation of title to TETRA leasehold, confirming his professional opinion that the title due diligence performed by R&J Land was reasonable. In July 2023, Tetra provided an updated status report for the validity of leases. Standard Lithium engaged third-party firm R&J Land Services, LLC (R&J Land) of Bossier City, Louisiana to review the original brine leases and the revised listing was subsequently confirmed as part of project specific due diligence. The updated list from Tetra was confirmed to be valid and the leases identified as being in good-standing.

 

The resulting section-based mineral brine lease percentage compilation is presented in Table 4-1 and Figure 4-2. To simplify the brine ownership for the purpose of reporting, TETRA has amassed a mineral brine rights ownership that encompasses approximately 73% of the total mineral brine rights at the SWA Property, of which, Standard Lithium has acquired the corresponding lithium-brine production rights as described in Section 4.2, Lithium Brine Mineral Production Rights.

 

28

 

 

South West Arkansas Project Pre-Feasibility Study 23 July 25

 

Table 4-1. SWA Property Ownership Summary

 

Township Range Section Net Acres
Leased
Total Gross acres
within Section
Percentage
leased
16 22 31 37.815 200 19%
16 23 19 80 80 100%
16 23 24 40 50 80%
16 23 25 80 80 100%
16 23 26 20 80 25%
16 23 29 192.5 195 99%
16 23 30 213.84 516.34 41%
16 23 31 610 640 95%
16 23 32 511.34 545 94%
16 23 33 267.013 335.36 80%
16 23 34 255.33 296.6 86%
16 23 35 192.58 499.33 39%
16 23 36 160 640 25%
16 24 25 586.66 640 92%
16 24 26 566.71 640 89%
16 24 27 36.67 40 92%
16 24 34 136.67 160 85%
16 24 35 593.68 640 93%
16 24 36 613.33 640 96%
17 22 5 407.5 640 64%
17 22 6 473.09 640 74%
17 22 7 640 640 100%
17 22 8 160 160 100%
17 22 17 276 280 99%
17 22 18 560 640 88%
17 22 19 320.5 320.5 100%
17 22 20 357.5 400 89%
17 23 1 31.27 640 5%
17 23 2 405 640 63%
17 23 3 556.92 640 87%
17 23 4 270.64 640 42%
17 23 5 351.5 640 55%
17 23 6 554.17 640 87%
17 23 7 498.83 640 78%
17 23 8 541.04 640 85%
17 23 9 429.51 640 67%
17 23 10 308.19 640 48%

 

29

 

 

South West Arkansas Project Pre-Feasibility Study 23 July 25

 

Township Range Section Net Acres
Leased
Total Gross acres
within Section
Percentage
leased
17 23 11 140 640 22%
17 23 12 315 640 49%
17 23 13 450 640 70%
17 23 14 573.8 600 96%
17 23 15 368.32 478.32 77%
17 23 16 409.38 640 64%
17 23 17 585.46 640 91%
17 23 18 570.83 640 89%
17 23 19 207.497 640 32%
17 23 24 125 165 76%
17 23 31 14.92 40 37%
17 24 1 561.489 640 88%
17 24 2 548.634 640 86%
17 24 3 457.951 640 72%
17 24 4 453.345 640 71%
17 24 5 562.46 640 88%
17 24 8 397.95 640 62%
17 24 9 416.025 640 65%
17 24 10 594.76 640 93%
17 24 11 627.58 640 98%
17 24 12 623.87 640 97%
17 24 13 638 638 100%
17 24 14 525.48 640 82%
17 24 15 535.78 640 84%
17 24 16 582.5 640 91%
17 24 17 640 640 100%
17 24 20 290.846 640 45%
17 24 21 441.53 640 69%
17 24 22 498 640 78%
17 24 23 614.3 640 96%
17 24 24 452.71 640 71%
17 24 25 20 40 50%
17 24 26 206.39 320 64%
17 24 35 240 240 100%
17 24 36 40 640 6%
Total 27,065.61 36,839.45 73.469%

 

30

 

 

South West Arkansas Project Pre-Feasibility Study 23 July 25

 

Figure 4-2. SWA Property Ownership Summary

 

A map of a city

Description automatically generated

 

31

 

 

South West Arkansas Project Pre-Feasibility Study 23 July 25

 

4.3Surface (and Mineral) Rights in Arkansas

 

The definition of minerals is established by Arkansas Code Title 15, Natural Resources and Economic Development § 15-56-301 (the Brine Statue), which has been amended to include salt water, or brine, “whose naturally dissolved components or solutes are used as a source of raw material for Bromine and other products derived therefrom." The mineral interest owner has the inherent right to develop the minerals and the right to lease the minerals to others for development. When a company desires to develop the mineral resources in an area, the company will need to secure mineral lease agreements from the mineral owners. The mineral lease is a legal binding contract between the mineral owner (Lessor) and an individual or company (Lessee), which allows for the exploration and extraction of the minerals covered under the lease.

 

Payments made to the Lessor for production of brine are known as “in lieu” royalty payments because the payments are made annually based on a statutory rate, as opposed to a true royalty based on the amount of the produced brine. The statutory in lieu royalty payment is increased or decreased annually based on changes in the Producer Price Index.

 

The Brine Deeds permit TETRA or its assignee to produce brine attributable to its Grantor’s interest in the covered lands without royalty becoming due. Thus, with respect to those Grantors’ brine interests, no delay rental or brine royalty payment is required, and no additional royalty will become due upon commercial extraction of Lithium. Instead, TETRA is obligated to make annual promissory note installment payments of $79,125, in the aggregate, on promissory notes executed by TETRA in favor of the Grantor and its related parties. These notes provide for 35 annual installments, coinciding with the term of the Brine Deed. TETRA is also required to pay annual rental of $100 each to the two surface owners who leased the surface right of ingress and egress to TETRA in documents called “Landowner Agreements.”

 

With respect to surface rights, Arkansas law allows the severance of the surface estate from the mineral estate by proper grant or reservation, thereby creating separate estates. Under the laws of conservation in the State of Arkansas, however, the mineral rights are dominant over the surface rights. In some cases, when the mineral owner leases the right to produce oil, gas and/or brine, the Lessee succeeds to the mineral owner’s right of surface use, subject to lease restrictions. Authority of the mineral estate over the surface is a crucial legal concept for the mineral owner and Lessee because ownership of subsurface minerals without the right to use the surface to explore for and produce them would be practically worthless. If a Lessor does not want the land surface disturbed a “No Surface Operations Clause” may be negotiated with the Lessee and included in the mineral Lease agreement. This clause may be used to limit or restrict the use of the property for drilling activity or long-term production operations. Conflicts arising between the Lessee and surface owner can be avoided by creating Lease agreements that clearly identify the scope of surface use rights.

 

32

 

 

South West Arkansas Project Pre-Feasibility Study 23 July 25

 

The Lessee holding the Lease has a legal authority to enter the property for exploration and production even if the non-mineral owning surface owner objects to the intrusion on the property. That does not mean the surface owner will be without compensation. The amount and type of compensation is strictly a matter of negotiation between the surface owner and the company entering the property. If mutual agreement cannot be reached, the surface owner always has the right to seek the advice of an attorney and relief through the court system.

 

In the State of Arkansas when a person sells a piece of property the mineral rights automatically transfer with the surface rights, unless otherwise stated in the deed.

 

4.4Unitization

 

The Arkansas Brine Statute (AR Code § 15-76-301) was adopted by the Arkansas General Assembly in 1979 in response to expanding brine operations in southern Arkansas. Under the statute, the AOGC can authorize brine production units that contain one or more production/injection wells within a set amount of acreage to 1) provide a more efficient regulatory structure for the production of brine, 2) to protect the correlative rights of all mineral interest owners in the unit, and 3) to insulate brine operators from claims of trespass from adjacent mineral interest owners. Under the Brine Statute, brine owners are paid an annual amount known as an “in lieu royalty” based on a specific formula in the Brine Statute which is subject to annual adjustments under the applicable Producer Price Index.

 

Standard Lithium has contemplated how it might approach unitizing the underlying Smackover Formation brine aquifer in conjunction with the preparation of this PFS report. The unitized SWA Property encompasses 36,839 gross mineral acres (14,908 gross mineral hectares) and forms the updated resource and project area.

 

NOTE, Standard Lithium has NOT commenced the unitization process; the exercise described herein is an attempt to estimate the potential integrated lithium brine resource if Standard Lithium’s existing project leasehold area were to be unitized in the future for production, as it would need to be.

 

In order to unitize a contiguous area of acreage for brine production, the brine operator must file an application with the Commission supported by the following evidence:

 

·A description of the proposed brine unit.

 

·A proposed plan of development and operation.

 

33

 

 

South West Arkansas Project Pre-Feasibility Study 23 July 25

 

·Geological and engineering data supporting the feasibility of the proposed plan and the efficacy of the boundary lines of the proposed unit.

 

·A plat of the proposed unit indicating the tracts or parcels included in the unit and the proposed location of production and injection wells.

 

·A list of owners within the unit.

 

·Evidence that the applicant has valid brine leases covering at least 75% of the net mineral acreage within the entire area of the unit.

 

·Evidence that the operator has made reasonable efforts to lease all of the acreage within the proposed unit.

 

4.5Potential Future Royalty Payments to Lessors

 

The AOGC, in accordance with Arkansas law, has established ‘drilling units’ that consist of a set amount of acreage to protect correlative rights and ensure all mineral owners receive proper payment of production royalties (in the case of oil and gas production), and statutory in lieu royalty payments (in the case of brine production). Given that future brine production from the Project would be derived from a common aquifer in the Smackover Formation, the establishment of a unit(s) with defined boundaries would ensure that all mineral owners potentially impacted by the producing well(s) would receive proper compensation.

 

The AOGC was given the jurisdiction and authority to form brine production units in Ark. Code §§ 15-76-301 et seq. (the Brine Statute). The AOGC's rules and regulations are available on-line at: www.aogc.state.ar.us/ along with its hearing schedule and production data from 1992 forward. Pertinent provisions of the Brine Statute include:

 

·§15-76-308 which identifies who may make application for the establishment of brine production units and states that a brine production unit may consist of no fewer that 1,280 contiguous surface acres (Arkansas Code, 2016a);

 

·§15-76-309 which prescribes what information must be provided in a petition to form a brine production unit (Arkansas Code, 2016b);

 

·§15-76-312 which permits the owner of an interest in a tract of land that is adjacent to a brine production unit and is not included in the unit, to petition for inclusion within the unit (Arkansas Code, 2016c);

 

·§15-76-314 which requires each owner of an unleased interest in an established production unit to elect within 60 days from the effective date of the order to either participate affirmatively in the operation or to transfer his interest in the brine to the participating producers; and

 

34

 

 

South West Arkansas Project Pre-Feasibility Study 23 July 25

 

·§ 15-76-315, which provides as follows:

 

(c) (1) In addition to any other amounts due and owing by the producer or producers of any unit to the owners therein, the producer or producers shall account separately and on a fair and equitable basis to each owner in the unit for all substances which are found by the commission to be profitably extracted from brine by a producer and which were not extracted by a producer on January 1, 1979.

 

(2) Whether or not any such substance is extracted profitably shall be determined by the Oil and Gas Commission on the basis of the value at the time of extraction, without interest, after deducting all costs of producing and recovering the same.

 

It is the expectation of the AOGC that entities desiring to drill and operate an oil, gas, or brine well in Arkansas will attempt in good faith to negotiate a satisfactory mineral lease with mineral owners before resorting to the integration provisions of Arkansas law. In the case of brine production, the operator will negotiate a per acre bonus consideration to be paid upon signing of the lease. Under the Brine Statute, the AOGC will approve a unit for a brine operator when the operator files an application supported by the elements described in Section 4.3.1.

 

Moreover, pursuant to Ark. Code Ann. § 15-76-315(c) (as quoted above), the AOGC must approve the royalty rate for any “additional substance” profitably extracted from brine produced by an operator of a brine unit.

 

4.6Property Environmental Liabilities and Permitting

 

Environmental and cultural impact studies pertaining to the possible future extraction of the Smackover Formation brine resource on the SWA Project are presented in Section 20.

 

Several Federal and State permits and approvals are required for brine production in Arkansas, for example:

 

·Clean Water Act Section 404 permitting through the USACE;

 

·Air emissions permitting through the Arkansas Department of Energy and Environment-Division of Environmental Quality (ADEE-ADEQ);

 

·Water discharge permitting through the ADEE-DEQ;

 

·Well drilling and operating permits through the Arkansas Department of Energy and Environment-Arkansas Oil & Gas Commission (ADEE-AOGC);

 

·Underground Injection Control permitting through the ADEE-AOGC and the ADEE-DEQ; and,

 

·Public water supply permit through the Arkansas Department of Health (ADH).

 

35

 

 

South West Arkansas Project Pre-Feasibility Study 23 July 25

 

Currently there is no brine production occurring on the SWA Project for the express purpose of mineral extraction. Brine is produced from the Smackover Formation across and immediately adjacent to the property as a normal part of oil and gas extraction operations, but any brine produced is removed and disposed of as per normal oilfield activities. Albemarle produces brine to the east of the SWA property.

 

If Smackover Formation brine from the SWA Project is to be used in the future for process testing work, some on-site pre-treatment may be required to remove dissolved hydrogen sulfide (H2S), and all necessary permitting should be implemented accordingly.

 

4.7Risks and Uncertainties

 

As with any development project there exists potential risks and uncertainties. Standard Lithium will attempt to reduce risk/uncertainty through effective project management, engaging technical experts and developing contingency plans.

 

The following risks and uncertainties have been identified at this stage of project development:

 

·Lithium brine royalty assessment by the AOGC is not completed in a timely manner and/or the royalty rates overly impact project economics.

 

·Unitization in-lieu royalty payments, which are meant to be to fair and equitable as determined by the Commission, are subject to annual adjustments under the applicable Producer Price Index and such changes may influence the economics of the project.

 

36

 

 

South West Arkansas Project Pre-Feasibility Study 23 July 25

 

5Accessibility, Climate, Local Resources, Infrastructure, and Physiography

 

5.1Accessibility

 

The SWA Project area spans across Lafayette and Columbia counties, with the majority of the acreage located in Lafayette County. The proposed Central Processing Facility will be located approximately 11 km (7 miles) south of Lewisville. The largest nearby city is Magnolia, located about 34 km (21 miles) to the east. Magnolia is the County Seat of Columbia County and has a population of approximately 11,200. Magnolia is also the location of the main campus for the Southern Arkansas University and houses a student population of approximately 4,600. The combined population of Lafayette and Columbia Counties is estimated at approximately 29,000 based on census data from 2020.

 

The largest cities in the region are Shreveport-Bossier City, LA and Texarkana, TX. Shreveport is approximately 60 miles south and has a population of 393,000, and Texarkana is approximately 30 miles west with a population of 147,000.

 

5.1.1Airport Access

 

The nearest airport is Magnolia Municipal Airport, located immediately to the east of the SWA Project, and approximately 5 km (3 miles) south-east of Magnolia in Columbia County.

 

The nearest commercial airports are Texarkana Regional Airport, approximately 30 miles west and Shreveport Regional Airport, approximately 60 miles to the south.

 

In addition, there are two airports, one commercial and a small general aviation airport, located in Union County near the city of El Dorado. El Dorado is approximately 55 km (34 miles) east of Magnolia.

 

5.1.2Rail Access

 

There is existing rail access just to the west and across Hwy 29 from the proposed Central Processing Facility location.

 

5.1.3Road Access

 

The area has an extensive all-season secondary road network. Access is provided by U.S. and Arkansas state highways. U.S. Highway 82 links the cities of Lewisville, Stamps, and Magnolia, running west-to-east, and U.S. Highway 371 runs just southeast of the property (Figure 5-1). Arkansas State Highways 29, 53, 313, and several improved county roads provide access to every section of the property.

 

37

 

 

 

South West Arkansas Project Pre-Feasibility Study 23 July 25

 

Figure 5-1. SWA Property with cities/towns and access routes, including major and secondary U.S. highways and railway lines

 

A map of a city

Description automatically generated

 

38

 

 

South West Arkansas Project Pre-Feasibility Study 23 July 25

 

5.2Climate

 

The project area climate is generally humid with average temperature and precipitation of 23.6ºC (74.4ºF) and 126.7 cm, respectively (49.8 inches; Figure 5-2). Annual rainfall is evenly distributed throughout the year. The wettest month of the year is December with an average rainfall of 12.7 cm (5 inches). The warmest month of the year is July with an average maximum temperature of 34ºC (93ºF), while the coldest month of the year is January with an average minimum temperature of -2ºC (30ºF).

 

Figure 5-2. Average Temperature and Precipitation in Magnolia, AR

 

Chart, bar chart, histogram

Description automatically generated

 

5.3Local Resources and Infrastructure

 

Oil and gas extraction related infrastructure are present across the SWA Project area, particularly in the northern and southern parts of the property. This infrastructure consists of wellheads, collection facilities for various fluids, batteries, gas processing plant and associated pipelines, and cleared easements. Much of the infrastructure is variably in use by junior operators, and the operation thereof can be cyclical depending on hydrocarbon market conditions.

 

5.4Physiography

 

Lafayette County has a total area of 1,430 km2 (545 square miles), of which 1,386 km2 is land-based (528 square miles) and 44 km2 is water-based (17 square miles). Columbia County has a total area of 1,996 km2 (767 square miles), of which 1,984 km2 is land-based (766 square miles), and 12 km2 is water-based (0.7 square miles).

 

The terrain consists of rolling hills with large timber farms and is sparsely populated by rural private residences.

 

39

 

 

South West Arkansas Project Pre-Feasibility Study 23 July 25

 

In Arkansas, the West Gulf Coastal Plain covers the southern portions of the state along the border of Louisiana. This lowland area of Arkansas is characterized by pine forests and farmlands. Natural resources include natural gas, petroleum deposits, and bromine-rich brine resources. The lowest point in the state is found on the Ouachita River approximately 90 km (56 miles) east of the property in the West Gulf Coastal Plain of Arkansas.

 

40

 

 

South West Arkansas Project Pre-Feasibility Study 23 July 25

 

6History

 

6.1Introduction To Brine Production

 

The brine production industry in southern Arkansas currently recovers bromine as its chief product. Bromine is one of two elements that are liquid at room temperature and found principally as dissolved species in seawater, evaporitic (salt) lakes and underground brine. The primary uses for bromine compounds include flame retardants, intermediates and industrial uses, drilling fluids, and water treatment. The United States is one of four leading bromine producers in the world, along with China, Israel, and Jordan. U.S. production and sold/used bromine values are withheld to avoid disclosing company proprietary data (USGS, 2016). Excluding the United States, total world bromine production is 345,000 tpa.

 

Some historical production of bromine occurred from ocean water, but since 1969, all U.S. bromine has been produced from subsurface brine in southern Arkansas. The first commercial recovery of bromine from brine in Arkansas occurred in 1957 in Union County. Since then, bromine production in Union County by Lanxess and in Columbia County by Albemarle has been continuous via a process in which the bromine-bearing brine is produced using production wells, the bromine is recovered through an exchange reaction with chlorine in surface facilities, and the bromine-free brine (effluent brine) is returned underground into the production formation via Class V injection wells that are regulated by the AOGC. Brine was initially encountered as a result of drilling for oil, which was first discovered in south Arkansas at the Hunter No. 1 well in Ouachita County in 1920, and first produced from the Busey No. 1 well in Columbia County in 1921. Oil and gas production has since increased, peaked, and is now in decline, as shown by Figure 6-1. The brine encountered with the oil and gas was initially considered a worthless by-product of production.

 

Over time, the oil and gas industry realized that the Smackover Formation brine contained elevated concentrations of elements, such as bromine in addition to hydrocarbons. For example, brine samples obtained by Standard Lithium within the SWA Property contain approximately 3,100 to 6,500 mg/L of bromine; compared to 65 mg/L in seawater (WetLab analyses of 2023 exploration program brine samples). Accordingly, the commercial potential of bromine gradually became apparent (McCoy, 2014). The large-scale development of this bromine-bearing brine resource has resulted in annual brine production volumes of between 150 million and 300 million barrels over the last 40 years (Figure 6-2). This brine production results from the Lanxess and Albemarle Smackover Formation bromine brine production projects in Union and Colombia Counties, respectively, the two principal bromine production projects in the United States. Their prolific and long-lived production projects clearly demonstrate the viability of brine production and processing from the Smackover formation in South Arkansas.

 

41

 

 

South West Arkansas Project Pre-Feasibility Study 23 July 25

 

Figure 6-1. Summary of South Arkansas Oil and Gas Production

 

 

Source: AOGC, 2023

 

42

 

 

South West Arkansas Project Pre-Feasibility Study 23 July 25

 

Figure 6-2. Summary of South Arkansas Brine Production

 

 

Source: AOGC, 2023

 

The brine characteristics and productivity of these nearby Smackover properties resulted in Standard Lithium carrying out a data collection program on the subject SWA Property that has provided the information needed to describe the geologic characteristics, productivity and brine content of the Smackover Formation underlying the SWA Property, as described in Sections 9, 10, and 14.

 

6.2Regional Assessment of the Lithium Potential of the Smackover Formation Brine

 

Note: (The discussion presented in this section extends beyond the boundary of the SWA Property.)

 

Adjacent properties have verified lithium-brine mineralization within the Smackover Formation. Accordingly, this discussion of lithium-brine information occurring near or adjacent to the Property is not necessarily indicative of the mineralization on the Property.

 

43

 

 

South West Arkansas Project Pre-Feasibility Study 23 July 25

 

Brine aquifers have different characteristics than traditional mineral deposits, such as precious and base metal deposits. Any given aquifer can have enormous sub-surface dimensions; therefore, the scale of the Smackover Formation brine aquifer (i.e., the nature and extent of the lithium-brine potential of the Smackover Formation), is important background information.

 

The USGS National Produced Waters Geochemical Database v2.3, contains geochemical information collected from wells across the United States. The database includes 114,943 produced water samples that were collected between 1905 and 2014 (Blondes et al., 2018). In addition to the major element data, the database contains trace elements, isotope and time-series data that provide spatial coverage from specific formations and/or aquifers. Quality control of the database must be performed by culling the data, based on geochemical criteria (Blondes et al., 2018). For this sub-section, and because the adjacent Property information is disclaimed as being not necessarily indicative of the mineralization on the Property, the QPs have not filtered any data and have included lithium-brine results directly from the USGS National Produced Waters Geochemical Database.

 

Figure 6-3 shows that lithium-enriched brine, specific to the database-searched: “Smackover,” “Upper Smackover,” or “Reynolds Member of the Smackover,” occurs throughout southern Arkansas within Union, Columbia, and Lafayette Counties. The highest recorded lithium-brine in this USGS-compiled database occurs within the Union County (1,700 mg/L lithium), followed by a sample with 1,430 mg/L lithium in Columbia County and 740 mg/L in northern Union County. Brine analyses between 300 mg/L and 500 mg/L lithium occur predominantly in Columbia County, with two recorded samples in Lafayette County. Brine yielding 100 to 300 mg/L lithium occurs across all three counties.

 

44

 

 

South West Arkansas Project Pre-Feasibility Study 23 July 25

 

Figure 6-3. Regional Smackover Formation Lithium Brine Values from the USGS National Produced Waters Database

 

 

Source: Blondes et al., 2018

 

Moldovanyi and Walter (1992), whose brine geochemical data are included in the USGS National Produced Waters Geochemical Database, conducted a regional brine chemical study where Smackover Formation brine samples were collected and analyzed from 87 wells, which were producing from 45 Smackover Formation oil and natural gas reservoirs in southwest Arkansas, east Texas, and northern Louisiana. The study allowed these authors to hypothesize/conclude the following points with respect to the regional distribution of the elevated Smackover Formation lithium-brine:

 

·Boron (B) and alkali metal lithium (Li), potassium (K), and rubidium (Rb) concentrations in the Smackover Formation water exhibit coherent geochemical relations across the southwest Arkansas shelf.

 

·In general, the concentration of these elements is greater and more heterogeneous in hydrogen sulfide (H2S)-rich brine than in H2S-free brine (see the H2S-rich polygon shown in Figure 6-2).

 

45

 

 

South West Arkansas Project Pre-Feasibility Study 23 July 25

 

·Regional concentration gradients in H2S, B, Li, K, and Rb suggest fluids enriched in these elements may have migrated into the Smackover Formation reservoirs from large-scale circulation of deep-seated waters along segments of the South Arkansas and Louisiana State Line graben fault system (Moldovanyi and Walter, 1992).

 

With respect to the SWA Project, the Moldovanyi and Walter (1992) dataset includes four brine analyses within the boundaries of the Property, as shown in Figure 6-4. Based on these data, lithium-brine values range from 132 mg/L lithium (Purser 2) to 432 mg/L lithium (Cornelius 2), with an average of 278 mg/L lithium. The latest concentration data gathered by Standard Lithium in 2023 demonstrates significantly higher lithium concentrations within much of the SWA Project area, and supersedes, to a large part, the Moldovanyi and Walter (1992) data, as will be discussed in the following sections.

 

46

 

 

South West Arkansas Project Pre-Feasibility Study 23 July 25

 

Figure 6-4. Historic Smackover Formation Lithium Brine Values Derived within, and Adjacent to, the South West Arkansas Property

 

A map of a city

Description automatically generated

Source: Blondes et al., 2018

 

47

 

 

South West Arkansas Project Pre-Feasibility Study 23 July 25

 

6.3SWA Property Historical Infrastructure Summary

 

Several Smackover Formation oil fields were located on the SWA Property and included: Lewisville, McKamie-Patton, McKamie NE, Mars Hill, Mt. Vernon, and Kress City (AOGC, 2016). Currently only the McKamie-Patton field is operating, and the other fields were abandoned. Prior to Standard Lithium’s activities 95 wells had been drilled by oil companies to a depth greater than 7,000 feet (2,133 meters) on the SWA Property during exploration of the Smackover Formation (Figure 6-5). Four of those wells are shut-in Smackover producers, three are completed in non-Smackover formations, and the remainder are plugged and abandoned.

 

The McKamie Patton oil and natural gas field is adjacent to and over-laps the south-central portion of the SWA Property. The status of 115 total wells drilled to greater than 7,000 feet (2,133 meters) within the McKamie-Patton field is as follows:

 

·66 wells are plugged and abandoned (four within the SWA Property)

 

·29 wells are active producers in the Smackover formation (none within the SWA Property)

 

·13 wells are active producers in non-Smackover formations (none within the SWA Property)

 

·3 wells are injection wells (none within the SWA Property)

 

·4 wells are currently shut-in Smackover producers (all within the SWA Property)

 

The oil and natural gas collected from the McKamie Patton oil field is directed by a gathering system of pipelines to the Dorcheat gas plant. The process facility owned by Mission Creek Resources, LLC (Mission Creek), the McKamie Gas Processing Facility, is located south of the SWA Property and is currently mothballed.

 

48

 

 

South West Arkansas Project Pre-Feasibility Study 23 July 25

 

Figure 6-5. Well Status on the SWA Property

 

A map with orange dots

Description automatically generated

 

Note: Only wells with total depth greater than 7,000 feet are shown.

 

49

 

 

South West Arkansas Project Pre-Feasibility Study 23 July 25

 

7Geological Setting and Mineralization

 

Two Qualified Professionals (Brush and Williams) have reviewed in detail the prior evaluations of the Project, including the “Amended Geological Introduction and Maiden Inferred Resource Estimate for Standard Lithium Ltd.’s Tetra Smackover Lithium-Brine Property in Arkansas, United States”, effective date 28 February 2019 (MIRE) (Eccles, et al, APEX, 2019) and the “Preliminary Economic Assessment of SW Arkansas Lithium Project”, effective date 20 November 2021 (PEA) (Eccles, et. al, APEX, 2021), and will note where its descriptions, results, or conclusions are adopted by this report. In particular, the extensive description of the geologic setting is accurate and is adopted here, and is summarized below.

 

The Smackover Formation is Upper Jurassic in age and was named after the Smackover Field, Union County, Arkansas, which first produced oil in 1922 (Schneider 1924). The Smackover Formation extends from the panhandle of Florida through Alabama, Mississippi, Louisiana, and Arkansas to Texas as shown in Figure 7-1. The portion of the Smackover generally known to contain significant bromine and lithium salts is found between the Jurassic Gulf Coast basin-bounding faults to the north-northwest of the Property and the “State Line” fault system to the south-southeast near the Arkansas-Louisiana border, shown in Figure 7-2.

 

Stratigraphically, the Smackover Formation is bounded on the top by the Buckner Formation and on the bottom by the Norphlet Formation (Figure 7-3). The lithium brine-bearing Upper Smackover Interval is overlain by the Buckner Formation, which in Arkansas is dominated by red shale in the upper part and anhydrite in the lower part above the Smackover carbonates, and, because of its low permeability, acts as a geologic seal which traps oil and gas. The dense, low-permeability carbonate of the Lower Smackover Interval is underlain by the clastic section of the Norphlet Formation. The Norphlet Formation is comprised of red and gray clays with varying amounts of intercalated sands and occasional gravels.

 

As shown in Figure 7-4 the Smackover Formation in southern Arkansas is commonly subdivided into three intervals, the Reynolds Member Oolite (referred to in this report as the Upper Smackover), the Middle Smackover, and the Brown Dense (referred to in this report as the Lower Smackover). The Upper Smackover is a predominantly oolitic limestone, and the Middle Smackover is a burrowed pellet packstone. The Lower Smackover (which does not contribute to the resource estimates in this report but is a future target for exploration) is largely composed of dark, dense limestone with argillaceous bands (Imlay 1940). As will be discussed later, the Lower Smackover has been found to contain porous and permeable intervals. The entire Smackover Formation has been dolomitized to varying degrees.

 

50

 

 

South West Arkansas Project Pre-Feasibility Study 23 July 25

 

As described in more detail in Section 14, the authors have subdivided the Upper and Middle Smackover Intervals into eight layers based on geologic characteristics and lateral correlations. The upper five layers comprise the Upper Smackover while the lower three layers comprise the Middle Smackover. To quantify the amount of porous and permeable Smackover Formation present within the SWA Property, the available core and log data was evaluated to determine the reservoir’s structure, porosity, gross layer thickness, net pay thickness (that portion of the gross layer thickness expected to be productive because it exceeded a 6.0 percent minimum porosity value) and net pay thickness to gross layer thickness ratio (equal to the fraction of the layer at a given location that was estimated to be productive) for each layer at each well location. Some wells did not drill deep enough to penetrate all layers, so only penetrated layers with data were used in the mapping effort at those locations.

 

51

 

 

South West Arkansas Project Pre-Feasibility Study 23 July 25

 

Figure 7-1. Facies Map of the Smackover Formation, Northern Gulf Coast Basin

 

A map of the river

Description automatically generated

Source: BEG, 1981

 

52

 

 

South West Arkansas Project Pre-Feasibility Study 23 July 25

 

Figure 7-2. Structural Framework, Northern Gulf Coast

 

A map of land with red text

Description automatically generated

Source: BEG,1981

 

53

 

 

South West Arkansas Project Pre-Feasibility Study 23 July 25

 

Figure 7-3. Stratigraphic Column of the Late Triassic to Late Jurassic Formations
of the Northern Gulf Coast

 

A diagram of a rock formation

Description automatically generated

Source: Heydari and Baria, 2005

 

54

 

 

South West Arkansas Project Pre-Feasibility Study 23 July 25

 

Figure 7-4. Smackover Stratigraphic Column

 

A diagram of a study

Description automatically generated

Source: Heydari and Baria, 2005

 

The focus of this resource assessment is the South West Arkansas Property’s Smackover Formation. The lithium bearing Smackover reservoir is continuous across the SWA Property and extends beyond the SWA Property discussed in this Technical Report. The lithium concentration exhibited by the Smackover Formation brine varies throughout the Property, as described in Section 0. The depth of the top of the Smackover in the Property area generally dips from north-northeast to south-southwest (Figure 7-5) and varies in depth from approximately 7,600 feet (2,316 meters) subsea to approximately 9,100 feet (2,773 meters) subsea. The reservoir structure is not by itself an important factor in brine production because the similar density of injected and produced brines minimizes the influence of gravity on fluid flow in the reservoir. As shown on Figure 7-5, there is an east-west fault near the center of the SWA Property (the Brown Fault) and three more east-west faults along the southern edge of the SWA Property. The presence of these faults has been accounted for in the example development plan described in later Sections.

 

55

 

 

South West Arkansas Project Pre-Feasibility Study 23 July 25

 

Figure 7-5. Smackover Structure Map

 

 

The lithium brine-bearing Upper Smackover Interval is overlain by the Buckner Formation, which in Arkansas is dominated by red shale in the upper part and anhydrite in the lower part above the Smackover carbonates, and, as a result of its low permeability, acts as a geologic seal which traps oil and gas. The dense, low-permeability carbonate of the Lower Smackover Interval is underlain by the clastic section of the Norphlet Formation. The Norphlet Formation is comprised of red and gray clays with varying amounts of intercalated sands and occasional gravels. The relationship between the Smackover Formation, the Buckner Formation, and the Norphlet Formation as shown in a cross-section through the Standard Lithium Exploration Wells, Figure 7-6.

 

56

 

 

South West Arkansas Project Pre-Feasibility Study 23 July 25

 

Figure 7-6. Exploration Program Wells Cross Section

 

57

 

 

South West Arkansas Project Pre-Feasibility Study 23 July 25

 

8Deposit Type

 

Lithium is extracted today from either mineral deposits (often from pegmatite deposits containing the lithium-rich mineral spodumene) or brine deposits. Brine deposits can either be unconfined in salars, where lithium has been concentrated by the surface evaporation of water from lithium-bearing brine (found in arid regions of countries such as in Bolivia, Chile, Argentina, and China) or confined in underground brine-bearing formations. The SWA Property lithium deposit is a confined brine deposit in the form of a lithium-bearing brine contained within the porosity of the Smackover Formation within the SWA Property boundaries. The Smackover formation in southern Arkansas has proven to be a prolific source of mineral resources, beginning with oil and gas, then transitioning to bromine, with lithium now an attractive development target. Bromine brine production from the Smackover Formation is extensive in Union and Columbia counties, to the east of the SWA Property.

 

The volume of in-place lithium is proportional to the product of the brine-saturated pore volume in the SWA Property and the lithium concentration, both of which are known with reasonable accuracy, based on the drilling, logging, coring, and sampling data obtained throughout the property. The geological model for the Smackover Formation is described in detail in Sections 9 and 14, and the lithium distribution is described in Section 9. The geologic characteristics of the reservoir and its lithium content estimates are based on the whole of the geologic data set and the results of recent well testing in the Upper and Middle Smackover. All this data provides the basis upon which to estimate the resource and to plan this lithium extraction Project.

 

58

 

 

South West Arkansas Project Pre-Feasibility Study 23 July 25

 

9Exploration

 

9.1Subsurface data review

 

This Technical Report incorporates the new lithium concentration data gathered by Standard Lithium from its 2023 five-well exploration program, along with the 2018 sampling program data. This new 2023 lithium concentration data has significantly improved the description of the lithium distribution within the SWA Property.

 

9.22018 and 2023 Lithium Concentration Data Sampling program

 

The lithium concentration data used in this Technical Report resulted from brine samples collected by Standard Lithium in two sampling programs. In 2018 Standard Lithium gathered two samples from each of two McKamie Patton wells, MKP-20, and MKP-21, on the southwest boundary of the SWA Property. The McKamie Patton brine sampling program is discussed in detail in Section 9.2 of the PEA (Eccles, et. al, APEX, 2021). A summary of the McKamie Patton program is below.

 

To verify the historical lithium concentrations in the brine, Standard Lithium conducted a brine sampling program at the following McKamie-Patton wells: MKP-20 brine sample collected on June 22, 2018; and MKP-21 brine sample collected on July 23, 2018. These wells, MKP-20 and MKP-21, are completed in the Upper Smackover Formation. A WetLab laboratory analysis of the brine samples measured an average lithium content of 350 mg/L and 450 mg/L, from wells MKP-20 and MKP-21, respectively. The lithium concentrations obtained by Standard Lithium in the brine from wells MKP-20 and MKP-21 are similar to the historical SWA Property results from Cornelius 1 and Cornelius 2.

 

In 2023, Standard Lithium gathered a total of 21 samples from the three re-entry wells (Taylor, Beulah et al 1, International Paper Co. 1, Carter Moore 1) and two new wells (Montague 1, Speer 1) comprising the exploration program. Four additional samples were gathered from three of those wells by Robert Williams, QP as confirmation samples. All 29 samples from the 2018 and 2023 data gathering programs were analyzed by Western Environmental Testing Laboratory (WetLab), 475 E Greg Street, Suite 119, Sparks, Nevada 89431.

 

The 2023 five-well exploration program is described in detail in Section 10. The resulting lithium concentration values have greatly improved the description of the distribution of lithium within the Smackover Formation within the SWA Property, demonstrating higher levels of lithium concentration throughout much of the SWA Property than previously estimated. The resulting lithium concentration map was combined with the drilling data described in Section 10 to prepare the layered geologic model and resulting Resource estimates described in Section 14.

 

59

 

 

South West Arkansas Project Pre-Feasibility Study 23 July 25

 

Table 9-1 summarizes the lithium concentration data used in this Technical Report. Each well’s test values were averaged by tested interval to obtain the single Average Test concentration values for each tested interval. For wells with multiple tested intervals the Average Test values were combined based on each test interval’s fraction of the total estimated porosity-thickness (using a 6.0 percent porosity cutoff) for the well, resulting in each well’s Porosity Thickness-Weighted Concentration value. These values were used to map the distribution of lithium throughout the SWA Property. Figure 9-1 is a map showing the locations of the resulting concentration data.

 

Note the following:

 

·Test 5 for the Taylor, Beulah et al 1 well was excluded, because the apparent low permeability of the zone resulted in low flow rates which prevented the brine composition from stabilizing, resulting in an artificially-low lithium concentration value

 

·The Ford zone test in the Carter Moore 1 well was excluded as a non-Smackover test.

 

60

 

 

South West Arkansas Project Pre-Feasibility Study 23 July 25

 

Table 9-1. SWA Property Lithium Concentration Data

 

Well Test Smackover
Zone Sampled
Porosity
Thickness
> 6%
Standard
Lithium
Sample
Li, mg/L
Standard
Lithium
Duplicate
Sample
Li,  mg/L
Williams
Sample
Li, mg/L
Williams
Duplicate
Sample
Li, mg/L
Average
Test Li,
mg/L
Porosity Thickness-
Weighted Lithium
Concentration,
mg/L
Taylor, Beulah et al 1 1 Upper 8.34 531 569 515 - 538 -
Taylor, Beulah et al 1 2 Upper 2.84 574 581 - - 578 -
Taylor, Beulah et al 1 3 Upper 0.16 570 - - - 570 -
Taylor, Beulah et al 1 4 Middle 0.71 551 - - - 551 -
Taylor, Beulah et al 1 5 Middle (Incomplete Test, Not Used) NA 263 - - - - -
Taylor, Beulah et al 1 Avg. 1-4 Upper/Middle 12.06 - - - - - 549
Carter Moore 1 1 Ford (Not Used) NA 199 206 -   -  
Carter Moore 1 2 Upper/Middle 9.33 163 150 156   156 156
International Paper Company 1 1 Upper 14.56 472 447 478 442 460 -

 

61

 

 

South West Arkansas Project Pre-Feasibility Study 23 July 25

 

Well Test Smackover
Zone Sampled
Porosity
Thickness
> 6%
Standard
Lithium
Sample
Li, mg/L
Standard
Lithium
Duplicate
Sample
Li,  mg/L
Williams
Sample
Li, mg/L
Williams
Duplicate
Sample
Li, mg/L
Average
Test Li,
mg/L
Porosity Thickness-
Weighted Lithium
Concentration,
mg/L
International Paper Company 1 2.3 Middle High Porosity 6.39 282 289 - - 286 -
International Paper Company 1 2.2 Base Upper+Middle Low Porosity 1.08 420 432 - - 426 -
International Paper Company 1 Avg. All Upper/Middle 22.02 - - - - - 408
Speer 1 1 Upper/top of Middle 16.61 597 581 - - 589 589
Montague 1 1 Upper 3.80 542 568 - - 555 555
McKamie Patton 20   Upper   347 352 - - 350 350
McKamie Patton 21   Upper   461 439 - - 450 450

 

62

 

 

South West Arkansas Project Pre-Feasibility Study 23 July 25

 

Figure 9-1. SWA Property Concentration Data

 

A map with different colored lines

Description automatically generated

 

9.3Exploration Results and Interpretation

 

The 2018 and 2023 lithium concentration data gathered by Standard Lithium (Table 9-1) was the basis for a map of the lithium concentrations in the SWA Property, Figure 9-2. To prevent unwarranted extrapolation of the concentration data the maps contours are limited to 95 percent of the minimum value and 105 percent of the maximum value. This map was used in the estimation of SWA Property lithium resources, as described in Section 14. The quantity and areal distribution of that lithium concentration data within the SWA Property now justifies the creation of this contoured concentration map, instead of the PEA’s two-value concentration map, which had a step-change in concentration occurring at the Brown Fault (PEA Figure 14-1, (Eccles, et. al, APEX, 2021)). The 2023 data demonstrate a significant change in the lithium concentrations from the prior map, with higher concentrations present both south and north of the Brown Fault, indicating the presence of a significant development target throughout most of the SWA Property. Generally high and uniform lithium concentrations were measured throughout most of the SWA Property (408 mg/L to 589 mg/L), except for the concentration measured at the Carter Moore 1 well (156 mg/L). As will be described in Section 14, the geologic character of the Smackover Formation at the Carter Moore 1 location differs from that observed at the well locations to the east and south, which may be related to the lower lithium concentration measured at the well. Additional delineation of the lithium concentrations in the SWA Property is one of the recommendations of this study.

 

63

 

 

South West Arkansas Project Pre-Feasibility Study 23 July 25

 

Figure 9-2. Lithium Concentration Map Based on Data Gathered by Standard Lithium

 

A map of a large area

Description automatically generated with medium confidence

 

64

 

 

South West Arkansas Project Pre-Feasibility Study 23 July 25

 

10Drilling

 

The layered geologic model as described in Section 14 is based on the well logs and core data obtained from 424 wells drilled in the Geologic Study Area that exceeded 7,000 feet (2,100 meters) in depth. These wells were drilled by operators exploring the area for hydrocarbons, along with the five wells either drilled or re-entered as part of the 2023 Standard Lithium exploration program, described in Section 10.1, below. Table 10-1 provides a breakdown of the types of data gathered from the wells. Figure 10-1 depicts the geologic study area and identifies the locations where these data were collected in the Upper Smackover. Figure 10-2 provides the same information for the data collected in the Middle Smackover. Both Figures highlight the five wells comprising the Standard Lithium exploration program.

 

Table 10-1. Types of Well Data

 

Well Data Wells Inside
SWA Property
Wells Outside
SWA Property
Total
Wells
Wells greater than 7000' within Geologic Study Area 98 326 424
Wells that penetrated top of Smackover marker 97 322 419
Wells that penetrated Middle Smackover marker 32 99 131
Digital Logs 41 39 80
Raster Logs 96 325 421
Porosity Logs 36 34 70
Core Data 12 23 38

 

Two categories of geologic data were obtained from the wells drilled in the geologic study area that includes the SWA Property: well logs (either raster or digital) and core data. Some well logs provided structural data, while others provided porosity data. The core data provided porosity and permeability data. The structural data was obtained from 419 wells with log data that included at least the top of Smackover Formation, while the porosity data originated in two forms: the porosity logs (density porosity, sonic porosity, and neutron porosity logs) obtained from 70 wells, and the core samples obtained from 38 wells. The logs and cores were gathered for a number of different operators by contractors using industry-standard procedures, and typically experienced in their respective specialties.

 

65

 

 

South West Arkansas Project Pre-Feasibility Study 23 July 25

 

Figure 10-1. Upper Smackover Well Data Source

 

A map of a city

Description automatically generated with medium confidence

 

66

 

 

South West Arkansas Project Pre-Feasibility Study 23 July 25

 

Figure 10-2. Middle Smackover Well Data Source

 

A map of a neighborhood

Description automatically generated

 

The log data was used to establish correlations for structural control, to identify zone boundaries, to define gross interval thickness for each Smackover zone, to identify net pay intervals, and to estimate the porosity values for those net pay intervals. The well log data included varying combinations of the following logs: spontaneous potential (SP), gamma ray (GR), resistivity (EL, ISFL, DIL, etc.), MicroLog, and various porosity logs (acoustic, neutron, and density). The by-zone gross thickness values obtained from the logs were used to constrain net reservoir thickness and to relate porosity to the established zone correlations. The primary source of log porosity data, the density porosity logs, were calibrated using the core porosity values, supplemented with the sonic porosity and neutron porosity logs, eliminating any significant systematic error or bias in the resulting porosity value estimates.

 

67

 

 

South West Arkansas Project Pre-Feasibility Study 23 July 25

 

The east-to-west fault system present in the southern portion of the SWA Property was previously identified and described in the PEA (Eccles, et. al, APEX, 2021). The seismic data used to create that interpretation was evaluated and confirmed by Robert Williams, QP, resulting in a similar fault configuration with minor modifications to the southeast fault traces to conform to the data provided by the new Standard Lithium Speer 1 well.

 

The resulting layered geologic model, discussed in Section 14, formed the basis for the geologic description of the brine-containing reservoir used for resource estimates. The geologic description was also used in the reservoir simulation model which provided an understanding of the potential for lithium recovery from the SWA Property, described in Section 16.

 

10.1Standard Lithium exploration program

 

From February to July, 2023 Standard Lithium conducted a five-well exploration program at the SWA Property. QP Brush worked with Standard Lithium and the drilling contractor to help design and execute the exploration program, including choice of well locations, data gathering plans, monitoring well progress, advising on coring targets and procedures, and interpretation of results. This program included re-entry into three existing abandoned wells (Taylor, Beulah et al 1, International Paper Co. 1, and Carter-Moore 1) and drilling two all-new wells (Speer 1 and Montague 1). These five well locations were chosen to maximize the description of the geologic properties and lithium concentrations within the Property. Figure 10-3 depicts the locations of those five wells.

 

68

 

 

South West Arkansas Project Pre-Feasibility Study 23 July 25

 

Figure 10-3. SWA Property Exploration Program

 

A map of a neighborhood

Description automatically generated

 

Each of the five wells collected well log data which was used to identify the zones in each well over which production tests were completed and brine samples collected during the exploration program. Both whole core and sidewall coring programs were complete in several of the wells. Table 10-2 summarizes actions taken at each well as part of the exploration program, including the well depths, sampling targets, amount of whole core, number of rotary sidewall cores, and the brine volumes obtained. Each well successfully tested the high-porosity interval in the Upper Smackover which is considered the SWA Property’s main pay zone. Additional productive pay was encountered and successfully tested at various depths in the Middle Smackover. In one case porous and permeable formation was identified in the Lower Smackover. During each production test the physical and chemical characteristics of the brine were monitored. Once those characteristics stabilized, samples were taken and shipped to the outside laboratory, WetLab, for compositional analysis.

 

69

 

 

South West Arkansas Project Pre-Feasibility Study 23 July 25

 

Table 10-2. Well Actions Taken During Exploration Program

 

Well Actions Original
Measured
Depth
(Feet)
Final
Measured
Depth
(Feet)
Smackover
Zones
Sampled
Interval
Where
Whole
Core
Collected,
Measured
Depth
(Feet)
Total
Interval
Cored
(Feet)
Amount of
Core
Recovered
(Feet)
Number
of Rotary
Sidewall
Core
Samples
Collected
Total
Volume
of Brine
Produced
(m3)
Taylor, Beulah et al 1 Re-entry, deepen into Middle Smackover 8,690 8,940 Upper, Middle 8,679.50 to 8,830.50 151.00 142.00 12 54
Carter Moore 1 Re-entry, deepen into Upper and Middle Smackover 8,545 8,915 Upper, Middle None None None None 80
International Paper Company 1 Re-entry 8,800 8,950 Upper, Middle None None None 26 237
Montague 1 New well Not Applicable 9,655 Upper 9,053.00 to 9,388.00 335.00 235.45 None 149
Speer 1 New well Not Applicable 9,550 Upper, Middle 8,909.55 to 9,019.30 109.75 86.15 26 44

 

Figure 10-4 presents as a type well the Montague 1 well log, indicating the primary well log data, the cored interval, the intervals tested, the core permeabilities (shaded green where permeability is greater than 0.5 mD), and the intervals meeting the 6.0 percent porosity net pay cutoff (highlighted with the orange “Net Phi 6 Cobb” flag and shaded green where log porosity, “PhiND CC” is greater than 6.0 percent). Each well test is described in the following sections.

 

70

 

 

South West Arkansas Project Pre-Feasibility Study 23 July 25

 

Figure 10-4. Montague 1 Type Well

 

A diagram of various types of data

Description automatically generated with medium confidence

 

10.1.1Taylor, Beulah et al 1 Well Re-entry

 

The Taylor, Beulah et al 1 well was originally drilled in 1982 to near the base of the Upper Smackover formation. The well was re-entered, deepened, cored, and logged. Whole core was taken over the Middle Smackover formation as part of the deepening, and rotary sidewall cores were taken over the previously-drilled Upper Smackover following logging. The well was then cased. Test intervals were chosen based on the combination of porosity values exceeding 6.0 percent (indicative of net pay) or resistivity values less than 6.0 ohm-meters, indicating the presence of conductive brine (the same criteria were applied to the remaining four wells). Five intervals were sequentially perforated and tested, starting with two in the Middle Smackover followed by three in the Upper Smackover. The lowest interval flowed small volumes of brine, the remaining four flowed significant volumes of brine.

 

71

 

 

South West Arkansas Project Pre-Feasibility Study 23 July 25

 

10.1.2International Paper Company 1 Well Re-entry

 

The International Paper Company 1 well originally was drilled in 1978 to near the base of the Middle Smackover. The well was re-entered, deepened into the Lower Smackover, and logged, followed by gathering rotary sidewall cores and casing the well. Three successful tests were conducted in the Middle and Upper Smackover. The lower-porosity pay in the Middle Smackover and bottom of the Upper Smackover flowed following an acid stimulation. Those intervals were then isolated and a high-porosity zone in the Middle Smackover was successfully perforated and tested. Finally, the high-porosity main pay interval in the Upper Smackover was successfully perforated and tested. The Lower Smackover was found to be non-productive at this location.

 

10.1.3Carter-Moore 1 Well Re-entry

 

The Carter-Moore 1 well originally was drilled in 1976 into the Ford Zone, a porous and productive zone immediately above the Upper Smackover. The well was re-entered and the original perforations were used to sample the Ford Zone. Those perforations were then cement squeezed and the well was deepened to the top of the Lower Smackover. Core data was not obtained in this well because the limited diameter of the deepened portion of the well below the Ford Zone was insufficient to allow coring operations. The deepened portion of the well, which covered the Upper and Middle Smackover, was logged, and then tested and sampled open hole.

 

10.1.4Speer 1 New Well

 

The Speer 1 well was drilled into the Lower Smackover with core recovered in portions of the Upper and Middle Smackover. The well was cased and the net pay targets in the Upper Smackover and Middle Smackover were successfully perforated and tested.

 

10.1.5Montague 1 New Well

 

The Montague 1 well was drilled into the Lower Smackover, with whole core recovered in the Upper and Middle Smackover. The high-porosity main pay target of the Upper Smackover was successfully tested and sampled. Results from the deeper zones were not obtained in time for this report. Therefore, the Upper Smackover main pay target lithium concentration value was used in the preparation of this Technical Report.

 

72

 

 

South West Arkansas Project Pre-Feasibility Study 23 July 25

 

11Sample Preparation, Analyses, and Security

 

11.1Sampling Methods

 

Standard Lithium’s 2018 sampling program for the two McKamie Patton wells is described in detail in Section 11.1 of the PEA (Eccles, et. al, APEX, 2021). QP Williams has reviewed that description and has found the procedures described reasonable and appropriate.

 

QP Williams worked with Standard Lithium, the drilling contractor, and the other technical personnel to help design and implement the sampling procedures used at each of the five 2023 exploration program wells. Robert Williams, QP participated in the 2023 brine sampling programs at the Taylor, Beulah et al 1, Carter Moore 1, and International Paper Co. 1 wells, carefully observing the procedures, completing the sample log, and monitoring the WetLab analysis confirmations for the samples. The samples were collected in a consistent and secure manner, with a clear chain of custody from the sample collection point to the shipment to the laboratory.

 

11.2Sample Preparation, Analyses And Security

 

11.2.1Brine Sample Collection

 

Brine samples were collected from three re-entered abandoned wells and two new wells (Section 10). A critical step to sampling brine for geochemical analysis is to ensure that the brine collected is considered a “fresh” representative of Upper or Middle Smackover Formation.

 

During the 2023 sampling programs conducted by Standard Lithium, the sample collection methodology included:

 

·For the three wells that were re-entered, the well construction schematic was reviewed, the target depth identified and the need for deepening the well was determined. Once deepened the logs were run and test intervals identified. For the two new wells logs were run once each well was drilled and the test intervals were identified.

 

·For each test interval a cast iron bridge plug was set above the prior test interval (except for the first test), the test interval was perforated, a pressure gauge was set and the swabbing assembly was run in the well, including a packer assembly immediately above the perforated zone to isolate the testing horizon. New production tubing was also installed in the well. All the work was completed by a workover rig.

 

73

 

 

South West Arkansas Project Pre-Feasibility Study 23 July 25

 

·After the test interval was perforated, brine was removed from the well by swabbing the production tubing. Swabbing involves lowering swab cups on steel wireline inside the production tubing from above the perforations. Once the wireline and swab cups were lowered to the desired depth through a fluid column of approximately 1000 feet (300 m) they were raised, and the entire 1000 feet (300 m) column of brine was brought to wellhead, conveyed through a piping system to a three-stage fluid/gas separator and then to a mud tank for storage. The volume of fluid removed from the well was measured with flow meters, and also calculated based upon the volume measured at regular intervals in the mud tank.

 

·Field-measured parameters were collected and analyzed onsite by a Standard Lithium representative to assess brine density, electrical conductivity, pH, and temperature from brine on every swab run. Field measured parameters were compared to known values of the Smackover Formation. For example, the formation has a brine density of about 1.20 grams/cubic centimeter (10.2 lbs/gallon). Swabbing of the well continued until field-measured parameters had stabilized.

 

·Brine established to be from the Smackover Formation (based on density, electrical conductivity, and pH) was collected by filling two 1,000 L (250 US gallon) intermediate bulk containers (IBCs) from a valve installed at the three-stage separator. Safety protocols were exercised on site due to the hydrogen sulfide (H2S) gas content associated with the produced Smackover Formation fluids. A new 4-litre carboy container was filled from the IBC to allow oil and brine to separate if oil was present. In all cases no oil was observed in the carboys attesting to the high brine to oil ratio.

 

·The physical attributes of the brine sample were recorded (e.g., color, smell, contaminants, etc.). The sampling process was completed by recording any comments that might be significant to the sampling site, the sample collection, or the sample itself.

 

·New laboratory-supplied sample containers with screw-on caps were labelled using Standard Lithium’s label procedure that includes recording the sample identification, date and time of sample collection, and sampler’s initials.

 

·Three sample containers were collected from the 4-liter carboy container by Standard Lithium: 1-liter plastic, 500 ml plastic preserved with nitric acid (HNO3) and 250 ml glass preserved with phosphoric acid (H3PO4) for geochemical analysis at Western Environmental Testing Laboratory (WetLab), an independent laboratory.

 

74

 

 

South West Arkansas Project Pre-Feasibility Study 23 July 25

 

·The sample containers were checked to verify that all sample label information was correct, and the sample container was properly closed. All sample containers were then stored in coolers for shipping to the laboratories.

 

11.2.2Security

 

Coolers holding the sample containers were taken from the field to a secured location to double check the sample IDs and make sure all containers are in good condition prior to shipment to the laboratory. Chain of Custody forms for the respective laboratories were filled out and included with the sample cooler. The cooler was taped closed and hand-delivered to the local courier company (Fed-Ex in El Dorado, AR) for delivery to the WetLab laboratory in Sparks, NV. The laboratory was instructed to confirm receipt of the samples and provide a statement pertaining to the condition of the samples upon receipt. The samples were then coded into the respective laboratories sample stream for analysis.

 

11.2.3Analytical Methodology

 

Standard Lithium has prepared its own internal analytical protocols for the independent laboratories to follow. These include the following analytical work (with the associated American Society for Testing and Materials (ASTM), Standard Methods (SM) and Environmental Protection Agency (EPA) international and national method code): “Expanded Lithium Brine Analytical Suite”.

 

·General chemistry: density, pH, temperature, carbonate, bicarbonate, total dissolved solids, total organic carbon (ASTM 1963, SM 4500-H+B, SM 2550B, SM 2320B, SM 2540C and SM 5310B).

 

·Anions by Ion Chromatography: chloride, sulfate, bromide, fluoride (EPA 300.0)

 

·Sample preparation: trace metal digestion (EPA 200.2)

 

·Trace metals by Inductively Coupled Plasma Optical Emission Spectroscopy (ICP-OES): Li, Al, Sb, As, Ba, Be, B, Cd, Ca, Cr, Co, Cu, Ga, Fe, Pb, Mg, Mn, Mo, Ni, P, K, Sc, Se, silicon, silica, Ag, Na, Sr, Sn, Ti, V and Zn (EPA 200.7)

 

WetLab completed these analyses using the following corresponding methods: sample preparation by EPA 200.2; density by gravimetric; pH by SM 4500-H+B; temperature at pH by SM 2550B, carbonate and bicarbonate by SM 2320B; chloride and sulfate by EPA 300.0; total dissolved solids by SM 2540C; anions by ion chromatography by EPA 300.0; trace metal digestion by EPA 200.2; and trace metals by ICP-OES by EPA 200.7.

 

75

 

 

South West Arkansas Project Pre-Feasibility Study 23 July 25

 

11.3Quality Control/Quality Assurance

 

11.3.1Field Duplicate Samples

 

A field duplicate sample was collected for every sampling event. The field duplicate sample was taken at the same time as the original sample (i.e., back-to-back samples from the brine sample spigot). Random identifiers were given to the duplicate sample and duplicate field samples were never in sequential order and randomly presented to the laboratory.

 

A total of 12 primary brine samples were collected from the five newly completed wells and each well had multiple completion zones. In addition to the 12 primary samples, 9 duplicates samples were collected. Thus, representing almost one duplicate per primary brine sample. The lithium results of the duplicate sample analyses are presented in Table 11-1. The duplicate sample relative percentage difference (RPD) for WetLab was 1.2 % to 8.3 %. It should be noted that any result with an RPD less than 20% is considered acceptable.

 

76

 

 

South West Arkansas Project Pre-Feasibility Study 23 July 25

 

Table 11-1. Comparison of Field Duplicate Samples from the 2023 Sampling Program

 

Lithium Concentrations
Well Name Smackover
Zone
Primary
Sample
(mg/L)
Duplicate
Sample
(mg/L)
RPD1
Percentage
Taylor, Beulah et. al 1 Upper 531 569 6.9
Upper 581 574 1.2
Carter-Moore 1 Ford 206 199 3.5
Upper 163 150 8.3
International Paper Company 1 Upper 472 447 5.4
Middle 432 420 2.8
Middle 282 289 2.5
Montague 1 Upper 542 568 4.7
Speer 1 Upper 597 581 2.7

Note: 1. RPD denotes relative percentage difference.

 

11.4Other Data: Core Reports

 

Historical core reports include pertinent information on Upper and Middle Smackover formations core measurements conducted by independent engineering consultants (Core Laboratories Inc. in Dallas, TX and Shreveport, LA; Delta Core Analysts in Shreveport, LA; All Points Inc. in Houston, TX; Thigpen Laboratories, Inc. in Shreveport, LA: O’Malley Laboratories, Inc. in Natchez, MS; and Bell Core Laboratories in Shreveport, LA). These reports included core measurements that included porosity (%) and permeability (mD) from throughout and immediately surrounding the SWA Project. Some of the core report data also included: data for oil% in pore space; water% in pore space; bulk oil%; bulk gas%; bulk water%; and vertical permeability.

 

77

 

 

South West Arkansas Project Pre-Feasibility Study 23 July 25

 

11.5Summary

 

These analytical brine and core report data were prepared by independent and accredited third-party companies. The resulting quantitative data are used to make inferences on the brine analytical values and hydrogeological characteristics of the Upper and Middle Smackover formations. The analytical methods carried out by the laboratories are standard and routine in the field of lithium brine geochemical analytical and petrophysical core characterization test work.

 

The author has reviewed the adequacy of the sample preparation, security and analytical procedures and found no significant issues or inconsistencies that would cause one to question the validity of the data. The QA/QC protocol adopted by Standard Lithium helped the authors to evaluate and validate the laboratory data as discussed in Section 12, Data Verification.

 

78

 

 

South West Arkansas Project Pre-Feasibility Study 23 July 25

 

12Data Verification

 

12.1Verification of Lithium Concentration Data, Well Logs, and Core Data

 

Robert Williams, QP verified the lithium concentration data four different ways:

 

·Reviewed the choice of analytical laboratory

 

·Reviewed the overall scatter in each well’s lithium concentration data

 

·Compared concentration results between samples independently taken and verified by Robert Williams, QP to those by Standard Lithium

 

·Compared concentration results between known standards and reported concentrations

 

The four comparisons confirmed the choice of WetLab, the consistency of the data, the close match between the independently-gathered samples and those of Standard Lithium, and the reasonable match between standard concentrations and test results.

 

In 2021 Standard Lithium conducted an extensive comparison test of four laboratories known for brine analysis. That study’s results indicate that WetLab is the appropriate choice for the range of lithium concentrations encountered in this Technical Report. Robert Williams, QP has reviewed the supporting documentation of that study and agrees with its conclusions. As a result, the WetLab-reported lithium concentration data is used throughout this Technical Report.

 

To verify the Standard Lithium test results, three wells were independently sampled by Robert Williams, QP, who independently followed the sampling procedures outlined in Section 11. Table 121 summarizes the results of that verification. The small relative percentage difference values, 0.1 percent to 6.4 percent, between the Williams samples and the Standard Lithium samples confirms the consistency of the Standard Lithium report concentrations with the independently gathered samples in the well sampling dataset.

 

79

 

 

South West Arkansas Project Pre-Feasibility Study 23 July 25

 

Table 12-1. Comparison of Verification Samples from the 2023 Sampling Program

 

Well Test Smackover
Zone
Sampled
Standard
Lithium
Sample
Li, mg/L
Standard
Lithium
Duplicate
Sample
Li,  mg/L
Williams
Sample
Li, mg/L
Williams
Duplicate
Sample
Li, mg/L
Relative
Percentage
Difference,
Williams to SLI
Samples
Taylor, Beulah et al 1 1 Upper 531 569 515 - 4.3%
Carter Moore 1 2 Upper/Middle 163 150 156 - 0.2%
International Paper Company 1 1 Upper 472 447 478 442 0.1%

 

The four historic on-property lithium concentration data depicted in Figure 6-3 (Blondes, et al. 2018) were not used in this Technical Report for these reasons:

 

·The testing methodologies employed in the Cornelius 1 and Cornelius 2 wells were unknown, even though the reported values were similar to the values measured by Standard Lithium at the nearby McKamie Patton wells.

 

·The Purser 2 and Haberyan 1 wells’ values appear to have been taken from the Ford zone immediately above the Upper Smackover, and are not representative of Smackover lithium concentrations. One of this Technical Report’s recommendations is to gather additional Smackover Formation lithium concentration data, including in the area of these two wells.

 

The well log and core data used to create the geologic model meets the standard of reliability required by this Technical Report. This data was taken by independent vendors in a manner meeting industry standards, consistent with the identical data collection procedures used in dozens of projects evaluated by QP Williams. Importantly, this data was obtained for a purpose unrelated to the estimation of lithium resources. Therefore, it was not subject to any biases related to that estimation process.

 

The data from each of the 98 wells in the SWA Property and 326 wells outside of the SWA Property but within the geologic study area, including the data from the five Standard Lithium wells, have been reviewed and the data was found suitable for this evaluation. The location of the different sources of data is summarized in Table 10 1 and depicted in Figure 10 1 and Figure 10 2. The lithium concentration, well log, core, and test data used in the preparation of this Technical Report meets the highest standards for the evaluation of the brine deposit. Any limitations present in the data are the unavoidable limitations present in all field measurements. Standard Lithium and the petroleum companies have exerted industry-standard efforts in gathering high-quality data on and around the SWA Property. Standard Lithium’s data gathering program has been thorough, and results directly in a high-quality database for use in this evaluation of the SWA Property’s lithium resources.

 

80

 

 

South West Arkansas Project Pre-Feasibility Study 23 July 25

 

12.2Verification of Metallurgical Process Data

 

Mr. Marek Dworzanowski, QP verified the Standard Lithium Demonstration Plant analytical data in the following ways:

 

·Reviewed the choice of the independent analytical laboratory

 

·Reviewed the analytical data from the demonstration plant analytical laboratory

 

·Reviewed the analytical data from the independent analytical laboratory testing

 

·Reviewed the demonstration plant sampling methodology

 

In 2021 Standard Lithium conducted an extensive comparison test of four laboratories known for brine analysis. That study’s results indicate that WetLabs is the appropriate choice for the range of lithium concentrations encountered in this Technical Report. Mr.Marek Dworzanowski, QP has reviewed the supporting documentation of that study and agrees with its conclusions.

 

A review of the analytical data from the demonstration plant analytical laboratory shows the generation of all the required analyses and sufficient data points to allow meaningful statistical analysis. The laboratory uses ICP-OES as the primary analytical tool which is standard for lithium projects. Mr. Marek Dworzanowski QP visited this laboratory and assessed that the equipment and operations were appropriate for the generation of the required analytical data.

 

A review of the WetLab analytical data showed an extensive independent testing of samples from the Demonstration Plant. The degree and nature of this independent testing confirms an acceptable match between WetLab and the demonstration plant analytical laboratory.

 

Mr. Marek Dworzanowski, QP visited the Demonstration Plant and witnessed the automatic inline sampling of all the required streams. Because all the samples are liquid and are taken automatically, the sampling error will be within acceptable limits.

 

81

 

 

South West Arkansas Project Pre-Feasibility Study 23 July 25

 

The Demonstration Plant was commissioned to prove the applicability of DLE technology to the SWA Project. The chemical analyses generated by this Demonstration Plant were verified by using WetLab as an independent analytical laboratory. The process data generated by this plant (including the chemical analyses) was used to develop the Heat and Mass Balance and the Process Design Criteria which in turn supported the project process design. It is the opinion of Mr. Dworzanowski that the process data confirmed the applicability of DLE and was used to develop the engineering design of all the subsequent concentration and purification process steps.

 

82

 

 

South West Arkansas Project Pre-Feasibility Study 23 July 25

 

13Mineral Processing and Metallurgical Testing

 

13.1Introduction

 

Standard Lithium Limited has developed a process flowsheet to selectively extract lithium from Smackover Formation brine and produce battery-quality lithium chemicals at the Company’s projects in southern Arkansas. The mineral processing and hydrometallurgical flowsheet for the SWA Project consists of six main process areas:

 

1.Brine production from multiple wells targeting specific zones of the Smackover Formation followed by primary three-phase separation of the produced brine at the wellhead to remove associated sour gas and crude oil from the brine and then pipelining of the brine to a Central Processing Facility (CPF). These processes are proven and industry-standard for handling produced water from oil and gas fields and have been used for over 60 years for handling Smackover brines for bromine production in Southern Arkansas and, therefore, require no process adaptations.

 

2.Pre-treatment of the produced Smackover brine at the SWA CPF to remove dissolved gases and suspended solids prior to lithium extraction. These processes are also industry standard and have been used on Smackover brines for 60 years as part of the bromine production process.

 

3.Selective extraction of lithium from the pre-treated brine using a proprietary Direct Lithium Extraction (DLE) technology to produce a purified lithium chloride (LiCl) solution.

 

4.Further purification and concentration of the LiCl solution using softening and salt removal processes that are industry standard processes for water and wastewater treatment.

 

5.Conversion of the purified and concentrated LiCl solution to a lithium hydroxide solution by an electrolysis process which is proven in the chlor-alkali industry, followed by evaporation, crystallization and drying to produce a high-purity lithium hydroxide crystal product.

 

6.Disposal of the lithium-depleted, effluent brine back into the Smackover Formation via multiple re-injection wells maintaining a controlled aquifer pressure throughout the area of the Smackover Formation. Pressure maintenance through brine reinjection is a common industry standard process.

 

With regards to Process Areas 1 and 6, the SWA Project is located in a region with abundant oil, gas and brine operations, and as such, there are multiple service providers who can effectively support installation of the well field for production and separation of the brine prior to delivery into the CPF. Therefore, no additional technology development or proof of concept work has been undertaken for this part of the project.

 

83

 

 

South West Arkansas Project Pre-Feasibility Study 23 July 25

 

With respect to Process Areas 2, 3 and 4, Standard Lithium has been continuously running a pre-commercial Demonstration Plant at the Lanxess South bromine production facility near El Dorado since May 2020. As a result, significant data has been gathered regarding the performance of the various unit processes for pre-treatment of Smackover brine and operation of the DLE technology on the brine. The Demonstration Plant has produced significant quantities of purified and concentrated LiCl solution and has converted it, on site, to battery-grade lithium carbonate.

 

With respect to Process Area 5, Standard Lithium is relying on a combination of project specific laboratory-scale testing and previous hydrometallurgical and commercial scale electrochemical test work completed by NORAM Electrolysis Systems Inc (NESI) on multiple actual and synthetic lithium brines for over 1,000 hours each to produce battery-quality lithium hydroxide solutions.

 

Conversion of the purified and concentrated lithium hydroxide solution to battery-quality solid lithium hydroxide material will be done using proven crystallization technologies from globally recognized vendors. Large scale test production of lithium hydroxide from LiCl solution produced at Standard Lithium’s Demonstration Plant will be undertaken during the DFS phase in support of vendor guarantees.

 

The intent of this Section is to discuss the South West Arkansas Project specific lithium-brine mineral processing test work in accordance with CIM Leading Practice Guidelines for Mineral Processing (2022). The level of definition is appropriate to the confidence categories of mineral resources being supported and the current stage of project development.

 

13.1.1Process Selection Rationale

 

Standard Lithium’s SWA Project has several unique aspects that support flowsheet development centered around a DLE approach to lithium recovery. The factors which affect the selected approach include the following:

 

·A well-understood and industry-friendly regulatory framework for brine operations,

 

·Existing brine processing businesses (Lanxess and Albemarle bromine plants) provide a local workforce well versed in pumping, processing, and reinjecting very large volumes of brine,

 

·Effluent-brine reinjection into the Smackover Formation is required to maintain aquifer pressurization. Evaporation of Smackover brine using solar evaporation (with no recovery of condensate) would not provide sufficient brine for reinjection and would negatively affect the water balance in the Smackover Formation beneath the Project area, resulting in a reduction in the reservoir pressure and a resultant reduction in productivity at the wells,

 

84

 

 

South West Arkansas Project Pre-Feasibility Study 23 July 25

 

·Access to abundant fresh water,

 

·Access to stable, high capacity and relatively inexpensive electricity,

 

·Access to low-cost, readily available, chemical reagents (acids, bases etc.), and

 

·Access to low-cost natural gas.

 

13.1.2Process Overview

 

As discussed above, the production of lithium-bearing brine from production wells and separation of the brine from sour natural gas and crude oil will use industry-standard techniques, similar to those already used at large scale in southern Arkansas at the active brine processing facilities (e.g. at Lanxess or Albemarle’s operations), or as part of produced-water management associated with oil and gas production in the region.

 

Pretreatment of the brine to remove dissolved gases and suspended solids will use proven standard processes in the brine, oilfield produced water and wastewater treatment industries.

 

Standard Lithium expects to use a well tested proprietary DLE technology (discussed further in Section 13.3.3) to extract lithium from the lithium-bearing Smackover brine and produce a concentrated and purified LiCl solution. Much of the flowsheet has been in pre-commercial operation and optimization since May 2020 at the Company’s Demonstration Plant. The specific lithium extraction technology described in the PFS has been operated consistently on a 24hr / 7 day per week basis at the Demonstration Plant since October 2022. This technology has been sufficiently tested and validated such that it can be used for commercial operation in the SWA Project.

 

The conversion of the purified and concentrated LiCl solution into a lithium hydroxide solution using an electrochemical process is based on technology developed and tested by NORAM at their testing facilities in Richmond, BC, and further supported by project specific testing with Electrosynthesis Company, Inc. (Electrosynthesis or ESC) in Lancaster, NY. Final concentration, crystallization of lithium hydroxide (LiOH•H2O) will use industry standard equipment and process technology.

 

Figure 13-1 is a simplified schematic showing the main process steps proposed for the SWA Project.

 

85

 

 

South West Arkansas Project Pre-Feasibility Study 23 July 25

 

Figure 13-1. SWA Lithium Brine Project Flowsheet Schematic

 

A diagram of a process

Description automatically generated

 

It is the opinion of the author preparing this section, that the discussion includes an objective level of reasonableness and demonstrates competence and due care in the execution of the metallurgical test work and lithium-brine recovery process steps.

 

13.2Historical Testing

 

To the best of the author’s knowledge, no historical testing regarding lithium recovery from brine leases associated with the SWA Project has been performed. All testing discussed below was performed for Standard Lithium as part of the current development program.

 

13.3Demonstration Plant Testing

 

13.3.1Overview

 

Considering the factors outlined in Section 13.1.1, alternative methods to those commercially proven in lithium recovery from salar based brines are required to continuously extract and purify lithium from the Smackover brines. Standard Lithium has been assessing and testing technologies with a specific focus on direct lithium extraction which to date is relatively unproven at a commercial scale. The evaluation at the Demonstration Plant includes extensive testing of two separate DLE technologies:

 

1.Lithium Stirred Tank Reactor (LiSTR), a proprietary DLE technology developed, owned, and patented by Standard Lithium, which directly extracts lithium from high total dissolved solids (TDS) brines using a high-capacity, lithium selective, solid sorbent based on lithium titanate, in a continuous stirred tank reactor configuration (operating from May 2020 through to October 2022); and,

 

2.Lithium Selective Sorption (LSS, a key component of Li-ProTM), an alternate Koch Technology Solutions (KTS) owned proprietary DLE technology that has been co-developed under a Joint Development Agreement between Standard Lithium and Koch Technology Solutions (Operating since October 2022). The LSS uses a fixed bed of commercially available alumina based sorbent.

 

86

 

 

South West Arkansas Project Pre-Feasibility Study 23 July 25

 

The large-scale Demonstration Plant was designed and constructed in Ontario, Canada in 2019 by Zeton, Inc. The Demonstration Plant was designed to continuously process a slipstream of the effluent-brine produced by the Lanxess South bromine facility with a focus on developing and confirming the operation of an integrated DLE flowsheet to allow the design of a future commercial production facility. The two DLE processes operated in the Demonstration Plant have been adjusted and optimized over time to allow integration into the full flowsheet. At the Demonstration Plant, the lithium-barren effluent brine, added process water and the LiCl not used for testing are continuously transferred back to the Lanxess brine disposal system.

 

The Demonstration Plant, which consisted of 18 modules, was dismantled and transported to its current location at Lanxess’ South Plant bromine facility in Union County. It was erected within the existing fence line of the bromine plant on a 1-acre site. The site was levelled, foundations were poured, and all process, utility and power connections installed to ready the Demonstration Plant for operation in late 2019. The plant was installed/connected and enclosed in late 2019/early 2020 and underwent commissioning in early 2020. Early commissioning was delayed by the COVID-19 pandemic and associated lockdowns and the official start-date for the plant was during the second week of May 2020.

 

The Demonstration Plant initially comprised brine pre-treatment, LiSTR DLE and purification equipment for removal of calcium, magnesium, and silica. Process modifications to address scalability for commercialization were made in December 2020 and an osmotically-assisted reverse osmosis (OARO) unit was installed at the plant in August 2021 (the membrane concentration operation had, until that point, been completed off-site as an occasional batch process). Further modifications were implemented in September and October 2022 to further prove out an additional DLE process (LSS).

 

The Demonstration Plant has a dedicated team of engineers, chemists, and operators who run the plant on a 24/7 basis and it has operated continuously apart from shutdowns for maintenance, process improvements and supply outages caused by interruptions to Lanxess brine operations feeding the Demonstration Plant. The plant includes a dedicated analytical laboratory equipped to complete all on-site process control assays. The plant has been operating continuously to extract lithium from Smackover Formation brine over a 3-year period. The plant’s abundant process instrumentation and extensive program of sampling and analysis have generated large amounts of data. The data collection underpins the assessment in this report.

 

87

 

 

South West Arkansas Project Pre-Feasibility Study 23 July 25

 

The Demonstration Plant processes both effluent brine from Lanxess and Smackover Brine that has not been through the bromine extraction process. Testing of brine samples from across the entire Smackover brine field in southern Arkansas has proven the consistency of the resource in terms of key elements and relative ratios of chloride salts. Learnings from the Demonstration Plant are therefore considered to be directly applicable to both the Commercial Lithium Extraction Plant Project at Lanxess South Plant and SWA Projects. Representative analyses of two feed brines and the Demonstration Plant raw lithium chloride (Raw LiCl) solutions from the two DLE processes are provided in Table 13-1.

 

The LiCl Product along with brine from various stages of the Demonstration Plant flowsheet have been used to support vendor testing in support of equipment design and process guarantees. The LiCl product has been converted to battery-quality lithium carbonate and lithium hydroxide both on site at the Demonstration Plant and offsite by vendor testing.

 

88

 

 

 

South West Arkansas Project Pre-Feasibility Study 23 July 25

 

Table 13-1. Representative Brine Analyses and LiCl Product

 

  Brine feed to
Demonstration
Plant from
Lanxess1,2
SWA
Project
feed
brine1,3
Raw LiCl
from LiSTR
DLE1,4,5
Raw LiCl
from LSS
DLE1,4,6
Polished LiCl
from
Demonstration
Plant1,4,7
Lithium 237 542 1,427 301 4,917
Sodium 61,136 87,398 2,217 817 28,896
Calcium 31,793 37,033 3,423 620 0.5
Magnesium 2,682 2,852 169 56 0
Potassium 2,385 9,577 N/A 30 672
Strontium 1,932 2,716 N/A 35 0
Boron 189 399 N/A 37 0
Silicon 10 16 26 4 0

 

Notes:

 

1. All units are mg/L

 

2. Demonstration Plant brine supply composition is average sample data collected in the Demonstration Plant from 4th May to 30th June 2023 to reflect the period when Sr was regularly measured.

 

3. SWA Lithium Project brine is average analytical results of four samples from the Upper Smackover from the 2023 resource evaluation program conducted in support of the SWA Project PFS. This approach differs from that presented in Section 9 on the basis that it is expected to present a higher grade scenario where high grade zones of the Smackover are targeted preferentially for production with injection in the lower grade zones. This is intended to ensure a robust design envelope given the Demonstration Plant currently processes a lower grade and is not intended to be reflective of project economics. It should be noted that the elements detected are materially the same, which is indicative of the consistency of the Smackover resource and the resultant applicability of the testing.

 

4. All LiCl compositional data is based on data collected during normal operation of the Demonstration Pant. The results from the on-site laboratory have been regularly validated by independent testing by WetLabs, NV, over the period of May 2020 through to June 2023.

 

5. The data from LiSTR is based on compositional averages of approximately 6,000 hours of operation from March 2021 through to November 2021. During this period, B, K, and Sr were not measured, but data from Wetlabs samples indicates typical values of 100, 67, and 221 respectively. Following November 2021, a sorbent development and optimization program was initiated to assess the performance of bespoke sorbents and target specific operating parameters and long term continuous operation was discontinued in support of shorter duration testing.

 

  89

 

 

South West Arkansas Project Pre-Feasibility Study 23 July 25

 

6. The LSS data is based on compositional averages of a 1,200 hour period of continuous operation in Q2 2023.

 

7. The LiCl Product from the Demonstration Plant is based on the average of bulk samples sent for NaCl crystallization in support of electrolysis testing. The samples were produced in the Demonstration Plant by LSS DLE with subsequent IX processes for removal of bivalent cation and boron followed by OARO for concentration suitable for testing of NaCl crystallization planned in support of the Feasibility Study phase of the project.

 

It should be noted that although the SWA brine is materially similar to the brine tested in the Demonstration Plant in that it is a chloride-based brine with the same major constituents, the proposed brine feed does vary sufficiently (higher lithium concentration, higher boron, etc.) that its effect on lithium loading, and selectivity will need to be independently confirmed. This is planned as part of the Feasibility Study phase of the project and this PFS phase is relying on a combination of Demonstration Plant results and laboratory testing of synthetic brines.

 

The brine that is provided by Lanxess to the Demonstration Plant is de-brominated (by Lanxess) during normal operations. However, there have been several periods when bromine extraction has not occurred (for Lanxess’ operational reasons), and the Demonstration Plant has received brine with >4,000 mg/L bromide; this is relevant for assessing how the SWA Project brines may behave through the integrated DLE flowsheet. It has been observed that both of the DLE processes (LiSTR and LSS) are not adversely impacted by dissolved bromide, and that the bromides are largely rejected with the waste brine stream and do not pass through into the LiCl product stream in significant amounts.

 

As of the end of Q2 2023, the Demonstration Plant has processed approximately 55,500 m³ (approximately 14,655,990 US gallons) of brine.

 

Operations within the Demonstration Plant can be systematically varied, and as such, the effect of changing operating parameters on performance metrics such as degree of lithium recovery from the incoming brine, rejection of impurities, reagent usage and water balance have all been studied in a controlled manner. As with any industrial process, there are many competing factors, and the optimal operation has been proven to be a trade-off between the various inputs. For reference, representative LiCl analyses generated by the two flowsheets tested in the Demonstration Plant are provided in Table 13-1, though these can be modified by varying the processes in the Demonstration Plant.

 

  90

 

 

South West Arkansas Project Pre-Feasibility Study 23 July 25

 

13.3.2Brine Pre-Treatment Testing

 

As part of operating the pre-commercial Demonstration Plant at the Lanxess South Plant facility, several of the proposed pre-treatment processes have been demonstrated as part of normal operations at the facility. These include all wellhead operations to remove non-aqueous phases (oil, gas, other non-aqueous fluids) and removal of residual dissolved hydrogen sulfide (H2S) by vacuum degassing (by Lanxess), and bulk pH control, temperature adjustment, and final filtration (at the Demonstration Plant) prior to lithium extraction, using either pressurized membrane units or multi-media filtration.

 

Based on the Demonstration Plant findings, no additional pre-treatment testing is required for specifically assessing the SWA Project.

 

Key findings and outcomes from the Demonstration Plant testing are:

 

·Pre-treatment of the incoming brine is necessary to remove naturally occurring dissolved gasses such as methane and hydrogen sulfide, non-aqueous phases (oils and gas condensates), and suspended solids;

 

·Real brines processed on a continuous basis are significantly more complex than synthetic brines based on the same underlying chloride matrix. Continuous, long-term (greater than two years) field testing of equipment is crucial in ensuring sufficient design inputs to support reliable scale-up; and,

 

·The behaviors of potential fouling agents (transition metals, dissolved silica, alkaline-earth metals, non-halide anions, etc.) are complex and affected by subtle changes in pH, oxidation-reduction potential (ORP), pressure, temperature and reagent addition induced chemical reactions. The behavior of problematic elements is difficult to predict from either modelling, batch operation or short term (less than one year) operation.

 

13.3.3DLE Testing at the Demonstration Plant

 

As identified in Section 13.3.1, the Demonstration Plant has been used to conduct coincident testing of two different DLE processes, LiSTR and LSS as described below.

 

13.3.3.1LiSTR

 

The LiSTR DLE method is a proprietary process designed, patented, and owned by Standard Lithium. It uses a high-capacity lithium titanate-based sorbent (meta-titanic acid in its active form) for selective extraction of lithium from the brine stream using stirred tank reactors and a conventional counter current decantation (CCD) circuit. The LiSTR technology was initially developed in 2017 and went through two main scale-ups (each approximately a 100× scale-up) during 2018 and 2019, resulting in operation in the Demonstration Plant in May 2020.

 

  91

 

 

South West Arkansas Project Pre-Feasibility Study 23 July 25

 

LiSTR was originally commissioned and operated using a commercially produced sorbent. Standard Lithium has maintained a continued, dedicated sorbent development program over the past three years with the aim to develop improved parameters for lithium capacity, separation efficiency and physical/chemical robustness.

 

The pre-commercial operation in the Demonstration Plant has proven high selectivity for lithium, high recovery of lithium from the brine, and long-term reliability. Test work is currently on-going to optimize the sorbent characteristics to facilitate improved mechanical separation and to minimize or obviate the CCD circuit, reduce water consumption and sorbent inventory.

 

Key findings and outcomes from the Demonstration Plant testing are:

 

·Continuous and accurate pH control in the loading and stripping reactors is critical to good performance and sorbent stability,

 

·Loading efficiency (lithium extraction efficiency) is a direct function of sorbent capacity and mass flux vs brine flow in the loading reactors – this is a variable that can be controlled. Lithium extraction during loading can exceed 90% when a two-stage counter-current loading configuration is used (the maximum sustained extraction efficiency was in excess of 95%),

 

·Contaminant (Ca, Mg, K and Na) rejection efficiencies for most contaminants are consistently observed within the Demonstration Plant to be well over 98%,

 

·Submerged membranes can be used effectively in the loading reactors to remove effluent (lithium-free) brine, but their utility is limited at very high solids concentrations in the sorption slurries,

 

·The lithium-specific titanate-based sorbent has demonstrated excellent chemical and physical stability and has undergone several hundred loading and stripping cycles (each full loading and stripping/regeneration cycle lasts approximately one day in the Demonstration Plant),

 

·Lithium loading capacity of fresh sorbent stabilizes during the initial cycles and then remains constant with no further capacity loss over hundreds of operating cycles,

 

·The stripping performance of the sorbent is sensitive to temperature and pH and long-term operation under stable conditions is required to optimize performance,

 

·Industry-standard CCD circuits can be used to wash the sorbent in either loaded or stripped (reactivated) state,

 

  92

 

 

South West Arkansas Project Pre-Feasibility Study 23 July 25

 

·Bulk properties and settling characteristics of the sorbent are key for proper product separation and recovery,

 

·Bulk quantities of sorbent have been produced by an independent 3rd party with pilot scale equipment to demonstrate that sorbent can be produced at a commercial scale, and

 

·LiSTR requires continuous addition of acid/base during loading and stripping and as a result, is more sensitive to reagent pricing than LSS.

 

13.3.3.2LSS

 

The LSS DLE is a Koch Technology Solutions proprietary technology for which Standard Lithium have a Joint Development Agreement and Smackover regional exclusivity agreement in place. This process uses a fixed bed adsorption using a selective solid sorbent based on aluminum hydroxide copolymer, a sorbent material with elution by fresh water rather than the acid strip used in LiSTR. The core of the technology was originally developed by a consultant to Standard Lithium and purchased by Koch Technology Solutions. The synergies associated with the relationship between Standard Lithium, various Koch Industries businesses and the process inventor led to an opportunity to operate and develop this process in parallel to LiSTR in the Demonstration Plant.

 

The LSS DLE process has been in operation at the Demonstration Plant since October 2022 and extensive work has been undertaken to prove scale-up and reliable operation. The LSS columns have been run for well in excess of 6,000 cycles at the time of this Technical Report. Process refinement is on-going at the Demonstration Plant and is aiming to optimize the process control steps to determine the best balance for lithium recovery, impurity rejection, water usage and lithium concentration that can be achieved.

 

To date, LSS has shown significant promise in reducing reagent use, excess water addition and simplifying the process due to lower equipment counts. It has the additional benefit of independent 3rd party process guarantees and has therefore been recommended as the core technology for Standard Lithium’s development of their Commercial Lithium Extraction Plant Project and consequently will also form the basis for the SWA Project. In support of project definition, the LSS has also been tested specifically for the SWA Project using a synthetic brine based on the major constituents identified as part of the resource evaluation and well sampling program identified in Section 9 and as discussed further in Section 13.3.4. As detailed elsewhere in this section, it is understood that ‘real brines’ exhibit different behavior from synthetic brines and therefore further project specific testing is recommended.

 

  93

 

 

South West Arkansas Project Pre-Feasibility Study 23 July 25

 

This process will continue to be developed and optimized in parallel with the project execution.

 

Key findings and outcomes from the Demonstration Plant testing are:

 

·Lithium extraction efficiencies of greater than 95% have consistently been observed in the Demonstration Plant; similarly, contaminant (Ca, Mg, Na and K) rejection efficiencies for most contaminants are consistently observed within the Demonstration Plant to be well over 99%;

 

·The key benefit of the LSS process over LiSTR is the reduced excess water which potentially allows better control and maintenance of the Smackover Formation;

 

·The fixed bed resin can be sensitive to high solids in the feed so proper feed quality control is critical;

 

·LSS operation has shown that fine control of key set points can be used to easily adjust and optimize the different elements affecting performance including lithium recovery and impurity rejection. This facilitates easy tuning for different brines of similar constituencies such as the Lanxess brine compared to the SWA brine; and,

 

·The commercially available sorbent tested in the Demonstration Plant has performed well as can be seen by the performance shown in Table 13-1, however, the development team believe that better performance can be achieved in terms of selectivity of lithium and rejection of impurities. In support of this, continued optimization is on-going in the Demonstration Plant including testing of alternate sources of sorbent/resin including KTS developed sorbents.

 

Both DLE processes show high selectivity for lithium extraction from the Smackover Formation brine to produce a LiCl solution in which the ratio of lithium to other components has been increased materially from <0.005:1 (i.e. 237 mg/L Lithium relative to the combined impurities at ~95,000 mg/L Na/K/Ca/Mg) to closer to a 0.2:1 (301mg/L lithium relative to ~1,500 mg/L). In addition, both lithium extraction processes are not measurably affected by the presence or absence of bromide in the incoming brine.

 

13.3.4LSS Laboratory Testing

 

Laboratory testing of a synthetic brine, similar to the SWA brine identified in Table 13-1, was undertaken by KTS in support of evaluation of LSS. This validated the expected performance parameters identified for a comparative Demonstration Plant synthetic brine indicating that the differences in brine characteristics associated with differences in constituent ratios do not materially impact the performance. This testing in concert with the proven ‘real brine’ performance of LSS in the Demonstration Plant validates the selection for the SWA Project. However, further specific testing on ‘real brine’ from the SWA Project area is planned in the DFS to further validate this understanding of consistent LSS performance based on the underlying constituent make-up being more important than the constituent concentrations.

 

  94

 

 

South West Arkansas Project Pre-Feasibility Study 23 July 25

 

13.4Demonstration Plant LiCl Purification and Concentration

 

Downstream of the DLE processes, the LiCl solution is processed by various different technologies to remove unwanted impurities (e.g. calcium, magnesium, boron and silica) and to concentrate the purified solution by HPRO/OARO. The Demonstration Plant has shown a proven ability to produce LiCl solutions suitable as feedstock for offsite NaCl crystallization in preparation for both electrochemical processing and direct to carbonation process.

 

Key findings and outcomes from the Demonstration Plant testing are:

 

·The Demonstration Plant has consistently produced a polished LiCl product with the following parameters:

 

oLiCl greater than 4,000 mg/L lithium;

 

oRejection of boron, magnesium, silicon and strontium to below detection limits;

 

oRejection of Calcium to less than 1 mg/L in the concentrated stream;

 

·The raw LiCl solution from DLE can be efficiently purified via standard (off the shelf) ion exchange (IX) resins;

 

·In addition, traditional chemical softening has also been proven to work reliably down to low levels of both calcium (< 2mg/L) and magnesium (not detectable) potentially reducing the load on IX and the associated reagent usage;

 

·Boron has been shown to be easily removed from the concentrated LiCl solution by third party work using process equipment vendor industry standard IX technology (< 1 mg/L); and,

 

·The final LiCl concentrate is suitable for further conversion and has been converted to battery quality lithium chemicals including lithium carbonate and lithium hydroxide.

 

  95

 

 

South West Arkansas Project Pre-Feasibility Study 23 July 25

 

13.5Additional LiCl Purification and Concentration Testing

 

The PEA flowsheet envisaged the LiCl produced by DLE to undergo additional purification (by IX) and concentration (by reverse osmosis and thermal/evaporation) prior to being converted to lithium hydroxide. These processes have been tested extensively in the Demonstration Plant along with several other processes in order to evaluate the best fit technology for this project. All of the technologies are widely proven in industry, particularly wastewater treatment and have been shown to work reliably at the Demonstration Plant. The key technologies that have been evaluated include:

 

·Chemical softening using ion exchange (IX),

 

·Chemical softening using lime and soda ash (to reduce IX operating costs due to cheaper reagents and lower fresh water demands),

 

·Chemical softening using carbon dioxide (minimize introduction of additional impurities),

 

·Boron ion exchange,

 

·Chemical softening for Boron removal,

 

·Silica removal by pH adjustment,

 

·Silica removal using a proprietary IX approach,

 

·Concentration using seawater RO (SWRO), and

 

·Concentration using Osmotically Assisted RO (OARO).

 

Based on the outcome of testing, the learnings from the Demonstration Plant and the LANXESS Project Phase 1A design work along with the SWA Project design work, the flowsheet for the PFS phase has been modified to comprise of; SWRO, chemical softening, boron IX, OARO/HPRO, IX polishing and salt crystallization to process the DLE output stream to a quality suitable for electrolysis.

 

Additional offsite pilot testing work is ongoing with SGS Lakefield to assess solvent extraction (SX) which was not complete at the time of publishing of this report. Whilst the proposed flowsheet is robust, it is recommended that a detailed analysis is conducted to evaluate the results of the SX pilot testing in support of a trade-off study for technology selection for commercialization.

 

13.6LiCl Conversion Testing

 

Several technologies were evaluated and tested for conversion of lithium chloride solution to lithium hydroxide solution, these technologies being:

 

·Electrolysis,

 

·Bi-polar membrane electrodialysis (BPMED); and,

 

·Direct Lithium Hydroxide Conversion (DLC).

 

  96

 

 

South West Arkansas Project Pre-Feasibility Study 23 July 25

 

The process of wet liming for lithium hydroxide production from lithium carbonate is well understood and proven in commercial operation and has therefore not been tested specifically for the SWA Project. Wet liming remains a potential fallback option in the event that the continued testing and evaluation of the above listed technologies prove to not be technically or commercially viable. The key reason for not pursuing wet liming as the base case is that it is expected that the existing premium for the sale of lithium hydroxide over lithium carbonate will be eroded over the project execution timeline undermining the process economics. In addition, the wet liming process has the following drawbacks:

 

·Reaction yield is low;

 

·Large recycle streams are required to minimize product losses;

 

·Product purity control is more difficult requiring extensive operating experience; and,

 

·Lots of solid waste is generated which offsets a key project benefit for reinjection of waste streams into the aquifer.

 

This section of the report addresses the project specific testing to convert LiCl solution to lithium hydroxide that has been undertaken in support of the SWA Project.

 

13.6.1Electrolysis

 

The electrolysis process for conversion of LiCl is fundamentally the same as the electrolysis process used extensively in the chlor-alkali industry for conversion of NaCl to NaOH and HCl. In order to confirm the suitability for lithium operation and specifically for LiCl from real brines, Standard Lithium commissioned a 100 hour test using LiCl produced from Smackover brine using the DLE processes at the Demonstration Plant.

 

The tested electrolysis process is based on NESI’s NORSCAND® electrolysis cell and LiCl process and utilizes a membrane electrolysis cell configured specifically for LiCl electrolysis. This produces a high purity lithium hydroxide solution whilst co-producing hydrogen and chlorine which can be reacted to produce concentrated HCl. This acid can then be utilized in the process or sold as a by-product dependent on the reagent usage and overall chemical balance.

 

NORAM’s wholly owned subsidiary, NORAM Electrolysis Systems Inc. (NESI) has supported Standard Lithium in development of both the PEA and PFS phases of the SWA Project and their technology therefore forms the basis for the evaluation of the suitability of Electrolysis for processing lithium brines from the Smackover Formation. NESI in turn have a long-term working relationship with Electrosynthesis Inc. for testing, with the laboratory scale testing preferentially undertaken in Lancaster. The 100 hour laboratory scale test of NESI’s electrochemical cell, was therefore undertaken at Electrosynthesis’ laboratory in Lancaster, NY.

 

A sample of LiCl produced by the Demonstration Plant was processed for purification and sent to Lancaster for conversion in the NS-01 cell from NESI (~150 cm²). The cell is a similar design to a commercial electrolyzer, using a DSA-Cl2 anode, SS316 cathode and S-2301 (AGC, Japan) a commercially-available perfluorinated cation exchange membrane. Testing was undertaken over the course of 146 hours. A portion of the lithium hydroxide solution produced was crystallized via a double crystallization to produce a battery-quality sample of lithium hydroxide.

 

  97

 

 

South West Arkansas Project Pre-Feasibility Study 23 July 25

 

The testing confirmed the efficacy of electrolysis indicating that a commercial system could be expected to operate around 4.5V and 75% current efficiency for the production of a 2 Molar lithium hydroxide (LiOH) solution and producing a battery quality lithium hydroxide product meeting a typical high purity grade. Testing of conversion of the co-produced hydrogen and chlorine gas to HCl was not undertaken on the basis that this is well proven, commercially available technology that is in widespread use.

 

The testing validates the applicability of the electrolysis as a viable technology for converting LiCl from Smackover brines to lithium hydroxide.

 

In addition to the SWA Project specific testing, NESI have conducted several previous laboratory programs (including testing on multiple actual and synthetic lithium brines for over 1,000 hours each) in a scalable electrolyzer for other prospective lithium producers where similar LiOH conversion flowsheets have been tested, further providing confidence in the technology application. NESI has also confirmed the cell test performance at commercial electrode sizes.

 

Standard Lithium has undertaken project specific laboratory scale testing and have already commissioned full-height cell testing and 1,000-hour operational testing to be undertaken in H2 2023 as part of the DFS phase.

 

13.6.2Bi-polar Membrane Electrodialysis (BPMED)

 

Electrosynthesis bipolar membrane electrodialysis testing is similar to the testing of the NORAM cell. A 100-hour test was undertaken for bipolar membrane electrodialysis using the same feedstock as the electrolysis testing in order to facilitate a like-for-like comparison and understand the magnitude of the potential benefits and downsides relative to each other. Similar to the electrolysis testing undertaken in Lancaster, a portion of the lithium hydroxide solution was subsequently crystallized to produce a battery-quality sample of lithium hydroxide.

 

The three-compartment experiments were carried out in an Eur-2C electrodialysis cell which comprises of five cells each with an area of 200 cm2 (the membranes used for these tests were from Neosepta/Astom). The 100 hour test proved the use of bipolar membrane electrodialysis as successful in the production of lithium hydroxide and hydrochloric acid from LiCl. The tests showed good efficiency for producing 1.5 Molar lithium hydroxide and 2.5 Molar HCl with an estimated average energy consumption of about 2,000 kWh/tonne of lithium hydroxide (100% LiOH.H2O) for the electrodialysis cells. A key downside identified was the large quantity (approximately 9,500 L) of low grade acid (~5% HCl) containing at least 100 ppm of LiCl that would also be produced per tonne of lithium hydroxide. Without recycle, this represents a potential loss of lithium.

 

  98

 

 

South West Arkansas Project Pre-Feasibility Study 23 July 25

 

Whilst the testing validated the applicability of BPMED for Smackover brines, the large volume of low grade acid, potential lithium losses and larger maintenance burden due to the substantial number of membranes required, results in this technology not being recommended for the Standard Lithium flowsheet.

 

13.6.3Direct Lithium Conversion

 

Direct Lithium Hydroxide Conversion (DLC) is a proprietary process developed by Suez Water Technologies & Solution (now Veolia Water Technologies) and uses a simulated moving bed to convert the LiCl to LiOH using NaOH – a pilot plant was installed at the Demonstration Plant site in October 2022 and commissioned and run continuously for 8 months using pre-treated Smackover brines directly from the Demonstration Plant. The simulated moving bed has been used elsewhere for LiCl extraction, with the development in this space to facilitate direct conversion of a purified LiCl stream to lithium hydroxide.

 

The pilot plant was proven to generate a suitable battery-quality product and is a viable technology for consideration on future projects. Although the simulated moving bed is commercially proven for other applications, this type of application is novel and it is recommended to pilot at larger scale prior to commercialization due to being first-of-a-kind.

 

13.6.4Further Development

 

Electrolysis is deemed to be the most reliable, proven, and lowest risk of the technologies assessed to take through to commercialization. The key advantages over BPMED are:

 

·Electrolysis achieves an almost complete separation of the lithium and chloride,

 

·Higher purity LiOH stream containing less chloride;

 

·The high purity hydrogen and chlorine that are produced can be easily converted to high grade HCl that can be reused more easily in the process or sold commercially;

 

·No lithium losses in the hydrochloric acid stream;

 

·An electrolysis cellhouse of similar capacity will have a smaller footprint than a bi-polar membrane electrodialysis cell house; and,

 

·Fewer membranes and resultant lower maintenance requirements.

 

  99

 

 

South West Arkansas Project Pre-Feasibility Study 23 July 25

 

It is recommended that electrolysis be the core technology for further flowsheet development with further testing for long term operation and for scaled-up operation undertaken to support design development and project de-risking.

 

13.7Crystallization and Packaging

 

For commercial development, the lithium hydroxide solution produced by the electrolysis plant will be concentrated to saturation and lithium hydroxide crystals formed in the evaporator-crystallizer will be separated, dried, re-sized (if required) and packaged in an inert atmosphere.

 

It should be noted that the final concentration and evaporation-crystallization of lithium hydroxide is an industry-standard process and is practiced extensively at a commercial scale.

 

13.8Process Testing QA/QC

 

During the operation of the Demonstration Plant, routine daily chemical analysis is conducted in the internal Standard Lithium laboratory using standard solution analysis instrumental techniques; principally, Inductively Coupled Plasma – Optical Emission Spectroscopy (ICP-OES). For more important determinations, duplicate samples are submitted to SGS Canada Inc. (SGS) for analysis using their standard ISO 9000 compliant protocols (principally ICP-OES), developed based on their experience working on numerous lithium projects. Additional brine and solid samples are also periodically sent to other third-party analytical laboratories (principally WetLabs) in order to provide suitable independent verification of data generated by the Demonstration Plant.

 

Other instrumentation in the Demonstration Plant undergoes a rigorous maintenance schedule to ensure accurate collection of data from the plant.

 

Throughout the process test work described, the author has had the following interactions:

 

·Visited the Demonstration Plant and observed all unit operations currently being tested there;

 

·Witnessed the 100 hour electrolysis test work at ESC in Lancaster, NY;

 

·Participated in weekly video meetings throughout the entire operating period of the PFS Project Phase; and,

 

·Received daily data summaries regarding the operation of the Demonstration Plant and all analytical output.

 

  100

 

 

South West Arkansas Project Pre-Feasibility Study 23 July 25

 

13.9Process Scalability

 

As noted above, the pre-treatment portion of the flowsheet is industry standard technology and is already in use at commercial scale in the southern Arkansas region. As such no scale-up risk is envisaged for this unit operation.

 

The selected LSS DLE process has now operated continuously for approximately 10 months at a pre-commercial Demonstration Plant scale and has been developed to FEED (DFS) level in support of the LANXESS Project Phase 1A and pre-FEED (PFS) level for the South West Arkansas Project and it has been confirmed that all of the operations involved in the DLE process can be reasonably scaled-up. Scale-up will occur by the addition of multiple standard size LSS columns operating in parallel with the number required determined based on brine flowrate and lithium concentration. Scale-up from the Demonstration Plant to prove commercialization as part of the Lanxess Project Phase 1A will be a 60:1 scale-up based on flowrate with subsequent scale-up to SWA Project capacity requiring a 2.5:1 scale-up based on flowrate.

 

The purification and concentration elements of the flowsheet are already in widespread use in similar industries and at larger scale than required for the SWA Project and is not deemed an area of risk for scale-up. Similarly the product crystallizer and product handling equipment is not deemed an area of risk.

 

Based on input from NORAM, referencing other lithium and sodium chemistries and test data, no significant issues are envisaged for scale-up of the electrochemical conversion and evaporation/crystallization of lithium hydroxide.

 

To date, no issues with process scale-up have been identified. It is feasible, and should not present any processing challenges, to divide the large flows into smaller parallel flows, should that be required for the full-scale plant.

 

13.10Process Technical Risks and Mitigation Measures

 

Similar to all lithium brine processing projects (including those using ‘conventional’ evaporation ponds), there exist several risks that will need to be addressed or resolved as the project moves through the usual development stages:

 

·Effect of varying feed composition on lithium selectivity – to date, the Demonstration Plant at the Lanxess facility has been operated with the Lanxess South Plant brine feed (as shown in Table 13-1) which is materially similar to the SWA brine. However, the proposed brine feed does vary sufficiently (higher lithium concentration, higher boron, etc.) that its effect on lithium loading, and selectivity should be confirmed. Whilst the LSS has been tested for synthetic brines, similar to the SWA feed brine, it is understood that ‘real brines’ exhibit different behavior, therefore project specific testing is recommended. Large volume brine samples have already been collected from the South West Arkansas brine leases during the recent drilling campaign and it is planned to test these directly in the LSS process in support of the Feasibility Study phase of the project; and,

 

  101

 

 

South West Arkansas Project Pre-Feasibility Study 23 July 25

 

·Lithium chloride to hydroxide conversion – whilst the technology required to convert lithium chloride to lithium hydroxide is well understood, and analogous chlor-alkali technology has been operated at very large commercial scale for many decades, there are still likely hydrometallurgical and electrochemical subtleties that will need to be fully worked through for the Project’s specific feed composition. As such, a rigorous pilot program to test this part of the flowsheet using real LiCl solutions from the DLE process has been commenced with 100-hour testing and will be further developed with full height cell testing and 1,000-hour testing in support of the Feasibility Study phase of the project.

 

13.11Conclusions and Recommendations

 

Standard Lithium has completed substantial test work, and many aspects of the proposed flowsheet at the SWA Project are either normal industrial processes, have been demonstrated at substantial pre-commercial scale, or have been verified by pilot scale work on similar solutions. As such, it is felt by the author that sufficient test work has been completed to support the flowsheet proposed for the SWA Project at this stage of evaluation.

 

Recommendations are:

 

·Continue to operate and collect data from the existing Demonstration Plant;

 

·Continue to optimize the LSS DLE to improve the quality of the Raw LiCl by elimination of impurities, including testing of new sorbents and adjustments to operating parameters;

 

·Leverage the design development learnings form Standard Lithium’s Commercial Lithium Extraction Plant Project currently targeted to be in operation in 2026;

 

·Process volumes of feed brine from the SWA Project location through the DLE;

 

·Complete the SX testing and evaluate pros and cons relative to the currently proposed flowsheet;

 

·Continue to execute the planned testing program using real LiCl solutions from the Demonstration Plant to obtain the key design parameters for lithium chloride to lithium hydroxide conversion for input to engineering design; and,

 

·Complete any necessary process equipment vendor testing for lithium hydroxide concentration and evaporation/crystallization to a battery-quality product.

 

  102

 

 

South West Arkansas Project Pre-Feasibility Study 23 July 25

 

14Mineral Resource Estimates

 

This section describes the preparation of the lithium resource estimates for the SWA Property, based on the volume of porous rock as estimated by the geologic model and the estimated lithium concentrations present in the brines stored within the Upper and Middle Smackover formations on the Property. The resource estimates associated with the Upper Smackover have been upgraded in this Technical Report from the Inferred category, PEA (Eccles, et. al, APEX, 2021), to the Indicated category based on the extensive geologic data and lithium concentration data gathered by Standard Lithium’s 2023 exploration program on the SWA Property. This new information demonstrates the presence of a porous and permeable Smackover reservoir containing brine with significant lithium concentrations. This upgrading of the resource estimates is described in more detail in Section 14.3.

 

This resource estimate has been prepared in accordance with the CIM Definition Standards for Mineral Resources and Mineral Reserves (CIM 2014). Mineral Resources are sub-divided, in order of increasing geological confidence, into inferred, indicated, and measured categories. An Inferred Mineral Resource has a lower level of confidence than that applied to an Indicated Mineral Resource. An Indicated Mineral Resource has a higher level of confidence than an Inferred Mineral Resource but has a lower level of confidence than a Measured Mineral Resource.

 

An Inferred Mineral Resource is that part of a Mineral Resource for which quantity and grade or quality are estimated on the basis of limited geological evidence and sampling. Geological evidence is sufficient to imply but not verify geological and grade or quality continuity.

 

An Indicated Mineral Resource is that part of a Mineral Resource for which quantity, grade or quality, densities, shape, and physical characteristics are estimated with sufficient confidence to allow the application of Modifying Factors in sufficient detail to support mine planning and evaluation of the economic viability of the deposit.

 

A Measured Mineral Resource is that part of a Mineral Resource for which quantity, grade or quality, densities, shape, and physical characteristics are estimated with confidence sufficient to allow the application of Modifying Factors to support detailed mine planning and final evaluation of the economic viability of the deposit.

 

The estimation of resources in this report have been carried out in conformance with NI 43-101 and have been estimated using the CIM “Estimation of Mineral Resources and Mineral Reserves Best Practice Guidelines” (23 November 2003), CIM “Definition Standards for Mineral Resources and Mineral Reserves” (amended and adopted 10 May 2014), and “CIM Best Practice Guidelines for Resource and Reserve Estimation for Lithium Brine” (1 November 2012).

 

  103

 

 

South West Arkansas Project Pre-Feasibility Study 23 July 25

 

The Best Practice Guidelines (CIM, 2012) have been adapted for the specific conditions present at this Property. Unlike a brine-bearing salar, the SWA Property’s brine accumulation exists in a well-defined porous geologic formation at depth, the Smackover Formation. This extensive brine accumulation is bounded vertically by impermeable formations and laterally by the SWA Property boundaries. Also unlike a salar, the brine recovery from the Smackover is the result of rich brine (brine containing the original concentration of lithium) displacement by injected lean brine (brine that has had the lithium extracted in the processing plant). This brine-on-brine displacement mechanism is efficient, with all of the lithium-bearing brine in a given reservoir volume that is contacted by the injected brine being fully displaced. For this reason, the Guidelines’ use of Specific Yield for estimating resources, which assumes some remaining content of lithium in the subject formation, has been replaced here with the calibrated log or measured core porosity of the formation. In future evaluations the estimation of the overall fraction of the resources that will be recovered by the project (the recovery factor, equal to the estimated reserves divided by the estimated resource for the SWA Project area) will be done using a reservoir simulation incorporating the available geologic and fluid description data.

 

This approach to the estimation of resources using a detailed layered geologic model fully captures the factors that affect the content and quality of brine and the associated lithium in this porous underground formation.

 

14.1Geologic Model Description

 

In order to understand and quantify the Smackover Formations’ structure, geometry, and the location of the porous and permeable zones within the formation, a multi-layer geologic model of the SWA Property was constructed as the basis of the resource estimates in this Technical Report using industry-standard software and procedures. Beginning with the structural understanding of the overall Smackover Formation developed through analysis of the well data and seismic data, the next level of detail was added to the geologic description by separating the Smackover Formation into eight separate layers and evaluating the geologic characteristics of each layer. This geologic mapping effort covered the SWA Property and the surrounding area (the Geologic Study Area) as depicted in Figure 10-1. The procedures followed in creating this multi-layer geologic model relate to well log and core data analysis, net pay estimation, the mapping procedures, and the estimation of in-place volumes. This geologic modeling exercise is significantly more detailed and rigorous than that carried out for the PEA, thanks to the large amount of new data provided by the Standard Lithium exploration program.

 

  104

 

 

South West Arkansas Project Pre-Feasibility Study 23 July 25

 

The following steps were carried out to construct the multi-layer geologic model:

 

1.The Smackover Formation was divided into eight layers, with five in the Upper Smackover zone and three in the Middle Smackover zone, based on their distinct geologic characteristics. These divisions are identified in the Montague 1 well type log, Figure 14-1. Included on the log is the interval cored, the measured core permeabilities (shaded green where permeability is greater than 0.5 mD), the intervals meeting the 6.0 percent porosity net pay cutoff (highlighted with the orange “Net Phi 6 Cobb” flag and shaded green where log porosity, “PhiND CC” is greater than 6.0 percent). The zone and layer picks were recorded for each of the 97 well logs within the SWA Property and 322 well logs outside the SWA Property, to the extent allowed by the depth encountered for each well.

 

2.Core data, obtained from whole cores and from rotary sidewall cores taken in 15 wells within the SWA Property and 23 wells outside the SWA Property, is the starting point for quantifying the amount of porous Smackover Formation in the SWA Property. The core data from both the prior wells and the 2023 Standard Lithium exploration program wells was compiled and reviewed. Figure 14-2 is a cross plot of the permeability values against the porosity values for this body of data. This evaluation demonstrates there is a large fraction of the core data with moderate to high permeability values (between 0.5 and 6,000 mD), which is important in a brine displacement process such as that used at the SWA Property to recover the target lithium.

 

3.The Smackover Formation core porosity data was compared to the log porosity data and a calibration function relating the log porosity data to the core porosity data (which is considered the most accurate measure of porosity) was created (see Figure 14-3). Each porosity well log was then calibrated using that equation. The type well (Figure 14-1) demonstrates the close relationship between the calibrated porosity log (PhiND_CC) and the Core Porosity data values in the Upper Smackover main pay zone from 9,120 feet to 9,220 feet (2,780m to 2,810m).

 

4.Consistent with the use of the most accurate data available, for those wells with both log and core porosity data, the core porosity data was used whenever available, with the calibrated log porosity curve used elsewhere. This resulting calibrated best estimate of formation porosity is labeled the “COBB Porosity” curve on Figure 14-4.

 

5.A 6.0 percent minimum porosity cutoff was applied to each well’s calibrated porosity values. This cutoff value corresponds to approximately a 0.1 mD permeability, the minimum permeability expected to contain mobile brine.

 

  105

 

 

South West Arkansas Project Pre-Feasibility Study 23 July 25

 

6.The resulting net pay intervals were evaluated to determine for each of the eight layers the net pay thickness (the productive thickness of the layer exceeding the minimum porosity cutoff), the average porosity for that net pay interval, and the ratio of net pay thickness to gross thickness. Gross thickness values were also estimated for wells with only resistivity logs (which permitted layer boundary selection), but net pay thickness was only calculated when porosity data was available.

 

7.An example of this process is shown in Figure 14-4. The layer picks result in the gross pay values, the application of the 6.0 percent porosity cutoff results in the net pay values, the ratio of those two values provides the net to gross ratio, and the average porosity over each layer’s net pay intervals results in the average porosity of the net pay for that layer.

 

8.With regard to the software employed, each of the 98 wells within the SWA Property and 326 wells outside the SWA Property had their geologic data (location, wireline well logs) imported into Petra® Software.  Available digital porosity data were imported into PowerLog ® Software database, calibrated to core porosity, and exported for inclusion in the Petra® Software.  The top of Smackover Formation depths picks, along with the by-layer gross thickness, net to gross ratio, and porosity data were evaluated using the Petra® Software.

 

9.A 500 ft by 500 ft (152.4 m by 152.4 m) mapping grid was established, and the well geologic data was contoured using two Petra gridding options:

 

a.The Highly Connected Features option applied a least-squares gridding algorithm that is well-suited to both structure maps and the smoothly-changing petrophysical data present here. The “grid flexing” option, appropriate for this type of well-behaved data, was used to regularize the maps’ contour lines.

 

b.The Directional Bias option was used, with a direction of 95 degrees. This directional bias was applied to capture the regional strike direction of the Smackover Formation, corresponding to the orientation of the oolite bars as they were deposited.

 

10.Following the gridding and contouring process, bounding limits were applied to the gross thickness, porosity, and net thickness to gross thickness ratio grids. The gross thickness, porosity, and net thickness to gross grids were constrained to between 95 percent of the minimum observed value and 105 percent of the maximum observed value to prevent the mapping algorithm from extrapolating to unreasonable values. Additionally, porosity values were limited to no lower than the 6.0 percent cutoff for net pay. The net thickness to gross thickness ratio grids were further constrained between 0.0 and 1.0, corresponding to the physical limits of that ratio.

 

  106

 

 

South West Arkansas Project Pre-Feasibility Study 23 July 25

 

11.The net pay grid for each of the individual layers was calculated by multiplying the gross thickness grid by the net thickness to gross grid. Similarly, the pore-thickness grids for each layer were calculated by multiplying the calculated net pay grids by that layer’s porosity grids.

 

12.The resulting layer grids for structure, porosity, gross pay, and net pay were then summed as appropriate to create maps of gross pay, net to gross ratio, net pay, average porosity, and pore-thickness for the Upper Smackover and the Middle Smackover zones.

 

Figure 10-1 depicts the locations of the 98 wells within the SWA Property and 326 wells outside the SWA Property containing structure, porosity, or core data relevant to the description of one or more of the eight layers. Figure 7-5 presents the structure map for the top of the Smackover Formation. Figure 14-5 is a porosity cross section through the five 2023 exploration program wells. It uses as a datum the top of Upper Smackover, and illustrates the thick, continuous nature of the high-porosity net pay (shaded in green, yellow, orange, or red) Upper Smackover Formation, in comparison to the thinner, less-continuous Middle Smackover Formation net pay.

 

The net porosity-thickness (also known as Phi-H) maps for the Upper and Middle Smackover zones are presented in Figure 14-6 and Figure 14-7. Net porosity thickness is a direct indicator of the amount of brine below any location on the SWA Property. The greater the mapped pore-feet, the greater the volume of brine. Each porosity-thickness map is multiplied by the lithium concentration map, then integrated over the SWA Project area to obtain the in-place lithium resource estimates for each zone.

 

  107

 

 

South West Arkansas Project Pre-Feasibility Study 23 July 25

 

Figure 14-1. South West Arkansas Field Smackover Type Well, Montague 1

 

A close-up of a diagram

Description automatically generated

 

  108

 

 

South West Arkansas Project Pre-Feasibility Study 23 July 25

 

Figure 14-2. Core Data Plot

 

 

 

Figure 14-3. Porosity Log Calibration to Core Data Plot

 

 

 

  109

 

 

South West Arkansas Project Pre-Feasibility Study 23 July 25

 

Figure 14-4. Porosity Log Net Pay Example

 

 

 

  110

 

 

South West Arkansas Project Pre-Feasibility Study 23 July 25

 

Figure 14-5. Stratigraphic Cross Section, Exploration Program Wells

 

 

  111

 

 

South West Arkansas Project Pre-Feasibility Study 23 July 25

 

Figure 14-6. Total Upper Smackover Net Porosity-Thickness

 

 

 

  112

 

 

South West Arkansas Project Pre-Feasibility Study 23 July 25

 

Figure 14-7. Total Middle Smackover Net Porosity-Thickness

 

 

 

14.2Lithium Resource Estimates

 

To obtain the in-place lithium resource estimates for Upper Smackover and Middle Smackover zones the corresponding net porosity-thickness map (Figure 14-6 and Figure 14-7) has been multiplied by the lithium concentration map (Figure 9-2), then integrated over the SWA Project area. The resulting estimated average geologic properties, average lithium concentrations and the estimated indicated (Upper Smackover) and inferred (Middle Smackover) lithium resource values for the total SWA Property Area are presented in Table 14-1 and Table 14-2. The distinction between North and South Areas, separated by the Brown Fault, has been retained to allow comparison to prior studies.

 

Using a conversion factor of 5.323 kg of lithium carbonate equivalent (LCE) per kg of lithium, the Indicated Resource value corresponds to an estimate of 1.43 million metric tonnes LCE. For the Inferred Resource, the estimate is 392 thousand metric tonnes LCE.

 

  113

 

 

South West Arkansas Project Pre-Feasibility Study 23 July 25

 

The lithium resource estimates presented in Table 14-1 and Table 14-2, effective August 8, 2023, do not consider a minimum lithium concentration cutoff because the entirety of the SWA Property exceeds the previously-used 100 mg/L cutoff value, which is still considered an appropriate cutoff point for assessing project viability. In addition, it is important to note that mineral resources are not mineral reserves and do not have demonstrated economic viability. There is no guarantee that all or any part of the mineral resource will be converted into a mineral reserve. The estimate of mineral resources may be materially affected by geology, environment, permitting, legal, title, taxation, socio-political, marketing, or other relevant issues.

 

Table 14-1. SWA Property Geologic Factors and Indicated Lithium Resource Estimates

 

  Indicated Resource
Smackover Formation North
Upper
South
Upper
Total
Upper
Gross Volume, km3 4.69 2.80 7.49
Net Volume, km3 3.17 1.93 5.11
Average Porosity 11.7% 11.9% 11.8%
Average Lithium Concentration, mg/L 408 507 446
Indicated Lithium Resource, Thousand Tonnes 152 116 269
LCE, Thousand Tonnes 810 620 1,430

 

  114

 

 

South West Arkansas Project Pre-Feasibility Study 23 July 25

 

Table 14-2. SWA Property Geologic Factors and Inferred Lithium Resource Estimates

 

  Inferred Resource
Smackover Formation North
Middle
South
Middle
Total
Middle
Gross Volume, km3 6.04 2.98 9.02
Net Volume, km3 1.60 0.46 2.06
Average Porosity 9.0% 8.1% 8.8%
Average Lithium Concentration, mg/L 379 508 405
Inferred Lithium Resource, Thousand Tonnes 55 19 74
LCE, Thousand Tonnes 291 100 392

 

Notes for Table 14-1 and Table 14-2:

 

1. Numbers may not add up due to rounding to the nearest 1,000 unit

 

2. The resource estimate was developed and classified in accordance with guidelines established by the Canadian Institute of Mining and Metallurgy. The associated Technical Report was completed in accordance with the Canadian Securities Administration’s National Instrument 43-101 and all associated documents and amendments. As per these guidelines, the resource was estimated in terms of metallic (or elemental) lithium.

 

3. In order to describe the resource in terms of ‘industry standard’ lithium carbonate equivalent, a conversion factor of 5.323 was used to convert elemental lithium to LCE.

 

14.3QP Discussion

 

The resource category associated with the Upper Smackover Formation has been changed from the Inferred Resource category in the PEA (Eccles, et. al, APEX, 2021) to Indicated Resource in this Technical Report. This reclassification is based on the large amount of geologic and sample composition data collected within the SWA property by the 2023 exploration program. This body of data has clearly demonstrated the presence, volume, and quality (permeability) of the porous reservoir, and the high lithium content of the associated brine. The test program has demonstrated the ability of the Upper Smackover intervals to produce that brine. The lithium associated with the Middle Smackover has been maintained as an Inferred Resource, awaiting further testing and delineation.

 

  115

 

 

South West Arkansas Project Pre-Feasibility Study 23 July 25

 

The entirety of the SWA Property exceeds the 100 mg/L minimum concentration cutoff value appropriate for this project. The resource estimates have been determined on the basis of 100 percent of the Upper and Middle Smackover within the proposed unitized boundary for the SWA Property. This is consistent with the AOGC approach to unitization and brine production. The application of the geologic data and the associated production that can be achieved from the resource are outlined in Section 16, with those production rates setting the basis for the PFS flowsheet development and project cost estimates and underlying economic viability.

 

  116

 

 

South West Arkansas Project Pre-Feasibility Study 23 July 25

 

15Mineral Reserve Estimates

 

No mineral reserve estimates were made. Mineral resources were not able to be converted into mineral reserves. This determination was made by Randy Brush, the Qualified Person of this section. The mineral resources were not converted to mineral reserves because additional information is needed to confirm the productivity of the Upper Smackover in the Project Area. While the geologic and sample data collected as of the date of this report clearly identifies the size and content of the lithium-bearing brine accumulation in the project area, well test data is needed to quantify the project’s potential production rates. Towards that end, one of the recommendations presented in Section 26 is to drill an additional test well and re-enter three existing wells targeting the Upper, Middle, and Lower Smackover in areas not tested by the 2018 and 2023 data gathering programs, such as in the areas of the Cornelius 1 and Haberyan 1 wells, to provide long term production test information to estimate well rates, the number of wells needed, facility rates, and the completion plans for those wells.

 

Gathering that test data is necessary to reasonably define the scope of the project’s wells and facilities investments. While the data gathered as of the date of this report is consistent with a productive Smackover formation suitable for development, quantitative well test data is needed to confirm the production rates that the production and injection wells will provide to the processing facility.

 

  117

 

 

South West Arkansas Project Pre-Feasibility Study 23 July 25

 

16Mining Methods

 

16.1Lithium Recovery Process

 

Recovery of a portion of the SWA Property’s lithium resources described above will employ the same brine displacement process already in use throughout southern Arkansas for the recovery of bromine. This process incorporates brine production wells with down-hole pumps, surface flowlines, brine processing facilities, and effluent brine injection wells. Once the lithium is extracted from the produced brine in the processing facilities the resulting effluent brine will be injected into the Smackover Formation using the injection wells. For the purposes of reservoir evaluation, effluent brine with the lithium extracted is referred to as lean brine and is used to differentiate the reinjected brine from the in-situ lithium rich brine, specifically to allow the observation of break through where lean brine starts to be produced at a specific well resulting in a drop-off in lithium production. This production and injection process from a deep Smackover Formation brine reservoir is conducted at the adjacent Albemarle bromine project and the Lanxess bromine project further to the east and incorporates the production and injection technology and underground displacement mechanisms proved up by both those two projects for over 60 years and by the petroleum industry in thousands of oil field waterflood projects world-wide.

 

The brine recovery process applied at the SWA Property has as its basis the displacement of rich brine to the production wells by the injected lean brine. Three factors will determine the overall lithium recovery rate from this process: total brine throughput, rich brine recovery efficiency, and lithium extraction efficiency (discussed in Section 17, Recovery Methods).

 

The total brine throughput, which equates to the rate at which brine is processed by the facility, is determined by the number of production or injection wells and the average production or injection rate per well, which is a function of well operation and geologic characteristics (thickness and permeability) of the Smackover Formation at the well locations. Total production and injection rates will be nearly identical, both as a result of the small volume changes associated with the lithium extraction process and with the requirement that the produced brine volume needs to be replaced with a similar volume of injected brine (net reservoir voidage approximately zero) in order to maintain the average reservoir pressure at a nearly constant level. Brine-filled reservoirs are relatively incompressible, and are, therefore, sensitive to any significant mis-match in net reservoir voidage. Large pressure changes could potentially result from significant positive or negative net voidage. Total brine throughput can be increased by drilling more wells, but there are both the financial costs and the effect on produced lithium concentrations to consider.

 

  118

 

 

South West Arkansas Project Pre-Feasibility Study 23 July 25

 

The rich brine recovery efficiency, a number that starts at zero and increases over time, with a maximum value of one, is equal to the volumetric sweep efficiency of the injected lean brine and is equal to the fraction of the total brine volume occupied by injected lean brine at a particular time. Up until lean brine breakthrough the rich brine recovery efficiency is equal to the cumulative injected lean brine volume divided by the total pore volume. Following lean brine breakthrough, the rich brine recovery efficiency is equal to the net cumulative injected lean brine volume (the cumulative injected lean brine volume minus the cumulative produced lean brine volume) divided by the total pre volume.

 

The rich brine recovery efficiency is affected by the speed and extent of lean brine breakthrough in the production wells. In brine recovery projects such as this, the injected lean brine moves through the geologic formation, displacing the rich brine to the production wells. The speed and extent of lean brine breakthrough for a given injection-production well configuration is determined by the degree of geologic heterogeneity of the Smackover Formation and the distance between the injection and production wells (also known as well spacing). This heterogeneity consists of the varying permeability of the formation, ranging from near zero to several thousand millidarcies, as observed in the core data (Figure 14-2). If additional wells are drilled the distance between injection and production wells typically decreases, resulting in higher brine throughput but faster breakthrough of injected lean brine. The Merlin simulation model described below will be used to both estimate reserves and to optimize the configuration of the injection and production wells, including the well spacing and alignment, in order to design an economic long-lived (20-year lifespan) project.

 

16.2Methodology

 

This report’s eight-layer geologic model, described in Section 14 and used to estimate the resource values, was also used to provide the geologic inputs for a finite difference computer simulation model used to estimate the timing and amount of brine production from the SWA Property. The only difference between the geologic description used for the resource estimates and that used for the simulation model was the application of a more-stringent nine percent porosity cutoff. This higher porosity cutoff further restricted the simulation model’s net pay to that portion of the reservoir with sufficient permeability for brine to be displaced and produced over the expected distances between injection and production wells.

 

  119

 

 

South West Arkansas Project Pre-Feasibility Study 23 July 25

 

The Merlin reservoir simulation model, an industry-standard finite-difference simulation model created by Gemini Solutions, Inc., was used to model brine movement and lithium recovery.

 

The Merlin simulation model was loaded with the by-layer geologic model maps, which were re-gridded by the Merlin software to conform to the model’s gridding scheme. The model covers an area of approximately 17.9 miles by 11.9 miles (28.8 km by 19.2 km). The model grid dimensions are 101 cells in the east-west direction, 67 cells in the north-south direction, and eight model layers, resulting in 54,136 cells in the model. An equation to calculate permeability as a function of porosity was developed based on the core permeability and porosity data, Figure 16-1, and was applied to each layers’ porosity data, resulting in variable permeability values for each cell in the model. This technique captures a large part of the permeability heterogeneity present in the Smackover Formation and its impact on brine movement.

 

The Merlin model has the capability of tracking different brines using a tracer element. This capability was used to initialize the model with lithium concentrations across the model area equal to the mapped lithium concentrations described in Section 9.2. The model then tracked the lithium concentration in the rich brine within the reservoir and in the brine produced in each well, as well as the injected lean brine (with lithium removed), and its movement through the reservoir during a 20-year proposed development.

 

The initial well count and locations resulted in brine production and injection rates sufficient for a 30,000 tonne per year facility capacity. This preliminary well field layout was used to estimate project well costs. Based on pressure profiles in the reservoir and the absence of significant predicted lean brine break through, this initial production and injection well configuration can be further optimized during the Feasibility Study phase of the SWA Project.

 

While preliminary, the model’s initial results indicate the SWA Property appears to be capable of producing greater than 30,000 metric tpa of lithium hydroxide for 20 years or more, and that production rates greater than 35,000 metric tpa are probable with modifications to the assumed production and injection well count and configuration, given our current understanding of the SWA Property’s geology and distribution of lithium. Quantifying the reserves associated with the SWA Property will be a goal for the next phase of evaluation, with the model description updated with additional geologic and concentration data. These further revisions to the well configuration will help optimize field lithium recovery and development economics.

 

  120

 

 

South West Arkansas Project Pre-Feasibility Study 23 July 25

 

Figure 16-1. Core Data Plot with Permeability Data Fit and Equation

 

 

 

16.3Well Field Overview

 

Based on the outputs of the Merlin modelling described in Section 16.2, a network of brine supply wells will produce from the Smackover Formation. For the purpose of the PFS, the number of supply wells is estimated to be 21, however this will be optimized in subsequent project development phases. The brine supply wells will produce between 200 m3/day and 2,100 m3/day with an average rate of 1,715 m3/day. The average brine production rate will be 1,800 m3/hr (7,925 US gpm) during the 8,000 hours in the operational year. The supply wells, as modelled, have been located on the unoptimized modelling parameters and without consideration for surface locations and therefore can be expected to change somewhat prior to commercial operations.

 

To support commercialization, the wells will be grouped into multi-well pad facilities based on the desired bottom hole locations and the distance from the drilling pad achievable for well bores of this size and depth. This has resulted in well pads with facilities for 2, 3, 4 or 5 wells. Multiple wells per pad is advantageous in minimizing initial capital expenditure and improving long-term maintainability. Brine from the supply facilities will be routed from the six (current estimate) multi-well pads to the single processing facility by a network of underground fiberglass pipelines totaling approximately 23.1 km (14.35 miles) in length. After processing, the lithium-depleted brine will be returned by a pipeline system 41.8 km (26 miles) in length to a network of brine injection wells completed in the Smackover Formation. For the purpose of the PFS, the number of injection wells is estimated to be 22, and it is expected that this will be optimized in subsequent project development phases. As with the supply wells, the injection wells are proposed to be grouped into nine (current estimate) multi-well pad facilities. All extraction and reinjection will occur in the single unitized area to maintain reservoir pressures.

 

  121

 

 

South West Arkansas Project Pre-Feasibility Study 23 July 25

 

16.4Well Field Configuration

 

16.4.1Production Wells

 

The brine supply wells will extract the raw brine from the Smackover Formation on a continuous, 24-hour, 365 days per year operation. Operational up time has been estimated to be 8,000 hours per year to account for ongoing maintenance, system upsets, weather outages, etc. The brine supply wells will be conventional brine wells similar to those used through-out the Smackover and will be equipped with an 800 HP electric submersible pump (ESP) that will pump the brine to the surface through 7 inch tubing (~178mm) as depicted below in Figure 16-2.

 

Figure 16-2. Supply Well Process

 

 

 

As the brine is pumped to the surface, naturally occurring gas (usually sour in the project area) will evolve out of the brine as the pressure drops. The brine, sour gas, and trace amounts of oil and solids will be separated from one another at the well pads using three-phase separators.

 

  122

 

 

South West Arkansas Project Pre-Feasibility Study 23 July 25

 

The brine and sour gas streams produced will be sent from the separators in dedicated pipelines, with the production from each well at the well pad comingled prior to pumped delivery by pipeline to the main processing facility.

 

Fluid flow from each well pad will be further comingled to minimize the number of pipelines feeding the CPF. This has the added benefit of reducing the impact of brine compositional variability by mixing all the brine streams at the well pads and from all the well pads in the brine supply pipelines. Brine pumped from production wells and well pads through the brine pipeline is discharged to a large capacity brine receiving tank at the main processing facility.

 

The oil phase that is separated from the brine will be stored in tanks on the well pad and periodically removed via a pump truck for further processing at a local refinery or by a 3rd party.

 

The sour gas evolving from the brine containing light hydrocarbons such as methane and ethane in addition to hydrogen sulfide, carbon dioxide and water vapor is separated from the brine in the three-phase separators and cooled to condense out higher boiling point condensable hydrocarbons and water. The liquids (condensate) will be separated and returned to the three-phase separator feed to facilitate capture and separation with the oil phase. The resultant non-condensable sour gas from all of the brine supply wells is subsequently delivered to the central processing facility (CPF) by the motive force of the ESP pumped pressure. At the CPF, the sour gas will be compressed for delivery into an existing sour natural gas gathering pipeline, where it may be diverted for reinjection or sent to the nearby Mission Creek Dorcheat Gas Plant where it will be sweetened for beneficial re-use.

 

16.4.2Injection Wells

 

Once the lithium is removed from the produced brine, effluent brine (or lithium-free brine) is then disposed of through the injection wells. A network of pipelines connects the CPF to the injection (or disposal) wells. Similar to the supply wells, the injection wells will be grouped into multi-well well pad facilities. Effluent brine is delivered from the main processing facility by brine pumps to the well pads. The effluent brine is then pumped down through the injection wells, which are similar in nature to the supply wells without the ESP’s, into the Smackover Formation. The reinjection of the effluent brine is necessary to maintain the pressure in the Smackover Formation aquifer and to displace the rich brine to the production wells and is standard practice in Smackover brine operations.

 

  123

 

 

South West Arkansas Project Pre-Feasibility Study 23 July 25

 

17Recovery Methods

 

Standard Lithium will produce battery-quality lithium hydroxide from Smackover Formation brine. Lithium-containing brine will be produced from brine supply wells, as discussed in Section 16. The produced brine will be pipelined to the Central Processing Facility (CPF) for recovery of lithium and for further processing to the final product. Base case lithium hydroxide production will be 30,000 tonnes/year over a 20-year operating lifetime. The lithium recovery from the brine into the final product is estimated to be approximately 92% based on the performance of the LSS DLE and associated lithium losses in other parts of the process. Optimization of the process during future design phases is expected to result in higher lithium recovery. This in turn would result in increased production or lower CAPEX costs. The production process includes the following major unit processes:

 

·Brine pre-treatment;

 

·Lithium chloride extraction from the brine by Direct Lithium Extraction (DLE);

 

·Lithium chloride purification and concentration;

 

·Lithium chloride electrolysis to convert to lithium hydroxide; and,

 

·Lithium hydroxide crystallization, drying and packaging.

 

The overall process Block Flow Diagram (BFD) is shown in Figure 17-1 and described in additional detail below.

 

  124

 

 

South West Arkansas Project Pre-Feasibility Study 23 July 25

 

Figure 17-1. Overall Block Flow Diagram of Lithium Hydroxide Production from Smackover Formation Brine

 

 

  125

 

 

South West Arkansas Project Pre-Feasibility Study 23 July 25

 

17.1Brine Production and Delivery

 

Brine will be delivered from the brine production well field via fiberglass pipelines to the brine receiving tank at the CPF as discussed in Section 16.

 

17.2Production of Purified Lithium Chloride Solution

 

The first step in producing lithium hydroxide in the CPF will be pretreatment of the brine, including pH adjustment, H2S removal, and filtration to remove suspended solids. Next, lithium chloride will be selectively recovered from the pretreated brine using a Direct Lithium Extraction (DLE) technology. Then, the lithium chloride solution from the DLE process will be purified and concentrated, preparing it for electrolysis.

 

17.2.1Pretreatment of the Feed Brine

 

Based on the average of the on-lease samples taken during the 2018 and 2023 sampling programs (see Figure 9-1), the blended produced brine delivered to the CPF is estimated to have a lithium concentration in the order of 437 mg/L as lithium. The brine will be hot (>70°C), highly saline (TDS of about 340,000 mg/L), low in sulfate, and will have a specific gravity of about 1.2. Sodium and calcium chlorides are the main constituents of the brines.

 

Prior to lithium extraction, the brine will be pre-treated to remove suspended solids, dissolved gas (including H2S), and crude oil. The brine will be treated with hydrochloric acid to lower its pH to ensure the sulfur components are in the sulfide form, and then vacuum-degassed to remove dissolved gases. Dissolved gases include hydrogen sulfide (H2S), carbon dioxide (CO2), low-boiling-point hydrocarbons such as methane (CH4), and inert gases such as nitrogen (N2). Gases separated from the brine in the vacuum-degassing process will be compressed and combined with the sour gas from the production wells and pipelined to the Mission Creek Dorcheat Gas Plant (or reinjected).

 

The degassed brine will then be treated with caustic soda to raise the pH to be slightly basic prior to filtration. The brine will then be passed through a walnut filter to remove residual dissolved oil and a pressurized ultrafiltration membrane filter to remove fine particulates including precipitated silica. The membrane brine filter will be backwashed periodically to remove captured solids. The captured solids and the backwash will be redissolved with acid (if required) and sent to the effluent brine stream for disposal.

 

  126

 

 

South West Arkansas Project Pre-Feasibility Study 23 July 25

 

17.2.2Lithium Extraction Process

 

The key unit process for the production of lithium chloride solution is the Direct Lithium Extraction process, the lithium selective sorption (LSS) process outlined in Section 13.

 

The LSS equipment is a Koch Technology Solutions proprietary technology for which Standard Lithium have a Joint Development Agreement and Smackover exclusivity agreement in place. The process will be a fixed bed, selective adsorption process that favors lithium chloride. Lithium-rich brine will be pumped through the fixed bed of sorbent, loading the sorbent with both lithium and chloride ions, and discharging a raffinate that is barren of lithium. The loading will be stopped at the point that lithium breakthrough occurs. After displacing remaining raffinate from the sorbent bed, the sorbent will be eluted with water, releasing the lithium and chloride, and producing an eluate that is higher in lithium concentration and much lower in other undesirable ions such as sodium, potassium, calcium, and magnesium. Remaining eluate will then be displaced from the column and the cycle will be repeated.

 

After the LSS DLE process, the eluate or raw lithium chloride solution will contain approximately 620 mg/L of lithium at ~95% recovery and will have rejected in excess of 98% of the major contaminants for sodium, calcium, magnesium, and potassium. This raw lithium chloride solution will then be sent to the first of two seawater reverse osmosis (SWRO) systems for preliminary concentration. The SWRO permeate will be recycled to the DLE process to minimize the freshwater consumption of the process and the retentate will pass to raw lithium chloride storage prior to further purification and concentration in preparation for processing by electrolysis.

 

Given the large volumes required to produce 30,000 tonnes per annum of lithium hydroxide product, the LSS unit will comprise of multiple columns (up to 36), and it is planned that these will be operating in various stages of loading and elution, smoothing out the semi-batch operation.

 

17.2.3Lithium Barren Brine Disposal

 

The raffinate or lithium-barren brine from the DLE will be pumped to the effluent brine tank where other process waste streams such as filter backwash and resin regeneration streams are combined prior to pH adjustment to achieve a final discharge pH of between 4.5 and 5.5. This pH is required to:

 

·Avoid any precipitation issues in the brine injection wells; and,

 

·Meet best-practice guidelines for reinjection of effluent brine into the Smackover Formation.

 

  127

 

 

South West Arkansas Project Pre-Feasibility Study 23 July 25

 

Effluent brine from the lithium extraction process will be pumped via pipelines to a dedicated set of brine injection wells for disposal back into the Smackover aquifer. The disposal of brine to the aquifer is important for management of the brine resource. Twenty-two brine injection wells are proposed to be used for disposal of lithium barren effluent brine (see Section 16).

 

17.2.4Raw Lithium Chloride Purification and Concentration

 

The raw lithium chloride from raw lithium chloride storage will pass through a lithium chloride specific SWRO system to continue concentrating the solution. The retentate stream will then undergo removal of residual divalent ions, including calcium (Ca+2) and magnesium (Mg+2), using a lime and soda ash softening system followed by industry-standard ion exchange treatment.

 

After removal of divalent ions, the lithium chloride solution will pass through an industry-standard boron ion exchange resin for removal of residual boron.

 

Following ion exchange, the purified lithium chloride solution will be further concentrated to produce a lithium chloride concentrate with a range of lithium concentration over 80,000 mg/L. The first concentration step uses an ultra-high pressure reverse osmosis process. The second step uses an evaporator-crystallizer to remove water and precipitate sodium chloride and potassium chloride crystals. The evaporated water will be condensed and recycled to the process water system for reuse in the upstream process. Sodium chloride and potassium chloride crystallized out of the lithium chloride solution will be separated by centrifuging, then will be redissolved in the effluent brine for disposal. Lithium chloride concentrate from the evaporator-crystallizer will pass through a final ion exchange system for polishing to remove the remaining calcium and magnesium that will have been concentrated during the previous two steps.

 

The final purification step passes the lithium chloride concentrate through a cold debromination system to remove residual bromides from the solution. The debromination system has been considered for the PFS phase to ensure flexibility of design in advance of completion of longer term testing of electrolysis. Initial results from the Demonstration Plant indicate that this may not be required for electrolysis operation or for product quality. The purified lithium chloride concentrate will be considered ultrapure and will then be pumped to the lithium hydroxide process facility.

 

17.3Production of Lithium Hydroxide

 

The ultrapure lithium chloride from the purification and concentration process will be sent to the electrolyzer where the lithium chloride will be converted to lithium hydroxide using a modified chlor-alkali type process. The lithium chloride along with any residual sodium chloride and potassium chloride will be converted to their hydroxide forms by the electrolyzer using lithium specific membranes. The electrolyzer will also produce the by-products of chlorine and hydrogen gas. These by-product gases will be sent to a hydrochloric acid synthesis unit where high purity hydrochloric acid will be produced for use in the upstream process with any excess sold commercially as a by-product.

 

  128

 

 

South West Arkansas Project Pre-Feasibility Study 23 July 25

 

The lithium hydroxide solution will then be sent to an evaporator-crystallizer for production of lithium hydroxide crystals. Water evaporated in the crystallizer will be condensed and returned to the catholyte loop of the electrolyzer. Excess condensate will be recycled to the process water system for use in the upstream process. The lithium hydroxide crystals will be separated from the caustic solution using a centrifuge. The caustic liquid discharge from the centrifuge will be recycled to the upstream process for recovery of residual lithium content and for pH adjustment. The lithium hydroxide solids discharged from the centrifuge will be sent to a final product drier to remove residual moisture. The dried lithium hydroxide product will finally be routed to the packaging system under a nitrogen blanket to prevent degradation.

 

The lithium hydroxide production process is shown in the BFD presented in Figure 17-1.

 

17.4Packaging of Lithium Hydroxide

 

The dried lithium hydroxide product will be a bulk dry granule packaged in 910 kg (2,000 lb) supersacks. The packaging equipment will include a day silo for bulk lithium hydroxide storage prior to bag filling. lithium hydroxide finished product is metered through a rotary valve to an automated bag filling station. The bag filling station will include a nitrogen purge and bag sealer to keep carbon dioxide from contacting the product after crystallization and through to packaging. The filled supersack will then be conveyed on a pallet to a hooding or stretch wrap station for final preparation for storage and transport.

 

17.5Projected Energy, Water, and Raw Material Requirements

 

The total projected energy usage is estimated to be 433 GWh per annum. The Central Processing Facility total usage is approximately 306 GWh per annum and accounts for 71% of the total demand, with the lithium hydroxide electrolysis plant being the largest consumer at almost 60% of the CPF load, or 176 GWh per annum. The brine supply and injection systems will account for the remaining 29% of the total projected energy usage with the supply well field and injection well field accounting for approximately 92 GWh per annum and 35 GWh per annum, respectively.

 

  129

 

 

South West Arkansas Project Pre-Feasibility Study 23 July 25

 

The Central Processing Facility will utilize several freshwater wells to meet the water requirements of the process. The total freshwater consumption is approximately 413 m3/hr. Approximately 292 m3/hr of the freshwater will be utilized as make-up water to the RO water system. Approximately 95% of the RO water will be used for the elution of lithium and chloride from the sorbent beds in the DLE process, while the remaining 5% will be utilized in the demineralized water system. The balance of freshwater will provide raw water, potable water, and cooling water makeup for use in the Central Processing Facility.

 

Raw materials used in the process consist primarily of reagents for the control of pH. 50% Sodium Hydroxide (NaOH) solution will be the preferred base used to raise the pH and 32% Hydrochloric Acid (HCl) will be the preferred acid used to lower the pH. The HCl usage in the process (3,165 kg/tonne of lithium hydroxide) will be almost entirely offset by the production capacity in the HCl Synthesis unit (3,102 kg/tonne of lithium hydroxide). This substantially reduces the quantity of fresh HCl that will need to be purchased and received at the facility each year. Other reagents that will be used in the process are lime and soda ash for softening, corrosion and scale inhibitors, and various chemicals for the cleaning of filter and RO membranes. The estimated raw material requirements for the process are summarized in Table 17-1 below.

 

  130

 

 

South West Arkansas Project Pre-Feasibility Study 23 July 25

 

Table 17-1. Raw Material Requirements

 

Description Consumption per
Tonne of Lithium
Hydroxide Produced
Total Annual
Consumption
Well field    
-     Corrosion Inhibitors 0. 245 L 7,350 L
-     Scale Inhibitors 0. 397 L 11,920 L
Central Processing Facility    
-     Hydrochloric Acid (HCl) - 32% Concentration 63 kg 1,893 tonnes
-     Sodium Hydroxide (NaOH) - 50% Concentration 1256 kg 37,693 tonnes
-     Soda Ash 774 kg 23,225 tonnes
-     Lime 14 kg 418 tonnes
-     Sodium Metabisulfite 72 kg 2,156 tonnes
-     Citric Acid 1 kg 29 tonnes
-     HEDP 0.3 kg 11 tonnes

 

  131

 

 

South West Arkansas Project Pre-Feasibility Study 23 July 25

 

18Project Infrastructure

 

The infrastructure required to construct and operate the proposed project is described below.

 

18.1Brine Supply Wells Infrastructure

 

18.1.1Well Field

 

The brine well field development – comprising well locations, well pads, and pipelines, for the PFS phase – is based on resource modeling for the Smackover aquifer using the best data available at time of publishing. The resource definition will continue to be developed following the completion of this PFS and during the DFS phase, resulting in improved definition of the aquifer, updating of the reservoir model, and potential adjustments to the well field development plan. The information presented herewith should be considered indicative for the purposes of evaluating project costs and associated economic analysis of the SWA Project.

 

Brine used for recovery of lithium will be extracted from the Smackover Formation via a network of 21 brine supply wells located throughout the resource area of the SWA Project. The well field will utilize directional drilling technology to provide an optimal well field design that consolidates the surface locations of the wells into six multi-well pad locations. By grouping multiple supply wells into a common well pad, this will allow above ground utilities and infrastructure to be shared among the wells – see Figure 18-1. This will both minimize capital costs and improve ongoing operating costs. One of these multi-well pads is currently envisaged to also host injection wells.

 

  132

 

 

South West Arkansas Project Pre-Feasibility Study 23 July 25

 

Figure 18-1. Brine Supply Multi-Well Pad Conceptual Layout

 

 

Each of the brine supply wells will be equipped with a multi-stage, electric submersible pump (ESP). The ESPs will pump the brine from the Smackover Formation to the surface where a three-phase gravity separator will remove sour gas and crude oil from the brine before it is pumped into the brine supply network for distribution to the Central Processing Facility.

 

  133

 

 

South West Arkansas Project Pre-Feasibility Study 23 July 25

 

18.1.1.1Water Supply and Distribution

 

Each of the well pad facilities will be equipped with a water well to provide approximately 10 m3/hr (45 US gpm) of water for drilling and routine well maintenance operations.

 

18.1.1.2Power Supply

 

The well pad facilities for the brine supply wells will require approximately 12 megawatts (MW) of electric power for operating the ESPs and for routine operations of the facilities as outlined below in Table 18-1.

 

Table 18-1. Power Consumption for the Brine Supply Well Facilities

 
Facility No. Supply Well
Count
Operating Power
(kW)
Annual Electrical
Consumption (MWh)
Brine Supply Facility No. 1 3 1,685 13,136
Brine Supply Facility No. 2 4 2,226 17,465
Brine Supply Facility No. 3 3 1,685 13,136
Brine Supply Facility No. 4 4 2,226 17,465
Brine Supply Facility No. 5 5 2,767 21,794
Combined Well Facility 2 1,526 11,868
Total 21 12,115 94,865

 

Each of the well pad facilities will include a prefabricated Motor Control Center (MCC) building, medium voltage drives for the ESPs, utility power supplies, and a capacitor bank for power factor correction. The power supply to each facility will be from the Southwest Arkansas Electric Cooperative power grid. New substations and transmission lines will likely be required for the facilities and are addressed as part of the cost of service.

 

18.1.1.3Compressed Air

 

Compressed air will be supplied via an air compressor installed inside the MCC building on each well pad. Compressors are expected to be identical at each well pad with spare parts kept at a central maintenance warehouse.

 

  134

 

 

South West Arkansas Project Pre-Feasibility Study 23 July 25

 

18.1.1.4Chemicals and Reagents

 

Chemicals and reagents required for operation and maintenance of the brine supply wells and well pad facilities will be stored within the equipment containment areas at each well pad facility. These include, but are not limited to, anti-scalant and anti-corrosion chemicals.

 

18.1.1.5Auxiliary Infrastructure

 

The following auxiliary infrastructure will be required for each well pad facility.

 

·Access roads to the facility;

 

·Communication (internet to the site, whether that be ethernet or cellular service);

 

·Medium voltage electrical power supply, including new powerlines and substations;

 

·Metering stations for sour gas and brine; and,

 

·Crude oil storage tank and truck loading facility.

 

18.1.1.6Pipelines

 

Brine will be transported via fiberglass pipelines, along pipeline right-of-way corridors, from booster pumps at each well pad facility to the CPF. Sour gas removed from the brine by the three-phase separators at the well facilities will be transported to the CPF via high density polyethylene plastic (HDPE) pipelines, following the same pipeline corridors. The estimated pipeline quantities and details are detailed below in Table 18-2.

 

  135

 

 

South West Arkansas Project Pre-Feasibility Study 23 July 25

 

Table 18-2. Estimated Brine Supply and Sour Gas Pipeline Details

 

Description Material Type Diameter – DN (NPS) Length
Brine Supply Fiberglass NOV Green Thread HP25 250 (10”), 350 (14”), 450 (18”), 500 (20”), 600 (24”) 23.09 km (14.35 miles)
Sour Gas HDPESDR-11/ PE3408 80 (3”), 125 (5”), 150 (6”), 200 (8”) 23.09 km (14.35 miles)
Total - - 46.18 km (28.7 miles)

 

18.2Central Processing Facility Infrastructure

 

A proposed location for the CPF is approximately 11 km (7 miles) south of the intersection of Highway 29 and Highway 82 in Lewisville, AR. Road access to the CPF will be via Highway 29. A conceptual layout showing the process areas and auxiliary facilities is provided below in Figure 18-2.

 

  136

 

 

South West Arkansas Project Pre-Feasibility Study 23 July 25

 

Figure 18-2. Central Production Facility Conceptual Layout

 

 

 

18.2.1Fresh Water Supply and Distribution

 

Six fresh water supply wells will be installed with one spare to provide water to the CPF. The fresh water supply wells will be drilled to a depth of approximately 300 feet (100 m) below grade and designed to supply 477 m3/hr (2,100 US gpm) of fresh water to the facility. Water will be delivered to the well water/fire suppression storage tank with a storage capacity of 4,920 m3 (1.3 million gallons) of fresh water. Water that will be used for the CPF includes:

 

  137

 

 

South West Arkansas Project Pre-Feasibility Study 23 July 25

 

·Fire Water – Fire water will be obtained directly from the tank.

 

·Process Water – Process water will be obtained directly from the tank without further processing for general plant use.

 

·High Purity Process Water/Potable Water – Purified water for process and potable use will be generated onsite using a reverse osmosis (RO) treatment unit.

 

·Ultra-high Purity Water – Ultra-high purity water will be generated onsite using a demineralizer system.

 

18.2.2Steam Supply

 

The CPF will be equipped with a natural-gas-fired boiler unit to provide approximately 1,200 kg/hr. (2,650 lb/h) of medium pressure steam to the plant. The steam will primarily be used in the electrolysis unit but will also be required in the sodium chloride evaporator/crystallizer, lithium hydroxide evaporator/crystallizer, and debromination units for startup, trim heat, and various periodic maintenance activities.

 

18.2.3Power Supply

 

The CPF will require a power supply of approximately 38 megawatts (MW).

 

The power supply to the CPF will be from the Southwest Arkansas Electric Cooperative power grid. A new substation and transmission line from the power utility will be required for the facilities.

 

18.2.4Compressed Air

 

Compressed air will be supplied by multiple air compressors with a refrigeration dryer system to control moisture content.

 

18.2.5Compressed Nitrogen

 

Compressed nitrogen for use in product packaging and tank blanketing will be supplied by a pressure swing generator.

 

18.2.6Sour Gas Transfer

 

Sour gas gathered at the CPF will be compressed onsite for transfer via a dedicated high-density polyethylene (HDPE) pipeline tying into an existing Mission Creek pipeline for either reinjection or treatment (sweetening and separation of gas and liquids) at the nearby Mission Creek Dorcheat Gas Plant and then delivered either back to the CPF or to market. The estimated pipeline quantities and details are provided below in Table 18-3. An emergency flare system will be put in place to allow for safe handling of sour gas in the event of a downstream interruption.

 

  138

 

 

 

South West Arkansas Project Pre-Feasibility Study 23 July 25

 

Table 18-3. Estimated Sour Gas Disposal Pipeline Details 

Description Material Type Diameter Length
Sour Gas Disposal HDPESDR-11/ PE3408 20.32cm (6”)

14.0 km

(8.71 miles)

 

18.2.7Chemicals and Reagents

 

Chemicals and reagents required for operation and maintenance of the CPF will be received via truck unloading stations and stored within containment areas, segregated as required to avoid adverse mixing in common drains. These include, but are not limited to:

 

§Sodium Hydroxide (NaOH) – delivered as 50%

 

§Hydrochloric Acid (HCl) – delivered as 32%

 

§Citric Acid (C6H8O7)

 

§Chlorine (Cl2) – delivered as anhydrous

 

§Flocculant (specifics TBD)

 

§Calcium Hydroxide (Ca(OH)2) – lime

 

§Sodium Carbonate (Na2CO3) – soda ash

 

§Sodium Metabisulfite (Na2S2O5) – delivered as 39%

 

§Anti-scalant

 

§Corrosion Inhibitor

 

§Glycol

 

18.2.8Auxiliary Facilities

 

The CPF will include the following auxiliary infrastructure facilities:

 

§Access/Security Checkpoint

 

§Perimeter Fencing and Gates

 

§Weigh Scale(s)

 

§Internal Access Roads

 

§Communication (telephone, cellular telephone, internal plant radio, security, and internet)

 

§Electrical Substation and Power Distribution Lines

 

§Natural Gas Metering Station and Distribution Lines

 

§Sanitary Wastewater Treatment and Disposal System

 

§Buildings

 

oAdministrative Office, Control Room, and Laboratory including a centralized control room for well field

 

oWarehouse(s)

 

  139

 

 

South West Arkansas Project Pre-Feasibility Study 23 July 25

 

oWorkshop(s)

 

oProcess Buildings for selected equipment

 

oShipping and Receiving

 

18.3Effluent Brine/Process Water Injection Wells Network Infrastructure

 

18.3.1Well Field

 

The CPF will generate effluent brine including process wastewater. The effluent brine will be pumped from the CPF to a network of 22 brine injection wells located throughout the resource area of the SWA Property. This well field will use the same drilling technology used in the supply field to consolidate the surface facilities of the wells into nine multi-well pads. As stated in 18.1.1, well field development is based on the best data available at time of publishing and should be considered appropriate for the purpose of economic analysis of the SWA Project.

 

The arrangement of the brine injection well facilities will follow the same approach as the brine supply facilities by assembling multiple brine injection wells at each location to consolidate their individual surface facilities to minimize footprint, upfront cost and improve operations and maintenance (see Figure 18-3). Additionally, two of the injection wells are currently envisaged to be co-located with supply wells at one of the multi-well pads described in Section 18.1.1.

 

  140

 

 

South West Arkansas Project Pre-Feasibility Study 23 July 25

 

Figure 18-3. Brine Injection Multi-Well Pad Conceptual Layout

 

 A blueprint of a well being

Description automatically generated

 

Each brine injection well will be equipped with a booster pump to reinject the effluent brine down through the injection well and into the Smackover Formation.

 

18.3.1.1Water Supply and Distribution

 

Similar to the supply well pads, each of the brine injection well pad facilities will be equipped with a water well that will provide approximately 10m3/hr (45 US gpm) of water for drilling and routine well and well pad facilities maintenance operations.

 

18.3.1.2Power Supply

 

The injection well pad facilities will require approximately 4.1 MW total for routine operations of the facilities as shown below in Table 18-4.

 

  141

 

 

South West Arkansas Project Pre-Feasibility Study 23 July 25

 

Table 18-4. Power Consumption for the Brine Injection Well Facilities 

Facility No. Injection Well
Count

Operating Power

(kW)

Annual Electrical

Consumption (MWh)

Brine Injection Facility No. 1 4 804 6,214
Brine Injection Facility No. 2 2 421 3,152
Brine Injection Facility No. 3 2 421 3,152
Brine Injection Facility No. 4 2 421 3,152
Brine Injection Facility No. 5 3 612 4,683
Brine Injection Facility No. 6 2 421 3,152
Brine Injection Facility No. 7 3 612 4,683
Brine Injection Facility No. 8 2 421 3,152
Combined Well Facility 2 -[1] -[1]
Total 22 4,133 31,341

 

Note: 1. Operating power and consumption for the Combined Well Facility is provided in Table 18-1.

 

Each of the brine injection well pad facilities will include a prefabricated MCC building, medium voltage drives for the booster pumps and utility power supplies, and a capacitor bank. The power supply to each facility will be from the Southwest Arkansas Electric Cooperative power grid. New substations and transmission lines will likely be required for the facilities.

 

18.3.1.3Compressed Air

 

Similar to the supply well pads, compressed air will be supplied via a single compressor at each well pad facility. The compressors will be located within the MCC buildings.

 

18.3.1.4Auxiliary Infrastructure

 

The following auxiliary infrastructure items will be required at each facility:

 

·Access roads to the facility.

 

·Communication (Internet to the site whether that be ethernet or cellular service.)

 

  142

 

 

South West Arkansas Project Pre-Feasibility Study 23 July 25

 

·Medium voltage electrical power supply, including new powerlines and substations.

 

·Metering stations for brine.

 

18.3.2Pipelines

 

Effluent brine will be pumped via fiberglass pipelines from the CPF to the booster pumps at each brine injection well pad and then pumped down each individual injection well back to the Smackover Formation. The estimated pipeline quantities and details are detailed below in Table 18-5.

 

Table 18-5. Estimated Effluent Brine Pipeline Details 

Description Material Type Diameter – DN (NPS) Length
Effluent Brine Fiberglass NOV Green Thread HP25 200 (8”), 250 (10”), 350 (14”), 500 (20”), 600 (24”)

41.8 km

(25.99 miles)

 

  143

 

 

South West Arkansas Project Pre-Feasibility Study 23 July 25

 

19Market Studies And Contracts

 

19.1Background

 

Two independent market studies were commissioned in support of forecasting Lithium market trends and pricing. These reports were executed by Benchmark Minerals Intelligence and Global Lithium. The key findings are summarized below.

 

When LCE demand reaches one million metric tonnes by the middle of this decade, it will have taken over 60 years to achieve that volume. The second million tonnes is expected to only take approximately four years as the energy transition in both transportation and Energy Storage Systems (ESS) for solar and wind power gains traction. Lithium is the most critical of battery metals required in the energy transition. Lithium-ion batteries can be made without nickel, cobalt, or manganese but all cathode technologies depend on either lithium carbonate or lithium hydroxide as the lithium source.

 

The Global Lithium report concludes that in 2010, global demand for lithium chemicals was less than 100K metric tonnes (MT) of lithium carbonate equivalents (LCEs) with sales spread across multiple market segments including glass, grease, pharmaceuticals, synthetic rubber, and lithium-ion batteries primarily used in mobile phones and other portable electronics.

 

By 2020, the demand had grown to over 300K MT LCE, with battery-related use approximately 60% of the market, primarily due to growing demand for electric transportation (EVs, buses, etc.).

 

By 2030, demand may exceed 3,000K MT with battery-related use forecasted to be over 90%. The main use of lithium is expected to be related to lithium-ion batteries in both electric transportation and energy storage. A key component of this change is the phasing out of internal combustion engine (ICE) vehicles in favor of electric vehicles (EVs), and increased use of lithium-ion batteries in energy storage systems (ESS) for renewable power from wind and solar. The lithium industry is not adequately prepared for this transition. New lithium resources and improved technology for lithium extraction will be required to satisfy the coming exponential growth. Demand for traditional non battery applications will continue to grow at low single digit rates. Based on the time it takes greenfield lithium projects to be developed and come into production, it is doubtful that the supply response will be equal to demand growth for the remainder of the decade.

 

A McKinsey forecast, shown in Figure 19-1 expects Lithium-ion battery cell demand to grow from approximately 700GWh in 2022 to approximately 1,700GWh in 2025, and approximately 4,700GWh in 2030 due to gradual global transition away from fossil fuels which will be replaced by increased use of renewable energy. Each terawatt hour (1,000GWh) requires a minimum of 800K MT of lithium carbonate equivalents (LCEs).

 

  144

 

 

South West Arkansas Project Pre-Feasibility Study 23 July 25

 

Figure 19-1. Global Li-ion Battery Cell Demand, GWh, Base Case

 

A picture containing text, diagram, plot, line

Description automatically generated

 

Lithium used in batteries is a specialty chemical as opposed to a commodity, which, due to the complexity of production, makes keeping up with demand even more challenging. Many lithium operations in production today were based on industrial demand for lithium, which required a product with much less stringent specifications than the battery industry.

 

The demand forecast provided by Global Lithium shows a lower demand than the consensus average of other lithium market forecasts such as the one shown above. Nevertheless, the forecast by Global Lithium LLC (shown in Figure 19-2) projects sustained lithium pricing strength over the next several years and, based on the demand growth and increasingly stringent quality standards, the lithium industry will struggle to supply in adequate volume to meet this growing demand. Although the supply line appears in relative balance with demand in some years, the reality of the supply chain will mean a portion of consumers may have difficulty sourcing qualified product in adequate volumes maintaining upward price pressure.

 

  145

 

 

South West Arkansas Project Pre-Feasibility Study 23 July 25

 

Figure 19-2. Lithium Supply and Demand - Historical and forecast from 2020-2030

 

A graph of a graph showing the growth of a supply response

Description automatically generated

 

Note: Used with permission from Global Lithium LLC

 

The two fastest growing lithium chemicals will be battery quality hydroxide and carbonate through the remainder of this decade. These chemicals are produced primarily from two types of resources: hard rock (spodumene) and brines, although there may be production from sedimentary assets (also referred to as clay) later in this decade. Lithium chemical supply from recycling is not expected to be even 10% of supply until sometime in the 2030s.

 

Lithium hydroxide is primarily used in longer range EV batteries requiring high nickel content while carbonate is favored in lower capacity, less expensive EV batteries, electric buses, and energy storage systems. Although it is difficult to accurately forecast the exact future mix of cathode materials and whether carbonate or hydroxide will be required, the diversity of the battery market will likely result in a continued tight market for both forms of lithium chemicals into the next decade. Figure 19-2 shows a relatively even balance of carbonate and hydroxide demand in 2030.

 

Asia will remain the largest market for lithium chemicals for the remainder of the decade. China currently has 70% of lithium-ion battery cell production capacity and will remain the largest single market for EVs into the next decade. Korea and Japan are also significant battery producers. North America is expected to become the second-largest market for lithium chemicals by the end of the decade. US President Joe Biden has taken several steps to support growth of the domestic EV market and a North American battery supply chain which makes US-based lithium projects more attractive.

 

  146

 

 

South West Arkansas Project Pre-Feasibility Study 23 July 25

 

The American Jobs Plan proposed $174 billion of investment to support development of the US EV market including the following incentives:

 

·Providing tax credits for EVs worth up to $7,500 for a new EV and $3,750 for a used EV.

 

·Expanding access to charging stations with a goal of installing 500,000 new EV chargers by 2030.

 

·Setting an ambitious goal of 50% of US auto sales being EVs by 2030.

 

The European Union (EU) is supporting the growth of lithium-ion batteries through their “Green Deal” with programs similar to those in the US and a stated objective of making Europe the first carbon neutral continent by 2050.

 

Lithium supply is likely to become the critical path for EV adoption based on the fact it can take up to a decade to bring a greenfield lithium project online and takes only two to three years to build a battery gigafactory.

 

19.2Lithium Hydroxide Price

 

Over the past few years, the price of lithium has been volatile. In 2017, the price of lithium hydroxide peaked at almost $30,000/tonne before several hard rock mines in Western Australia came online during 2018 and 2019 leading to a temporary oversupply situation where price fell below $10,000/tonne in some markets. In late 2020, EV growth in China and Europe moved the market back to a shortage situation. Global average price from 2016 to early 2023 by month is shown in Figure 19-3. The China spot market saw lithium hydroxide price exceed $80,000/tonne briefly before moderating. Spot pricing in China was very volatile in late 2022 through Q1 2023, while contract prices in Korea remained in the $70,000/tonne range through April 2023.

 

  147

 

 

South West Arkansas Project Pre-Feasibility Study 23 July 25

 

Figure 19-3. Global Weighted Average Lithium Hydroxide 

A graph showing the growth of a stock market

Description automatically generated

 

Global Lithium LLC estimates that average large ex China contract pricing will remain between $50,000 and $60,000/tonne through 2030 based on the assumption that demand will exceed battery quality supply until at least the early 2030s. The price forecast in Figure 19-4 shows multiple price scenarios including an average of the price forecasts of three major investment banks, the projection of China spot price by Benchmark Mineral Intelligence, along with what price would be if there was an oversupply situation and price dropped to the high marginal cost of production.

 

  148

 

 

South West Arkansas Project Pre-Feasibility Study 23 July 25

 

Figure 19-4. Global Lithium Price Forecast

 

A graph of different colored lines

Description automatically generated

 

Notes:

 

GL Contract average is the ex-China average price per Global Lithium LLC estimates.

 

GL Cost Curve reflects the China hard rock converter cost.

 

IB Average is the ex-China price average from three major investment banks.

 

BMI China spot is per Benchmark’s report to Standard dated March 2023.

 

Presently, the high end of the cost curve is independent Chinese lithium chemical converters that source spodumene concentrate from offshore – mostly Australia, but also to a limited extent from other countries. As long as the spodumene price remains over $2,500/MT, the converter cost curve will be over $25,000/MT. Presently, spodumene prices are significantly higher than $2,500/MT yielding a cost curve price above $40,000/MT. Should spodumene price drop significantly, vertically integrated lepidolite production in China will replace independent spodumene converters as the high cost production, keeping the high end of the cost curve in the $30,000/MT range.

 

For purposes of estimating new project future cash flows, Global Lithium recommends a conservative approach using the forecast high end of the cost curve based on the Ex-China contract pricing through to 2030 and China’s spodumene sourcing and lepidolite production dynamics keeping conservative prices around the $30,000/MT price point. Although global lithium forecasts global pricing well above the green line in Figure 19-4, using a conservative price is recommended in case of unforeseen market circumstances. The economic evaluations of the project are therefore based on a $30,000/MT Lithium Hydroxide flat forecast price.

 

  149

 

 

South West Arkansas Project Pre-Feasibility Study 23 July 25

 

20Environmental Studies, Permitting, and Social or Community Impact

 

20.1Introduction

 

Standard Lithium is proposing to build the SWA Project for lithium hydroxide production by processing brine with naturally occurring lithium found in the Smackover Formation. Standard Lithium will process the brine to form lithium chloride solution and then convert to lithium hydroxide. The proposed SWA Project includes construction of a Central Processing Facility (CPF) and brine supply and brine injection well fields, and pipelines. The brine supply wells and ancillary equipment will provide the CPF with brine while the injection wells will be used to inject tail-brine (lithium-depleted brine) and associated process water back into the Smackover Formation for pressure maintenance. This section of the report will focus on the listed components of Section 20 of a PFS for a new Standard Lithium facility near Magnolia, Arkansas. These components are as follows:

 

·Environmental Considerations

 

·Permitting Overview

 

·CWA Section 404 Permits

 

·Air Emissions Permits

 

·Surface Water Discharge Permits

 

·Brine Supply and Disposal Well Drilling Permits

 

·Underground Injection Control (UIC) Permits

 

·Public Water Supply Permit

 

·Resource Conservation and Recovery Act Subtitle C Treatment, Storage and Disposal Permit

 

·Social Impact

 

·Environmental Management and Closure Plan

 

20.2Environmental Considerations

 

Construction and operational emissions to air, surface waters, and subsurface waters, and proper management/disposal of solid wastes are regulated by the Federal and State agencies to protect the environment while allowing responsible development of the lithium resources. These are specifically addressed in Section 20.3. Further to this, activities that contain a Federal nexus (Federal funding, Federal permitting decision, or the activity is conducted by a Federal Agency) would trigger the National Environmental Policy Act (NEPA). The purpose of the NEPA process is to assess environmental impacts resulting from the project and can include 1) Categorical Exclusions, 2) Environmental Assessments (EA), 3) Finding of No Significant Impact (FONSI), and 4) Environmental Impact Statements (EIS). The first three options are relatively fast processes while the EIS can take more than a year to complete. Each process ends in a decision regarding environmental impacts; whether the project is approved or not; and if approved, any conditions required for implementation of the project.

 

  150

 

 

South West Arkansas Project Pre-Feasibility Study 23 July 25

 

The project as it is currently envisaged, would not qualify as a Federal undertaking but may require a Federal permitting decision through the U.S. Army Corps of Engineers (USACE). For typical permitting decisions, the USACE conducts an Environmental Assessment (EA) in house. The USACE will either determine no significant impacts would result from the project and issue a FONSI or determine the project may have significant impacts and conduct an EIS. The USACE does not list numerical thresholds that would trigger a significant impact requiring an EIS; however, it is not a common practice for typical projects with under 10 acres of wetland impacts. Therefore, the project could be expected to require EA under this route.

 

The NEPA process would also be triggered if federal funds are obtained for the project. The level of effort would be dependent on the requirements of the Federal Agency from which funds are received. The typical process would be to evaluate whether a categorical exclusion exists for the activity. If no categorical exclusions exist, then an EA would be necessary resulting in a FONSI or decision to conduct an EIS. The Federal Agency may have numerical thresholds that automatically trigger an EIS. The EIS is typically conducted by a third party directly contracted by the Federal Agency at the expense of the permittee. Given that the project as it is currently envisaged is not considering federal funding, it is not expected to trigger an EIS.

 

Irrespective of whether federal funding is used or not, the proposed project will require multiple permits for air, water, waste, resource extraction, and underground injection. Permit application approvals in some cases will take more than a year from submission dates. The anticipated timeline for requisite permits is described in the respective categories of Section 20.3.

 

20.3Permitting

 

20.3.1Overview

 

The SWA Project will require permits to be completed prior to construction and operation of the facility. The permits will require review and approval from the Arkansas Department of Health (ADH), the Arkansas Department of Energy and Environment (ADEE), and potentially, the USACE.

 

The ADH regulates construction of potable water supplies and sanitary waste treatment/disposal facilities.

 

  151

 

 

South West Arkansas Project Pre-Feasibility Study 23 July 25

 

The ADEE is the permitting agency for both the environmental permits and resource extraction for the facility through two Divisions, the Division of Environmental Quality (ADEE-DEQ) and the Arkansas Oil & Gas Commission (ADEE-AOGC). The ADEE-DEQ oversees the air, National Pollutant Discharge Elimination System (NPDES), Office of Water Quality No-Discharge, Solid Waste permits, and shares authorization for underground injection control (UIC) permits with the ADEE-AOGC. The ADEE-AOGC has sole permitting authority for extraction of the brine resource from drilled/completed supply wells and disposal of the lithium-depleted effluent brine to the Smackover Formation by deep well injection into UIC Class V wells.

 

Public notice of each individual permit proposed for issuance by the ADEE-DEQ and a thirty-day period for receipt of comments precedes final authorization of the specific permit. ADEE-DEQ may or may not conduct public meetings prior to their final approval.

 

The USACE is the permitting authority for construction activities impacting waters of the U. S. (WOTUS), and the SWA Project is within the jurisdiction of the USACE Vicksburg District. The USACE issues two types of authorizations, nationwide permits for certain categories of activities with minimal impacts to WOTUS, and an individual permit for all other activities.

 

20.3.2Clean Water Act Section 404 Permitting

 

Section 404 of the Clean Water Act established a statutory mechanism for control of dredged or fill material into WOTUS, including wetlands. The USACE has final administrative authority to determine the status of land surface as WOTUS. Currently, certain land characteristics are scientifically used as indicators of WOTUS through a process known as a Jurisdictional Determination (JD). Private entities commonly prepare and submit JD reports to the USACE to expedite their decision-making process and in some cases, the USACE will conduct a site survey to confirm the private JD or absent a private submittal, to provide the basis for the agency’s permitting decision.

 

USACE authorizes impacts to WOTUS through nationwide or individual Section 404 permits. Nationwide permits are structured for specific activities and minimal impacts, usually limited to less than one acre, and do not require lengthy agency review. The current list of fifty-nine nationwide permits was issued by the USACE in 2021. The nationwide permits potentially applicable to the SWA Project are:

 

·NWP 7 – Outfall Structures and Associated Intake Structures

 

·NWP 12 – Oil or Natural Gas Pipeline Activities

 

·NWP 14 – Linear Transportation Projects

 

·NWP 18 – Minor Discharges

 

  152

 

 

South West Arkansas Project Pre-Feasibility Study 23 July 25

 

·NWP 39 – Commercial and Institutional Developments

 

·NWP 43 – Stormwater Management Facilities

 

·NWP 57 – Electric Utility Line and Telecommunications Activities

 

·NWP 58 – Utility Line Activities for Water and Other Substances

 

An individual permit is required for activities not eligible for nationwide permits or those the USACE deems in the public interest. An individual Section 404 permit may require a year for issuance by the USACE and like nationwide permits, will mandate compensatory mitigation for impacts to WOTUS. Once the Section 404 permitting process is initiated, the USACE will institute a review of threatened/endangered species and cultural resources that may be impacted by the SWA Project.

 

Construction of the SWA Project CPF, well field (supply and disposal), pipelines, roads, and utilities is considered a singular project by USACE when evaluating eligibility for nationwide or an individual Section 404 permit. A preliminary scientific survey of the proposed project site and desktop review of the brine supply and injection well system, and pipelines indicate a Section 404 permit most likely will be necessary due to the magnitude of WOTUS impacted exceeding the nationwide permit disturbance thresholds.

 

20.3.3Air Emissions Permitting

 

A single permit will be issued by ADEE-DEQ for construction and operation of the lithium extraction/processing facility. The permit must be in place prior to initiating construction, including preparation of foundations for any air emission source. The permit could take up to a year for approval depending on the level of pollutant emissions from the facility. The three levels of air permits available under the ADEE-DEQ air permitting program are directly tied to the annual total emissions of specific pollutants the plant will produce. Operational considerations to minimize potential emissions will be a factor in the CPF design phase, but systems such as closed-loop brine cooling to limit particulate emissions will be employed where practical. Initial calculations of likely annual emissions indicate the SWA Project should be permitted at the lowest permit tier. The lowest permit tier is a minor source permit and for the new facility will require approximately six to nine months for approval by ADEE-DEQ.

 

Design phase information will be utilized to determine the emissions rates for the minor source permit application. The calculations will take into consideration the production throughput, chemical reactions, and type of air emission controls used at the facility.

 

  153

 

 

South West Arkansas Project Pre-Feasibility Study 23 July 25

 

20.3.4Water Discharge Permitting

 

ADEQ-ADEE issues multiple NPDES permit variations for discharge of pollutants to surface waters depending on the activity associated with the permit request. The NPDES permits applicable to the SWA Project all may be categorized as general permits. These permits include:

 

·NPDES Construction General Permit (Stormwater) – The ADEE-DEQ, Office of Water Quality has issued a general permit for discharges of storm water runoff from construction (earthmoving) activities. General permits are developed for multiple facilities that have similar activities and limitations. The objective of permit ARR150000 is to eliminate or reduce the transport of sediments and construction-related contaminants from earthmoving and construction activities that disturb one acre or more area. As the Standard Lithium facility development will exceed five acres, a Storm Water Pollution Prevention Plan specific to the construction site must be prepared and submitted to ADEE-DEQ along with a Notice of Intent for coverage under the general NPDES permit. The Storm Water Pollution Prevention Plan includes management practices and physical controls to minimize sediment/contaminant transport off the construction area as a result of precipitation events. Once authorized, the permit is in effect until the disturbed area is stabilized after construction is completed. The current permit ARR150000 was effective November 1, 2021, and expires October 31, 2026.

 

·NPDES Operational General Permits (Stormwater, Non-contact Wastewater, and Sanitary Wastewater) – General permits have been issued by ADEE-DEQ for stormwater discharges from industrial operations and common industrial non-contact effluents such as boiler blowdown, cooling tower overflow, and steam condensate. Discharges of treated sanitary wastes less than 1,500 gallons per day are also authorized using a general permit.

 

oOperational Industrial Stormwater – Stormwater runoff discharges from certain industrial categories are regulated by the ADEE-DEQ Office of Water Quality in the NPDES program using a multi-sector general permit. The SWA Project lithium extraction and processing facility is included in Sector C: Chemicals and Allied Products. The industrial general permit ARR000000 for stormwater runoff discharges from industrial sites has requirements similar to the general permit for construction stormwater discharges (ARR150000) that emphasizes pollution prevention and best management practices. Likewise, a Stormwater Pollution Prevention Plan must be prepared specific to the operational site. Discharges of stormwater runoff from the area of industrial activity must be sampled and analyzed annually. ADEE-DEQ has established benchmark concentrations for various parameters based on the industrial category; those parameters are assessed and reported annually to ADEE-DEQ. The benchmark concentrations are established to alert facilities and the ADEE-DEQ of potential exposure to industrial materials or processes, and to provide the facility opportunity to implement new or amend existing management practices to reduce the parameter of concern.

 

  154

 

 

South West Arkansas Project Pre-Feasibility Study 23 July 25

 

oCooling Tower Blowdown, Boiler Blowdown, Steam Condensate – Certain non-process contact wastewaters are regulated by the ADEE-DEQ by NPDES General Permit ARG250000. The maximum allowable daily discharge for general permit eligibility is 0.5 million gallons per day. Preliminary information on wastes to be generated by the SWA Project include cooling tower and boiler blowdown totaling less than 0.5 million gallons per day, thus making those effluents subject to the ARG250000. The general permit ARG250000 includes numeric discharge concentration limits for Chemical Oxygen Demand, Total Suspended Solids, Oil and Grease, pH, and Temperature with monitoring frequency set at twice per month.

 

o

Sanitary Wastewater – Treated domestic (sanitary) wastewater is authorized for discharge by two potential permitting paths. The discharge of treated sanitary wastewater to a surface stream is regulated by the ADEE-DEQ and if the maximum daily discharge is less than 1,500 gallons per day, subject to NPDES General Permit ARG550000. Additionally, the treatment system used must be selected from an approved list developed by ADEE-DEQ. Permit ARG550000 includes discharge limitations for Biochemical Oxygen Demand (Five-Day), Total Suspended Solids, Dissolved Oxygen, Fecal Coliform Bacteria, and pH. Monitoring frequency is once per six months.

 

  Alternatively, if the sanitary wastewater is discharged subsurface using infiltration trenches based on a professional soil assessment and design, the system must be approved by the ADH. The ADH permit process is initiated by a professional soil classifier registered with ADH to design infiltration systems using data collected from the site of the proposed CPF. There are no monitoring or reporting requirements associated with a ADH-permitted subsurface discharge of treated sanitary wastes.

 

20.4Brine Supply/Disposal Well Permits

 

Authorization to drill and operate brine resource and/or injection wells is issued by the ADEE-AOGC. ADEE-AOGC has a Brine Production Regulatory Program that defines the requirements for establishing Brine Production Units that must be in place before an application to drill a supply or injection well is submitted by an operator or producer. Once a Brine Production Unit (or units) is created by ADEE-AOGC Commission Order and after a public hearing, drilling permit applications for new wells will be considered by the Agency. A petition to create a Brine Production Unit must include:

 

1.A description of the proposed brine production unit or brine expansion unit.

 

  155

 

 

South West Arkansas Project Pre-Feasibility Study 23 July 25

 

2.A statement of the plan of development and operation of the brine production unit or brine expansion unit.

 

3.All geological and engineering data necessary for the Oil and Gas Commission to be fully advised of the feasibility of the proposed plan.

 

4.A statement detailing all costs and expenses chargeable to the proposed brine production unit or a brine expansion unit and a statement of all credits due against costs and expenses.

 

5.A plat of each proposed brine production unit or brine expansion unit which indicates the tracts or parcels of land included in the plat and the location of each well then located within the proposed unit for the production of brine and the injection or disposal of effluent and the proposed location of each well that is proposed to be drilled for production and injection or disposal purposes.

 

6.A list of owners within the unit, including the brine, interest, and last known address of each such owner.

 

7.A statement that the petitioner has valid and subsisting leases or otherwise owns or controls the right to produce brine from not less than seventy-five percent (75%) of the entire area of the proposed brine production unit or brine expansion unit.

 

Note: The petitioner may not combine its leases or other rights to produce brine, relative to an adjacent brine production unit or brine expansion unit, with leases or other rights to produce brine necessary to achieve the seventy-five-percent lease requirement to form a separate brine production unit or brine expansion unit.

 

20.4.1Underground Injection Control (UIC) Permitting

 

There are two potential paths for management of waste (effluent) brine from the CPF. One is returning the brine to the Smackover Formation using UIC Class V injection wells. Class V injection wells are authorized by the ADEE-AOGC and do not require a lengthy permitting process as they have been used by bromine extraction operations in Arkansas for almost seventy years. Class V well authorizations do not expire until a well is permanently plugged and abandoned.

 

The Standard Lithium SWA Project will only utilize Class V injection wells for disposal of effluent brine at this stage of the project. Nevertheless, the other option for disposal of effluent brine is in UIC Class I Nonhazardous wells that inject the waste into subsurface formations other than the Smackover. Class I wells are strictly regulated under the Resource Conservation and Recovery Act (RCRA), and the Safe Drinking Water Act (SDWA) through permits issued by ADEE-DEQ. Class I permits are issued with ten-year terms and applications for renewal must be submitted prior to the expiration date. If the brine disposal scenario changes and a UIC Class I disposal permit is required, the time for ADEE-DEQ review and approval of a UIC Class I non-hazardous well permit application is approximately twelve to eighteen months.

 

  156

 

 

South West Arkansas Project Pre-Feasibility Study 23 July 25

 

ADEE-DEQ also requires a State No-Discharge Permit for above-ground equipment, tanks, pumps, pipelines, etc. connected to either UIC Class I or V injection well systems. This permit may require nine months to one year for issuance by ADEE-DEQ.

 

20.4.2Public Water Supply

 

The ADH issues approvals for Public Water Systems serving non-municipal potable water. The Standard Lithium SWA Project will require fresh water sources to support the lithium extraction process and provide potable water for personnel use. The most likely source of fresh water will be extracted from the underground Sparta Aquifer. Fresh water produced by the well(s) will be disinfected, stored, and distributed following ADH rules. Following submission of engineering design and construction plans and specifications that meet Department standards, the ADH will issue a Noncommunity Public Water System permit for the non-transient, non-municipal water system supplying potable water to the Standard Lithium facility.

 

20.4.3Resource Conservation Recovery Act

 

A Resource Conservation and Recovery Act (RCRA) Hazardous Waste Permit is required of any facility that performs treatment, storage (greater than ninety days), or disposal of waste meeting the criteria to be classified as hazardous. The SWA Project is not anticipated to conduct any of the activities requiring a RCRA permit authorization. Process wastes generated by the facility are not expected to meet the hazardous classification. Small quantities of universal wastes (batteries, pesticides, mercury-containing equipment, lamps, electronics, and aerosol cans) may be generated by the operation and maintenance of the site. Title 40 Code of Federal Regulations, Part 273 provides an alternative set of management standards for universal wastes in lieu of regulation as hazardous waste.

 

20.4.4Construction Permits, Approvals, and Plans

 

Engineering plans sufficient to allow calculation of probable emission levels will be requisite for preparation of the applications. The engineering details will be used in all permitting applications. Each permit will require its own permitting package and drawings. Depending on the permit and degree of complexity, the time necessary to complete the permit application package ranges from four to nine months and must be considered in addition to the permit processing time by the specific Agency when determining the overall permit timeline.

 

The regulatory actions and permits discussed have been identified as required or probable for construction and operation of the Standard Lithium SWA Project. Table 20-1 provides the anticipated schedule for obtaining the necessary authorizations for the facility once permit applications are submitted to the respective agencies.

 

  157

 

 

South West Arkansas Project Pre-Feasibility Study 23 July 25

 

Table 20-1. Applicable Permits and Schedule for SWA Project 

Agency Permitted Activity Expected Permit Issuance
Time
ADEE-DEQ Major Source Air Permit for Commercial Facility (CPF) 6-9 months
ADH Fresh Water Supply for Potable Water (CPF) 9 months
ADEE-DEQ NPDES General Permit for Construction Stormwater (CPF, Well Field, Pipelines) 1 month
ADEE-DEQ NPDES General Permit for Cooling Tower and Boiler Blowdown (CPF) 1 month
ADEE-DEQ (Alt to ADH Subsurface Disposal Permit) NPDES General Permit for Treated Sanitary Wastewater (CPF) 1 month
ADH (Alt to ADEE-DEQ General Permit) Sanitary Waste Subsurface Disposal System (CPF) 1 month
ADEE-DEQ NPDES General Permit for Storm Water Discharges from A Categorical Industry (CPF) 1 month
ADEE-DEQ State No-Discharge Permit to Construct/Operate Surface Facility for New Class V Injection Wells (CPF, Well Field) 9 months
ADEE-DEQ UIC Permit to Construct/Operate New Class I Nonhaz Injection Well(s) Not planned
ADEE-AOGC Construct Brine Supply and UIC Class V Disposal Wells (Well Field) 1 month after brine production unit approved
USACE Section 404 Permit for Impacts To WOTUS (CPF, Well Field, Pipelines, Roads, Utilities) 1 year

  

20.5Social Impact

 

A formal social impact study has not been completed for this project. It is likely that public meetings will be required as a part of the overall permitting process. The region around the proposed facility is predominantly agricultural or silvicultural land uses in a sparsely populated area of the state. There is an opportunity for a positive social impact on the surrounding communities. The community will benefit from the construction phase because the project will require skilled labor and many contractors to complete. The community will also benefit with the additional opportunities for a labor market skilled in similar operations once the facility has been constructed. Local businesses that supply goods and services to the SWA Project facility may also be uplifted by the influx of capital associated with construction and operation of the facility.

 

  158

 

 

South West Arkansas Project Pre-Feasibility Study 23 July 25

 

A preliminary review of the SWA Project footprint has been conducted to identify any potential cultural/archeological resources impact from the project. The review included all documented historical sites as well as the likelihood of incurring undocumented cultural locations within the project area. The findings did not identify any cataloged sites that will conflict with the SWA Project plan and expressed the potential for encountering cultural materials as low due to the soil classifications of the project area. However, one site considered eligible for listing on the National Register of Historic Places (Red River remnant of the AN/FPS-133 Air Force Space Surveillance System) is in the preliminary project area. The site was operational from 1961 until 2013. If an adverse impact is possible from construction of the SWA Project, avoidance or mitigative action at the eligible site will be required.

 

20.6Environmental Management and Closure Plan

 

Environmental Management Plans to guide compliance with the various regulatory programs and requirements will be developed following receipt of applicable construction and/or operating permits from the State agencies. The Plans will address the various aspects of the design, construction, commissioning, and operation phases of the project, identify the key environmental issues from the various project phases, and provide plans and actions that will be undertaken to manage them effectively.

 

A Closure Plan addresses how a project will be decommissioned with minimal need of further maintenance and minimal impact to the environment, as well as address any reclamation or rehabilitation effort that is required if a facility permanently ceases operation. A Closure Plan specific to the Class I UIC wells, if constructed will be submitted to and approved by the ADEE-DEQ through the permit application process. All other operations of the Standard Lithium SWA Project facility are not subject to any State or Federal formal Closure Plan requirement. Nevertheless, Standard Lithium will function in an environmentally responsible manner should operations cease in the future. Process feedstock, liquids in vessels, reagents, finished products, and ancillary materials will be removed to a proper use, recycling, or disposal facility. Solid residuals and non-hazardous solid wastes will be transported off-site to an appropriate permitted recycling or disposal facility. Small quantities of regulated hazardous wastes/universal wastes accumulated during the operation and site termination activities will be transported to an authorized facility.

 

  159

 

 

South West Arkansas Project Pre-Feasibility Study 23 July 25

 

21Capital and Operating Expenditure Costs

 

The capital expenditure (CAPEX) cost estimate and operating expenditure (OPEX) cost estimate were prepared under the general provisions for a Class 4 Estimate, as defined in the American Association of Cost Engineers (AACE) International Recommended Practice No. 18R-97 Cost Estimate Classification System as Applied in Engineering, Procurement, and Construction for The Process Industries. The AACE classification system uses a 1 to 5 scale, where a “Class 1 Estimate” is the most accurate and a “Class 5 Estimate” is the least accurate.

 

An AACE Class 4 estimate is used for project screening and determination of feasibility. The estimate is suitable for detailed strategic planning and business development, as well as analyzing project alternatives before proceeding to the next stage.

 

It is the QP’s view that the quantity and quality of engineering along with the level of quotes obtained for equipment results in a level of accuracy appropriate for a Pre-Feasibility Study. The estimate includes a 20% contingency.

 

21.1Capital Expenditure Estimate

 

21.1.1Basis of Estimate

 

The basis of estimate (BOE) for the base case development CAPEX is a work breakdown of the project’s individual components. These components and the basis for their specific areas are broken down and further described below.

 

21.1.2General

 

Project execution includes the construction of one (1) commercial scale production facility and the necessary brine production gathering and injection facilities.

 

·Design is for a facility that produces battery-quality lithium hydroxide product.

 

·Lithium hydroxide production by the facility is based on an average brine grade of 437 mg/L of lithium.

 

·Equipment size and related cost were developed based on an annual production rate of 30,000 metric tonnes of lithium hydroxide.

 

·Estimated costs are based on budget quotations from selected vendors and contractors, and current North American pricing from established cost databases.

 

21.1.3Brine Supply and Injection Well Fields

 

The following items are included in the brine supply and injection well field estimate.

 

·The brine gathering system consists of 5 supply well pad facilities that will be comprised (as a whole) of 2 vertical wells and 17 directional wells. An additional combined well facility will host two (2) directional supply wells along with injection wells.

 

  160

 

 

South West Arkansas Project Pre-Feasibility Study 23 July 25

 

·Effluent brine disposal system consists of 8 injection well pad facilities that will be comprised (as a whole) of 4 vertical wells and 16 directional wells. The combined well facility will host 2 directional injection wells.

 

·Capital cost estimates for the wells were completed in cooperation with an experienced drilling contractor. The drilling cost estimates are based on the updated brine supply and injection well field modeling and layout developed in accordance with methodology outlined in Section 16. Well pad locations and drilling methodologies were identified based on down hole location and proximity to group the wells as efficiently as possible. A “typical” drilling plan model was established and priced for the two drilling methods detailed below:

 

oVertical well

 

oDirectional well

 

·The well sites are expected to be drilled on a continuous schedule from start to finish. This is expected to accrue certain cost savings for reduced mobilization costs, overhead, etc. over the course of this effort. A “Drilling Efficiencies Factor” of 5% has been included in the well field cost for the variable (daily) drilling expenses to account for these anticipated cost savings.

 

·Cost estimates for the electrical submersible pumps (ESP) are based on an 800 horsepower, high flow rate pump. ESP sizing is based on historical pump sizing for similar wells in the region. The pump sizing and costs are subject to change depending on the requirements set forth in the final well field design. Further analysis should be conducted to better define the pump sizing requirements for the well field as the costs for these pumps vary significantly with size.

 

·Cost estimates associated with surface facilities equipment at each facility are based on historical pricing for installation and budgetary equipment costs in Aspen In-Plant Cost Estimator SoftwareTM, Version 12.

 

·Costs associated with the site preparation and auxiliary infrastructure to be installed at each well pad facility are based on budgetary contractor estimates.

 

·Indirect Costs for the well field developments are factored at 15% of Direct Costs to account for Owner’s Engineering and other miscellaneous costs.

 

21.1.4Brine Supply/Return and Sour Gas Pipeline Network

 

The following items are included in the brine supply, brine return and sour gas disposal pipeline estimate.

 

  161

 

 

South West Arkansas Project Pre-Feasibility Study 23 July 25

 

·Sour gas will be separated from the brine at the supply well facilities and delivered to the production facility in pipelines alongside the brine feedstock.

 

·Anticipated brine feedstock flow to the production facility is approximately 1,800 m3/hour (7,925 gpm).

 

·Pipeline cost estimates are based on material quotes received from suppliers – detailed below in Table 21-1 along with installation and land costs from previous projects.

 

·Survey and land costs were estimated based on budgetary pricing developed by HGA.

 

·Installation and environmental services were also based on budgetary pricing from local companies familiar with executing this type of work.

 

·Indirect cost estimates, such as those for engineering and inspection, are based on similar sized projects.

 

Table 21-1. Pipeline Material Summary 

Service Type Quantity
Brine Supply Pipelines Fiberglass 23.19 km (14.41 miles)
Effluent Brine (Injection) Pipelines Fiberglass 42.0 km (26.1 miles)
Sour Gas Pipelines HDPE 34.30 km (21.31 miles)
Total - 99.49 km (61.82 miles)

 

21.1.5Central Processing Facility

 

The basis of estimate for the Central Processing Facility (CPF) is as follows.

 

·The CPF includes the following processing units/areas:

 

oBrine receiving unit for degassing, solids removal, and storage of pre-treated brine prior to its introduction into DLE;

 

oSour gas receiving and disposal unit to receive sour gas from the brine supply well system and the degassing system in the brine receiving area. Sour gas is expected to be metered and delivered to a nearby Mission Creek sour gas gathering pipeline feeding the Mission Creek Dorcheat Gas Plant;

 

  162

 

 

South West Arkansas Project Pre-Feasibility Study 23 July 25

 

oDLE unit produces lithium chloride (LiCl) solution with significantly reduced impurities;

 

oPurification and concentration for removal of residual impurities and concentration of the LiCl suitable for electrolytic conversion;

 

oLithium hydroxide crystallization;

 

oPackaging unit to pack the dried lithium hydroxide product into 2,000 lb. supersacks in a nitrogen purged environment;

 

oShipping and receiving unit for the storage and truck loading of the finished lithium hydroxide, and

 

oUtilities equipment to provide medium pressure steam, water, cooling water, demineralized water, RO-filtered water, nitrogen, and compressed air for use in the process equipment and general plant needs.

 

·Lithium hydroxide unit produces 30,000 metric tpa;

 

·Annual production is based on approximately 91.3% availability per year (8,000 hours); and,

 

·Lang Factors were used as the primary method to estimate the cost for the inside boundary limit (ISBL) areas of the production facility. The Lang Factor is one of the factored estimating techniques recommended by AACE International for Class 4 and Class 5 estimates. This method uses a formula that contains a set of factors multiplied by the total equipment cost (TEC) to obtain the total plant cost (TPC).

 

oEquipment lists were prepared based on preliminary process flow diagrams (PFDs);

 

oThe equipment was priced based on formal budgetary pricing, informal vendor pricing, and historical pricing for the major pieces of equipment at the facility; and,

 

oAACE percentage factors were then applied to equipment costs to estimate installation and indirect costs. Much of the equipment will either be packaged or require very little auxiliary equipment support. The AACE factors have been refined accordingly to reflect the level of pre-fabrication and modularization associated with each major equipment item.

 

21.1.6CAPEX Summary

 

The total capital cost for the project is detailed below in Table 21-2 and a breakdown of the CAPEX costs by area (not including freight or contingency) is shown in Figure 21-1.

 

  163

 

 

South West Arkansas Project Pre-Feasibility Study 23 July 25

 

Table 21-2. SWA Project Capital Expenditure Cost Estimate

Description Equipment Cost
US$
Factored Cost
US$
Well Field Included $236,751,000
Pipelines Included $67,601,000
Brine Receiving/Pre-Treatment  $44,783,522 $166,627,000
Direct Lithium Extraction Unit  $55,606,237 $139,123,000
Purification & Concentration  $66,020,375 $153,645,000
Lithium Hydroxide Unit  $72,007,009 $158,354,000
Chemical Storage, Handling, & Utilities  $30,052,094 $124,229,000
Plant Buildings Included $8,604,000
Freight Included $8,054,000
Contingency (20%) Included $210,987,000
Total Factored Cost $1,273,975,126

 

  164

 

 

South West Arkansas Project Pre-Feasibility Study 23 July 25

 

Figure 21-1. CAPEX Breakdown 

A pie chart with different colored circles

Description automatically generated

 

Note: $1.05B total does not include freight and contingency.

 

21.1.7Sustaining Capital

 

Major equipment refurbishment and replacement is categorized as sustaining capital. The total sustaining capital cost for the 20-year project life is $248,721,000. These items are detailed below in Table 21-3.

 

  165

 

 

South West Arkansas Project Pre-Feasibility Study 23 July 25

 

Table 21-3. Sustaining Capital 
Description Replacement/Refurbishment
Cost (US$)
Frequency
(years)
LSS Media  $13,500,000 3
Calcium/Magnesium Resin $1,648,000 3
Boron IX Resin  $3,705,000 3
ESP Workover Cost  $630,000 2
ESP Replacement Cost  $9,122,400 4
Filter Membrane  $3,570,000 3
Electrolysis Unit (Anode & Membrane Service)  $7,460,000 3
Reverse Osmosis Membranes  $667,500 1
Sour Gas Compressor Overhaul  $1,080,000 6

 

21.1.8Land Costs

 

21.1.8.1Well Facilities and Central Processing Plant

 

The brine supply and injection well facilities will require approximately 320 acres of surface area for the facility arrangements detailed in Sections 18.1.1 and 18.3.1.

 

The CPF is proposed to be located on a 120-acre property described in Section 18.2. These costs have been included in the assessment based on an assumed purchase price of US$5,000 per acre plus 20% for property acquisition related fees (US$6,000 /Acre) as described below in Table 21-4.

 

  166

 

 

South West Arkansas Project Pre-Feasibility Study 23 July 25

 

Table 21-4. Well Facilities and Central Processing Plant Land Costs 

Description Quantity Unit Units Cost
US$
Total Cost
US$
Supply Well Facilities (6 @ 16.73 Acres Each, including Combined Well Facility) 100.38 Acres $6,000 $602,124
Injection Well Facilities (8 @ 12.63 Acres Each) 101.04 Acres $6,000 $606,446
Central Processing Facility 120.00 Acres $6,000 $720,000
Total 321.42 Acres - $1,928,570

 

21.1.8.2Pipeline Right-of-Way

 

Approximately 38 km (31.2 miles) of Right-of-Way (ROW) will be required for the pipelines detailed in Sections 18.1.1.6, 18.2.6, and 18.3.2. It is assumed that the ROW’s will be purchased between years 2 and 3 of the project, after preliminary engineering and property negotiations are complete. The assessment includes an average cost of $189,819 per km ($118,637 per mile) of ROW which includes the ROW and labor/acquisition related costs for a total cost of $3,701,000.

 

21.2Operating Expenditure Estimate

 

21.2.1Basis of Estimate (BOE)

 

The BOE for the OPEX of the SWA Project is a breakdown of the project’s individual operating expenditures. The operating costs presented herein are for 30,000 metric tpa lithium hydroxide production over the 20-year life of the SWA Project.

 

21.2.2Direct Operational Expenditures

 

The following cost elements have been taken into account for the direct OPEX estimation.

 

21.2.2.1Manpower

 

Labor manning levels are based on experience and reported data from facilities operating in the region. A cost summary of manpower in all categories is provided below in Table 21-5.

 

  167

 

 

South West Arkansas Project Pre-Feasibility Study 23 July 25

 

Table 21-5. Manpower Cost Summary 

Category

Full Time

Employees (FTE)

Average Annual
Salary US$
Total Annual
Cost US$
Management Personnel 6 $141,667 $850,000
Administration Personnel 3 $56,667 $170,000
Security Personnel 4 $55,000 $220,000
Production Personnel 40 $75,500 $3,473,000
Shipping & Receiving Personnel 6 $50,000 $300,000
Maintenance Personnel 26 $76,154 $2,277,000
QC & Lab Personnel 6 $64,167 $385,000
Total 91 $84,431 $7,675,000

 

Salary and wage estimates are based on published data for various trades prevailing in the City of El Dorado, Arkansas. El Dorado is a similar population center to Magnolia with comparable industry. A 15% overtime allowance was applied to production and maintenance personnel. Manpower overheads (benefits) are included in the OPEX summary as 45% of manpower costs.

 

21.2.2.2Electrical Power

 

Electrical energy will be delivered to the sites from the Southwest Arkansas Electric Cooperative power grid. The electrical costs were provided by Southwest Arkansas Electric Cooperative based on the estimated electric consumption and capital costs. These costs are combined into an all-in rate estimate for years 1-5 and years 6-20 following capital recovery. The electrical energy cost is summarized below in Table 21-6.

 

  168

 

 

South West Arkansas Project Pre-Feasibility Study 23 July 25

 

Table 21-6. Annual Electrical Use and Cost 

Description Quantity (kWh)

Unit Cost

(US$/kWh)

Average Annual
Cost US$[1]
Years 1-5      
Well Field 126,205,328 $0.106 $13,406,893
Central Processing Facility 306,456,000 $0.106 $32,555,066
Annual Total (Years 1-5)     $45,961,959
Years 6-20      
Well Field 126,205,328 $0.084 $10,595,467
Central Processing Facility 306,456,000 $0.084 $25,728,268
Annual Total (Years 6-20)     $36,323,736

 

Note: 1. Annual consumption and cost figures are based on an average annual lithium hydroxide production rate of 30,000 tonnes.

 

The largest consumer of electrical power at the Central Processing Facility is the Electrolysis Plant, accounting for 57% of the CPF consumption at a cost of US$14,775,939/year (capital recovery costs excluded).

 

21.2.2.3Reagents and Consumables

 

Reagents and consumables are the various additions required for the production process of lithium hydroxide.

 

Quantities for each item are estimated based on preliminary process flow calculations for the plant. The costs for the reagents and chemicals are based on pricing received from local suppliers as shown below in Table 21-7.

 

  169

 

 

South West Arkansas Project Pre-Feasibility Study 23 July 25

 

Table 21-7. Average Annual Reagents Cost For 30,000 Tonnes Lithium Hydroxide Per Year Production

Description Average Annual
Consumption
Unit Cost US$ Average Annual
Cost US$[1]
Well Field      
Scale Inhibitors 11.9 m3 $12,728 / m3 $152,000
Corrosion Inhibitors 7.35 m3 $19,905 / m3 $146,000
Subtotal - - $298,000
Central Processing Facility      
Sodium Hydroxide – 50% 37,693 tonnes $542 / tonne $20,442,000
Hydrochloric Acid – 32% 1,893 tonnes $221 / tonne $419,000
Soda Ash 23,225 tonnes $485 / tonne $11,265,000
Sodium Metabisulfite 2,156 tonnes $860 / tonne $1,854,000
Lime 418 tonnes $170 / tonne $71,000
Nitrogen 2,015 tonnes $189 / tonne $382,000
Subtotal - - $34,432,000
Grand Total - - $34,730, 000

 

Note: 1. Annual consumption and cost figures are based on an annual lithium hydroxide production rate of 30,000 tonnes.

 

21.2.2.4Water

 

Water wells will be installed at each of the well facilities and CPF. Operating costs for the wells are included in the electrical power and maintenance, and servicing portions of this OPEX breakdown.

 

21.2.2.5Natural Gas

 

Natural gas will be required as fuel gas for the 17,640 W (1,800 boiler hp) boiler at the CPF, as detailed below in Table 21-8.

 

  170

 

 

South West Arkansas Project Pre-Feasibility Study 23 July 25

 

Table 21-8. Natural Gas Use 

Description Average Annual Consumption Unit Cost US$ Average Annual
Cost US$
Natural Gas Consumption 36,500 MMbtu $4.25 / MMbtu $155,125
Minimum Demand Charge all years 1,095,000 MMbtu $0.2441 / MMbtu $267,290
Interconnection CAPEX (5 year recovery) $367,000 $73,400
Grand Total (Years 1-5) - - $495,815
Grand Total (Years 6-20) - - $422,415

 

Note: Annual consumption and cost figures are based on an annual lithium hydroxide production rate of 30,000 tonnes.

 

The estimated cost of natural gas includes the requirement for transportation infrastructure to serve the CPF location. The infrastructure costs will be paid back over the first 5 years. The unit cost rate of natural gas used is provided by a potential gas supplier. The minimum demand charge is greater than the actual demand but has been set to ensure preferential supply. No credit is provided for any natural gas that may be co-produced with the brine.

 

21.2.2.6Maintenance and Servicing

 

Routine maintenance and servicing activities are required for efficient operation of the well field, pipelines, and central processing facility. Estimated maintenance costs are provided below in Table 21-9.

 

  171

 

 

South West Arkansas Project Pre-Feasibility Study 23 July 25

 

Table 21-9. Maintenance & Servicing Costs 

Description Basis / Frequency

Average Annual

Cost US$

Well Field Surface Equipment/Site Servicing 3% Direct Cost Less Drilling & Equipment Costs $1,068,000
Pipelines ROW 3% of Direct Cost $2,028,000
Central Processing Facility Equipment 4% Equipment Costs $10,739,000
Central Processing Facility Infrastructure 3% of Direct Costs $258,000
Total - $14,093,000

 

The estimated cost for the well field maintenance and servicing activities is based on historical pricing and factors used on similar well facilities in south Arkansas. Routine maintenance activities for the pipeline Right-of-Way (ROW) do not include major pipeline overhauls or repairs as the service life for the pipelines are expected to be greater than the service life of the project. A 4% factor was used to estimate the maintenance and servicing costs for equipment at the CPF. A 3% factor was used to estimate the general maintenance costs associated with the site/infrastructure upkeep at the facility.

 

21.2.2.7Product Transport

 

All reagent pricing includes transportation to site. The lithium hydroxide cost in the model is considered over the fence pricing, with all freight and other costs to be borne by the purchaser.

 

21.2.2.8Solids Disposal

 

Solids disposal costs are shown below in Table 21-10. It is assumed that two pump-outs will be required annually to remove the solids from the three-phase separators on each of the supply wells. The cost per pump out is based on historical pricing for a pump truck. Disposal will also be required for pre-treatment solids and softening sludge produced at the CPF. This pricing is based on the expected solids production rate and an estimated cost provided by a solid waste handling and disposal company. Given the CPF solids quantity and associated disposal cost, it is recommended that process optimization work be completed as part of the DFS phase to significantly reduce or eliminate CPF solid waste generation.

 

  172

 

 

South West Arkansas Project Pre-Feasibility Study 23 July 25

 

Table 21-10. Solids Disposal 

Process Area Qty. Unit Cost US$ Total Annual Cost US$
Brine Supply Well Separators 42 / year (2 pump outs per year for 21 separators) $1,750.00 $73,500.00
CPF Solids Disposal 4,329 /year $3,764.14 $16,294,962
Grand Total - - $16,368,462

 

21.2.2.2Miscellaneous Costs

 

Miscellaneous operating costs include costs that are anticipated but cannot be accurately estimated at this stage of the project. These costs are estimated at 1.5% of the other direct costs or $1,696,000.

 

21.2.3Indirect Operational Expenditures

 

The following indirect cost elements are included for the OPEX estimation.

 

21.2.3.1Insurance

 

Insurance during the operation phase will cover property, general liability, and the risk of business interruption. The annual insurance premium has been estimated at 0.5% of direct CAPEX or $4,190,000.

 

21.2.3.2Sales, Marketing, and Customers Relations

 

The annual cost of sales, marketing, and customer relations is estimated at 0.15% of direct OPEX or $172,145.

 

21.2.3.3Taxes

 

Federal, state, and county taxes have been considered and are included in the economic model.

 

21.2.3.4Environmental Monitoring

 

Environmental monitoring contains the annual cost of environmental assessment and monitoring including air emissions, water discharges, waste disposal, noise emission, and changes to the environment. The annual cost for environmental monitoring is estimated at 0.5% of direct OPEX or $573,816.

 

  173

 

 

South West Arkansas Project Pre-Feasibility Study 23 July 25

 

21.2.3.5Mine Closure Fund

 

Each well will need to be plugged and capped at the end of operations. A $35,000 allowance has been included for each brine supply and injection well to cover the cost to plug and cap the wells. These costs will be incurred as a one-time cost at the end of operations. A surety bond will be secured prior to operation of the plant to provide the necessary assurances that the mine closure funds will be available at or prior to the conclusion of operations of the facilities. The surety bond principal is assumed to be a one-time 3% fee of the total closure fund amount payable on the 1st year of operations of the plant.

 

21.2.4Mineral Rights, Royalties and Land Fees

 

The following cost elements are taken into account for the mineral rights, royalties and land costs.

 

21.2.4.1Mineral Rights & Royalty Fees

 

As detailed in Section 4, Standard Lithium have executed an option agreement with TETRA Technologies Inc. (TETRA) to acquire the rights to conduct exploration, production, and lithium extraction activities on brine leases in southern Arkansas, USA. Standard Lithium maintain the option agreement through a series of annual payments that will switch to royalty payments due when production commences. The terms of this agreement are summarized in Table 21-11, and the payments and royalties have been included in the project economic modeling.

 

  174

 

 

South West Arkansas Project Pre-Feasibility Study 23 July 25

 

Table 21-11. TETRA Brine Lease Agreement Summary 

Description Total Amount
US$
Remarks
Initial Payment $500,000 Paid Prior to Year 1 (2021) of Project.
-      30 Day Payment after Agreement $500,000
-      Payment 1 Year after Agreement $600,000
-      Payment 2 Years after Agreement $700,000
-      Payment 3 Years after Agreement $750,000
-      Annual Payments Starting 4 Years after Agreement through 10 Years After Agreement $1,000,000 Years 4 & 5 Paid
Royalties    
-      Initial US$1M Annual Payments $4,000,000 During Project Development & Startup
-      Royalties – 2.5% of Gross Revenue $21,160,714 Average Annual Payments
$444,375,000 Total Amount Paid for Life of Plant

 

21.2.5OPEX Summary

 

The annual operating cost summary is given in Table 21-12 and a breakdown of the OPEX costs by area is shown in Figure 21-2.

 

  175

 

 

South West Arkansas Project Pre-Feasibility Study 23 July 25

 

Table 21-12. Annual OPEX Summary 

Description Total Average Annual Cost
US$
Total Average Cost
US$ per Tonne Lithium
Hydroxide
Direct Operational Expenditures    
-      Manpower  $11,130,000  $371
-      Electrical Power  $38,730,000  $1,291
-      Reagents & Consumables  $34,730,000  $1,158
-      Natural Gas  $440,000  $15
-      Maintenance  $14,090,000  $470
-      Solids Disposal  $16,370,000  $546
-      Miscellaneous Costs  $1,700,000  $57
Subtotal  $117,190,000  $3,906
Indirect Operational Expenditures    
-      Insurance  $4,190,000  $140
-      Sales, Marketing & Customers Relations  $172,000  $6
-      Environmental Monitoring  $574,000  $19
-      Well Closure Fund  $80,000  $3
Subtotal  $5,010,000  $167
Total  $122,202,000  $4,073

 

Note: LSS technology licensing fees have not been identified as an OPEX cost as these are expected to be paid as a one-off, up-front payment and are considered to be included in the factored CAPEX costs.

 

  176

 

 

South West Arkansas Project Pre-Feasibility Study 23 July 25

 

Figure 21-2. OPEX Breakdown 

A pie chart with different colored circles

Description automatically generated

 

21.2.6All-In Operating Costs

 

In order to provide an indication of the expected day-to-day costs to allow continuous, reliable operation of the Project facilities, a nominal “all-in” Operating Cost has been defined. This all-in operating cost includes the OPEX costs presented above, the sustaining capital costs and the royalties payable to TETRA. The “all-in” Operating Cost has been calculated to be $5,229/tonne of LiOH produced over the life of the facility.

 

Note that sustaining capital is variable and the electrical and natural gas costs over the first five years include the cost of capital recovery, therefore this cost represents an annual average over the lifespan of the project.

 

21.3Exclusions

 

In order to limit unreasonable distortions to the base case Discounted Cash Flow (DCF) model, this estimate does not include allowances for escalation of equipment, materials, and labor costs. Similarly, no allowances have been made for product or reagent price inflation and revenue escalation. In addition, the following are excluded from the current CAPEX and OPEX estimates during the PFS phase but should be considered during more detailed future phases.

 

·Feasibility study fees

·Sunk and legal costs

·Interest and financing costs

 

  177

 

 

South West Arkansas Project Pre-Feasibility Study 23 July 25

 

·Start-up costs beyond those specifically included in the current estimate.

 

21.4Upside Production Analysis

 

As identified in Section 14, the assessment of the resource using the lease area data collected as part of the PFS exploration program resulted in a 52% increase in the resource. This in turn resulted in the identification of a potential upside production case of 35,000 tonnes/year for 20 years as noted in Section 16. This section outlines the methodologies applied to support an independent economic analysis of this scenario.

 

CAPEX costs are scaled based on a capacity factored estimated considering the increased production. The estimated upside case CAPEX estimate is $1,360 million.

 

Operating costs were evaluated in two categories, fixed and variable. Manpower was assumed to be a fixed cost based on the incremental sizing of the facility. Variable costs including reagents, consumables and electrical usage were scaled linearly for the increased consumption. Other costs including maintenance and miscellaneous costs were automatically adjusted as a percentage of the increased CAPEX as described above. The resulting average annual OPEX cost was determined to be $3,964/tonne.

 

Inclusive of royalties and sustaining capital, the all-in operating cost is $5,060/tonne.

 

Note that the $/tonne costs are lower for increased production due to the impact of the fixed OPEX costs.

 

  178

 

 

South West Arkansas Project Pre-Feasibility Study 23 July 25

 

22Economic Analysis

 

The objective of the economic analysis for this Project is to determine if the Project is financially viable. The analysis was prepared using a discounted cash flow economic model, showing both pre- and post-tax results, to evaluate the project. Capital (CAPEX) and Operational (OPEX) Expenditures presented in Section 21 have been used in this analysis. The model includes all taxes, government, and lease royalties/payments. It does not include future lease-fees-in-lieu-of-royalties which are still to be determined and subject to regulatory approval for lithium extraction. The results include Net Present Value (NPV) for an 8% discount rate, Internal Rate of Return (IRR), and sensitivity analysis of key inputs.

 

This section presents a comprehensive breakdown of the discounted cash flow model for the proposed SWA Project development.

 

22.1Evaluation Criteria

 

The following criteria have been used to develop the economic model:

 

·CAPEX: Capital investment for the 30,000 tpa of battery-quality lithium hydroxide, including equipment, materials, indirect costs, and contingencies at 20%, is estimated to be US$1,274 Million. This total excludes interest expenses. Additionally, property fees (for Well Facilities, Production Facility, and TETRA Royalties) have been considered in the cash flow model, resulting in an overall CAPEX of US$1,279 Million.

 

·OPEX: The yearly operating cost for the Project is estimated at around US$122 Million (no royalties considered in this number). The full breakdown of the OPEX costs are provided in Section 21. 83% of the OPEX costs are derived from the four (4) cost categories as shown below.

 

oElectrical Power – 30%

 

oReagents & Consumables – 28%

 

oSolid Disposal – 13%

 

oMaintenance – 12%

 

The remaining components of the operating costs have a significantly lower impact on the overall economics.

 

·Escalation: In order to limit unreasonable distortions to the base case DCF model, this estimate does not include allowances for escalation of equipment, materials, and labor costs. Similarly, no allowances have been made for product or reagent price inflation and revenue escalation.

 

·Cash Flow: Cash flow includes a ramp-up phase (75% of production for the first 12 months of production) at 85% of OPEX.

 

  179

 

 

South West Arkansas Project Pre-Feasibility Study 23 July 25

 

·Early Detailed Engineering: Early engineering and permitting will commence in 2024.

 

·Engineering, Procurement & Construction: Total engineering and construction time of the project is estimated at 27 months to completion for both the well field and the CPF.

 

·Operating Life: The plant is expected to operate for a period of no less than 20 years from the start of production.

 

·Commodity Pricing: Pricing for battery-quality lithium hydroxide is as per the conclusions in Section 19 Market Studies and Contracts assumed at a price of US$30,000/tonne flat over the operating life of the project.

 

·Discounted Cash Flow (DCF): The DCF model has been based on an 8% discount ratio.

 

·Equity Basis: It has been assumed that 100% of capital expenditures, including pre-production expenses, are financed with Owners’ equity for the purposes of the project DCF evaluation.

 

·Pre-Construction Expenses: Pre-construction expenses other than land purchase are treated as sunk costs and not included in the DCF analysis.

 

22.2Taxes & Royalties

 

The following royalties and taxes have been applied to the economic analysis of the Project.

 

22.2.1Royalties and Lease Fees

 

Yearly Lease Royalty payments of 2.5% of Gross Revenue are considered, which accumulates to Royalty payments of US$444 Million over the 20 years of Operating Life. Additional property fees, well facilities, production facility, and mineral lease fee accumulate to US$5.9 Million.

 

22.2.2Depreciation

 

A yearly depreciation of 5% (facility evenly depreciated over 20 years of Operating Life) is used for this analysis.

 

Sustaining capital items are depreciated over the life span of the specific capital item.

 

22.2.3Corporate Taxes

 

The US Federal Corporate Income Tax (CIT) rate of 21%, and the State Arkansas CIT rate of 5.1%, are used for this analysis.

 

22.2.4Property Tax

 

For the Property Tax calculation, the “Assessed Value” of the Development Capital Expenditure is calculated as 80% of TIC (CAPEX incl. Property Fees). The Property Taxes are then calculated as 20% of the “Assessed Value” times the Property Tax rate of 4.18%.

 

  180

 

 

South West Arkansas Project Pre-Feasibility Study 23 July 25

 

22.2.5Federal Funding and Tax Benefits

 

The DCF analysis does not include any allowances for Federal funding for battery critical minerals projects or associated tax benefits. This will be reviewed during the Feasibility Study Phase of the project.

 

22.3CAPEX Spend Schedule

 

The economic model assumes that capital investment disbursements inclusive of the early engineering activities will be spread over 33 months.

 

Full production of lithium hydroxide (30,000 tpa) will be achieved after a 12-month ramp-up period (ramp-up period assumes 75% of production, 85% of variable OPEX).

 

22.4Production Revenues

 

Production revenues have been estimated based on the price scenario for a lithium hydroxide product ($30,000 flat over project lifetime), as identified in Section 19 Market Studies and Contracts.

 

22.5Cash-Flow Projection

 

Table 22-1 summarizes the Discounted Cash Flow (DCF) for the assumed Base Case (Case 1) price and production level scenario.

 

  181

 

 

South West Arkansas Project Pre-Feasibility Study 23 July 25

 

Table 22-1. Annual Operating Cost Summary 

 

  182

 

 

South West Arkansas Project Pre-Feasibility Study 23 July 25

 

22.6Economic Evaluation Results

 

The Project economics resulting from the assumed price scenario at full production, which was used in the economic model, are presented in Table 22-2. Values of NPV were also calculated for a discount rate of 8%.

 

Table 22-2. Economic Evaluation – Case 1 (Base Case) Summary 

Overview Units Values
Production Tonnes / Year 30,000
Plant Operation Years 20
Capital Cost (CAPEX) US$ 1,273,975,000
Annual Operating Cost (OPEX) US$ 122,202,000
Selling Price US$ / Tonne 30,000
Annual Revenue at full production US$ 900,000,000
Discount Rate % 8
Net Present Value (NPV) Post-Tax US$ 3,089,299,000
Net Present Value (NPV) Pre-Tax US$ 4,472,449,000
Internal Rate of Return (IRR) Post-Tax % 32.8
Internal Rate of Return (IRR) Pre-Tax % 41.3
Payback period Years 4

 

Notes:

 

1.In order to limit unreasonable distortions to the base case DCF model, this estimate does not include allowances for escalation of equipment, materials, and labor costs. Similarly, no allowances have been made for product or reagent price inflation and revenue escalation.

 

2.The economic analysis does not include future lease-fees-in-lieu-of-royalties which are still to be determined and subject to regulatory approval for lithium extraction.

 

3.Lithium hydroxide pricing is considered to be ex-works with the buyer taking responsibility for transport.

 

  183

 

 

South West Arkansas Project Pre-Feasibility Study 23 July 25

 

22.7Sensitivity Analysis

 

A sensitivity analysis methodology, using one-factor-at-a-time (OAT), involves changing one input variable, keeping others at their baseline (nominal) values, and then returning the variable to its nominal value. This is repeated for each of the other inputs in the same way.

 

OAT sensitivity analysis was conducted to illustrate the impact of changes on the corresponding values of NPV and IRR for the following project key variables;

 

·CAPEX (+/- 20%),

 

·OPEX (+/- 20%),

 

·Selling Price (+/- 20%),

 

·Production (+/- 5,000 tonnes per annum)

 

The results of the sensitivity analysis, with NPVs at an 8% discount rate, are presented in Table 22-3, and Figure 22-1 and Figure 22-2.

 

Sensitivity of NPV and IRR to the product selling price increase and decrease by 20%, OPEX increase and decrease by 20%, CAPEX increase and decrease by 20%, and production output increase and decrease by 5,000 tonnes/year is shown in Table 22-3. For the Sensitivity of the CAPEX Variation, the OPEX has been kept at the baseline (nominal) value.

 

  184

 

 

 

South West Arkansas Project Pre-Feasibility Study 23 July 25

 

Table 22-3. Sensitivity Analysis 

  After-Tax NPV (US$
millions)
After-Tax IRR (%)
Base Case $3,089 32.8%
-20% Lithium Hydroxide Price $2,121 26.3%
+20% Lithium Hydroxide Price $4,058 38.9%
+20% Operating Costs $2,950 31.9%
-20% Operating Costs $3,229 33.7%
+20% Capital Costs $2,892 28.3%
-20% Capital Costs $3,287 39.1%
-5,000 tonnes/year production $2,282 27.4%
+5,000 tonnes/year production $3,897 37.9%

 

Tornado charts were created to show the sensitivity of NPV and IRR to changes in the key variables. Sensitivity of Post-Tax NPV at 8% discount rate to the changes in the CAPEX, OPEX, Selling Price, and Production output is illustrated in the tornado chart in Figure 22-1.

 

185 

 

 

South West Arkansas Project Pre-Feasibility Study 23 July 25

 

Figure 22-1. NPV Post Tax Sensitivity 

A graph of a graph of a graph

Description automatically generated with medium confidence

 

Sensitivity of Post-Tax IRR to the changes in the CAPEX, OPEX, Selling Price, and Production is illustrated in Figure 22-2.

 

Figure 22-2. IRR Post-Tax Sensitivity 

A graph of a graph with red and green rectangles

Description automatically generated

 

186 

 

 

South West Arkansas Project Pre-Feasibility Study 23 July 25

 

22.8Sensitivity Analysis Conclusions

 

The sensitivity analysis of the project indicates that the economics remain robust even under the downside scenarios of a 20% increased CAPEX, a 20% reduced product selling price, a 5,000 tpa reduced production output, or a 20% increased OPEX.

 

22.9Upside Production Scenario

 

As identified in Section 16 the exploration program and resource evaluation undertaken during the PFS phase have confirmed the capacity of the resource to support a project producing 30,000 tpa lithium hydroxide. In addition, it was noted that due to the higher lithium grades detected during the PFS sampling program, the resource could be expected to produce up to 35,000 tpa. The potential impact of this was assessed by factoring the CAPEX based on plant capacity and linearly increasing reagent, power and natural gas demands as per the methodology outlined in Section 21.4.

 

This evaluation varies from the sensitivity analysis presented above in that rather than being a one-factor-at-a-time approach, this is more representative of a true project execution for increased production.

 

22.9.1Deviation of Alternative Upside Scenario from Base Case

 

CAPEX: The CAPEX estimate to account for an increase in production from 30,000 tonnes lithium hydroxide to 35,000 tonnes is US$1,360 million.

 

OPEX: The yearly operating cost for the Project is estimated at around US$139 Million. This figure includes Plant Manpower (including Overheads), Electrical Power, Reagents and Consumables, Natural Gas, Maintenance, Solids Disposal, Miscellaneous Costs, Insurance, Sales and Customers Relations, Plant Optimizations and Development, Environmental Monitoring, Natural Gas Interconnection Cost, Electrical Infrastructure Cost, and Mine Closure Fund. Royalties exclusive of lease-fees-in-lieu-of-royalties are included and have been adjusted in line with plant production increases.

 

The results of the economic evaluation of the upside production case are shown in Table 22-4. All other Evaluation Criteria are maintained as described under Paragraph 22.1.

 

187 

 

 

South West Arkansas Project Pre-Feasibility Study 23 July 25

 

Table 22-4. Economic Evaluation – Case 2 (Alternative Upside Scenario) Summary 

Overview Units Values
Production Tonnes / Year 35,000
Plant Operation Years 20
Capital Cost (CAPEX) US$ 1,360,426,585
Annual Operating Cost (OPEX) US$ 138,756,440
Selling Price US$ / Tonne 30,000
Annual Revenue at full production US$ 1,050,000,000
Discount Rate % 8
Net Present Value (NPV) Post-Tax US$ 3,735,499,000
Net Present Value (NPV) Pre-Tax US$ 5,366,652,000
Internal Rate of Return (IRR) Post-Tax % 35.4
Internal Rate of Return (IRR) Pre-Tax % 44.4
Payback period Years 4

 

Notes:

 

1.In order to limit unreasonable distortions to the base case DCF model, this estimate does not include allowances for escalation of equipment, materials, and labor costs. Similarly, no allowances have been made for product or reagent price inflation and revenue escalation.

 

2.The economic analysis does not include future lease-fees-in-lieu-of-royalties which are still to be determined and subject to regulatory approval for lithium extraction.

 

3.Lithium hydroxide pricing is considered to be ex-works with the buyer taking responsibility for transport.

 

188 

 

 

South West Arkansas Project Pre-Feasibility Study 23 July 25

 

23Adjacent Properties

 

Several companies have significant stake-holdings to the North, South and East of the SWA Property as illustrated below in Figure 23-1 and further discussed in the sections that follow.

 

Figure 23-1. Arkansas Regional Activity 

A map of a large area

AI-generated content may be incorrect.

 

The authors have not verified the information associated with adjacent properties, and the information associated with these adjacent properties may not be indicative of mineralization that may exist on, or the potential for similar development at, the SWA Project.

 

Albemarle Corporation

 

Albemarle Corporation is one of the largest producers of bromine and lithium related resources / products world-wide with bromine operations in Arkansas (U.S.) and Jordan and lithium operations in Chile, Australia, Germany and Clayton Valley, Nevada (U.S.). Albemarle exclusively operates using conventional lithium extraction technologies at their commercial facilities but have invested significant resources into DLE research. To QP’s knowledge, no lithium has been commercially produced to date by Albemarle at either of their facilities in South Arkansas.

 

189 

 

 

South West Arkansas Project Pre-Feasibility Study 23 July 25

 

Albemarle Corporation operates two (2) brine-based bromine extraction plants near Magnolia, AR. Albemarle's Magnolia North and South plants are fed by a network of brine production wells in Columbia County. During 2021, Albemarle Corporation processed approximately 20 million cubic meters (125. million U.S. Barrels) of brine to produce approximately 74,000 tons of bromine at its Magnolia facilities (Albemarle Corporation, 2021). In 2021, Albemarle announced the company will double capacity for brine extraction by 2025. The well field that supports Albemarle’s Magnolia operations directly abuts sections of the SWA Property on the northern and eastern boundaries.

 

Saltwerx (Subsidiary to Galvanic, LLC)

 

Saltwerx, LLC (Subsidiary to Galvanic Energy) has ownership of 120,000 gross acres of resource claims in the Smackover Formation. Saltwerx has completed well testing, reservoir modeling, and inferred mineral resource estimations on their lithium-brine prospect in southern Arkansas. They estimate that this acreage could contain 4 million tons of lithium carbonate equivalent (Saltwerx, 2021). The property is located directly south of the TETRA Property.

 

TETRA Technologies

 

In September 2022, TETRA completed a maiden inferred bromine and lithium brine resource estimation report for its leased acreage in the Smackover Formation. The brine resource underlying the approximately 5,000 gross acres where TETRA holds lithium mineral rights that are not subject to the lithium option agreement with Standard Lithium is estimated to contain an inferred resource of 212,000 tonnes of lithium carbonate equivalent (Tetra, 2022). In June 2023, TETRA filed an application to establish a unitized brine unit on this property and indicated an increase in the acreage to approximately 6,000 acres (Tetra, 2023). No further information was published on an increase to the inferred resource estimate.

 

190 

 

 

South West Arkansas Project Pre-Feasibility Study 23 July 25

 

24Other Relevant Data and Information

 

Not used.

 

191 

 

 

South West Arkansas Project Pre-Feasibility Study 23 July 25

 

25Interpretations and Conclusions

 

25.1Exploration Work

 

Standard Lithium successfully executed a five-well exploration program that significantly improved the geologic description of the target Smackover Formation. The program addressed the three key factors that determine the quality of the resource: the total volume of brine based on core and log porosity data, the brine’s lithium concentration based on the analysis of multiple brine samples from the wells, and the productivity of the formation based on the core permeability data collected. QP Williams was closely involved with all aspects of the exploration program, including selecting the well locations; designing the coring, logging, and sampling programs; attending the coring and sampling of the wells; and analyzing the resulting data. In the opinion of QP Williams, the resulting data and analyses fully support the conclusion that the inferred and indicated resources present at the SWA Property are of sufficient quality to justify pursuit of a lithium extraction project at the site.

 

25.2Process Development Work

 

Because continuous start-to-finish DLE (without the use of evaporation ponds) is not yet commercially proven, test work becomes especially critical to reduce process and scale-up risks. The test work needs to be conducted over a reasonable period of time and at a suitable scale-up factor. The Demonstration Plant operation has achieved both these objectives. In addition, the equipment operated in the Demonstration Plant has shown reliability in terms of having the required availabilities for stable process operation. The process control and chemical analysis applied in the Demonstration Plant have provided a solid foundation for reliable results.

 

The LSS DLE process has been run over many months, demonstrating consistency of results and its applicability for the SWA project. For further effective optimization and applicability for the DFS, the LSS DLE process needs to be run on actual SWA brine for a long-term, continuous test.

 

The conversion of a lithium chloride solution to a lithium hydroxide solution using electrolysis has been shown to be the process route with the least process risk, mainly because it is based, to a large extent, on the commercially proven chlor-alkali process. The approach taken by Standard Lithium to develop this process route has been appropriate for the PFS stage of the project. During the DFS, Standard Lithium should focus on further reducing the process risk. This can be accomplished by longer testing and by larger scale testing.

 

192 

 

 

South West Arkansas Project Pre-Feasibility Study 23 July 25

 

25.3SWA Pre-Feasibility Study Summary

 

The engineering work to develop the flowsheet undertaken in support of this Pre-Feasibility Study is considered appropriate for the level of development and the associated de-risking of the project. Although the flowsheet identifies a robust process, it is acknowledged that the design can be further optimized to better integrate the various elements of the flowsheet to target higher lithium recovery and more efficient conversion with reduced waste disposal requirements. To support this optimization, it is recommended that the engineering design work continue to leverage the learnings from the Demonstration Plant, off-site equipment and process testing results and vendor engagement. In the opinion of QP Frank Gay, the engineering definition and level of quoted equipment supports the CAPEX and OPEX basis which in turn supports the conclusion that the SWA Project can reasonably be expected to result in economic extraction of lithium with robust, reliable, and mostly proven, commercially available flowsheet elements.

 

25.4Project Risks

 

The project risks identified, and an assessment of their potential impacts are presented below.

 

If the brine production rate or lithium concentrations on which the PFS is based are unavailable throughout the life of the project, the economics of the project could be impacted. Standard Lithium has carried out additional well testing and reservoir modeling specific to the project brine leases during the PFS to further prove the anticipated lithium values. This process has identified lithium concentrations higher than those used as the basis for the PEA, resulting in potential upside production. This in turn validates the PFS base case of 30,000 tonnes of annual production of lithium hydroxide. As a result, downside economics associated with lack of understanding of the resource is seen as a low risk.

 

Changes to the key operating parameters of the DLE process on which the PFS is based could result in higher OPEX and/or CAPEX costs due to additional purification and concentration equipment requirements. To reduce this risk and optimize the process design, Standard Lithium continues to undertake extended testing, technology selection, and process optimization at their El Dorado, AR, Demonstration Plant. Based on this continued work, a reduction in DLE performance for the commercial operations is seen as a low risk.

 

If the electrochemical and associated lithium hydroxide conversion process does not perform as expected, it could result in higher OPEX and/or CAPEX costs. The technology is based on existing chlor-alkali industry technology and specific experience with lithium solutions, and Standard Lithium has successfully conducted testing of electrochemical cells using Smackover brines processed by the Demonstration Plant. Based on this experience, this is seen as a low risk. However, continued testing is recommended in support of scale-up, process optimization, and improved process understanding to provide inputs to engineering and further mitigate the process risk.

 

193 

 

 

South West Arkansas Project Pre-Feasibility Study 23 July 25

 

If the market price of lithium hydroxide drops, project economics will be negatively affected. Standard Lithium has commissioned two independent market studies during the PFS that both showed continued, strong demand for lithium hydroxide throughout the project life. Based on the results of these studies and the current lithium market, the lithium hydroxide price used for the economic analysis is deemed to be conservative and any negative impact to project economics is seen as a low risk.

 

Global supply chain shortages and/or delays have been ongoing since the onset of the 2020 COVID-19 pandemic. These could negatively influence the project schedule and CAPEX. This is seen as a medium risk. To mitigate this risk, it is recommended that the long lead items be identified during the feasibility study phase and orders be executed in support of maintaining project schedule.

 

Natural disasters such as a tornado or earthquake in the project area could result in a loss of production. The likelihood of these events is understood based on local meteorological and geological data. The facilities will be designed to withstand the anticipated events based on their likelihood, and this is not cited as a cause of loss of production by other operators in the area. This is seen as a low risk.

 

If an unknown infringement of an existing process patent occurs, this could result in licensing claims which could affect the OPEX costs. Standard Lithium has a Joint Development Agreement in place with Koch Technologies for the DLE and the remaining process units are open art technologies, so this is seen as a low risk.

 

Construction costs and/or schedule overruns could impact the CAPEX costs. To mitigate this risk, a 20% contingency has been included in the current CAPEX and sensitivity analysis shows favorable economics for a higher CAPEX cost. Standard Lithium will work with experienced EPC contractors and issue lump sum turnkey contracts where possible, and the feasibility study will provide increased cost confidence. This risk is inherent in any project and with the proper mitigations is seen as a low risk.

 

Lithium brine-lease-fee-in-lieu-of-royalty assessment has not yet been completed by the Arkansas Oil and Gas Commission. This is an established process most recently completed for calcium chloride and magnesium chloride. Dependent on the determined rates, this could overly impact project economics. Based on Standard Lithium’s engagement with stakeholders in this process, this is seen as a low risk.

 

194 

 

 

South West Arkansas Project Pre-Feasibility Study 23 July 25

 

The process for unitization of the leases into a production unit has not commenced. This is an established AOGC process, that has been undertaken in the past for Lanxess, and TETRA, with the most recent application by TETRA for their Evergreen Unit which was deferred due to insufficient information. Given the learnings from this process and on-going engagement with AOGC, the risk of delay to Standard Lithium is considered to be a moderate risk. It is recommended that Standard Lithium commence this process as soon as practical to mitigate this risk.

 

Potential geologic risks include unexpected reservoir heterogeneity, which could include:

 

oThe presence of high permeability pathways between injection and production wells which could reduce the displacement efficiency of the injected lean brine and lead to early breakthrough of the injected lean brine;

 

oInsufficient productivity resulting from lower-than-expected formation permeability;

 

oDiscontinuity of the porous formation resulting in a smaller brine volume accessible from the project wells; and,

 

oUnexpected faulting resulting in barriers to flow.

 

These risks will be addressed in part during the DFS data gathering program and can also be addressed through adjustments to the injection and production well configuration if these factors are encountered during the project development. One such adjustment would be to drill additional injection and/or production wells to maintain the desired plant throughput.

 

There is also the potential that an optimized project could include additional wells and facilities to achieve a higher production level, but this is more of an opportunity than it is a risk.

 

It should be noted that all reservoirs are heterogeneous, and that this report fully incorporates the observed heterogeneity in its analysis and conclusions. Also, the Smackover Formation in the SWA Project area is similar to that underlying the successful brine recovery projects immediately to the east of the Project area.

 

195 

 

 

South West Arkansas Project Pre-Feasibility Study 23 July 25

 

26Recommendations

 

The recommended next steps for Standard Lithium to elevate the SWA Project to a higher level of resource classification and project definition are to:

 

Further develop the reservoir model in support of development of an optimized well plan and brine production profile.

 

Develop and optimize the flowsheet using the Demonstration Plant with a target of lower lifecycle cost. For example, review and optimize processes such that the reagent usage can be optimized and solids waste generation from the overall process can be substantially reduced or eliminated.

 

Continue optimization of the LSS DLE to improve the quality of the Raw LiCl by elimination of impurities, including testing of new sorbents and adjustments to operating parameters.

 

Conduct all additional necessary engineering and feasibility studies (i.e. FEED level engineering definition) to integrate the project development findings into an updated resource classification and DFS.

 

Continue testing of electrolytic conversion of Smackover brine to convert LiCl to LiOH in support of development of engineering inputs for design.

 

Undertake a logistics study to assess road versus rail for supply of reagents and for export of products during the next project phase.

 

Complete any necessary process equipment vendor testing for lithium hydroxide concentration and evaporation/crystallization to a battery-quality product.

 

Identify long lead items that impact project schedule and develop procurement packages and strategy to facilitate potential opportunity for early purchasing in support of optimizing the project execution schedule.

 

Engage with AOGC to support definition of royalty for lithium production from brine in Arkansas in support of detailed understanding of project economics.

 

Continue to engage with the local electrical supplier Southwest Arkansas Electric Cooperative to continue to work through the interconnection requirements and ensure timeliness of power availability for the project.

 

The project as it is currently envisaged does not trigger a NEPA process, however the NEPA process would be triggered if federal funds are obtained for the project. It is recommended to pro-actively assess NEPA requirements and initiate key activities to facilitate flexibility in project financing.

 

196 

 

 

South West Arkansas Project Pre-Feasibility Study 23 July 25

 

Drill additional test well and re-enter three existing wells targeting the Upper, Middle, and Lower Smackover in areas not tested by the 2018 and 2023 data gathering programs, such as in the areas of the Cornelius 1 and Haberyan 1 wells, to provide:

 

oGeologic data;

 

oLithium concentrations;

 

oLong term production test information to estimate well rates, the number of wells needed, facility rates, and the completion plans for those wells;

 

oInformation regarding the potential extent of a Lower Smackover development target; and,

 

oInformation regarding the benefit of well stimulation to well productivity.

 

Monitor the test wells for salt precipitation, evaluate the potential effect of salt precipitation on production operations, identify remediation options.

 

Conduct long term production tests on one or more of the 2023 exploration program wells; decide on scope of these tests based on the results of the new test wells.

 

Update the geologic description.

 

Revise and adjust the categories of the resource estimates and quantify the reserves in support of the commercialization of the project.

 

Revise the simulation model input geologic description and optimize the SWA Property development plan, including offtake rate, well count, and well configuration.

 

The authors recommend Standard Lithium approaches accomplishing these tasks over a two-year period. The estimated cost of the recommended work is US$22.4 million. See Table 26-1 for the Recommendations Cost Summary.

 

Table 26-1. Recommendations Cost Summary 

Description Cost US$
Reservoir Model Update of resources and reserves 1,000,000
Complete FEED level feasibility studies including logistic study, flow sheet development and optimization LSS, and long-term production tests 12,000,000
Testing electrolytic conversion of LiCl to LiOH including vendors 900,000
Drilling (1), testing existing wells and long-term production test 8,500,000
Total 22,400,000

 

197 

 

 

South West Arkansas Project Pre-Feasibility Study 23 July 25

 

27References

 

Alkin, R.H. and Graves, R.W. (1969): Reynolds oolite of southern Arkansas; The American Association of Petroleum Geologists, Bulletin v. 53, no. 9, p. 1909-1922.

 

APEX Geoscience, Ltd., 2018. Geological Introduction and Maiden Inferred Resource Estimate for Standard Lithium, Ltd’s Smackover Lithium-Brine Property in Arkansas, United States, prepared for Standard Lithium, Ltd., Calgary, Alberta, Canada, November 19.

 

APEX Geoscience, Ltd., 2022. Apex, Maiden Inferred Bromine- and Lithium-Brine Resource Estimations for Tetra Technologies, Inc.’s Tetra Property in Arkansas, United States.

 

Arkansas Code (2016a): § 15-76-308. Formation of a Brine Unit; Title 15 – Natural Resources and Economic Development, Subtitle 6 – Oil, Gas and Brine, Chapter 76 – Brine, Subchapter 3 – Brine Production, https://law.justia.com/codes/arkansas/2016/title-15/subtitle-6/chapter-76/subchapter-3/section-15-76-308/.

 

Arkansas Code (2016b): § 15-76-309. Petition for formation of a brine production unit or a brine expansion unit; Title 15 – Natural Resources and Economic Development, Subtitle 6 – Oil, Gas and Brine, Chapter 76 – Brine, Subchapter 3 – Brine Production, https://law.justia.com/codes/arkansas/2016/title-15/subtitle-6/chapter-76/subchapter-3/section-15-76-309/.

 

Arkansas Code (2016c): § 15-76-312. Unlawful drainage -- Unit inclusion or accounting; Title 15 – Natural Resources and Economic Development, Subtitle 6 – Oil, Gas and Brine, Chapter 76 – Brine, Subchapter 3 – Brine Production, https://law.justia.com/codes/arkansas/2016/title-15/subtitle-6/chapter-76/subchapter-3/section-15-76-312/.

 

Arkansas Code (2016d): § 15-76-314. Participation by owners and royalties; Title 15 – Natural Resources and Economic Development, Subtitle 6 – Oil, Gas and Brine, Chapter 76 – Brine, Subchapter 3 – Brine Production, https://law.justia.com/codes/arkansas/2016/title-15/subtitle-6/chapter-76/subchapter-3/section-15-76-314/.

 

Arkansas Code (2016e): § 15-76-315. Valuation of brine; Title 15 – Natural Resources and Economic Development, Subtitle 6 – Oil, Gas and Brine, Chapter 76 – Brine, Subchapter 3 – Brine Production, https://law.justia.com/codes/arkansas/2016/title-15/subtitle-6/chapter-76/subchapter-3/section-15-76-315/.

 

198 

 

 

South West Arkansas Project Pre-Feasibility Study 23 July 25

 

Arkansas Code (2016f): § 15-76-318. Drilling permits – fees; Title 15 – Natural Resources and Economic Development, Subtitle 6 – Oil, Gas and Brine, Chapter 76 – Brine, Subchapter 3 – Brine Production, https://law.justia.com/codes/arkansas/2016/title-15/subtitle-6/chapter-76/subchapter-3/section-15-76-318/.

 

Arkansas Geological Survey (2018): Brine Resources; Arkansas Geological Survey, http://www.geology.ar.gov/energy/brine_resources.htm.

 

Arkansas Oil & Gas Commission, 2021. Production by Field – 2021. Accessed May 4, 2023, https://www.aogc.state.ar.us/annual/HistBrine.aspx?HYr=2021.

 

Arkansas Oil & Gas Commission, 2022a. South Arkansas Oil Production, 1970-2020. Accessed December 9, 2022, https://www.aogc.state.ar.us/annual/HistProduction.aspx?HYr=2020.

 

Arkansas Oil & Gas Commission, 2022b. Brine Production-Injection Data, 2017-2022. Accessed May 4, 2023, https://www.aogc.state.ar.us/data/querybuild.aspx and https://www.aogc.state.ar.us/welldata/production.aspx.

 

Bishop, 1967. Petrology of Upper Smackover Limestone in North Haynesville Field, Claiborne Parish, Louisiana, American Association of Petroleum Geologists Bulletin Vol. 52, No. 1

 

Bishop, W. F. (1968): Petrology of upper Smackover limestone in North Haynesville field, Claiborne Parish, Louisiana. American Association of Petroleum Geologists Bulletin, v. 52, p. 92–128.

 

Bishop, W. F. (1971a): Geology of a Smackover stratigraphic trap. American Association of Petroleum Geologists Bulletin, v. 55, p. 51–63.

 

Bishop, W. F. (1971b): Geology of upper member of Buckner Formation, Haynesville Field area, Claiborne Parish, Louisiana. American Association of Petroleum Geologists Bulletin, v. 55, p. 566–580.

 

Bishop, W. F. (1973): Late Jurassic contemporaneous faults in north Louisiana and south Arkansas. American Association of Petroleum Geologists Bulletin, v. 57, p. 566–580.

 

Blondes, M.S., Gans, K.D., Engle, M.A., Kharaka, Y.K., Reidy, M.E., Saraswathula, V., Thordsen, J.J., Rowan, E.L., and Morrissey, E.A., 2018. U.S. Geological Survey National Produced Waters Geochemical Database (ver. 2.3, January 2018): U.S. Geological Survey data release, https://doi.org/10.5066/F7J964W8.

 

Bradley, D., Munk, L., Jochens, H., Hynek, S. and Labay, K (2006): A Preliminary Deposit Model for Lithium Brines; USGS Open-File Report 2013–1006.

 

199 

 

 

South West Arkansas Project Pre-Feasibility Study 23 July 25

 

Bradley, D.C., Stillings, L.L., Jaskulka, B.W., Munk, L. and McCauley, A.D. (2017): Lithium; In: Chapter K of Critical Mineral Resources of the United States—Economic and Environmental Geology and Prospects for Future Supply, K.J. Schulz, J.H. DeYoung, Jr., R.R. Seal II, and D.C. Bradley (Eds.), USGS Professional Paper 1802-K.

 

Budd, D. A. and Loucks, R. G. (1981): Smackover and lower Buckner formations, south Texas. Depositional systems on a carbonate ramp. Bureau of Economic Geology, The University of Texas at Austin, Report of Investigations.

 

Buffler, R.T. (1991): Early evolution of the Gulf of Mexico basin; In: D. Goldthwaite, (ed.), An Introduction to Central Gulf Coast Geology, New Orleans: New Orleans Geological Society, p. 1-15.

 

Buffler, R.T., Shaub, F.J., Huerta, R., Ibrahim, A.B.K. and Watkins, J.S. (1981): A model for the early evolution of the Gulf of Mexico; Oceanologica Acta, No. SP, p 129-136.

 

Canadian Institute of Mining, Metallurgy and Petroleum, 2003.  “Best Practice Guidelines for Potash,”; https://mrmr.cim.org/en/best-practices/estimation-of-mineral-resources-mineral-reserves/

 

Canadian Institute of Mining, Metallurgy and Petroleum, 2012.  “CIM Best Practice Guidelines for Resource and Reserve Estimation for Lithium Brines”; https://mrmr.cim.org/media/1041/best-practice-guidelines-for-reporting-of-lithium-brine-resources-and-reserves.pdf

 

Canadian Institute of Mining, Metallurgy and Petroleum, 2014.  “CIM Definition Standards for Mineral Resources & Mineral Reserves”; https://mrmr.cim.org/media/1128/cim-definition-standards_2014.pdf

 

Canadian Institute of Mining, Metallurgy and Petroleum, 2019.  CIM Estimation of Mineral Resources and Mineral Reserves Best Practice Guidelines, prepared by the Canadian Institute of Mining, Metallurgy, and Petroleum, CIM Mineral Resources & Mineral Reserve Committee, Westmount, QC, Canada. https://mrmr.cim.org/media/1146/cim-mrmr-bp-guidelines_2019_may2022.pdf

 

Dickinson, K.A. (1968); Upper Jurassic stratigraphy of some adjacent parts of Texas, Louisiana and Arkansas; U.S. Geol. Survey Prof. Paper, 594E.

 

Enverus, 2023. Drilling Info, https://app.drillinginfo.com/production/#/default.

 

Harris, P. M. and Dodman, C. A. (1987): Jurassic evaporites of the U.S. Gulf Coast: the Smackover-Buckner contact; Society of Economic Paleontologists and Mineralogists, Depositional and Diagenetic Spectra of Evaporites (CW3), p. 174–192.

 

200 

 

 

South West Arkansas Project Pre-Feasibility Study 23 July 25

 

Heydari, E. and Baria, L. (2005): A microbial Smackover Formation and the dual reservoir–seal system at the Little Cedar Creek Field in Conecuh County of Alabama; Gulf Coast Association of Geological Societies Transactions, v. 55, p. 294-320.

 

IHS S&P Global, 2023. Well log data, https://my.ihs.com/Energy/Products

 

Kalbacher, K., and A. A. Sartin (1986): Diagenetic study of the Upper Member of the Smackover Formation (Upper Jurassic), Columbia County, Arkansas: Gulf Coast Association of Geological Societies Transactions, v. 36, p. 191-199.

 

Kopaska-Merkel, D.C., Mann, S.D. and Tew, B.H. (1992): Geological setting, petrophysical characteristics, and regional heterogeneity patterns of the Smackover in southwest Alabama; Geological Survey of Alabama, Contract No. DE-FG22-89BC14425, 215 p.

 

Mancini, E. A., Mink, R. M., Tew, B. H., and Bearden, B. L. (1990): Natural gas plays in Jurassic reservoirs of southwestern Alabama and the Florida panhandle area; Gulf Coast Association of Geological Societies Transactions, v. 40, p. 513-519.

 

Mancini, E.A., Aharon, P., Goddard, D.A., Horn, M. and Barnaby, R. (2008): Basin analysis and petroleum system characterization and modelling, interior salt basins, central and eastern Gulf of Mexico, Part 3: tectonic / depositional history, resource assessment; Adapted from Final Report, issued June 30, 2008, for period May 1, 2003 to April 30, 2008, prepared for U.S. Department of Energy, for DOE Award Number DE-FC26-03NT15395 and available at Texas A&M University (http://berg-hughes.tamu.edu/research/sedimentary-basin-analysis-studies).

 

Moldovanyi, E.P. and L.M. Walter, 1992. Regional trends in water chemistry, Smackover Formation, southwest Arkansas: Geochemical and physical controls; The American Association of Petroleum Geologists, Bulletin, v. 76, no. 6., p. 864-894.

 

Moore, C.H. and Druckman (1981): Burial diagenesis and porosity evolution, Upper Jurassic Smackover, Arkansas and Louisiana; The American Association of Petroleum Geologists, 1981, p. 597-628.

 

Moore, C. H. (1984): The upper Smackover of the Gulf rim: depositional systems, diagenesis, porosity evolution and hydrocarbon production; In: W. P. S. Ventress, D. G. Bebout, B. F. Perkins, and C. H. Moore (eds.), The Jurassic of the Gulf rim: Gulf Coast Section SEPM, 3rd Annual Research Symposium, Program and Abstracts, p. 283–307.

 

NORAM, 2021. Preliminary Economic Assessment of SW Arkansas Lithium Project, prepared for Standard Lithium, 25 November 2021.

 

201 

 

 

South West Arkansas Project Pre-Feasibility Study 23 July 25

 

Saltwerx, 2021: Saltwerx Secures 100,000-Acre Brine Prospect in Southern Arkansas, 1 July 2021, https://www.saltwerx.com/news/saltwerx-secures-100-000-acre-brine-prospect-in-southern-arkansas.

 

Salvador, A. (1987): Late Triassic-Jurassic paleography and origin of Gulf of Mexico basin; AAPG Bulletin, v. 71, p. 419-451.

 

Salvador, A. (1990): Triassic-Jurassic; In: Salvador, A., (ed.), The Geology of North America, v. J., The Gulf of Mexico Basin; Boulder, Geological Society of America, p. 131–180.

 

Salvador, A. (1991a): The Gulf of Mexico Basin: Decade of North American geology; v. DNAG, v. J: Boulder, Colorado, GSA, 568 p.

 

Salvador, A. (1991b): Triassic-Jurassic; In: A. Salvador, (ed.), The Gulf of Mexico Basin, Boulder, Colorado, GSA, p. 131-180.

 

Standard Lithium Ltd. (2018a): Standard Lithium to Acquire Lithium Brine Exploration and Production Rights; Standard Lithium Press Release, August 7, 2017, https://standardLithium.com/2017/08/02/standard-Lithium-acquire-Lithium-brine-exploration-production-rights/.

 

Standard Lithium Ltd. (2018b): Standard Lithium Commences Resource Definition in Southern Arkansas; Standard Lithium Press Release, January 30, 2018, https://standardLithium.com/2018/01/30/standard-Lithium-commences-resource-definition-southern-arkansas/.

 

Tetra, 2022. Tetra Technologies, Inc. Announces Maiden Inferred Resources Of 5.25 Million Tons Of Elemental Bromine and 234,000 Tons Of Lithium Carbonate Equivalent, 21 September 2022, https://www.prnewswire.com/news-releases/tetra-technologies-inc-announces-maiden-inferred-resources-of-5-25-million-tons-of-elemental-bromine-and-234-000-tons-of-lithium-carbonate-equivalent-301630186.html.

 

Tetra, 2023. Tetra Technologies, Inc. and Saltwerx, LLC Enter Into A Memorandum Of Understanding Regarding A Proposed Brine Production Unit In The Smackover Formation, 26 June 2023, https://ir.tetratec.com/2023-06-26-TETRA-TECHNOLOGIES,-INC-AND-SALTWERX,-LLC-ENTER-INTO-A-MEMORANDUM-OF-UNDERSTANDING-REGARDING-A-PROPOSED-BRINE-PRODUCTION-UNIT-IN-THE-SMACKOVER-FORMATION >.

 

TGS, 2023. Well log and well status data, https://www.tgsr360.com

 

202 

 

 

South West Arkansas Project Pre-Feasibility Study 23 July 25

 

Troell, A. R. and Robinson, J. D. (1987): Regional stratigraphy of the Smackover limestone (Jurassic) in south Arkansas and north Louisiana, and the geology of Chalybeat Springs oil field. Gulf Coast Association of Geological Societies Transactions, v. 37, p. 225–262.

 

Worley, 2019. NI 43-101 Technical Report Preliminary Economic Assessment of Smackover Project, Document No.: 207036-00088-00-PM-REP-0002, prepared for Standard Lithium, Saskatoon, Saskatchewan, Canada, August 1, 230p.

 

Zimmerman, R. K. (1992): Fractured Smackover limestone in northeast Louisiana; Implications for hydrocarbon exploitation; AAPG Datapages/Archives, GCAGS Transactions, v. 42, p. 401-412.

 

203 

 

 

South West Arkansas Project Pre-Feasibility Study 23 July 25

 

28Certificate of Authors

 

204 

 

 

I, Frank Gay, P. Eng., do hereby certify that:

 

1.I am a Managing Technical Professional with Hunt, Guillot, & Associates LLC, 8401 New Trails Drive, Suite 175, The Woodlands, Texas 77381.

 

2.I graduated with a Bachelor of Science Degree in Chemical Engineering from Massachusetts Institute of Technology, Cambridge Massachusetts in 1979 and Master’s Degree in Chemical Engineering Practice from Massachusetts Institute of Technology in 1979.

 

3.I am a registered Professional Engineer in North Carolina.

 

4.I have practiced as a Professional Engineer for 35 years in project management, engineering management, and general management in the petrochemical and petroleum industries. As Senior Project Director, I led a team responsible for the cost estimate, financial model development, technical evaluation, and overall project execution planning of a $20 billion plus refining and petrochemical complex in Saudi Arabia. I managed the detailed design of twin Super Absorbent Polymer Plants in China and Brazil. As business unit leader, I had overall responsibility for the development of a detailed financial model, long lead procurement and supply chain plan, a logistics plan for major equipment, feedstock and product and an overall project execution plan for a $3 billion sustainable aviation fuel plant in Columbia, Louisiana.

 

5.I have read the definition of “qualified person” set out in the National Instrument 43-101 (“NI 43-101”) and certify that, by reason of my education, affiliation with a professional association (as defined in NI 43-101), and past relevant work experience, I fulfill the requirements to be a “Qualified Person” for the purposes of NI 43-101.

 

6.I oversaw the preparation and am responsible for Sections 1-6, 18-19, & 22-27 of the technical report titled “Amended and Restated NI 43-101 Technical Report; South West Arkansas Project Pre-Feasibility Study; Lewisville, Lafayette County AR”, with an effective date of August 8, 2023 (the “Technical Report”).

 

7.I visited the Demonstration Plant in El Dorado in November, 2021, but I have not visited the South West Arkansas Property.

 

8.I am not aware of any scientific or technical information with respect to the subject matter of the Technical Report that is not reflected in the Technical Report, the omission to disclose which makes the Technical Report misleading.

 

9.I am independent of the Issuer as per NI 43-101 and successfully pass the independence requirements of the Guidance of Independence test in item 1.5 of the Companion Policy to NI 43-101. I am not an employee, insider, director, or partner of the Issuer and do not hold any securities or direct/indirect interests related to the Issuer or the property and/or adjacent properties that is the subject of this Technical Report.

 

10.I have read NI 43-101 and Form 43-101F1, and the Technical Report has been prepared in compliance with that instrument and form.

 

11.I consent to the filing of the Technical Report with any stock exchange and other regulatory authority and any publication by them for regulatory purposes, including electronic publication in the public company files or their websites.

 

A close-up of a signature

Description automatically generated

 

Frank Gay, P. Eng.,

 

Effective Date: August 8, 2023

 

Signature Date: July 23, 2025

 

The Woodlands, Texas, United States

 

   

 

 

I, Marek Dworzanowski, EUR ING, CEng, do hereby certify that:

 

1.I am an independent consulting metallurgical engineer based at 25 Rue Paul Doumer, Tregueux, 22950, France.

 

2.I graduated with a Bachelor of Science Degree (with honours) in Mineral Processing from the University of Leeds, United Kingdom, in 1980.

 

3.I am a registered European Engineer (EUR ING) and I am a registered Chartered Engineer (CEng) in the United Kingdom.

 

4.I have practiced metallurgical engineering for 44 years, with 37 years as a registered Professional Engineer, in the global mining industry. I have been a QP for more than 10 lithium brine projects. I have provided operational and project reviews for brine operations and lithium carbonate plants in South America. I have provided process consulting on geothermal brine projects in France.

 

5.I am an Honorary Life Fellow of the Southern African Institute of Mining and Metallurgy (SAIMM) and I am a Chartered Engineer of the Institute of Materials, Minerals and Mining (IMMM).

 

6.I have read the definition of "qualified person" set out in the National Instrument 43-101 ("NI 43-101") and certify that, by reason of my education, affiliation with a professional association (as defined in NI 43-101), and past relevant work experience, I fulfill the requirements to be a "Qualified Person" for the purposes of NI 43-101.

 

7.I oversaw the preparation and am responsible for Sections 1, 12.2, 13, 17, 18, 21, 22, 25 and 26 of the technical report titled "Amended and Restated NI 43-101 Technical Report; South West Arkansas Project Pre-Feasibility Study; Lewisville, Lafayette County AR", with an effective date of August 8, 2023 (the "Technical Report").

 

8.I visited the Demonstration Plant in El Dorado during 14 & 15 November, 2022, but I have not visited the South West Arkansas Property.

 

9.I am not aware of any scientific or technical information with respect to the subject matter of the Technical Report that is not reflected in the Technical Report, the omission to disclose which makes the Technical Report misleading.

 

10.I am independent of the Issuer as per NI 43-101 and successfully pass the independence requirements of the Guidance of Independence test in item 1.5 of the Companion Policy to NI 43-101. I am not an employee, insider, director, or partner of the Issuer and do not hold any securities or direct/indirect interests related to the Issuer or the property and/or adjacent properties that is the subject of this Technical Report.

 

11.I have read NI 43-101and Form 43-101F1, and the Technical Report has been prepared in compliance with that instrument and form.

 

12.I consent to the filing of the Technical Report with any stock exchange and other regulatory authority and any publication by them for regulatory purposes, including electronic publication in the public company files or their websites.

 

 

 

Marek Dworzanowski, EUR ING, CEng, HonFSAIMM, FIMMM

 

Effective Date: August 8, 2023

 

Signature Date: July 23, 2025

 

Tregueux, France

 

   

 

 

I, Randal M. Brush, PE, as a co-author of the technical report titled Amended and Restated NI 43-101 Technical Report – South West Arkansas Project – Pre-Feasibility Study (the “Technical Report”), effective date August 8, 2023, do hereby certify that:

 

I am currently employed as a Senior Engineering Advisor of Haas & Cobb Petroleum Consultants (formerly William M. Cobb & Associates, Inc.) with an office at 12770 Coit Road, Suite 907, Dallas, Texas, 75251.

 

I hold a Master of Science degree in petroleum engineering from Stanford University and a Bachelor of Science degree in chemical engineering from Rice University.

 

I am a member in good standing of the Society of Petroleum Engineers, a constituent organization within the AIME, the American Institute of Mining, Metallurgical and Petroleum Engineers (Member # 0515460). I am also a member of the Society of Petroleum Evaluation Engineers.

 

I am and have been a professional engineer, registered in Texas (License #85165), since 1999.

 

As a professional engineer, I have over 42 years of experience in evaluating the injection and production of water, brines, and other fluids into and out of porous formations like the Smackover. This includes 10 years of evaluating brine recovery at a nearby Smackover field. These tasks have included the following:

 

oUsing engineering analysis, mathematical modeling, and appropriate data collection and analysis techniques to evaluate the injection of gases, water, brine, and steam into underground geologic formations, and the recovery of oil, gas, water, and brine from those formations.

 

oSpecializing in reservoir evaluation, management, and simulation studies to estimate hydrocarbon (crude oil, condensate, and natural gas) and non-hydrocarbon (e.g., bromine, lithium, CO2, and helium) reserves and inventories; provide ultimate recovery estimates by predicting reservoir performance under alternate development plans; and evaluate the performance of gas and CO2 storage reservoirs in response to internal and external operational factors.

 

As a result of my education, qualifications, affiliation with a professional association, and experience, I fulfil the requirements to be a “Qualified Person” as defined in National Instrument 43-101 (“NI 43-101”).

 

I am independent of Standard Lithium Ltd. applying all the tests in Section 1.5 of the Companion Policy to NI 43-101.

 

I am responsible for Sections 10, 14.2, 14.3, 15 and 16of this Technical Report

 

I have not had any prior involvement with the Property.

 

My most recent personal inspection of the Property was on July 24, 2023.

 

I have read NI 43-101, Form 43-101F1, and the Technical Report for which I am responsible, and the document has been prepared in compliance with NI 43-101.

 

As of the date of this certificate, to the best of my knowledge, information, and belief, this Technical Report contains all of the scientific and technical information that is required to be disclosed to make the Technical Report not misleading.

 

I consent to the filing of this Technical Report with any stock exchange, provided that the Technical Report complies with the framework of that regulatory exchange, and other regulatory authority or publication by them for regulatory purposes, including electronic publication in the public company files on their websites accessible by the public.

 

Signed in Dallas, Texas, July 23, 2025    
  A black stamp with a star and text

Description automatically generated

Randal M. Brush, PE

 

Haas & Cobb Petroleum Consultants (formerly William M. Cobb & Associates, Inc.)

 

   

 

 

I, Robert E. Williams, Jr., PG, CPG, as a co-author of the technical report titled Amended and Restated NI 43-101 Technical Report – South West Arkansas Project – Pre-Feasibility Study (the “Technical Report”), effective date August 8, 2023, do hereby certify that:

 

I am currently employed as a Principal Geologist of Haas & Cobb Petroleum Consultants (formerly William M. Cobb & Associates) 12770 Coit Road Suite 907, Dallas Texas, 75251.

 

I am a graduate of Oklahoma State University and earned a degree Bachelor of Science in Geology in 1991.

 

I am a professional geologist registered with Texas Board of Professional Geoscientists #3964, awarded August 31, 2003.

 

I am a member in good standing of the American Institute of Professional Geologists (AIPG) Certification #12158, awarded January 9, 2023.

 

I have practiced my profession for 34 years. I have been involved in brine (for bromine, lithium, and other metals extraction) and petroleum geology projects during this time including: subsurface mapping, geologic modelling of carbonate reservoirs, geophysical log interpretation, drilling wells, reservoir volumetric analysis, resources and reserve estimates.

 

As a result of my education, qualifications, affiliation with a professional association, and experience, I fulfil the requirements to be a “Qualified Person” as defined in National Instrument 43-101 (“NI 43-101”).

 

I am independent of Standard Lithium applying all the tests in Section 1.5 of the Companion Policy to NI 43-101.

 

I am responsible for Sections 7, 8, 9, 11, 12.1, and 14.1of this Technical Report.

 

I have had no prior involvement with the Property.

 

My most recent personal inspection of the Property was on June 1, 2023.

 

I have read NI 43-101 and Form 43-101 and the Technical Report for which I am responsible, and the document has been prepared in compliance with NI 43-101.

 

As of the date of this certificate, to the best of my knowledge, information, and belief, this Technical Report contains all of the scientific and technical information that is required to be disclosed to make the Technical Report not misleading.

 

I consent to the filing of this Technical Report with any stock exchange, provided that the Technical Report complies with the framework of that regulatory exchange, and other regulatory authority or publication by them for regulatory purposes, including electronic publication in the public company files on their websites accessible by the public.

 

Signed in Tulsa, Oklahoma, July 23, 2025.    
  A white stamp with text and a shield

Description automatically generated
     

Robert E. Williams, Jr., PG, CPG

 

Haas & Cobb Petroleum Consultants (formerly William M. Cobb & Associates, Inc.)

  

   

 

 

I, Caleb Mutschler, P. Eng., do hereby certify that:

 

1.I am a Managing Technical Professional with Hunt, Guillot, & Associates LLC, 8401 New Trails Drive, Suite 175, The Woodlands, Texas 77381.

 

2.I graduated with a Bachelor of Science Degree in Engineering with a Chemical Concentration from Calvin College, Grand Rapids, Michigan in 2011.

 

3.I am a registered Professional Engineer in Texas, Louisiana, and Arkansas.

 

4.I have practiced as a Professional Engineer for 7 years in the oil refining, chemicals, and midstream oil and gas industries. Engineering lead for pressure relief studies on brine supply wells, used to supply bromine-rich brine to bromine extraction facilities. Engineering lead for pipeline hydraulic modeling related to brinefield expansion.I have read the definition of "qualified person" set out in the National Instrument 43-101 ("NI 43-101") and certify that, by reason of my education, affiliation with a professional association (as defined in NI 43-101), and past relevant work experience, I fulfill the requirements to be a "Qualified Person" for the purposes of NI 43-101.

 

5.I oversaw the preparation and am responsible for Sections 17-17.3 & 17.5 of the technical report titled " Amended and Restated NI 43-101 Technical Report; South West Arkansas Project Pre-Feasibility Study; Lewisville, Lafayette County AR", with an effective date of August 8, 2023 (the "Technical Report").

 

6.I visited the Demonstration Plant in El Dorado in October, 2022, to observe the test facilities but have not visited the South West Arkansas Project site.

 

7.I am not aware of any scientific or technical information with respect to the subject matter of the Technical Report that is not reflected in the Technical Report, the omission to disclose which makes the Technical Report misleading.

 

8.I am independent of the Issuer as per NI 43-101 and successfully pass the independence requirements of the Guidance of Independence test in item 1.5 of the Companion Policy to NI 43-101. I am not an employee, insider, director, or partner of the Issuer and do not hold any securities or direct/indirect interests related to the Issuer or the property and/or adjacent properties that is the subject of this Technical Report.

 

9.I have read NI 43-101 and Form 43-lOlFl, and the Technical Report has been prepared in compliance with that instrument and form.

 

10.I consent to the filing of the Technical Report with any stock exchange and other regulatory authority and any publication by them for regulatory purposes, including electronic publication in the public company files or their websites.

 

A close up of a note

AI-generated content may be incorrect.   

A black stamp with a star and text

AI-generated content may be incorrect. 

Caleb Mutschler, P. Eng.

 

Effective Date: August 8, 2023

 

Signature Date: July 23, 2025

 

The Woodlands, Texas, United States

 

 

 

 

 

 

I, Dutch Johnson, P. Eng., do hereby certify that:

 

1.I am a Directing Technical Professional with Hunt, Guillot, & Associates LLC, 400 Texas Street, Third Floor, Suite 300, Shreveport, Louisiana 71101.

 

2.I graduated with a Bachelor of Science Degree in Mechanical Engineering from Louisiana Tech University, Ruston, Louisiana in 2003.

 

3.I am a registered Professional Engineer in Louisiana, Texas, and Arkansas.

 

4.I have practiced as a Professional Engineer for 19 years in various industries. I have contributed to the design and implementation of a pilot plant facility in Arkansas utilizing advanced brine processing technologies. My work has involved integrating modular systems for brine pre-treatment, lithium extraction, and lithium chloride polishing

 

5.I have read the definition of “qualified person” set out in the National Instrument 43-101 (“NI 43-101”) and certify that, by reason of my education, affiliation with a professional association (as defined in NI 43-101), and past relevant work experience, I fulfill the requirements to be a “Qualified Person” for the purposes of NI 43-101.

 

6.I oversaw the preparation and am responsible for Section 17.4 of the technical report titled “Amended and Restated NI 43-101 Technical Report; South West Arkansas Project Pre-Feasibility Study; Lewisville, Lafayette County AR”, with an effective date of August 8, 2023 (the “Technical Report”).

 

7.I have not visited the South West Arkansas Property.

 

8.I am not aware of any scientific or technical information with respect to the subject matter of the Technical Report that is not reflected in the Technical Report, the omission to disclose which makes the Technical Report misleading.

 

9.I am independent of the Issuer as per NI 43-101 and successfully pass the independence requirements of the Guidance of Independence test in item 1.5 of the Companion Policy to NI 43-101. I am not an employee, insider, director, or partner of the Issuer and do not hold any securities or direct/indirect interests related to the Issuer or the property and/or adjacent properties that is the subject of this Technical Report.

 

10.I have read NI 43-101 and Form 43-101F1, and the Technical Report has been prepared in compliance with that instrument and form.

 

11.I consent to the filing of the Technical Report with any stock exchange and other regulatory authority and any publication by them for regulatory purposes, including electronic publication in the public company files or their websites.

 

Dutch Johnson, P. Eng.,

 

Effective Date: August 8, 2023

 

Signature Date: July 23, 2025

 

Shreveport, Louisiana, United States

 
   

  

   

 

 

I, Charles Daniel Campbell, P. Eng., do hereby certify that:

 

1.I retired as Senior Managing Consultant on June 30, 2023, from Alliance Technical Group, LLC, 219 Brown Lane, Bryant, Arkansas 72022.

 

2.Alliance Technical Group, LLC has contractually retained my technical and engineering services post-retirement.

 

3.I graduated with a Bachelor of Science Degree in Petroleum Engineering from Louisiana Tech University, Ruston, Louisiana in 1983.

 

4.I am a registered Professional Engineer in Arkansas.

 

5.I have practiced as a Professional Engineer for 35 years in project management, engineering management, and general management in the environmental and petroleum industries.

 

6.I have read the definition of "qualified person" set out in the National Instrument 43-101 ("NI 43-101") and certify that, by reason of my education, affiliation with a professional association (as defined in NI 43-101), and past relevant work experience, I fulfill the requirements to be a "Qualified Person" for the purposes of NI 43-101.

 

7.I oversaw the preparation and am responsible for Section 20 of the technical report titled "Amended and Restated NI 43-101 Technical Report; South West Arkansas Project Pre-Feasibility Study; Lewisville, Lafayette County AR", with an effective date of August 8, 2023 (the "Technical Report').

 

8.I visited the Demonstration Plant in El Dorado, Arkansas in February 2022, and the South West Arkansas Property in May 2023.

 

9.I am not aware of any scientific or technical information with respect to the subject matter of the Technical Report that is not reflected in the Technical Report, the omission to disclose which makes the Technical Report misleading.

 

10.I have not had any prior involvement with the Property.

 

11.I am independent of the Issuer as per NI 43-101 and successfully pass the independence requirements of the Guidance of Independence test in item 1.5 of the Companion Policy to NI 43-101. I am not an employee, insider, director, or partner of the Issuer and do not hold any securities or direct/indirect interests related to the Issuer or the property and/or adjacent properties that is the subject of this Technical Report.

 

12.I have read NI 43-101 and Form 43-101F1, and the Technical Report has been prepared in compliance with that instrument and form.

 

13.I consent to the filing of the Technical Report with any stock exchange and other regulatory authority and any publication by them for regulatory purposes, including electronic publication in the public company files or their websites.

 

A close up of a name

Description automatically generated   

A stamp with text and a circle

AI-generated content may be incorrect. 

 

Charles Daniel Campbell, P. Eng.,

 

Effective Date: August 8, 2023

 

Signature Date: July 23, 2025

 

Bryant, Arkansas, United States