EX-99.1 2 tm2528539d1_ex99-1.htm EXHIBIT 99.1

 

Exhibit 99.1

 

 

 

 

 

 

 

Certificate of Qualified Person
Patricio Pinto Gallardo, C.P.

 

I, Patricio Pinto Gallardo, C.P., certify that I am employed as a Process Manager with Ausenco Chile Ltda. (together with Ausenco Engineering Canada ULC, “Ausenco”), with an office address of Avenida Las Condes 11283, Floor 6, Las Condes, Santiago, Chile CP 75550000.

 

1.This certificate applies to the technical report titled, “South West Arkansas Project NI 43-101 Technical Report and Definitive Feasibility Study” that has an effective date of September 3, 2025 (the “Technical Report”).

 

2.I graduated from the University of Santiago in Chile, in 1987 with a Bachelor's degree in civil chemical engineering, and from Adolfo Ibañez University with a postgraduate diploma in business administration in 2004.

 

3.I am a Competent Person with the Qualifying Commission for Competencies in Mining Resources and Reserves (Comisión Calificadora de Competencias en Recursos y Reservas Mineras) (Registration No. 0440).

 

4.I have practiced my profession for 36 years. I have been directly involved process engineer, head of research and development, and project manager, focusing on mineral recovery projects from salt flats. My work includes extensive research into new processes, and detailed plant design. I participated in all phases of engineering: conceptual, basic, and detailed engineering, construction, pre-commissioning, commissioning, and start-up stages. As a consultant, I have conducted due diligence for company transactions and, as a process audit engineer, reviewed lithium carbonate plants in Chile and Argentina. I have led several lithium carbonate production projects from brines, where I was responsible for defining the salt matrix and preparing the fundamental process design data. I also developed optimal pipeline configurations, wellfield configurations and brine reservoir designs. My duties included defining the extraction capacity of each well, construction geometry, pond depths, other works, and estimating exploitation costs. Recently, I acted as the Qualified Person for sections of the “Salar de Arizaro Project (Li2CO3), Pre-feasibility study, in the Salta province, northwest Argentina in 2024,” and the “Salar Rio Grande Project (Li2CO3), NI 43-101 Technical Report, in Salta Province, northwest Argentina in 2025.” My experience also includes the Pozuelos-Pastos Grandes Project (Li2CO3), Preliminary Economic Assessment, Argentina, the “Proyecto Blanco” (Maricunga Salar), Chile, The Lithium Carbonate Plant Audit (Olaroz Salar), Argentina, the Clayton Valley Lithium PFS, USA, the Rhyolite Ridge Project, USA, the Capricornio Project (Atacama Salar), Chile, Chile and the La Negra Project (Atacama Salar), Chile.

 

5.I have read the definition of "Qualified Person" set out in the National Instrument 43-101 Standards of Disclosure for Mineral Projects ("NI 43-101") and certify that by virtue of my education, affiliation to a professional association and past relevant work experience, I fulfil the requirements to be a "Qualified Person" for those sections of the Technical Report that I am responsible for preparing.

 

6.I have visited the project site from November 11 to 15, 2024.

 

7.I am responsible for Sections 1.1, 1.2, 1.3, 1.7, 1.11, 1.12, 1.14. 1.15, 1.16, 1.17, 1.18, 1.19, 2.1, 2.2, 2.3, 2.4.1, 2.5, 2.6, 2.7, 2.8, 3.1, 3.2, 3.3, 3.4, 4, 5, 12.4, 12.5, 13, 17.1, 17.2 , 17.4, to 17.6, 18.1, 18.2, 18.4.1, 18.4.3 to 18.8, 19, 21.1, 21.2.1, 21.2.2, 21.2.4 to 21.2.8, 21.3.1, 21.3.2.1 to 21.3.2.6, 21.3.3, 21.4, 22, 24.2, 24.3.2, 24.4, 25.1, 25.2, 25.4, 25.5.2, 25.7, 25.8, 25.9.1, 25.9.3 and 25.9.4, 25.10.1, 25.10.4, 26.1, 26.2, 26.4, 26.5, and 26.7 of the Technical Report.

 

8.I am independent of Standard Lithium as independence is defined in Section 1.5 of NI 43-101.

 

Page 1 of 2

 

 

 

9.I have had no previous involvement with the South West Arkansas Project

 

10.I have read NI 43-101 and the sections of the Technical Report for which I am responsible have been prepared in compliance with that Instrument. As of the effective date of the Technical Report, to the best of my knowledge, information and belief, the sections of the Technical Report for which I am responsible contain all scientific and technical information that is required to be disclosed to make those sections of the Technical Report not misleading.

 

Dated: October 14, 2025

 

/signed/

 

Patricio Pinto Gallardo, C.P.

 

Page 2 of 2

 

 

 

Certificate of Qualified Person
Aleksandar Spasojevic, P.Eng.

 

I, Aleksandar Spasojevic, P.Eng., certify that I am employed as a Lead Engineer Geotechnics with Ausenco Engineering Canada ULC, with an office address of 1016B Sutton Drive, Suite 100, Burlington, Ontario., L7L 6B8, Canada.

 

1.This certificate applies to the technical report titled, “South West Arkansas Project NI 43-101 Technical Report and Definitive Feasibility Study” that has an effective date of September 3, 2025 (the “Technical Report”).

 

2.I graduated from the Faculty of Civil Engineering of Belgrade University, Belgrade, Serbia, 1989, 1994, 1999 with a BSc, MSc, PhD.

 

3.I am a Professional Engineer in Ontario (PEO 100202017), Saskatchewan (APEGS 68738), and Northwest Territories and Nunavut Association of Professional Engineers and Geoscientists (No. L5376).

 

4.I have practiced my profession for 36 years. I have been directly involved in the design of earthworks, stability of earth masses, design of staged construction, seepage control, piping stability, and the design of filters and barrier and containment systems for landfill systems and tailings facilities.

 

5.I have read the definition of "Qualified Person" set out in the National Instrument 43-101 Standards of Disclosure for Mineral Projects ("NI 43-101") and certify that by virtue of my education, affiliation to a professional association and past relevant work experience, I fulfil the requirements to be a "Qualified Person" for those sections of the Technical Report that I am responsible for preparing.

 

6.I have not visited the project site.

 

7.I am responsible for Sections 2.4.6 and 18.4.2 of the Technical Report.

 

8.I am independent of Standard Lithium as independence is defined in Section 1.5 of NI 43-101.

 

9.I have had no previous involvement with the South West Arkansas Project.

 

10.I have read NI 43-101 and the sections of the Technical Report for which I am responsible have been prepared in compliance with that Instrument. As of the effective date of the Technical Report, to the best of my knowledge, information and belief, the sections of the Technical Report for which I am responsible contain all scientific and technical information that is required to be disclosed to make those sections of the Technical Report not misleading.

 

Dated: October 14, 2025

 

/signed/

 

Aleksandar Spasojevic, P.Eng.

 

Page 1 of 1

 

 

 

Certificate of Qualified Person
Randal M. “Randy” Brush, PE

 

I, Randal M. Brush, PE, certify that I am currently employed as a Senior Engineering Advisor of Haas & Cobb Petroleum Consultants with an office at 12770 Coit Road, Suite 907, Dallas, Texas, 75251. I do hereby certify that:

 

1.This certificate applies to the technical report titled, “South West Arkansas Project NI 43-101 Technical Report and Definitive Feasibility Study” that has an effective date of September 3, 2025 (the “Technical Report”).

 

2.I hold a Master of Science degree in petroleum engineering from Stanford University and a Bachelor of Science in chemical engineering from Rice University.

 

3.I am a member in good standing of the Society of Petroleum Engineers, a constituent organization within the AIME, the American Institute of Mining, Metallurgical and Petroleum Engineers (Member # 0515460). I am also a member of the Society of Petroleum Evaluation Engineers. I am a professional engineer, registered in Texas, and have been practicing in this capacity since 1999.

 

4.As a professional engineer, I have over 42 years of experience in evaluating the injection and production of water, brines, and other fluids into and out of porous formations like the Smackover. This includes 10 years of evaluating the Smackover brine formation in southern Arkansas for multiple companies with facilities in the area. These tasks have included the following:

 

a.Using engineering analysis, mathematical modelling, and appropriate data collection and analysis techniques to evaluate the injection of gases, water, and steam into underground geological formations, and the recovery of oil, gas, and water from those formations.

 

b.Specializing in reservoir evaluation, management, and simulation studies to define hydrocarbon (crude oil, condensate, and natural gas) and non-hydrocarbon (e.g., bromine, lithium, CO2, and helium) reserves and inventories, providing ultimate recovery estimates by predicting reservoir performance under alternate development plans and various reservoir drive mechanisms, with emphasis on the injection of water and brine for fluid recovery, including the recovery of brine from the Smackover Formation.

 

5.As a result of my experience and qualifications, I am a Qualified Person as defined in National Instrument 43-101 Standards of Disclosure for Mineral Projects ("NI 43-101").

 

6.I have read the definition of "Qualified Person" set out in the NI 43-101 and certify that by virtue of my education, affiliation to a professional association and past relevant work experience, I fulfil the requirements to be a "Qualified Person" for those sections of the Technical Report that I am responsible for preparing.

 

7.I am independent of Standard Lithium applying all the tests in Section 1.5 of NI 43-101.

 

8.I am responsible for Sections 1.6, 1.8 to 1.10, 1.18,1.19, 2.4.2, 10, 14.2 to 14.4, 15, 16.1, 16.2, 16.3.1, 16.3.2, 21.2.3.1, 21.3.2.8, 23, 25.3, 25.9.2, 25.10.2, 25.10.3, 26.1 and 26.3 of this Technical Report.

 

9.I prepared sections of the “Amended and Restated NI 43-101 Technical Report South West Arkansas Project Pre-Feasibility Study”.

 

10.My most recent personal inspection of the South West Arkansas property was on July 24, 2023.

 

Page 1 of 2

 

 

 

11.I have read NI 43-101, Form 43-101F1, and the Technical Report for which I am responsible, and the document has been prepared in compliance with NI 43-101. As of the date of this certificate, to the best of my knowledge, information, and belief, this Technical Report contains all of the scientific and technical information that is required to be disclosed to clearly understand the Technical Report.

 

Dated: October 14, 2025

 

/signed/

 

Randal M. “Randy” Brush, PE

 

Page 2 of 2

 

 

 

Certificate of Qualified Person
Robert E. Williams, Jr., PG, CPG

 

I, Robert E. Williams, Jr., PG, CPG, certify that I am currently employed as a Principal Geologist of Haas & Cobb Petroleum Consultants 12770 Coit Road Suite 907, Dallas Texas, 75251. I do certify that:

 

1.This certificate applies to the technical report titled, “South West Arkansas Project NI 43-101 Technical Report and Definitive Feasibility Study” that has an effective date of September 3, 2025 (the “Technical Report”).

 

2.I am a graduate of Oklahoma State University and earned a degree Bachelor of Science in Geology in 1991.

 

3.I am a member in good standing of American Institute of Professional Geologists (AIPG) Certification #12158, awarded January 9, 2023.

 

4.I am a professional geologist registered with the Texas Board of Professional Geoscientists #3964, awarded August 31, 2003.

 

5.I have practiced my profession for 34 years. I have been involved in brine (for bromine, lithium, and other metals extraction) and petroleum geology projects during this time including: subsurface mapping, geological modelling of carbonate reservoirs, geophysical log interpretation, drilling wells, reservoir volumetric analysis, resource and reserve estimates.

 

6.As a result of my experience and qualifications, I am a Qualified Person as defined in National Instrument 43-101 Standards of Disclosure for Mineral Projects ("NI 43-101").

 

7.I have read the definition of "Qualified Person" set out in the NI 43-101 and certify that by virtue of my education, affiliation to a professional association and past relevant work experience, I fulfil the requirements to be a "Qualified Person" for those sections of the Technical Report that I am responsible for preparing.

 

8.I am independent of Standard Lithium applying all the tests in Section 1.5 of NI 43-101.

 

9.I am responsible for Sections 1.4, 1.5, 1.6, 1.18, 1.19, 2.4.3, 6 to 9, 11, 12.1 to 12.3, 14.1, 23, 25.3, 25.9.2, 26.1 and 26.3 of this Technical Report.

 

10.I prepared sections of the “Amended and Restated NI 43-101 Technical Report South West Arkansas Project Pre-Feasibility Study”.

 

11.My most recent personal inspection of the South West Arkansas property was on May 30, 2023 to June 1, 2023.

 

12.I have read NI 43-101, Form 43-101F1 and the Technical Report for which I am responsible, and the document has been prepared in compliance with NI 43-101. As of the date of this certificate, to the best of my knowledge, information, and belief, this Technical Report contains all of the scientific and technical information that is required to be disclosed to clearly understand the Technical Report.

 

Dated: October 14, 2025

 

/signed/

 

Robert E. Williams, Jr., PG, CPG

 

Page 1 of 1

 

 

 

Certificate of Qualified Person
Thomas Wynn Rogers, Jr., P.E.

 

I, Thomas Wynn Rogers, Jr., P.E., certify that I am employed as Vice President – Integrated Services with Hunt, Guillot & Associates, LLC, (HGA), with an office address of 603 E. Reynolds Dr., Ruston, LA, 71270.

 

1.This certificate applies to the technical report titled, “South West Arkansas Project NI 43-101 Technical Report and Definitive Feasibility Study” that has an effective date of September 3, 2025 (the “Technical Report”).

 

2.I graduated from Mississippi State University with a Bachelor of Science degree in Industrial Engineering in December 2002.

 

3.I am a professional mechanical engineer registered in numerous states including the state of Arkansas (AR-15311).

 

4.I have practiced my profession continuously for 22 years with particular experience in oil and gas production and separation facilities, and liquid and gas transportation pipelines. In particular, I have been the engineer of record for hundreds of well pad separation facility designs in the Haynesville Shale as well as thousands of miles of gathering and transmission system pipelines including oil, gas, refined products and produced water, which has similar properties to the brine being produced and transported for the South West Arkansas Project.

 

5.As a result of my experience and qualifications, I am a Qualified Person as defined in National Instrument 43-101 Standards of Disclosure for Mineral Projects ("NI 43-101").

 

6.I have read the definition of "Qualified Person" set out in the NI 43-101 and certify that by virtue of my education, affiliation to a professional association and past relevant work experience, I fulfil the requirements to be a "Qualified Person" for those sections of the Technical Report that I am responsible for preparing.

 

7.I visited the project site on October 10, 2024 and August 5, 2025.

 

8.I am responsible for Sections 1.12, 1.19, 2.4.4, 16.3.3, 17.3, 18.3, 18.9, 21.2.3.2, 21.3.2.7, 24.3.1, 25.5.1, 25.9.4 and 26.1 of the Technical Report.

 

9.I am independent of Standard Lithium as independence is defined in Section 1.5 of NI 43-101.

 

10.I have had no previous involvement with the South West Arkansas Project

 

11.I have read NI 43-101 and the sections of the Technical Report for which I am responsible have been prepared in compliance with that Instrument. As of the effective date of the Technical Report, to the best of my knowledge, information and belief, the sections of the Technical Report for which I am responsible contain all scientific and technical information that is required to be disclosed to make those sections of the Technical Report not misleading.

 

Dated: October 14, 2025

 

/signed/

 

Thomas Wynn Rogers, Jr., P.E.

 

Page 1 of 1

 
  

 

 

Certificate of Qualified Person
Richard Delong, P.G.

 

I, Richard DeLong, Professional Geologist, certify that I am employed as a Senior Technical Advisor with Trinity Consultants, Inc, and their wholly owned subsidiary WestLand Engineering & Environmental Services, (Trinity), with an office address of 501 Longley Lane, Suite 5, Reno NV 89511.

 

1.This certificate applies to the technical report titled “South West Arkansas Project NI 43-101 Technical Report and Definitive Feasibility Study” that has an effective date of September 3, 2025 (the “Technical Report”).

 

2.I graduated from the University of Idaho with Master’s Degrees in Resource Management in 1984 and Geology in 1986.

 

3.I am a Professional Geologist registered with the State of Idaho (No. 727) and the State of California (No. 5570). In addition, I am a Qualified Professional with the Mining and Metallurgical Society of America in Environmental Permitting and Compliance (No. QP1471).

 

4.I have practiced my profession continuously for 37 years with experience in permit acquisition for mining and exploration projects, environmental due diligence of operating and idle mineral development properties, and the assessment of permit acquisition risks associated with property acquisition and development. This include properties and project in North and South America, principally in the western United States, including Pipeline Mine Nevada, Goldstike Mine Nevada, Pinto Valley Mine Arizona, Aurora Mine, Gyana, Hog Mountain Mine Alabama, Three Hills Mine Nevada, Delamar Mine Idaho, Black Pine Mine Idaho, Cripple Creek Colorado, Nixon Fork Mine Alaska, Grassy Mountain Mine Oregon, Rhyolite Ridge Mine Nevada, Jerritt Canyon Mine Nevada, Sleeper Mine Nevada, Florance Copper Mine Arizona and Rand Mine California. The Rhyolite Ridge Mine is a lithium boron project that I was the lead on permitting in 2024. I have also worked on multiple lithium brine and claystone exploration projects.

 

5.I have read the definition of “Qualified Person” set out in the National Instrument 43-101 Standards of Disclosure for Mineral Projects (“NI 43-101”) and certify that by virtue of my education, affiliation to a professional association and past relevant work experience, I fulfil the requirements to be a “Qualified Person” for those sections of the Technical Report that I am responsible for preparing.

 

6.I visited the project site on June 27, 2025 for one day.

 

7.I am responsible for Sections 1.13, 1.19, 2.4.5, 20, 24.1, 25.6, 25.9.5, 26.1 and 26.6 of the Technical Report.

 

8.I am independent of Standard Lithium as independence is defined in Section 1.5 of NI 43-101.

 

9.I have not been previously involved with the South West Arkansas Project.

 

10.I have read NI 43-101 and the sections of the Technical Report for which I am responsible have been prepared in compliance with that Instrument. As of the effective date of the Technical Report, to the best of my knowledge, information and belief, the sections of the Technical Report for which I am responsible contain all scientific and technical information that is required to be disclosed to make those sections of the Technical Report not misleading.

 

Dated: October 14, 2025

 

/signed/

 

Richard DeLong, P.G.

 

Page 1 of 1

 

 

 

Important Notice

 

This report was prepared as a National Instrument 43-101 Technical Report for Standard Lithium Ltd. by Ausenco Engineering Canada ULC (Ausenco), Haas & Cobb Petroleum Consultants (Haas & Cobb), Hunt, Guillot & Associates, LLC (HGA), and Trinity Consultants Inc. (Trinity), collectively, the Report Authors. The quality of information, conclusions, and estimates contained herein is consistent with the level of effort involved in the Report Authors’ services, based on (i) information available at the time of preparation, (ii) data supplied by outside sources, and (iii) the assumptions, conditions, and qualifications set forth in this report. This report is intended for use by Standard Lithium Ltd. subject to terms and conditions of its contracts with each of the Report Authors. Except for the purposed legislated under Canadian provincial and territorial securities law, any other uses of this report by any third party are at that party’s sole risk.

 

Acknowledgement

 

This material is based upon work supported by the U.S. Department of Energy’s Office of Manufacturing Energy and Supply Chains under award Number DE-MS-0000099. This report was prepared as an account of work sponsored by an agency of the United States Government. Neither the United States Government nor any agency thereof, nor any of their employees, makes any warranty, express or implied, or assumes any legal liability or responsibility for the accuracy, completeness, or usefulness of any information, apparatus, product, or process disclosed, or represents that its use would not infringe privately owned rights. Reference herein to any specific commercial product, process, or service by trade name, trademark, manufacturer, or otherwise does not necessarily constitute or imply its endorsement, recommendation, or favouring by the United States Government or any agency thereof. The views and opinions of authors expressed herein do not necessarily state or reflect those of the United States Government or any agency thereof.

 

South West Arkansas Project 
NI 43-101 Technical Report & Definitive Feasibility StudyOctober 14, 2025

 

 

 

Table of Contents

 

1 Summary 1
  1.1 Introduction 1
  1.2 Project Setting, Property Description and Location 1
  1.3 Mineral Tenure, Surface Rights, Water Rights, Royalties and Agreements 1
  1.4 Geology and Mineralization 2
  1.5 Exploration 2
  1.6 Drilling and Sampling 3
  1.7 Metallurgical Testwork 4
  1.8 Mineral Resource Estimate 4
  1.9 Mineral Reserve Estimate 5
  1.10 Mining Methods 6
  1.11 Recovery Methods 6
  1.12 Project Infrastructure 7
  1.13 Environmental, Permitting and Social Considerations 8
  1.14 Markets and Contracts 8
  1.15 Capital and Operating Cost 8
  1.15.1 Capital Cost Estimate 8
1.15.2 Operating Cost Estimate 9
  1.16 Economic Analysis 10
  1.16.1 Economic Summary 10
1.16.2 Sensitivity Analysis 13
  1.17 Execution Schedule 14
  1.18 Interpretations and Conclusions 14
  1.19 Recommendations 14
2 Introduction and Terms of Reference 15
  2.1 Introduction 15
  2.2 Terms of Reference 15
  2.3 Qualified Persons 16
  2.4 Site Visits and Scope of Personal Inspection 16
2.4.1 Patricio Pinto Site Visit 17
    2.4.2 Randal Brush Site Visit 17
    2.4.3 Robert Williams Site Visit 17
    2.4.4 Thomas Wynn Rogers Site Visit 17
    2.4.5 Richard DeLong Site Visit 18

 

South West Arkansas ProjectPage i
  
NI 43-101 Technical Report & Definitive Feasibility StudyOctober 14, 2025

 

 

 

    2.4.6 Aleksandar Spasojevic 18
  2.5 Effective Dates 18
  2.6 Information Sources & References 18
  2.7 Previous Technical Reports 18
  2.8 Currency, Units, Abbreviations and Definitions 19
3 Reliance On Other Experts 22
  3.1 Introduction 22
  3.2 Property Agreements, Mineral Tenure, Surface Rights and Royalties 22
  3.3 Taxation 22
  3.4 Markets 22
4 Property Description and Location 23
  4.1 Introduction 23
  4.2 Property Description and Location 23
  4.3 Lithium-Brine Mineral Production Rights 23
  4.4 Brine Mineral Leases 25
  4.5 Surface Rights 30
  4.6 Unitization 30
  4.7 Integration 31
  4.8 Royalty Payments 32
  4.9 Property Environmental Liabilities and Permitting 33
  4.10 Risks and Uncertainties 33
5 Accessibility, Climate, Local Resources, Infrastructure & Physiography 34
  5.1 Accessibility 34
    5.1.1 Road Access 34
    5.1.2 Airport Access 34
    5.1.3 Rail Access 34
    5.1.4 Port Facilities 36
    5.1.5 Access Route and Off-Site Highway 36
  5.2 Climate 36
  5.3 Local Resources and Infrastructure 38
    5.3.1 Local Labor 38
    5.3.2 Transport 38
    5.3.3 Water 38
    5.3.4 Power 38
    5.3.5 Supporting Services 38
  5.4 Physiography 38

 

South West Arkansas ProjectPage ii
  
NI 43-101 Technical Report & Definitive Feasibility StudyOctober 14, 2025

 

 

 

6 History 39
  6.1 Prior Drilling Activity on the South West Arkansas Property 39
  6.2 Regional Assessment of the Lithium Potential of the Smackover Formation Brine 41
  6.3 South West Arkansas Property Historical Infrastructure Summary 43
7 Geological Setting and Mineralization 44
  7.1 Introduction 44
  7.2 Gulf Coast Tectono-Depositional Framework 44
  7.3 Triassic Jurassic Stratigraphy 45
  7.4 Smackover Formation 47
  7.5 The Smackover Formation Mineralization 52
8 Deposit Types 53
9 Exploration 54
  9.1 Subsurface Lithium Concentration Data Review 54
  9.2 Lithium Concentration Data Sampling (2018 to 2025) 54
  9.3 Exploration Results and Interpretation 56
10 Drilling 59
  10.1 Historical Drilling 59
  10.2 Standard Lithium Exploration Program 61
    10.2.1 Taylor, Beulah et al. 1 – Well Re-Entry (2023) 64
    10.2.2 International Paper Company No. 1 – Well Re-Entry (2023, 2024, 2025) 65
    10.2.3 Carter-Moore 1 – Well Re-Entry (2023) 65
    10.2.4 Speer 1 New Well (2023) and Re-Entry (2024) 65
    10.2.5 Montague 1 New Well (2023) and Re-Entry (2024) 66
    10.2.6 Lester 2 New Well (2025) 66
11 Sample Preparation, Analyses, and Security 67
  11.1 Sampling Methods 67
  11.2 Sample Preparation, Analyses and Security 67
    11.2.1 Brine Sample Collection 67
    11.2.2 Security 68
    11.2.3 Analytical Methodology 69
  11.3 Quality Control/Quality Assurance 70
    11.3.1 Field Duplicate Samples 70
    11.3.2 Field Blanks 70
  11.4 Other Data: Well Logs 71
  11.5 Other Data: Core Reports 71
  11.6 Summary 71

 

South West Arkansas ProjectPage iii
  
NI 43-101 Technical Report & Definitive Feasibility StudyOctober 14, 2025

 

 

 

12 Data Verification 72
  12.1 Verification of Lithium Concentration Data 72
  12.2 Verification of Well Logs and Core Data 74
  12.3 Qualified Person’s Opinion – Well Logs and Core Data 74
  12.4 Verification of Metallurgical and Mineral Processing Data 74
  12.5 Pinto Qualified Person’s Opinion – Demonstration Plant and Technology 75
13 Mineral Processing and Metallurgical Testing 76
  13.1 Introduction 76
  13.2 Overview 76
    13.2.1 Demonstration Plant 78
    13.2.2 South West Arkansas Brine LSS Pilot Plant 79
  13.3 Metallurgical Testwork 81
    13.3.1 Brine Pre-Treatment Testing 81
    13.3.2 DLE Testing 82
    13.3.3 Lithium Chloride Solution Purification and Concentration 85
    13.3.4 Lithium Chloride Conversion to Lithium Carbonate 88
  13.4 Process Testing QA/QC 90
  13.5 Metallurgical Variability 90
  13.6 Deleterious Elements 90
  13.7 Recovery Estimates 91
  13.8 Comments on Mineral Processing and Metallurgical Testing 91
14 Mineral Resource Estimates 92
  14.1 Geological Model Description 93
  14.2 Lithium Resource Estimates 101
  14.3 QP Discussion 102
  14.4 Discussion of Risks and Uncertainties 103
15 Mineral Reserve Estimates 104
  15.1 Introduction 104
  15.2 Simulation Model Description 105
  15.3 Lithium Reserve Estimate 108
  15.4 Project Modifying Factors 108
  15.5 Discussion of Results 109
  15.6 Discussion of Risks and Uncertainties 110
16 Mining Methods 111
  16.1 Lithium Recovery Process 111
  16.2 Wellfield Overview 112
  16.3 Wellfield Configuration 114

 

South West Arkansas ProjectPage iv
  
NI 43-101 Technical Report & Definitive Feasibility StudyOctober 14, 2025

 

 

 

    16.3.1 Brine Supply Wells 114
    16.3.2 Brine Injection Wells 114
    16.3.3 Well Pad Configuration 114
17 Recovery Methods 116
  17.1 Overview 116
  17.2 Process Flowsheet 117
  17.3 Wellfield Design 118
    17.3.1 Production Well System 118
    17.3.2 Three-Phase Separator 118
    17.3.3 Sour Gas System 119
    17.3.4 Injection Well System 119
    17.3.5 Corrosion and Scale Inhibitor Systems 120
  17.4 Plant Design 120
    17.4.1 Brine Pre-Treatment 122
    17.4.2 Direct Lithium Extraction (DLE) 122
    17.4.3 Lithium Chloride Purification and Concentration 123
    17.4.4 Lithium Carbonate Conversion 125
    17.4.5 Lithium-Depleted Brine Treatment and Reinjection 127
  17.5 Product Handling 127
    17.5.1 Brine and Sour Gas 127
    17.5.2 Battery-Quality Lithium Carbonate 127
  17.6 Energy, Water, and Process Materials Requirements 128
    17.6.1 Power 128
    17.6.2 Water 128
    17.6.3 Reagents 129
18 Infrastructure 130
  18.1 Introduction 130
  18.2 Site Access 131
  18.3 Wellfield and Pipeline Built Infrastructure 131
    18.3.1 Wellfields and Pipelines 131
  18.4 Central Processing Facility Built Infrastructure 133
    18.4.1 Central Processing Facility Infrastructure 134
    18.4.2 Foundation Conditions and Site Preparation 134
    18.4.3 Accommodation 135
  18.5 Ponds 135
  18.6 Support Services 135
    18.6.1 Transportation 135

 

South West Arkansas ProjectPage v
  
NI 43-101 Technical Report & Definitive Feasibility StudyOctober 14, 2025

 

 

 

    18.6.2 Reagents 135
    18.6.3 Utilities 136
    18.6.4 Fire Protection 140
    18.6.5 Security 141
  18.7 Telecommunications 141
  18.8 Water Supply and Management 141
  18.9 Comments on Project Infrastructure 142
19 Market Studies and Contracts 144
  19.1 Market Studies 144
    19.1.1 Demand 144
    19.1.2 Supply 146
  19.2 Commodity Price Projections 148
    19.2.1 Price Recommendation 149
  19.3 Contracts 149
  19.4 Comments on Market Studies and Contracts 150
20 Environmental Studies, Permitting, & Social or Community Impact 151
  20.1 Environmental Considerations 151
    20.1.1 Baseline and Supporting Studies 151
    20.1.2 Environmental Monitoring 154
    20.1.3 Water Management 154
  20.2 Permitting Considerations 154
    20.2.1 Federal Permits and Authorizations 155
    20.2.2 State of Arkansas Permitting 157
    20.2.3 Additional Permits and Authorizations 159
  20.3 Social Considerations 159
  20.4 Closure and Reclamation Planning 160
    20.4.1 Closure and Reclamation Plans 160
    20.4.2 Closure Cost Estimates 160
21 Capital and Operating Costs 161
  21.1 Introduction 161
  21.2 Capital Costs 161
    21.2.1 Overview 161
    21.2.2 Basis of Estimate 163
    21.2.3 Brine Production Capital Costs 164
    21.2.4 Process Capital Costs 166
    21.2.5 Infrastructure Capital Costs 168
    21.2.6 Indirect Capital Costs 171

 

South West Arkansas ProjectPage vi
  
NI 43-101 Technical Report & Definitive Feasibility StudyOctober 14, 2025

 

 

 

    21.2.7 Owner (Corporate) Capital Costs 171
    21.2.8 Estimate Growth, Estimate Contingency, and Accuracy 172
  21.3 Operating Costs 174
    21.3.1 Overview 174
    21.3.2 Fixed Operating Costs 175
    21.3.3 Variable Operating Costs 179
  21.4 Comments on Capital and Operating Costs 182
    21.4.1 Capital Cost Estimate 182
    21.4.2 Operating Cost Estimate 182
22 Economic Analysis 183
  22.1 Forward-Looking Information Cautionary Statements 183
  22.2 Methodologies Used 184
  22.3 Financial Model Parameters 184
    22.3.1 Taxes 184
    22.3.2 Working Capital 185
    22.3.3 Closure Costs 185
    22.3.4 Royalties 185
  22.4 Economic Analysis 185
  22.5 Sensitivity Analysis 190
23 Adjacent Properties 194
  23.1 Albemarle Corporation 195
  23.2 Saltwerx, LLC 195
  23.3 TETRA Technologies 195
24 Other Relevant Data and Information 196
  24.1 Federal, State and Local Support 196
  24.2 Project Execution 196
  24.3 Central Processing Facility (CPF) 196
    24.3.1 Wellfield 197
    24.3.2 Ramp-Up Considerations 197
  24.4 Execution Schedule 197
25 Interpretation and Conclusions 198
  25.1 Introduction 198
  25.2 Mineral Tenure, Surface Rights, Royalties and Agreements 198
  25.3 Geology, Resources and Reserve Estimate 198
  25.4 Metallurgy and Process 199
  25.5 Infrastructure 199
    25.5.1 Wellfields 199

 

South West Arkansas ProjectPage vii
  
NI 43-101 Technical Report & Definitive Feasibility StudyOctober 14, 2025

 

 

 

    25.5.2 Central Processing Facility 199
  25.6 Environmental, Permitting, and Social Considerations 200
  25.7 Capital and Operating Costs 200
  25.8 Economic Analysis 201
  25.9 Risks 201
    25.9.1 Mineral Tenure, Surface Rights, Water Rights, Royalties and Agreements 201
    25.9.2 Geology, Resource and Reserve Estimate 201
    25.9.3 Metallurgical Testwork 202
    25.9.4 Infrastructure 203
    25.9.5 Environmental, Permitting, Social and Community Considerations 203
  25.10 Opportunities 204
    25.10.1 Mineral Tenure 204
    25.10.2 Improve Reservoir Description 204
    25.10.3 Evaluate the Future Expansion Area Development 204
    25.10.4 Processing 204
26 Recommendations 205
  26.1 Introduction 205
  26.2 Mineral Tenure, Surface Rights, Royalties and Agreements 205
  26.3 Geology, Resource and Reserve Estimate 205
  26.4 Metallurgy and Process 206
  26.5 Infrastructure 206
  26.6 Environmental 207
  26.7 Project Schedule 207
27 References 208

 

South West Arkansas ProjectPage viii
  
NI 43-101 Technical Report & Definitive Feasibility StudyOctober 14, 2025

 

 

 

List of Tables

 

Table 1-1: South West Arkansas Property Geological Factors and Indicated Lithium Resource Estimates 4
Table 1-2: South West Arkansas Property Geological Factors and Inferred Lithium Resource Estimates 5
Table 1-3: Initial Phase Proven and Probable Reserves 6
Table 1-4: Capital Cost Estimate 9
Table 1-5: Operating Cost Summary 10
Table 1-6: Economic Analysis Summary 11
Table 2-1: Report Contributors 16
Table 2-2: Site Visits 16
Table 2-3: Glossary and Abbreviations 19
Table 2-4: Units of Measurement 20
Table 4-1: Mineral Leases 26
Table 5-1: Representative Climate Values 37
Table 9-1: South West Arkansas Property Lithium Concentration Data 55
Table 10-1: Types of Well Data 59
Table 10-2: Well Actions Taken During Exploration Programs 63
Table 11-1: Comparison of Field Duplicate Samples from the 2023-2025 Sampling Programs 70
Table 12-1: Comparison of Verification Samples from the 2023 Sampling Program 73
Table 13-1: LSS Feed Compositions 79
Table 13-2: LSS Process Parameters 82
Table 13-3: LSS Pilot Plant – Process Parameters 84
Table 13-4: Battery Quality Lithium Carbonate Specifications 89
Table 14-1: South West Arkansas Property Geological Factors and Indicated Lithium Resource Estimates 101
Table 14-2: South West Arkansas Property Geological Factors and Inferred Lithium Resource Estimates 102
Table 15-1: Initial Phase Proven and Probable Reserves 107
Table 15-2: Initial Phase Proven and Probable Reserves 108
Table 15-3: Reserves Modifying Factors 109
Table 17-1: Summary of Process Design Basis 117
Table 17-2: Site Power Generation 128
Table 17-3: Reagents 129
Table 18-1: Buildings and Facilities 133
Table 18-2: Well Pad Facility Electrical Requirements 136
Table 18-3: Site Power Generation 137
Table 19-1: Battery-quality Lithium Carbonate Specification Main Requirements 150
Table 20-1: Applicable Permits and Schedule for South West Arkansas Project 155
Table 21-1: Initial Capital Cost Estimate 162
Table 21-2: Sustaining Capital Cost Estimate 162
Table 21-3: Summary of Subsurface Initial Capital Cost 164
Table 21-4: Summary of Subsurface Sustaining Capital Cost 164

 

South West Arkansas ProjectPage ix
  
NI 43-101 Technical Report & Definitive Feasibility StudyOctober 14, 2025

 

 

 

Table 21-5: Summary of Wellfields and Pipelines Initial Capital Cost 165
Table 21-6: Summary of Wellfields and Pipelines Sustaining Capital Cost 165
Table 21-7: Summary of Process Plant & Utilities Capital Costs 166
Table 21-8: Summary of Process Plant & Utilities Capital Costs 166
Table 21-9: Mechanical Equipment Supply Basis for CPF and Utilities 167
Table 21-10: Electrical Equipment Supply Basis for CPF and Utilities 168
Table 21-11: Summary of On-Site Infrastructure Capital Costs 168
Table 21-12: Summary of Indirect Initial Capital Costs 171
Table 21-13: Summary of Indirect Sustaining Capital Costs 171
Table 21-14: Summary of Owner’s Costs 172
Table 21-15: Growth Allowances 173
Table 21-16: Results of Probabilistic Analysis for Initial Capital 174
Table 21-17: Results of Probabilistic Analysis for Sustaining Capital 174
Table 21-18: Operating Cost Summary 175
Table 21-19: G&A Personnel 176
Table 21-20: CPF Production Personnel 177
Table 21-21: Annualized Operating Cost 181
Table 22-1: Economic Analysis Summary 186
Table 22-2: Cashflow Statement on an Annualized Basis 188
Table 22-3: Pre-Tax Sensitivity Table 190
Table 22-4: Post-Tax Sensitivity Table 191
Table 26-1: Recommended Work Program 205

 

South West Arkansas ProjectPage x
  
NI 43-101 Technical Report & Definitive Feasibility StudyOctober 14, 2025

 

 

 

List of Figures

 

Figure 1-1: Standard Lithium 2023 to 2025 Exploration Program 3
Figure 1-2: Process Block Flow Diagram 7
Figure 1-3: Projected Life-of-Mine Post-Tax Unlevered Free Cash Flow 12
Figure 1-4: Post-Tax Sensitivity Charts 13
Figure 1-5: High-Level Summary Schedule 14
Figure 4-1: South West Arkansas Project Location 24
Figure 4-2: Property Ownership Summary 28
Figure 4-3: Reynolds Brine Unit and Reynolds Expansion Brine Unit 29
Figure 4-4: Royalties Calculation 32
Figure 5-1: Property Location showing Road and Rail Access Routes 35
Figure 5-2: Road and Rail Infrastructure Adjacent to Project Site 36
Figure 5-3: Average Temperature and Precipitation in Lewisville, AR 37
Figure 6-1: Albemarle Property and Lanxess Property Recent Brine Production, 2000 to 2024 39
Figure 6-2: Regional Smackover Formation Lithium Brine Values (USGS National Produced Waters Database) 41
Figure 6-3: Historical Smackover Formation Lithium Brine Values Derived within and Adjacent to the South West Arkansas Property 42
Figure 6-4: Well Status on the South West Arkansas Property 43
Figure 7-1: Stratigraphic Column of the Late Triassic to Late Jurassic Formations of the Northern Gulf Coast 45
Figure 7-2: Facies Map of the Smackover Formation, Northern Gulf Coast Basin 48
Figure 7-3: Structural Framework, Northern Gulf Coast 49
Figure 7-4: Smackover Stratigraphic Column 50
Figure 7-5: Smackover Formation Structure Map 51
Figure 7-6: West to East Exploration Program Wells Structural Cross-Section 52
Figure 9-1: Upper and Middle Smackover Lithium Average Concentrations 56
Figure 9-2: Upper Smackover Lithium Average Concentrations 57
Figure 9-3: Middle Smackover Average Lithium Concentrations 57
Figure 10-1: Upper Smackover Formation Well Data Source 60
Figure 10-2: Middle Smackover Formation Well Data Source 60
Figure 10-3: South West Arkansas Property Exploration Program 62
Figure 10-4: Montague 1 Type Well 64
Figure 13-1: Project Process Block Flow Diagram 77
Figure 13-2: Standard Lithium Demonstration Plant 78
Figure 13-3: Temporary LSS Pilot Plant at the Mission Creek Dorcheat Gas Plant 80
Figure 13-4: Commercial-Scale LSS Column at the Demonstration Plant 83
Figure 13-5: LSS Column at the Pilot Plant 84
Figure 13-6: Calcium, Magnesium, and Boron Ion Exchange System at the Demonstration Plant 86
Figure 13-7: Osmotically Assisted Reverse-Osmosis System at the Demonstration Plant 87
Figure 14-1: South West Arkansas Field Smackover Type Well, Montague 1 94

 

South West Arkansas ProjectPage xi
  
NI 43-101 Technical Report & Definitive Feasibility StudyOctober 14, 2025

 

 

 

Figure 14-2: Core Data Plot 94
Figure 14-3: Porosity Log Calibration to Core Data Plot 96
Figure 14-4: Montague 1 Porosity Log Net Pay Example 96
Figure 14-5: Stratigraphic Cross-Section, Exploration Program Wells 98
Figure 14-6: Total Upper Smackover Net Porosity-Thickness 99
Figure 14-7: Total Middle Smackover Net Porosity-Thickness 100
Figure 15-1: Initial Phase Brine Concentration and Lithium Carbonate Yearly Production Estimate 106
Figure 16-1: Production Plan 112
Figure 16-2: Reynolds Brine Unit Wellfield Configuration 113
Figure 16-3: Typical Well Pad Layout 115
Figure 17-1: Overall Process Flowsheet 117
Figure 17-2: Pad Three-Phase Brine Separation Process Flowsheet 119
Figure 17-3: Central Processing Facility Plan Overview 121
Figure 18-1: Central Processing Facility Location 130
Figure 18-2: Well Pad Locations 132
Figure 19-1: Demand for Li-Ion Cells 145
Figure 19-2: EV Sales Forecast by Market 145
Figure 19-3: Supply Forecast 146
Figure 19-4: Lithium Supply Forecast 147
Figure 19-5: History of Lithium Chemical Pricing 148
Figure 19-6: Global 2025 Lithium Cost Curve 149
Figure 22-1: Projected Life-of-Mine Post-Tax Unlevered Free Cash Flow 187
Figure 22-2: Pre-Tax Sensitivity Charts 192
Figure 22-3: Post-Tax Sensitivity Charts 193
Figure 23-1: Adjacent Properties 194
Figure 24-1: High-Level Summary Schedule 197

 

South West Arkansas ProjectPage xii
  
NI 43-101 Technical Report & Definitive Feasibility StudyOctober 14, 2025

 

 

 

1Summary

 

1.1Introduction

 

This technical report and definitive feasibility study (DFS) have been prepared for Standard Lithium Ltd. (Standard Lithium) by Ausenco Chile Limitada and Ausenco Engineering Canada ULC (Ausenco), Hunt, Guillot & Associates LLC (HGA), Haas & Cobb Petroleum Consultants (Haas & Cobb) and Trinity Consultants Inc. (Trinity) to conform to the regulatory requirements of Canadian National Instrument 43-101 (NI 43-101) and in accordance with the requirements of Form 43-101 F1 Standards of Disclosure for Mineral Projects.

 

Smackover Lithium is a Joint Venture (JV) between Standard Lithium and Equinor. Formed in May 2024, Smackover Lithium is developing two DLE projects, one of which is the basis of this technical report and DFS, the South West Arkansas (SWA) Project. Standard Lithium owns a 55% interest and Equinor holds the remaining 45% in the two projects, with Standard Lithium maintaining operatorship.

 

The responsibilities of the engineering companies contracted by Standard Lithium under the Smackover Lithium umbrella to prepare this report are as follows:

 

·Ausenco managed and coordinated the work related to the report, reviewed the metallurgical test results and developed a feasibility-level design and cost estimate for the process plant infrastructure, general site infrastructure, and economic analysis.

 

·HGA completed a feasibility-level design and cost estimate for the wellfield and pipelines.

 

·Haas & Cobb completed the work related to the geological setting, exploration work, sample preparation, data verification and developed the resource and reserve estimate for the Project, as well as the production plan for the project.

 

·Trinity developed the environmental analysis.

 

1.2Project Setting, Property Description and Location

 

The centre of South West Arkansas Project is approximately 24 km (15 miles) west of the City of Magnolia in Arkansas, United States. The property encompasses Townships 16 to 17 South and Ranges 22-24 West of the 5th Meridian and lies wholly within Lafayette and Columbia counties.

 

1.3Mineral Tenure, Surface Rights, Water Rights, Royalties and Agreements

 

The project comprises 947 brine leases and eight brine deeds that cover approximately 11,438 net mineral hectares (28,263 net mineral acres). The first phase project area, known as the Reynolds brine unit, has been approved by the Arkansas Oil and Gas Commission (AOGC) and consists of 8,439 gross mineral hectares (20,854 gross mineral acres). Of the remaining acreage, a portion will be integrated by means of a unit expansion application with the AOGC ahead of project sanction for the second phase, which will be known as the Reynolds brine unit expansion area.

 

South West Arkansas ProjectPage 1
  
NI 43-101 Technical Report & Definitive Feasibility StudyOctober 14, 2025

 

 

 

TETRA Technologies Inc. (TETRA) is the underlying owner of many of the brine leases and brine deeds. Standard Lithium acquired the rights to produce brine-sourced lithium from these leases and deeds through an option agreement with TETRA. In addition, Smackover Lithium, the Joint Venture Standard Lithium and Equinor acquired additional brine leases owned exclusively by TETRA and Saltwerx, LLC through a like-kind brine lease exchange completed in April 2025. In 2023 Standard Lithium purchased 48 hectares (118 acres) of surface land to build the central processing facility (CPF) for the South West Arkansas Project, and Smackover Lithium has subsequently executed surface leases and/or option agreements for the Reynolds brine unit well locations, well pad locations, and pipeline rights-of-way in support of future development. As of the date of this report, the Joint Venture between Standard Lithium and Equinor has successfully completed unitization and has established a lithium royalty for the Reynolds brine unit. None of Standard Lithium, Equinor or TETRA has developed the project brine leases and brine deeds for production of brine minerals.

 

1.4Geology and Mineralization

 

The South West Arkansas lithium deposit is a confined aquifer brine deposit in the form of a lithium-bearing brine contained within the porosity of the Smackover Formation within the project’s property boundaries. The Smackover Formation in southern Arkansas is commonly subdivided into three intervals, the Reynolds Member Oolite (predominantly oolitic limestone), referred to in this report as the “Upper Smackover”, the “Middle Smackover” (a burrowed pellet packstone), and the Brown Dense (dark, dense limestone), referred to in this report as the “Lower Smackover”. The lithium brine resource, as reported, is contained within the Upper and Middle Members of the Smackover Formation (which underlie the entire project area). The Lower Smackover does not contribute to the resource estimates in this report but is a future target for exploration.

 

The depth of the top of the Smackover Formation in the property area generally dips from north-northeast to south-southwest and varies in depth from approximately 2,316 m (7,600 ft) subsea to approximately 2,773 m (9,100 ft) subsea. Brine has been extracted commercially from the Smackover Formation in southern Arkansas for approximately 60 years and the geology is well-understood.

 

The volume of in-place lithium is proportional to the product of the brine-saturated pore volume and lithium concentration, both of which are known with reasonable accuracy, based on the drilling, logging, coring, and brine sampling data obtained throughout the South West Arkansas property area. The data used to estimate and model the resource were gathered from the six project-specific wells described in Section 1.6 along with 93 prior wells in the property and 316 additional prior oil and gas production wells adjacent to the property, as well as surface seismic information.

 

1.5Exploration

 

Standard Lithium successfully executed a six-well exploration program that significantly improved the geological description of the target Smackover Formation. The program addressed the three key factors that determine the quality of the resource: the total volume of brine based on core and log porosity data, the brine’s lithium concentration based on the analysis of multiple brine samples from the wells, and the productivity of the formation based on the core permeability data collected and the well tests conducted. It is the opinion of the QP that the resulting data and analyses support the conclusion that the measured, indicated, and inferred resources present at the South West Arkansas property are of sufficient quality to justify installation of a lithium extraction project at the site.

 

South West Arkansas ProjectPage 2
  
NI 43-101 Technical Report & Definitive Feasibility StudyOctober 14, 2025

 

 

 

1.6Drilling and Sampling

 

From February to July, 2023, Standard Lithium conducted a five-well exploration program at the South West Arkansas property, followed by additional well brine sampling and drilling in 2024 and 2025. This 2023 program included re-entry into three existing abandoned wells (Taylor, Beulah et al. 1, International Paper Co. 1 (IPC-1), and Carter-Moore 1) and drilling two new wells (Speer 1 and Montague 1). These five well locations were chosen to maximize the description of the geological properties and lithium concentrations within the South West Arkansas property. In 2024 and 2025, the brine from the IPC-1 well was re-sampled, and in 2025 the Lester 2 well was drilled, logged, and the brine was sampled. Figure 1-1 shows the locations of those six wells and the observed maximum and average Upper Smackover lithium concentrations. In support of further project definition in the expansion area, two additional wells will be considered to provide additional data in support of field development and reserve classification.

 

Figure 1-1: Standard Lithium 2023 to 2025 Exploration Program

 

 

 

Source: Standard Lithium (2025).

 

South West Arkansas ProjectPage 3
  
NI 43-101 Technical Report & Definitive Feasibility StudyOctober 14, 2025

 

 

 

1.7Metallurgical Testwork

 

Standard Lithium has been operating a demonstration plant in southern Arkansas for 5.5 years. This has allowed different water treatment and lithium extraction technologies to be assessed to further define the flowsheet that will be used for the commercial facility planned for the South West Arkansas Project.

 

A dedicated, temporary DLE pilot plant using LSS (as defined below) technology was constructed at the Mission Creek Resources Dorcheat gas plant in Q4 2024 adjacent to the South West Arkansas brine lease area. Brine from a brine lease well was extracted over several months in Q4 2024 and Q1 2025 and processed through the pilot plant for three months to validate LSS performance using South West Arkansas brine as the feed source.

 

Testing from three OEM (as defined below) carbonation vendors confirmed battery-quality lithium carbonate can be produced, meeting the required impurity specifications for the project using lithium chloride produced via the pilot plant, which treated the same brine as will be processed by the project.

 

1.8Mineral Resource Estimate

 

The resource present in the Smackover Formation below the South West Arkansas property was updated based on the proposed unitized area encompassing 13,095 gross mineral hectares (32,358 gross mineral acres). Using a conversion factor of 5.323 kg of lithium carbonate equivalent (LCE) per kilogram of lithium, the measured plus indicated resource value corresponds to an estimate of 1,177,000 tonnes LCE for 0.5 km3 of brine. For the Middle Smackover inferred resource, the estimate is 278,000 tonnes LCE for 0.15 km3 of brine.

 

The lithium resource estimates are presented in Tables 1-1 and 1-2, effective September 3, 2025, and represent the estimated total lithium in place within the Upper Smackover and Middle Smackover formations within the bounds of the South West Arkansas property. Mineral resources that are not mineral reserves do not have demonstrated economic viability.

 

Table 1-1: South West Arkansas Property Geological Factors and Indicated Lithium Resource Estimates

 

Resource Category Measured Indicated Measured + Indicated
Project Area, Smackover Formation Initial Phase Upper Future Expansion Upper Total Upper
Gross Aquifer Volume, km3 4.33 2.12 6.45
Net Aquifer Volume, km3 2.86 1.39 4.25
Average Porosity, % 11.80 11.75 11.79
Brine Volume, km3 0.34 0.16 0.50
Average Lithium Concentration, mg/L 514 293 442
Lithium Resource, kt 173 48 221
LCE, kt 922 255 1,177

 

Notes: 1. The effective date of the resource estimate is September 3, 2025. 2. Numbers may not add up due to rounding. 3. The resource estimates were developed and classified in accordance with guidelines established by the Canadian Institute of Mining and Metallurgy. The associated Technical Report was completed in accordance with the Canadian Securities Administration’s National Instrument 43-101 and all associated documents and amendments. As per these guidelines, the resource was estimated in terms of metallic (or elemental) lithium. 4. To describe the resource in terms of ‘industry standard’ lithium carbonate equivalent, a conversion factor of 5.323 was used to convert elemental lithium to LCE.

 

South West Arkansas ProjectPage 4
  
NI 43-101 Technical Report & Definitive Feasibility StudyOctober 14, 2025

 

 

 

Table 1-2: South West Arkansas Property Geological Factors and Inferred Lithium Resource Estimates

 

Resource Category Inferred
Project Area, Smackover Formation Initial Phase Middle Future Expansion Middle Total Middle
Gross Aquifer Volume, km3 4.99 3.00 7.99
Net Aquifer Volume, km3 0.96 0.61 1.57
Average Porosity, % 9.05 9.88 9.37
Brine Volume, km3 0.09 0.06 0.15
Average Lithium Concentration, mg/L 452 215 355
Lithium Resource, kt 39 13 52
LCE, kt 210 68 278

 

Notes: 1. The effective date of the resource estimate is September 3, 2025. 2. Numbers may not add up due to rounding. 3. The resource estimates were developed and classified in accordance with guidelines established by the Canadian Institute of Mining and Metallurgy. The associated Technical Report was completed in accordance with the Canadian Securities Administration’s National Instrument 43-101 and all associated documents and amendments. As per these guidelines, the resource was estimated in terms of metallic (or elemental) lithium. 4. To describe the resource in terms of ‘industry standard’ lithium carbonate equivalent, a conversion factor of 5.323 was used to convert elemental lithium to LCE.

 

The updated 2025 resource for the South West Arkansas Project is approximately 20% less than the 2023 Pre-feasibility Study resource estimate. Approximately 12% of that reduction resulted from a reduced project area, and the remaining 8% reduction is associated with changes in net formation volume and lithium concentration resulting from the additional data gathered.

 

1.9Mineral Reserve Estimate

 

The lithium reserve estimates for the Upper Smackover Formation in the initial phase were obtained using a computer simulation model that directly incorporates the geological model used to estimate the resource values. The simulation model was used to track the varying lithium concentrations in the brine using a tracer component. Note, the Middle Smackover layers were deactivated for these evaluations because the Middle Smackover has an inferred lithium resource which can have no reserves associated with it. The model tracked the lithium concentration in the rich brine within the Upper Smackover and in the brine produced in each well, as well as the injected lean brine (with lithium removed), and the movement of the injected brine through the reservoir.

 

To estimate proven reserves associated with the Upper Smackover in the initial phase, a 20-year case was run assuming installation of the initial phase wells (26 total well: 14 production wells and 12 injection wells) at locations shown on Figure 16-2. Facility-limiting capacities of 11.6 Mm3 per year (200,000 barrels per day) of brine production capacity and 22,500 t/a of lithium carbonate processing capacity were assumed. To estimate the proven plus probable reserves associated with production of the initial phase past 20 years, the same simulation model was run for 40 years. The resulting rate forecasts are presented in Table 1-3.

 

South West Arkansas ProjectPage 5
  
NI 43-101 Technical Report & Definitive Feasibility StudyOctober 14, 2025

 

 

 

Table 1-3: Initial Phase Proven and Probable Reserves

 

Description Units Proven Reserves Probable Reserves Proven + Probable Reserves
Brine Volume Pumped Mm³ 195 232 427
Average Lithium Concentration mg/L 481 237 348
Lithium Metal Reserves Produced to Facility kt 94 55 149
LCE Reserves Recovered by Facility kt 447 262 709

 

Notes: 1. The effective date of the reserve estimate is September 3, 2025. 2. Any discrepancies in the totals are due to rounding effects. 3. The qualified person for the reserve estimate is Randal M. Brush, PE. 4. The proven case assumes a 20-year operating life. 5. Proven plus probable reserves assume a 40-year operating life. 6. Offtake is limited to 11.6 Mm3/a of brine production and 22,500 t/d of LCE facility processing capacity. 7. The reserves reference point for the brine volume, average lithium concentration, and lithium metal is the brine inlet to the project processing plant. 8. The reserves reference point for the LCE is the product output of the project processing plant. 9. Lithium carbonate production values consider plant processing efficiency factors. 10. The reserve estimate follows 2014 CIM Definition Standards and the 2019 CIM MRMR Best Practice Guidelines. 11. LCE is calculated using mass of LCE = 5.323 multiplied by mass of lithium metal. 12. The qualified person is not aware of any known environmental, permitting, legal, title-related, taxation, sociopolitical or marketing issues, or any other relevant issue, that could materially affect the potential development of resources other than those discussed in the resource estimates.

 

1.10Mining Methods

 

The resource will be extracted using a network of brine supply wells and brine injection wells (which are required for pressure maintenance and lithium recovery, and are used throughout the Arkansas brine industry). The configuration of this wellfield has been determined using a finite difference computer model based on the eight-layer geological model developed for the resource categorization. The results of this model indicate the Reynolds brine unit of the South West Arkansas property appears to be capable of producing over 20,000 t/a of lithium carbonate (the commercially sold form, also referred to as “LCE”) for 20 years or more, and has the capacity for significant further expansion.

 

1.11Recovery Methods

 

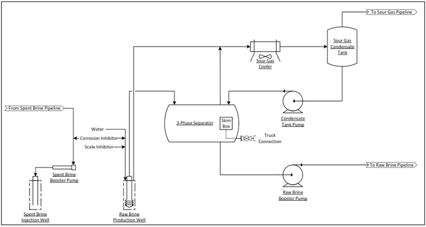
Lithium-rich brine is produced from wells completed in the Smackover Formation at vertical depths of approximately 2,600 to 2,900 m (8,500 to 9,400 feet) below mean sea level.

 

At the surface, raw brine from multiple wells is routed to a three-phase separator, where brine, sour gas, trace hydrocarbon liquids, and trace solids are separated. The cooled gas stream flows to a condensate tank for final vapour-liquid separation. Dry sour gas is transferred via pipeline to a third-party facility, and recovered condensate is recirculated to the separator.

 

Raw brine is transferred from the separator to the CPF. The remaining balance of sour gas in the raw brine is extracted at the air stripping unit (at the CPF) prior to entry to the primary processing units. At the CPF, lithium is recovered through proprietary processing methods. The resulting lithium-depleted spent brine is returned to the well pads and reinjected into the formation using horizontal multi-stage centrifugal pumps.

 

South West Arkansas ProjectPage 6
  
NI 43-101 Technical Report & Definitive Feasibility StudyOctober 14, 2025

 

 

 

The CPF considers a nominal production of 22,500 t/a of battery-quality lithium carbonate (Li2CO3) by processing up to 1,325 m3/h (200,000 bbl/d) of brine from the Smackover Formation.

 

The project utilizes the lithium selective sorption (LSS) process to directly extract lithium ions from Smackover brine. LSS is a Koch Technology Solutions, LLC (KTS) proprietary technology. Under the joint development agreement with KTS, Standard Lithium has Smackover regional exclusivity for the LSS process for a period of time.

 

As shown in Figure 1-3, the brine from the wellfield is degassed, filtered, pH and temperature adjusted, followed by lithium extraction using the LSS process. The LSS product is concentrated by conventional reverse osmosis, chemically softened for calcium and magnesium removal, and then passed through ion exchange columns to remove the residual calcium, magnesium, and boron. The treated brine is further concentrated by OARO and NaCl crystallization prior to conventional two-stage lithium carbonate crystallization to produce battery-quality Li2CO3.

 

Figure 1-2: Process Block Flow Diagram

 

 

Source: Ausenco (2025).

 

1.12Project Infrastructure

 

The infrastructure for the South West Arkansas Project has been planned to support the reliable, phased production of battery-quality lithium carbonate through a closed-loop brine extraction and reinjection system integrated with centralized processing facilities.

 

Key infrastructure elements are as follows:

 

·The CPF will host the full process sequence from brine pre-treatment, through selective lithium extraction, concentration, purification, and final precipitation of lithium carbonate, including all solid handling, drying, and product packaging systems.

 

·Lithium-rich brine will be extracted from the Smackover Formation via 12 supply wells and will be transported to the CPF through a pipeline network.

 

·Lithium-depleted brine will be reinjected through 10 injection wells that are co-located with supply wells on five multi-well pads using directional drilling.

 

South West Arkansas ProjectPage 7
  
NI 43-101 Technical Report & Definitive Feasibility StudyOctober 14, 2025

 

 

 

·Two supply and two injection wells are planned to be added to the network as needed during the life of the project.

 

·Infrastructure corridors will share rights-of-way for pipelines and a 69 kV overhead transmission line originating from the CPF. Pipelines will be buried but will have above-ground valve stations near access points.

 

·Site-level infrastructure, including power distribution, instrumentation, water systems, and access roads, will be integrated with regional utilities, including natural gas.

 

1.13Environmental, Permitting and Social Considerations

 

Construction and operational emissions to air, discharges to surface waters and subsurface waters, and proper management/disposal of solid wastes are regulated by federal and state agencies to protect the environment while allowing the development of the natural resources. These permits will require review and approval from the Arkansas Department of Health (ADH), the Arkansas Department of Energy and Environment (ADEE), the AOGC, and a federal permit from the USACE. Additionally, the South West Arkansas Project was awarded funding via the US Department of Energy (DOE), which has triggered compliance with the National Environmental Policy Act (NEPA). The DOE has indicated that compliance with NEPA will be through an Environmental Assessment (EA) which includes; completion of a biological assessment (BA) for the identified listed species, assessment of environmental impacts, engagement with tribes and an assessment of social impacts for the South West Arkansas Project.

 

1.14Markets and Contracts

 

For purposes of estimating project future cash flows a flat rate of US$22.40/kg was selected for use in economic evaluations over the lifetime of the project.

 

1.15Capital and Operating Cost

 

1.15.1Capital Cost Estimate

 

Table 1-4 summarizes the project capital cost estimate by major scope area. The capital cost estimate of US$1,449 million includes all costs (e.g., brine production and disposal, central processing facility, ancillary infrastructure, power supply infrastructure and indirect costs) required to support the project operations.

 

The estimate conforms to Class 3 guidelines for a feasibility study estimate with a ±15% accuracy according to the Association of the Advancement of Cost Engineering International (AACE International). Costs have a base date of Q1 2025 and are provided in US dollars (US$), unless otherwise noted.

 

The overall life-of-project capital cost is US$1,593 million, including US$144 million of sustaining capital (Table 1-4).

 

South West Arkansas ProjectPage 8
  
NI 43-101 Technical Report & Definitive Feasibility StudyOctober 14, 2025

 

 

 

Table 1-4: Capital Cost Estimate

 

Description Capital Cost
(US$M)
Wellfield (Wells, Pipelines and Power) 324
Brine Preparation 67
Lithium Extraction 158
Lithium Purification / Concentration 109
Lithium Conversion 100
Product Handling 36
Utilities, Chemicals and Reagents 79
Infrastructure, Piperacks and Site Preparation 104
Total Direct Costs 977
Indirect Costs 146
Owner’s and Miscellaneous Costs 166
Total Indirect Costs 312
Total Direct + Indirect Costs 1,289
Contingency (12.3%) 160
Total Capital Cost of Project 1,449

 

Note: Numbers may not add due to rounding.

 

1.15.2Operating Cost Estimate

 

The operating cost estimate is presented in Q1 2025 US dollars. The estimate was developed to have an accuracy of ±15% (AACE Class 3). The estimate includes wellfields, processing, general and administration (G&A) costs.

 

The overall life-of-mine operating cost is US$2,001 million over 20 years, or an average of US$ 4,516/t of produced Li2CO3 in a typical year. Of this total, fixed costs account for US$749 million and variable costs account for US$1,252 million. Table 1-5 provides a summary of the project operating costs.

 

South West Arkansas ProjectPage 9
  
NI 43-101 Technical Report & Definitive Feasibility StudyOctober 14, 2025

 

 

 

Table 1-5: Operating Cost Summary

 

Cost Area  Total (US$M)  US$/t Li2CO3(1) % of Total 
Labour(2) 191 429.91 9.5
Wellfield & Subsurface 202 255 10
Power & Natural Gas 250 563 12.5
Reagents 955  2,156 47.7
Consumables 47  106 2.3
Maintenance and External Services(3) 171 386 8.7
Miscellaneous Cost(4) 186 420.08 9.3
Total(5) 2,001 4,516 100

 

Notes: 1. Operating costs are calculated based on an average determined over the 20-year operating life. 2. Approximately 106 full-time equivalent positions. 3. Includes contract maintenance, solids waste disposal, mobile equipment and external lab service. 4. Includes general and administrative expenses. 5. Numbers may not add due to rounding.

 

1.16Economic Analysis

 

1.16.1Economic Summary

 

The economic analysis was performed assuming an 8% discount rate with no inflation (constant dollar basis). On a pre-tax basis, the net present value (NPV) discounted at 8% is US$1,666 million; the internal rate of return (IRR) is 20.2%, and payback period is 4.0 years. On a post-tax basis, the NPV discounted at 8% is US$1,275 million; the IRR is 18.2%, and the payback period is 4.2 years. It must be noted, however, that tax estimates involve many complex variables that can only be accurately calculated during operations and, as such, the post-tax results are only approximations. The analysis was performed on an annual cashflow basis; the cashflow output is shown graphically in Table 1-6 and Figure 1-3.

 

South West Arkansas ProjectPage 10
  
NI 43-101 Technical Report & Definitive Feasibility StudyOctober 14, 2025

 

 

 

Table 1-6: Economic Analysis Summary

 

Description Units Base 
Modelled Plant Operating Life yrs 20.0
Average Lithium Concentration mg/L Li 481
Average Annual Lithium Carbonate Production t (LCE)/a 22,155.8
Total Lithium Carbonate Production t (LCE) 443,115
Revenue/Costs    
Selling Price US$/t 22,400
Total Revenue US$M 9,925.8
Average Annual Revenue US$M/a 496.3
EBITDA US$M 7,444.6
Average Annual EBITDA US$M/a 372.2
Total On Site Operating Costs  (Production, Process, G&A) US$M 2,001.1
Cash Costs    
Cash Operating Cost* US$/t LCE 4,516.05
Total Cash Cost** US$/t LCE 5,599.51
All-In Sustaining Cost*** US$/t LCE 5,923.84
Capital Costs    
Initial Capital US$M 1,448.9
Sustaining Capital US$M 122.7
Closure Capital US$M 21.0
Salvage Value US$M
Pre-Tax Economics    
NPV (8%) US$M 1,665.8
IRR % 20.2
Payback year 4.0
NPV / Initial Capital - 1.1
Post-Tax Economics    
NPV (8%) US$M 1,275.0
IRR % 18.2
Payback year 4.2
NPV/Initial Capital - 0.9

 

Notes: * Cash operating costs consist of consist of production costs, processing costs, site-level G&A and offsite charges. ** Total cash cost includes cash operating cost and royalties. *** AISC includes total cash cost, sustaining capital and closure capital. Source: Ausenco (2025).

 

South West Arkansas ProjectPage 11
  
NI 43-101 Technical Report & Definitive Feasibility StudyOctober 14, 2025

 

 

 

Figure 1-3: Projected Life-of-Mine Post-Tax Unlevered Free Cash Flow

 

 

Source: Ausenco (2025).

 

South West Arkansas ProjectPage 12
  
NI 43-101 Technical Report & Definitive Feasibility StudyOctober 14, 2025

 

 

 

1.16.2Sensitivity Analysis

 

A sensitivity analysis was conducted on the project’s pre-tax and post-tax NPV and IRR assessing the impact of changes in lithium price, discount rate, operating costs, initial capital, and LCE production. A summary of post-tax economic sensitivities to lithium price, operating costs, initial capital cost, and LCE production is shown in Figure 1-4. The project is most sensitive to lithium price and LCE production, and to a lesser extent, initial capital cost and operating costs.

 

Figure 1-4: Post-Tax Sensitivity Charts

 

 

 

Note: Series lines for lithium price and LCE production overlap in the above figures.

Source: Ausenco (2025).

 

South West Arkansas ProjectPage 13
  
NI 43-101 Technical Report & Definitive Feasibility StudyOctober 14, 2025

 

 

 

1.17Execution Schedule

 

A preliminary execution schedule has been developed based on the construction strategy, permits status, and main quantities. The schedule considers a 34-month period for project execution. The summary is presented in Figure 1-6.

 

Figure 1-5: High-Level Summary Schedule

 

 

Source: Ausenco (2025).

 

1.18Interpretations and Conclusions

 

Based on the assumptions and parameters presented in this report, the South West Arkansas Project shows positive economics (i.e., $1,666 million pre-tax NPV (8%) and 20.2% pre-tax IRR) which support a decision to advance the project to the execution phase.

 

1.19Recommendations

 

Development of the South West Arkansas Project is considered to be adequately de-risked to support Standard Lithium making an informed final investment decision (FID). The overall recommendation is to advance the project to the execution stage. The specific QP recommendations idenfitied in this report includes (1) executing the necessary surface leases or option agreements early; (2) gathering data to refine the current reservoir description from drilling of new injection and production wells during execution; (3) continuing to operate and collect data from the existing demonstration plant; (4) completing enginering studies to confirm electrical, water, and reagent infrastructure; (5) continuing to advance key permits and authorizations; and (6) using a limited notice to proceed with the selected EPCC contractor to undertake early procurement activities.

 

The list of recommendations can be completed concurrently. The total cost estimate for third-party services to complete the proposed work programs is US$10.3 million. This cost estimate excludes Standard Lithium’s in-house costs, which are to be incurred as part of the team’s ongoing work on the project prior to execution approval.

 

South West Arkansas ProjectPage 14
  
NI 43-101 Technical Report & Definitive Feasibility StudyOctober 14, 2025

 

 

 

2Introduction and Terms of Reference

 

2.1Introduction

 

This technical report and definitive feasibility study (DFS) have been prepared for Standard Lithium by Ausenco, HGA, Haas & Cobb, Trinity to conform to the regulatory requirements of Canadian National Instrument 43-101 (NI 43-101) and in accordance with the requirements of Form 43-101 F1 Standards of Disclosure for Mineral Projects.

 

The South West Arkansas Project is located in southwest Arkansas, 24 km (15 miles) west of the City of Magnolia in Lafayette County, Arkansas, United States. The property encompasses Townships 16-17 South and Ranges 22-24 West of the fifth meridian.

 

Smackover Lithium is a Joint Venture (JV) between Standard Lithium and Equinor. Formed in May 2024, Smackover Lithium is developing two DLE projects, one of which is the basis of this technical report and DFS, the South West Arkansas Project. Standard Lithium owns a 55% interest and Equinor holds the remaining 45% in the two projects, with Standard Lithium maintaining operatorship.

 

The responsibilities of the engineering companies contracted by Standard Lithium under the Smackover Lithium umbrella to prepare this report are as follows:

 

·Ausenco managed and coordinated the work related to the report, reviewed the metallurgical test results and developed a feasibility-level design and cost estimate for the process plant infrastructure, general site infrastructure, and economic analysis.

 

·HGA completed a feasibility-level design and cost estimate for the wellfield and pipelines.

 

·Haas & Cobb completed the work related to the geological setting, exploration work, sample preparation, data verification and developed the resource and reserve estimate for the Project, as well as the production plan for the project.

 

·Trinity developed the environmental analysis.

 

2.2Terms of Reference

 

This report supports disclosures by Standard Lithium in a news release dated September 3, 2025, entitled, “Smackover Lithium Announces Positive Definitive Feasibility Study Results for its South West Arkansas Project.” This report has been prepared in accordance with NI 43-101 Standards of Disclosure for Mineral Projects and with the requirements of Form 43-101 F1. Mineral resources and reserves are reported in accordance with the Canadian Institute of Mining, Metallurgy and Petroleum (CIM) Definition Standards for Mineral Resources and Mineral Reserves (CIM, 2014) and the CIM Estimation of Mineral Resources and Mineral Reserves Best Practice Guidelines (CIM, 2019). The estimates also incorporate guidance provided in the 2011 Ontario Securities Commission (OSC) document entitled OSC Staff Notice 43-704 – Mineral Brine Projects and National Instrument 43-101 Standards of Disclosure for Mineral Projects (2011 OSC Staff Notice). Units used in the report are SI units unless otherwise noted. Monetary units are in United States dollars (US$) unless otherwise stated.

 

South West Arkansas ProjectPage 15
  
NI 43-101 Technical Report & Definitive Feasibility StudyOctober 14, 2025

 

 

 

2.3Qualified Persons

 

The qualified persons (QPs) for this technical report are listed in Table 2-1. By virtue of their education, experience, and professional association, the individuals presented in Table 2-1 are each considered to be a “qualified person” as defined by NI 43-101. Report sections for which each QP is responsible are listed on their QP certificates at the start of this report.

 

Table 2-1: Report Contributors

 

Qualified Person Professional
Designation
Position Employer Independent of
Standard
Lithium
Site
Inspection
Patricio Pinto Gallardo C.P. R.M. Principal Process Engineer Ausenco Chile Limitada Yes Yes
Aleksandar Spasojevic P.Eng. Lead Engineer Geotechnics Ausenco Engineering Canada Inc. Yes No
Randal M. Brush P.E. Senior Engineering Advisor Haas & Cobb Petroleum Consultants Yes Yes
Robert E. Williams, Jr. P.G. CPG Principal Geologist Haas & Cobb Petroleum Consultants Yes Yes
Thomas Wynn Rogers, Jr. P.E. Vice President – Integrated Services Hunt, Guillot & Associates, LLC Yes Yes
Richard DeLong P.Geo; QP Senior Technical Advisor Trinity Consultants (Westland) Yes Yes

 

2.4Site Visits and Scope of Personal Inspection

 

A summary of the site visits completed by the QPs is presented in Table 2-2.

 

Table 2-2: Site Visits

 

Qualified Person Date of Site Visit(s)
Patricio Pinto Gallardo October 22 to 27, 2023; November 11 to 15, 2024
Randal M. Brush July 24, 2023
Robert E. Williams, Jr. April 19, 2023; May 23, 2023; June 1, 2023
Thomas Wynn Rogers, Jr. October 10, 2024; August 5, 2025
Richard DeLong June 27, 2025

 

South West Arkansas ProjectPage 16
  
NI 43-101 Technical Report & Definitive Feasibility StudyOctober 14, 2025

 

 

 

2.4.1Patricio Pinto Site Visit

 

Mr. Patricio Pinto visited Standard Lithium’s facilities in El Dorado, Arkansas on two occasions: in October 2023 and November 2024.

 

During his time at the project site, Mr. Pinto examined the locations of lithium-rich brine production wells, the demonstrative plant and pilot plant, road accessibility to the possible site of processing plant, the corporate office in El Dorado, as well as potential areas for the construction of the plant.

 

During the visit, Mr. Pinto inspected the demonstrative plant facilities to verify the presence of process equipment, sampling points, necessary tools, trained personnel, and the supplies required to operate the demonstrative plant. He also inspected the DLE pilot plant, verifying its operation with the required equipment, process control systems, and a sampling system capable of providing the necessary information on parameters and variables required for industrial design.

 

Mr. Pinto also inspected the existing laboratory, confirming that it was equipped with the necessary instrumentation, trained personnel, and analytical capacity to process the samples generated, thereby enabling operational control of both the demonstrative and pilot plants

 

2.4.2Randal Brush Site Visit

 

During Mr. Randal Brush’s day-long site visit he witnessed brine sample collection and collected brine samples for independent analysis by WETLAB to verify field results. As part of that effort conducted at the well site, he confirmed that sampling was conducted in a manner consistent with the agreed sampling procedures, and that verification samples were handled correctly.

 

2.4.3Robert Williams Site Visit

 

Between March 1, 2023, and June 1, 2023, Mr. Robert Williams’ conducted site visits totaling over 46 days. During this period, he observed and documented core recovery operations, well logging activities, and brine sampling procedures. Mr. Williams also collected representative brine samples for independent laboratory analysis by WETLAB to verify field results.

 

2.4.4Thomas Wynn Rogers Site Visit

 

In October of 2024, Mr. Thomas Wynn Rogers travelled to site to see the general area that the wellfield is proposed to be constructed within. Mr. Rogers also went to several other brine well pad facilities nearby to see the overall methodology utilized to process and transport brine for a similar application.  In August of 2025, Mr. Rogers travelled to the locations of each well pad as well as along the majority of the proposed pipeline routes. While visiting each location, Mr. Rogers was able to better understand the current infrastructure as well as construction and environmental challenges that have been identified by the project team.

 

South West Arkansas ProjectPage 17
  
NI 43-101 Technical Report & Definitive Feasibility StudyOctober 14, 2025

 

 

 

2.4.5Richard DeLong Site Visit

 

The goal of Mr. Richard DeLong’s site visit was to assess the property conditions relative to the permits necessary for the planned development. A visual inspection of the CPF, the terminus of the sour gas pipeline route, and representative portions of the pipeline routes and the well pad, as well as adjacent areas to understand the distribution of the water courses and wetlands. Discussions with Standard Lithium’s site personal were conducted to understand the development plans, the known history of the site, ongoing site activities, and community engagement activities.

 

2.4.6Aleksandar Spasojevic

 

Mr. Spasojevic produced the schedule of site investigation (borehole locations, borehole depth, sampling frequency, schedule of field and laboratory testing) and coordinated on a daily basis the activities of Ausenco's field engineers supervising the geotechnical field investigations in the CPF. Mr Spasojevic reviewed all the borehole logs as they were recovered.

 

2.5Effective Dates

 

This technical report has the following significant dates:

 

·Mineral resource estimate: September 3rd, 2025

 

·Mineral reserve estimate: September 3rd, 2025

 

·Financial analysis: September 3rd, 2025.

 

The effective date of this report is based on the date of the press release, which is September 3rd, 2025.

 

2.6Information Sources & References

 

This technical report is based on internal company reports, maps, published government reports, and public information as listed in Section 27. It is also based on information cited in Section 3.

 

2.7Previous Technical Reports

 

This project has been the subject of previous technical reports, as outlined below. This DFS supersedes the previous reports.

 

·Hunt, Guillot & Associates, LLC, 2023. NI 43-101 Amended and Restated Technical Report South West Arkansas Project Pre-Feasibility Study, prepared for Standard Lithium, Ruston, Louisiana, August 8, 2023, as amended and restated on July 23, 2025, 225p.

 

·NORAM Engineering and Constructors Ltd., 2021 NI 43-101 Technical Report Preliminary Economic Assessment of SW Arkansas Lithium Project. Document No.: E3580-RP-0200, prepared for Standard Lithium, Vancouver, British Columbia, Canada, November 25, 2021, 216p.

 

South West Arkansas ProjectPage 18
  
NI 43-101 Technical Report & Definitive Feasibility StudyOctober 14, 2025

 

 

 

2.8Currency, Units, Abbreviations and Definitions

 

All units of measurement in this report are SI units and all currencies are expressed in United States dollars (symbol: US$ or currency: USD) unless otherwise stated. Lithium carbonate is presented as dry tonnes (t). Table 2-3 provides a glossary and list of abbreviations; units of measurement are listed in Table 2-4.

 

Table 2-3: Glossary and Abbreviations

 

Abbreviation Description
AACE American Association of Cost Engineers
ADEE Arkansas Department of Energy and Environment
ADEE-AOGC (AOGC) Arkansas Department of Energy and Environment Arkansas Oil & Gas Commission
ADEE-DEQ (ADEQ) Arkansas Department of Energy and Environment Division of Environmental Quality
ADEQ Arkansas Department of Environmental Quality
ADH Arkansas Department of Health
AECC Arkansas Electric Cooperative Corporation. Supplies energy to SWREA
AOGC Arkansas Oil and Gas Commission
Aquatech Since the effective date of this report, Aquatech has acquired Koch Technology Solutions’ (KTS) direct lithium extraction (DLE) business, including the Li-Pro™ Lithium Selective Sorption (LSS) technology
BA Biological Assessment
CAD Canadian dollar
CPF Central Processing Facility
Company Standard Lithium
Demonstration plant Standard Lithium's demonstration plant at the Lanxess south plant
DLE Direct lithium extraction technology. Two variations have been tested by Standard Lithium: lithium stirred tank reactor (LiSTR) and lithium selective sorption (LSS)
EGL effective grinding length
Equinor Equinor
EUR Euro (currency)
FAC Facultative
FACU Facultative Upland
FACW Facultative Wetland
KTS Koch Technology Solutions: a subsidiary of Koch Industries and former technology provider for Li-Pro LSS
LCE Lithium carbonate equivalent
Li2CO3 Lithium carbonate
LSS Li-Pro™ Lithium Selective Sorption Technology
NPDES National Pollutant Discharge Elimination System
OBL Obligate Wetland
Pilot Plant Field pilot plant at SWA which processed brine from the Reynolds brine unit
Project entity SWA Lithium LLC
Smackover Lithium Joint venture between Standard Lithium and Equinor
Standard Lithium Standard Lithium Ltd
SWA South West Arkansas
SWREA Southwest Arkansas Electric Cooperative – Retail Energy Arkansas
TETRA TETRA Technologies Inc.
USD US dollars (currency)

 

 

South West Arkansas ProjectPage 19
  
NI 43-101 Technical Report & Definitive Feasibility StudyOctober 14, 2025

 

 

 

Table 2-4: Units of Measurement

 

Abbreviation Description
% percent
% solids / wt% percent solids by weight
C$ Canadian dollar (as symbol)
$/t dollars per metric ton
° angular degree
°C degree Celsius
Euro (as symbol)
μm micron (micrometre)
bbl barrel
cm centimetre
cm3 cubic centimetre
ft foot (12 inches)
g gram
g/cm3 gram per cubic centimetre
g/L gram per litre
g/t gram per metric ton (tonne)
GPa gigapascal
gpm gallons per minute
GWh gigawatt-hour
h hour (60 minutes)
ha hectare
hp horsepower
Hz hertz
in inches
k kilo (thousand)
kg kilogram
kg/t kilograms per metric tonne
km kilometre
km2 square kilometre
kPa kilopascal
kt kilotonne
kV kilovolt
kVA kilovolt-amperes
kW kilowatt
kWh/t kilowatt-hour per tonne
L litre
lb pound
L/s litres per second
m, m2, m3 metre, square metre, cubic metre
M million
Ma million years (annum)
MMBTU million British thermal units
m/mo metres per month

 

South West Arkansas ProjectPage 20
  
NI 43-101 Technical Report & Definitive Feasibility StudyOctober 14, 2025

 

 

 

Abbreviation Description
m/s metres per second
m3/h cubic metres per hour
m3/s cubic metres per second
m asl metres above mean sea level
m bgs metres below ground surface
mg/L milligrams per litre
mile mile
mm millimetre
MPa megapascal
Mt million tonnes
MW megawatt
ppb parts per billion
ppm parts per million
psig pounds per square inch gauge
scf standard cubic foot
scfd standard cubic foot per day
t metric tonne (1,000 kg)
tkm tonne kilometre
ton short ton (2,000 lbs)
t/h tonnes per hour
t/d tonnes per day
US$ US dollar (as symbol)
Usgal / gallon US gallon
V volt

 

South West Arkansas ProjectPage 21
  
NI 43-101 Technical Report & Definitive Feasibility StudyOctober 14, 2025

 

 

 

3Reliance On Other Experts

 

3.1Introduction

 

The QPs have relied on other expert reports which provided information regarding property agreements, mineral tenure, surface rights, royalties, environmental, permitting, closure, social and community impacts, taxation and marketing for sections of this report.

 

3.2Property Agreements, Mineral Tenure, Surface Rights and Royalties

 

The QP has not reviewed the property agreements, mineral tenure, nor independently verified the legal status, ownership of the property, underlying property agreements, permits or royalties. The QP has fully relied upon the information supplied by SWA Lithium LLC and experts retained by them for this report.

 

This information was provided by SWA Lithium LLC in the following documents:

 

·Arkansas Oil & Gas Commission, June 24, 2025. Supplemental Reynolds Brine Unit, Order No BU 023-2025-04 (SUPP), June 24, 2025, p. 1-23.

 

·Arkansas Oil & Gas Commission, June 25, 2025. Reynolds Brine Production Unit, Order No 032-2025-05, June 25, 2025, p. 1-3.

 

This information is used in support of Section 4 of the Report. The information is also used in support of Sections 1.3, 12, 14, 20, and 22 of the report.

 

3.3Taxation

 

The QPs have fully relied upon information supplied by experts retained by SWA Lithium LLC for information related to taxation as applied to the financial model as follows:

 

·Luke Maddox, Senior Manager -Business Tax, “SWA FEED Financial Model Draft” Internal document prepared for SWA Lithium by Deloitte Tax LLP and emailed to Ausenco on August 26, 2025.

 

This information is used in Sections 1, 22, and 25 of the report.

 

3.4Markets

 

The QPs have not independently reviewed the marketing or price projection information. The QPs have fully relied upon information derived from Standard Lithium and experts retained by Standard Lithium for this information through the following document:

 

·Global Lithium LLC (2025): The Lithium Market: A summary of the market for lithium chemicals with a battery quality carbonate price forecast to 2048. Report prepared for Standard Lithium, September 2, 2025. 6pp.

 

This information is used in Section 19. The information is also used to support Sections 1.16, 1.18, and 22.

 

South West Arkansas ProjectPage 22
  
NI 43-101 Technical Report & Definitive Feasibility StudyOctober 14, 2025

 

 

 

4Property Description and Location

 

4.1Introduction

 

This section provides a summary of the property description and location—including project ownership, agreements, tenures, rights, and royalties—for the South West Arkansas Project.

 

4.2Property Description and Location

 

The South West Arkansas property encompasses Townships 16-17 south and Ranges 22-24 west of the 5th Meridian. The centre of the project is located approximately 24 km (15 miles) west of the City of Magnolia in Lafayette and Columbia Counties, Arkansas, United States. Coordinates for the property centre are as follows:

 

·Latitude: 33.2843 N and longitude: -93.5135 W

 

·Universal Transverse Mercator: 452185.15 easting, 3682922.78 northing, Zone 15N, North American Datum 83 (Figure 4-1).

 

The project brine leases cover approximately 15,659 gross mineral hectares and 11,438 net mineral hectares (38,694 gross mineral acres and 28,263 net mineral acres) and cover a surface area of approximately 157 km2 (60 mi2) (Table 4-1). The project will be developed in phases, with the initial phase project area that consists of 8,439 gross hectares (20,854 gross acres) known as the “Reynolds brine unit” having been approved by the AOGC under Order No. BU 026-2025-04. Of the remaining 7,220 hectares (17,840 acres), a portion will be integrated into the Reynolds brine unit by means of a unit expansion application with the AOGC, and in advance of project sanction for the potential future expansion phase, which will be known as the Reynolds expansion brine unit.

 

4.3Lithium-Brine Mineral Production Rights

 

Standard Lithium acquired the right to produce lithium from the brine leases collected by TETRA Technologies Inc. (TETRA) through an option agreement dated effective December 29, 2017 between Standard Lithium (since assigned to SWA Lithium LLC) and TETRA. The option granted to Standard Lithium under the terms of the agreement was subsequently exercised by execution the Limited Assignment and Conveyance of Mineral Interests, dated effective February 21, 2024, between TETRA, as Assignor, and SWA Lithium LLC, as Assignee. For clarity, SWA Lithium LLC is an affiliate of Standard Lithium and will be the operating-entity for the South West Arkansas Project. Execution of the option agreement triggers a requirement for SWA Lithium LLC to pay TETRA a 2.5% override on gross revenue derived from the sale of lithium upon the commencement of commercial production. In advance of commercial operations, SWA Lithium LLC is required to pay TETRA a lease maintenance fee of $1,000,000 annually.

 

The agreement between Standard Lithium and TETRA and a summary of the leases and deeds are discussed in more detail in the following subsections.

 

South West Arkansas ProjectPage 23
  
NI 43-101 Technical Report & Definitive Feasibility StudyOctober 14, 2025

 

 

 

Figure 4-1: South West Arkansas Project Location

 

 

 

Source: Standard Lithium (2025).

 

South West Arkansas ProjectPage 24
  
NI 43-101 Technical Report & Definitive Feasibility StudyOctober 14, 2025

 

 

 

4.4Brine Mineral Leases

 

In 1994, TETRA implemented a brine leasing strategy and added additional brine leases in 2006 and 2017 to 2018. The typical lease term is 25 years. Under the option agreement, TETRA is obligated to continuously monitor lease statuses and otherwise maintain the optioned brine lease acreage that has been exercised by Standard Lithium. There are no expiration dates for the leases. The leases within the Reynolds Brine Unit will continue to be extended until production of brine commences. Thereafter, the leases within the unit will be held by production (HBP). There are no obligations with the government, as it pertains to the leases.

 

In addition to the brine leases, TETRA acquired the rights to 828 hectares (2,045 acres) of brine minerals in 1992 in the form of eight saltwater (brine) deeds. The brine deeds represent a 35-year term conveyance of brine within the Smackover Formation limestone. The brine deeds permit TETRA, or any permitted assignees, such as Standard Lithium, to produce brine attributable to its Grantor’s interest in the covered lands.

 

Prior to submitting its application to establish the Reynolds brine unit, Smackover Lithium identified certain brine leases held by third-party owners within the proposed boundaries of the Reynolds brine unit, as well as the future Reynolds expansion areas. Such third-party brine leasehold owners included, but are not limited to, TETRA and Saltwerx LLC (Saltwerx), an ExxonMobil Affiliate. Similarly, TETRA and Saltwerx identified certain Standard Lithium brine leases within the boundaries of TETRA’s proposed Evergreen brine expansion unit and Saltwerx’ proposed Pine brine unit. For clarity, the Evergreen brine unit consists of TETRA, as operator, owning a 65% working interest, while Saltwerx is the non-operating party that owns the remaining 35% working interest. Saltwerx is the operator of the Pine brine unit.

 

For each party to optimize its brine leasehold interests ahead of its respective unit application submissions to establish the Reynolds brine unit (SWA Lithium LLC), the Pine brine unit (Saltwerx), and the Evergreen brine expansion unit (TETRA), the parties agreed to enter into a like-kind brine lease exchange agreement. The like-kind exchange agreement was finalized and executed on April 21, 2025, subject to due diligence of title defects and brine lease terms. As a result of the like-kind brine lease exchange, Standard Lithium’s brine leasehold interest within the Reynolds brine unit increased by ~8%, resulting in Standard Lithium controlling ~87% of the brine leasehold rights.

 

The South West Arkansas property brine leases have yet to be developed to produce brine minerals.

 

A summary of the section-based mineral lease percentage compilation at the effective date of this report is presented in Table 4-1 and further depicted in Figure 4-2. Figure 4-3 shows the boundaries of the Reynolds brine unit and the preliminary Reynolds expansion brine unit.

 

South West Arkansas ProjectPage 25
  
NI 43-101 Technical Report & Definitive Feasibility StudyOctober 14, 2025

 

 

 

Table 4-1: Mineral Leases

 

Township Range Section Net Acres Leased Total Gross acres
within Section
16 23 19 62.22 80.00
16 23 25 26.67 640.00
16 23 27 41.68 640.00
16 23 28 29.75 640.00
16 23 29 193.75 640.00
16 23 30 167.81 640.00
16 23 31 598.33 640.00
16 23 32 507.63 640.00
16 23 33 297.36 640.00
16 23 34 396.63 640.00
16 23 35 191.50 640.00
16 23 36 107.44 640.00
16 24 25 404.23 640.00
16 24 26 446.90 640.00
16 24 27 18.33 40.00
16 24 33 400.00 640.00
16 24 34 137.22 160.00
16 24 35 522.95 640.00
16 24 36 531.11 640.00
17 22 5 340.00 640.00
17 22 6 432.09 640.00
17 22 7 640.00 640.00
17 22 8 160.00 320.00
17 22 17 280.00 320.00
17 22 18 534.45 640.00
17 23 1 72.248 640.00
17 23 2 520 640.00
17 23 3 517.92 640.00
17 23 4 238 640.00
17 23 5 524.07 640.00
17 23 6 585.1776 640.00
17 23 7 541.42 640.00
17 23 8 581.41 640.00
17 23 9 623.61 646.00
17 23 10 459.29 639.99
17 23 11 377.00 640.00
17 23 12 486.05 640.00
17 23 13 580.00 640.00
17 23 14 597.08 640.00
17 23 15 521.53 640.00
17 23 16 627.59 657.60
17 23 17 628.13 640.00

 

South West Arkansas ProjectPage 26
  
NI 43-101 Technical Report & Definitive Feasibility StudyOctober 14, 2025

 

 

 

Township Range Section Net Acres Leased Total Gross acres
within Section
17 23 18 588.08 617.89
17 23 19 551.80 629.45
17 24 1 604.55 640.00
17 24 2 478.83 640.00
17 24 3 492.20 640.00
17 24 4 523.35 640.00
17 24 5 556.27 640.00
17 24 8 633.82 640.00
17 24 9 467.11 640.00
17 24 10 585.22 640.00
17 24 11 635.00 640.00
17 24 12 631.36 640.00
17 24 13 638.00 640.00
17 24 14 573.76 637.04
17 24 15 558.53 640.00
17 24 16 577.17 640.00
17 24 17 627.68 640.00
17 24 20 444.76 642.85
17 24 21 558.81 640.00
17 24 22 543.89 640.00
17 24 23 592.05 640.00
17 24 24 452.38 663.44
Total 28,263.24 38,694.26

 

Source: Standard Lithium (2025).

 

South West Arkansas ProjectPage 27
  
NI 43-101 Technical Report & Definitive Feasibility StudyOctober 14, 2025

 

 

 

Figure 4-2: Property Ownership Summary

 

 

 

Source: Standard Lithium (2025).

 

South West Arkansas ProjectPage 28
  
NI 43-101 Technical Report & Definitive Feasibility StudyOctober 14, 2025

 

 

 

Figure 4-3: Reynolds Brine Unit and Reynolds Expansion Brine Unit

 

 

Note: Reynolds Brine Unit Expansion Area is a proposed unitizable area based on AOGC lease trigger requirements of 75% minimum holding. Source: Standard Lithium (2025)

 

South West Arkansas ProjectPage 29
  
NI 43-101 Technical Report & Definitive Feasibility StudyOctober 14, 2025

 

 

 

4.5Surface Rights

 

Arkansas law allows the severance of the surface estate from the mineral estate by proper grant or reservation, thereby creating separate estates. Under the laws of conservation in the State of Arkansas, however, the mineral rights are dominant over surface rights.

 

The lessee holding the lease has legal authority to enter the property for exploration and production even if the non-mineral-owning surface owner objects to the intrusion. That does not mean the surface owner will be without compensation. The amount and type of compensation is strictly a matter of negotiation between the surface owner and the lessee.

 

Standard Lithium intends to negotiate the necessary surface use agreements with any lessors and/or non-mineral-owning surface owners to support the development and operation of the South West Arkansas Project. This will include, but will not be limited, to well pads, access roads, and rights-of-way and easements for pipelines and utilities.

 

Standard Lithium purchased 48 hectares (118 acres) of surface land in 2023 to build the central processing facility for the project. In addition, Smackover Lithium has defined, surveyed and executed surface leases or option agreements for the Reynolds brine unit well locations and well pad locations. In addition, Smackover Lithium has undertaken direct discussion with landowners for pipeline rights-of-way to support development. In advance of project sanction for any additional project phases, SWA Lithium LLC will execute the necessary surface leases or option agreements to support the development of the expanded unit.

 

4.6Unitization

 

The AOGC, in accordance with Arkansas Code Ann. § 15-76-301 (the “Brine Statute”), can authorize the establishment of brine production units that contain one or more production/injection wells within a set amount of acreage to (1) provide a more efficient regulatory structure for the production of brine, (2) protect the correlative rights of all mineral interest owners in the unit, and (3) insulate brine operators from claims of trespass from adjacent mineral interest owners.

 

The AOGC's rules and regulations are available on-line at www.aogc.state.ar.us/ along with its hearing schedule and production data from 1992 forward. Pertinent provisions of the Brine Statute are as follows:

 

·§15-76-308 which identifies who may make application for the establishment of brine production units and states that a brine production unit may consist of no fewer than 1,280 contiguous surface acres (518 hectares) (Arkansas Code, 2016a);

 

·§15-76-309 which prescribes what information must be provided in a petition to form a brine production unit (Arkansas Code, 2016b);

 

·§15-76-312 which permits the owner of an interest in a tract of land that is adjacent to a brine production unit and is not included in the unit, to petition for inclusion within the unit (Arkansas Code, 2016c); and

 

South West Arkansas ProjectPage 30
  
NI 43-101 Technical Report & Definitive Feasibility StudyOctober 14, 2025

 

 

 

·§15-76-314 which requires each owner of an unleased interest in an established production unit to elect within 60 days from the effective date of the order to either participate affirmatively in the operation or to transfer his interest in the brine to the participating producers.

 

SWA Lithium LLC’s application for the Reynolds brine unit met the requirements of the AOGC, including the representation that SWA Lithium LLC holds valid leases or otherwise controls the right to produce lithium from brine from no less than 75% of the proposed unit area, and was approved pursuant to AOGC Order No. BU 026-2025-04 on May 20, 2025. As noted previously, the unitized South West Arkansas property encompasses 8,439 gross mineral hectares (20,854 gross mineral acres ).

 

Note: Standard Lithium and Equinor have not commenced the unitization expansion process for the remaining acreage covered by the TETRA Option Agreement, but it is a well-established and well-understood process. The remaining acreage outside the Reynolds brine unit encompasses approximately 7,220 gross hectares (17,840 gross acres). As noted above, any future unit or unit expansion application will require the applicant to own or control the right to produce brine from no less than 75% of the proposed area. Given SWA Lithium LLC’s current brine leasehold interest within the 7,220 total remaining hectares (17,840 acres), only a portion of such acreage (~3610 net hectares [8,920 acres] or ~4,806 gross hectares [11,876 acres]) is considered in this report to be included in the expansion area for the purposes of the determination of the mineral resource. There is potential for the unit expansion acreage to increase if additional brine rights are leased or purchased by SWA Lithium LLC, and any future unit expansion will be implemented prior to project sanction for the future project phases.

 

4.7Integration

 

Integration in Arkansas is the process that allows operators (or “producers”) to combine separately owned tracts, including unleased tracts, within a brine unit to facilitate development. To validly integrate the interests in a brine unit in Arkansas, the producer must demonstrate that it owns not less than 75% of the entire area of the proposed brine production unit, and all owners of record must have been provided with notice of the integration proceedings pursuant to Arkansas Code Ann. § 15-76-309. Proper notice generally requires a combination of title examination and publication notice by newspaper in the county or counties where the integration is taking place. Specifically, the producer must demonstrate a good-faith effort to identify, locate, and reach an agreement with each unleased brine owner in the brine production unit and provide notice of the integration to the parties bound by such integration. An operator’s application for integration must identify, among other things, (i) all owners named in the application who have not agreed to integrate their interests in the brine production unit as of the date of filing the petition as disclosed by the records in the office of the clerk for the county or counties in which the brine production unit is situated, and (ii) the names of all unleased brine owners and a resume showing that the applicant has exercised due diligence to locate each unleased owner, and that a bona fide effort was made to reach an agreement with each owner.

 

Pursuant to AOGC Order No. BU 026-2025-04 to establish the Reynolds brine unit, the AOGC authorized a contingent approval of the proposed Reynolds Brine Unit Operating Agreement (filed as Exhibit “F” to the Reynolds Brine Unit Application) and the Form of Lease (filed as Exhibit “B” to the proposed Reynolds Brine Unit Operating Agreement). Such contingent approval required the AOGC to approve a “model” Brine Unit Operating Agreement and associated “model form” documents, including a Model Brine Lease (the “model forms”), before July 21, 2025.

 

South West Arkansas ProjectPage 31
  
NI 43-101 Technical Report & Definitive Feasibility StudyOctober 14, 2025

 

 

 

Effective as of June 24, 2025, the AOGC issued a supplement to Order No. BU 026-2025-04, confirming that the AOGC had approved such model forms, which will be used for the Reynolds brine unit.

 

Standard Lithium commenced integration efforts once the model AOGC forms were made available, in accordance with Arkansas Code Ann. § 15-76-309, to integrate any remaining unleased brine interests or uncommitted brine leasehold working interest owners within the Reynolds brine unit. At the time of publishing this report, integration process has not been finalized, but given integration is a well-established process in Arkansas and poses little risk to project development planning.

 

4.8Royalty Payments

 

Under the Brine Statute, payments to the brine owners for brine production are known as “in lieu” royalty payments because the payments are made annually based on a statutory rate, as opposed to a true royalty based on the amount of brine produced. The statutory in lieu royalty payment is adjusted annually based on changes to the applicable Producer Price Index, as further identified in Arkansas Code Ann. § 15-76-315(a), which sets a base price of $32.00 per acre per year ($79.07 per hectare). As of May 2025, the established brine fee in lieu of royalty is $65.05 per acre ($160.74 per hectare). While this brine-fee-in-lieu of royalty typically applies to bromine production, this is payable to brine mineral rights owners when brine is produced regardless of whether bromine is extracted.

 

In addition, pursuant to Arkansas Code Ann. § 15-76-315(c), the AOGC must approve the royalty rate for any “additional substance” profitably extracted from brine produced by an operator of a brine unit.

 

Standard Lithium applied for a 2.5% lithium royalty for the Reynolds brine unit, and approval was granted by the AOGC in May 2025, subject to AOGC Order No. 032-2025-05. The royalty construct is shown in Figure 4-4.

 

Figure 4-4: Royalties Calculation

 

 

 

Lithium production is based on actual facility output valued on an agreed FastMarkets Index for a LCE and apportioned on a pro-rata basis to the underlying brine rights holders. For the South West Arkansas Project, both the lithium royalty and the in-lieu royalty for brine production will be paid to the brine rights owners.

 

In addition to the royalties that will be paid to the brine rights owners, SWA Lithium LLC will pay TETRA a 2.5% override on gross revenue derived from the sale of lithium upon the start of commercial production, as described in Section 4.2. Such override to TETRA will only apply to those leases that are subject to the SWA Lithium LLC-TETRA Option Agreement and are located within an established brine production unit, whether the Reynolds brine unit or future expansions.

 

South West Arkansas ProjectPage 32
  
NI 43-101 Technical Report & Definitive Feasibility StudyOctober 14, 2025

 

 

 

With respect to the eight brine deeds covering 828 hectares (2,045 acres), no delay rental or brine royalty payment is required, and no additional royalty will become due upon commercial extraction of lithium. Instead, TETRA is obligated to make annual promissory note instalment payments of $79,125, in total, on promissory notes executed by TETRA in favour of the grantor and its related parties. These notes provide for 35 annual instalments, coinciding with the term of the brine deed.

 

4.9Property Environmental Liabilities and Permitting

 

There is no existing brine production occurring on the South West Arkansas Project’s property for the express purpose of mineral extraction. The area has historically been used for silviculture, farming, and oil and gas activities and no environmental liabilities have been identified.

 

Brine is produced from and reinjected into the Smackover Formation as part of historical and ongoing bromine production in other brine production units, and the permitting process is clear and well understood. The robust regulatory regime helps to provide certainty to the project development plans.

 

Albemarle produces brine for bromine to the east of the South West Arkansas property. Saltwerx and TETRA both plan to produce brine for lithium and bromine, respectively.

 

Permitting for the Project is ongoing and there are no impediments to obtaining the necessary permits at this time. This is described in further detail in Section 20.

 

4.10Risks and Uncertainties

 

Since publishing the pre-feasibility study, Standard Lithium has resolved the two major risks associated with royalty definition and unitization.

 

To facilitate 100% mineral rights coverage, it is necessary to integrate any remaining unleased brine owners or uncommitted brine leasehold working interest owners within the Reynolds brine unit. Integration is a well-established process in Arkansas and poses little risk to project development planning. Standard Lithium has spent considerable time and effort understanding the mineral and surface title, and any residual risks with production are limited to an incorrect allocation of the royalty payment. Once identified, these are easily curable.

 

South West Arkansas ProjectPage 33
  
NI 43-101 Technical Report & Definitive Feasibility StudyOctober 14, 2025

 

 

 

5Accessibility, Climate, Local Resources, Infrastructure & Physiography

 

5.1Accessibility

 

The project area spans across Lafayette and Columbia counties, with most of the acreage (88%) located in Lafayette County. The proposed CPF will be located approximately 11 km (7 miles) south of Lewisville. The largest nearby city is Magnolia, which is 34 km (21 miles) to the east. Magnolia is the County Seat of Columbia County and has a population of approximately 11,200. Magnolia is also the location of the main campus for the Southern Arkansas University and houses a student population of approximately 4,600. The combined population of Lafayette and Columbia Counties is estimated at approximately 29,000 based on census data from 2020.

 

The largest cities in the region are Shreveport-Bossier City, LA, and Texarkana, TX. Shreveport is approximately 97 km (60 miles) south and has a population of 393,000. Texarkana is approximately 48 km (30 miles) to the west with a population of 147,000.

 

5.1.1Road Access

 

The area has an extensive all-season secondary road network. Access is provided by U.S. and Arkansas state highways. U.S. Highway 82 links the cities of Lewisville, Stamps, and Magnolia, running west to east, and U.S. Highway 371 runs just southeast of the property (Figure 5-1). Arkansas State Highways 29, 53, 313, and several improved county roads provide access to every section of the property. Access to the project site by light vehicle is possible from the nearby town of Lewisville by taking State Highway AR-29 south for 11 km (7 miles). The project site is on the eastern side of the highway.

 

5.1.2Airport Access

 

The nearest airport is Magnolia Municipal Airport, located immediately to the east of the project site, and approximately 5 km (3 miles) southeast of Magnolia in Columbia County. The closest regional airport with domestic connections is the Texarkana Regional Airport in Texarkana, AR, which is approximately 48 km (30 miles) to the west. Alternatively, the Shreveport Regional Airport in Shreveport, LA, is 85 km (53 miles) to the south. Shreveport offers more routes and connections daily. In addition, there are two airports, one commercial and a small general aviation airport, located in Union County near the city of El Dorado. El Dorado is approximately 55 km (34 miles) east of Magnolia. The closest international airport is the Dallas Fort Worth International Airport in Dallas, TX, which is 393 km (244 miles) west of the project site and one of the biggest airports in the country that serves as a major hub for air freight transportation.

 

5.1.3Rail Access

 

Union Pacific operated railroad runs parallel to State Highway AR-29, west of the project site. The nearest accessible rail yard is Union Pacific Rail in Little Rock at 1000 W 4th St. Ste 16 North Little Rock, AR, 72202.

 

South West Arkansas ProjectPage 34
  
NI 43-101 Technical Report & Definitive Feasibility StudyOctober 14, 2025

 

 

 

Figure 5-1: Property Location showing Road and Rail Access Routes

 

 

Source: Standard Lithium (2025).

 

South West Arkansas ProjectPage 35
  
NI 43-101 Technical Report & Definitive Feasibility StudyOctober 14, 2025

 

 

 

5.1.4Port Facilities

 

Port Arthur is the closest maritime port to the project site. It is located in the city of Port Arthur, TX, which is 444 km (276 miles) south of the project site, with access to the Gulf of Mexico. The facility services both rail and truck transportation and has roll-on/roll-off capabilities. Port Arthur has a total dock length of 914 m (3,000 linear feet), 183 m (600 linear foot) berth, and is scheduled to have a wider berth upgrade to expand to 305 m (1,000 linear feet).

 

5.1.5Access Route and Off-Site Highway

 

The main access to the project site is via State Highway AR-29. The project site is 11 km (7 miles) from Lewisville. The proposed road access is shown in Figure 5-2.

 

Figure 5-2: Road and Rail Infrastructure Adjacent to Project Site

 

 

 

Source: Ausenco, (2025).

 

5.2Climate

 

The climate in the project area is generally humid with average temperature of 17.7°C (63.8°F) and annual precipitation of 1,155.7 mm (45.5 inches) (Table 5-1 and Figure 5-3). Annual rainfall is evenly distributed throughout the year. The wettest month of the year is November with an average rainfall of 114.3 mm (4.5 inches). The warmest month of the year is July with an average maximum temperature of 33.3°C (92°F), while the coldest month of the year is January with an average minimum temperature of 2.8°C (37°F). There are no seasonal constraints preventing continuous operation.

 

South West Arkansas ProjectPage 36
  
NI 43-101 Technical Report & Definitive Feasibility StudyOctober 14, 2025

 

 

 

Table 5-1: Representative Climate Values

 

Parameter Unit Jan Feb Mar Apr May Jun Jul Aug Sep Oct Nov Dec Year
Daily Mean Temperature °C 7 9 13 18 22 26 28 28 24 18 12 8 18
Average Precipitation mm 89 102 109 109 112 94 69 61 79 109 114 109 97
Average Wind Speed k/h 8.0 8.5 8.8 8.7 7.7 6.6 6.1 5.9 6.7 7.4 7.9 8.0 7.5

 

Source: Lewisville Climate, Weather By Month, Average Temperature (Arkansas, United States) - Weather Spark.

 

Figure 5-3: Average Temperature and Precipitation in Lewisville, AR

 

 

Source: Ausenco, (2025).

 

South West Arkansas ProjectPage 37
  
NI 43-101 Technical Report & Definitive Feasibility StudyOctober 14, 2025

 

 

 

5.3Local Resources and Infrastructure

 

Infrastructure related to oil and gas extraction are present across the project area, particularly in the northern and southern parts of the property. This infrastructure consists of wellheads, collection facilities for various fluids, batteries, gas processing plant and associated pipelines, and cleared easements. Much of the infrastructure is in use by junior operators in a cyclical pattern, depending on hydrocarbon market conditions.

 

5.3.1Local Labor

 

In the Project surrounding area, the largest manufacturers include Albemarle Corporation, Lanxess, Cooper Tire & Rubber Company, Domtar Corporation, Sapa Extrusions, PotlatchDeltic, Lockheed Martin, L3Harris Technologies, Delek US, and Clean Harbors. The region has a strong base in bromine chemical processing through Albemarle and Lanxess, alongside significant manufacturing operations in tires, petrochemical, paper / lumber, aluminum, steel, and aerospace / defense.  Production of elemental bromine in Arkansas has a long history in the area, particularly with Albemarle and Lanxess. The workforce supporting these industries brings extensive expertise in brine technology, chemical engineering, heavy manufacturing, and industrial production.

 

5.3.2Transport

 

There are multiple trucking and logistics companies operating in the area.

 

5.3.3Water

 

Water for the project will be supplied from the Sparta aquifer.

 

5.3.4Power

 

Electrical power supply to the project area is provided by Southwest Arkansas Electrical Cooperative (SWREA), which is part of the Arkansas Electrical Cooperative Corporation (AECC).

 

The project will not be connected to the power grid and will generate its own power on site.

 

5.3.5Supporting Services

 

The area has a significant number of businesses that service all aspects of the brine, oil, and gas industries.

 

5.4Physiography

 

Lafayette County has an area of 1,412 km2 (545 mi2), of which 1,368 km2 (528 mi2) are land-based and 44 km2 (17 mi2) are water-based. Columbia County has an area of 1,986 km2 (767 mi2), of which 1,984 km2 (766 mi2) are land-based, and 1.8 km2 (0.7 mi2) are water-based. The project site is situated at an elevation of 76 m (248 ft) above sea level.

 

The terrain consists of rolling hills with large timber farms and is sparsely populated by rural private residences.

 

In Arkansas, the West Gulf Coastal Plain covers the southern portions of the state along the border of Louisiana. This lowland area of Arkansas is characterized by pine forests and farmlands. Natural resources include natural gas, petroleum deposits, and bromine-rich brine resources. The lowest point in the state is found on the Ouachita River approximately 90 km (56 miles) east of the property in the West Gulf Coastal Plain of Arkansas.

 

South West Arkansas ProjectPage 38
  
NI 43-101 Technical Report & Definitive Feasibility StudyOctober 14, 2025

 

 

 

6History

 

6.1Prior Drilling Activity on the South West Arkansas Property

 

Prior to Standard Lithium’s activities, over the last 85 years approximately 97 oil and gas wells have been drilled on the South West Arkansas property by prior operators targeting Smackover Formation oil and gas resources, either as exploration wells or production wells. An additional 316 wells were drilled in the surrounding study area. Some wells were completed as oil or gas wells and produced brine as a waste by-product. Other wells were abandoned without producing oil or gas. No prior production of brine as a feedstock for mineral extraction has occurred on the property. The well log and core data obtained from these prior wells provides much of the geological data used to describe the Smackover Formation in and around the South West Arkansas property, and three of these pre-existing wells located on the property were re-entered to gather additional data (see Sections 9 and 10).

 

While brine production from the Smackover Formation for bromine extraction has not occurred on the South West Arkansas property, it has occurred on the analogous adjacent Albemarle property and on the Lanxess property farther to the east, resulting in the production volumes shown in Figure 6-1.

 

Figure 6-1: Albemarle Property and Lanxess Property Recent Brine Production, 2000 to 2024

 

 

 

Source: AOGC (2025).

 

Historical lithium concentration values from the Smackover Formation, combined with the brine characteristics and productivity of the adjacent Albemarle property and the Lanxess property farther to the east, resulted in Standard Lithium carrying out data collection programs in 2018, 2023, and 2024/2025 on the South West Arkansas property. These data collection programs, when combined with the historical data, have provided the information needed to describe the geological characteristics, productivity, and brine content of the Smackover Formation underlying the property, as described in Sections 9, 10, 14, and 15.

 

South West Arkansas ProjectPage 39
  
NI 43-101 Technical Report & Definitive Feasibility StudyOctober 14, 2025

 

 

 

The QP has been unable to verify AOGC brine production information specifically related to the South West Arkansas property, and brine production in neighbouring counties or projects is not necessarily indicative of the potential brine production capability of the South West Arkansas property. For these reasons, Standard Lithium completed an exploration program consisting of installing wells and collecting brine samples on the South West Arkansas property to assess the Smackover Formation aquifer’s reservoir properties in the project area. The reader is directed to Section 7, Geological Setting, and Section 9, Exploration, for additional details.

 

6.2Regional Assessment of the Lithium Potential of the Smackover Formation Brine

 

The discussion presented in this section extends beyond the boundary of the South West Arkansas property. Data reported from adjacent properties have verified lithium-brine mineralization within the Smackover Formation. Accordingly, this discussion of lithium-brine information occurring near or adjacent to the South West Arkansas property is not necessarily indicative of the mineralization on the South West Arkansas property.

 

Brine aquifers have different characteristics than traditional mineral deposits like precious and base metal deposits. Any given aquifer can have enormous sub-surface dimensions; therefore, the scale of the Smackover Formation brine aquifer (i.e., the nature and extent of the lithium-brine potential of the Smackover Formation), is important background information.

 

The USGS National Produced Waters Geochemical Database v3.0 (USGS database), contains geochemical information collected from wells across the United States. The database includes 113,135 water samples that were collected between 1905 and 2022. In addition to the major element data, the database contains trace elements, isotope, and time-series data that provide spatial coverage from specific formations and/or aquifers. Quality control of the database must be performed by culling the data based on geochemical criteria (Blondes et al., 2018). For this sub-section, and because the adjacent property information is disclaimed as being not necessarily indicative of the mineralization on the South West Arkansas property, the QP has not filtered any data and have included lithium-brine results directly from the USGS database.

 

Figure 6-2 shows that lithium-enriched brine, specific to the database-searched (e.g., “Smackover,” “Upper Smackover,” or “Reynolds Member of the Smackover,”) occurs throughout southern Arkansas within Union, Columbia, and Lafayette Counties. The highest recorded lithium-brine in this USGS-compiled database occurs within the Union County (1,700 mg/L lithium), followed by a brine sample with 1,430 mg/L lithium in Columbia County and 740 mg/L in northern Union County. Brine analyses between 300 and 500 mg/L lithium occur predominantly in Columbia County, with two recorded brine samples in Lafayette County. Brine yielding 100 to 300 mg/L lithium occurs across all three counties. Several of the low-concentration brine samples, around 100 mg/L, are thought to have been taken from the Ford zone, a thin zone overlying the Upper Smackover in the northern part of the map, and are not representative of lithium concentrations within the Upper Smackover.

 

Moldovanyi and Walter (1992), whose brine geochemical data are included in the USGS database, conducted a regional brine chemical study where Smackover Formation brine samples were collected and analysed from 87 wells that were producing from 45 Smackover Formation oil and natural gas reservoirs in southwest Arkansas, east Texas, and northern Louisiana.

 

South West Arkansas ProjectPage 40
  
NI 43-101 Technical Report & Definitive Feasibility StudyOctober 14, 2025

 

 

 

Figure 6-2: Regional Smackover Formation Lithium Brine Values (USGS National Produced Waters Database)

 

 

Source: Blondes et al. (2018).

 

The study allowed these authors to assume the following points about the regional distribution of the elevated Smackover Formation lithium-brine:

 

·Boron (B) and alkali metal lithium (Li), potassium (K), and rubidium (Rb) concentrations in the Smackover Formation water exhibit coherent geochemical relations across the southwest Arkansas shelf.

 

·In general, the concentration of these elements is greater and more heterogeneous in hydrogen sulphide (H2S)-rich brine than in H2S-free brine (see the H2S-rich polygon in Figure 6-3).

 

·Regional concentration gradients in H2S, B, Li, K, and Rb suggest fluids enriched in these elements may have migrated into the Smackover Formation reservoirs from large-scale circulation of deep-seated waters along segments of the South Arkansas and Louisiana State Line graben fault system (Moldovanyi and Walter, 1992).

 

South West Arkansas ProjectPage 41
  
NI 43-101 Technical Report & Definitive Feasibility StudyOctober 14, 2025

 

 

 

With respect to the South West Arkansas Project, the Moldovanyi and Walter (1992) dataset includes four brine analyses within the boundaries of the South West Arkansas property, as shown in Figure 6-3. Based on these data, lithium-brine values range from 132 mg/L lithium (Purser 2) to 432 mg/L lithium (Cornelius 2), with an average of 278  mg/L lithium. The latest concentration data gathered by Standard Lithium in 2023, 2024, and 2025 demonstrate significantly higher lithium concentrations within much of the project area and supersedes the Moldovanyi and Walter (1992) data, as will be discussed in the following sections.

 

Figure 6-3: Historical Smackover Formation Lithium Brine Values Derived within and Adjacent to the South West Arkansas Property

 

 

 

Source: Blondes et al. (2018).

 

South West Arkansas ProjectPage 42
  
NI 43-101 Technical Report & Definitive Feasibility StudyOctober 14, 2025

 

 

 

6.3South West Arkansas Property Historical Infrastructure Summary

 

Prior oil and gas operators developed several Smackover Formation oil fields on the South West Arkansas property, including the Lewisville, McKamie NE, Mars Hill, Mt. Vernon, and Kress City fields (AOGC, 2016). Prior to Standard Lithium’s activities, 97 wells had been drilled by these operators to a depth greater than 2,133 m (7,000 ft) during exploration of the Smackover Formation (Figure 6-4). One of those wells is a shut-in Smackover producer and the remainder are plugged and abandoned. None of this prior infrastructure will be used by the current project.

 

Figure 6-4: Well Status on the South West Arkansas Property

 

 

Note: Only wells with total depth greater than 2,133 m (7,000 ft) are shown. Source: Haas & Cobb (2025).

 

South West Arkansas ProjectPage 43
  
NI 43-101 Technical Report & Definitive Feasibility StudyOctober 14, 2025

 

 

 

7Geological Setting and Mineralization

 

7.1Introduction

 

In addition to preparing sections of the “Amended and Restated NI 43-101 Technical Report South West Arkansas Project Pre-Feasibility Study,” (August 2023), the qualified person (QP) Mr. Robert Williams, Jr. PG, CPG carried out a detailed review of the following and will note where its descriptions, results, or conclusions are adopted by this technical report.

 

·“Amended Geological Introduction and Maiden Inferred Resource Estimate for Standard Lithium Ltd.’s TETRA Smackover Lithium-Brine Property in Arkansas, United States,” (Eccles et al., 2019)

 

·“Preliminary Economic Assessment of South West Arkansas Lithium Project,” (Eccles et al., 2021).

 

In particular, the extensive description of the geological setting described in the above reports has been adopted for this technical report and is summarized below. The QP takes responsibility for the inclusion of such data herein.

 

7.2Gulf Coast Tectono-Depositional Framework

 

Deposition of the Late Jurassic Smackover Formation is directly linked to the evolution of the Gulf of Mexico. That is, the central Gulf Coast region is the site of Triassic-Jurassic rifting, which is associated with the opening of the Gulf of Mexico and a divergent margin basin characterized by extensional rift tectonics and wrench faulting (Pilger, 1981; Van Siclen, 1984; Salvador, 1987; Winker and Buffler, 1988; and Buffler, 1991). The history of the interior salt basins in the central and eastern Gulf of Mexico includes a phase of crustal extension and thinning; a phase of rifting and sea-floor spreading; and a phase of thermal subsidence (Nunn, 1984; Mancini et al., 2008).

 

A proposed model for the evolution of the Gulf of Mexico and related basin-and-arch formation in Mississippi, North Louisiana, and Arkansas includes the following:

 

·Late Triassic-Early Jurassic rifting that developed pronounced half-grabens bounded by listric normal faults. This phase was accompanied by widespread doming, rifting, and filling of the rift basin(s) with volcanic and non-marine siliciclastic sedimentary (red beds) rocks as North America separated from Africa-South America (Buffler et al., 1981; Salvador, 1991a; Sawyer et al., 1991; and Marton and Buffler, 2016).

 

·Middle Jurassic rifting, crustal attenuation, and the formation of transitional crust is characterized by the evolution of a pattern of alternating basement highs and lows as the Gulf area broke up into a series of separate arches/uplifts and subsiding basins; some of the latter became isolated and filled with thick sequences of evaporite.

 

·Late Jurassic sea-floor spreading and oceanic crust formation in the deep central Gulf of Mexico characterized by a regional marine transgression related to crustal cooling and subsidence (Sawyer et al., 1991). Subsidence continued into the Early Cretaceous with a ramping up of a carbonate platform and deposition of shallow- to deep-water sedimentary rocks along the margins of the basins.

 

South West Arkansas ProjectPage 44
  
NI 43-101 Technical Report & Definitive Feasibility StudyOctober 14, 2025

 

 

 

Evolution of the Gulf Coast region ended with a prominent period of igneous activity and global sea-level fall during the Late Cretaceous (mid-Cenomanian), that produced a major lowering of sea level in the region and resulted in the exposure of the shallow Cretaceous platform margin that rimmed the Gulf (Salvador, 1991b). This event is defined by a Gulf-wide unconformity that is most pronounced in the northern Gulf of Mexico area.

 

7.3Triassic Jurassic Stratigraphy

 

During rifting phases, evolving grabens were filled with the earliest Late Triassic-Early Jurassic red-bed sedimentary sequences of the Eagle Mills Formation (Figure 7-1). This unit comprises a variety of terrestrial sedimentary rocks, including red, reddish-brown, purplish and greenish-grey coloured shale, mudstone, siltstone, and lesser amounts of sandstone and conglomerate. In southern Arkansas, the Eagle Mills Formation includes conglomeratic sandstone and red shale, with igneous fragments (diabase). The Late Triassic-Early Jurassic age is based on the study of remnant plants and radiometric dating of intrusive material (Scott et al., 1961; Baldwin and Adams, 1971).

 

Figure 7-1: Stratigraphic Column of the Late Triassic to Late Jurassic Formations of the Northern Gulf Coast

 

 

 

Source: Heydari and Baria (2005).

 

South West Arkansas ProjectPage 45
  
NI 43-101 Technical Report & Definitive Feasibility StudyOctober 14, 2025

 

 

 

In central-north Louisiana and southern Arkansas rifting and continental crustal attenuation resulted in a period of non-deposition, as evidenced by a 40-million-year hiatus of the depositional record. Late Middle Jurassic (Bathonian–Callovian) depositional units include evaporite, red clastic, and basal conglomerate of the Werner Anhydrite (Hazzard et al., 1947). The Werner-Louann sequence unconformably overlies the Eagle Mills Formation, or older ‘basement’ rocks, and forms the basal unit(s) for the overlying Late Jurassic Louark Group, which includes the Norphlet, Smackover and Haynesville-Buckner formations (Figure 7-1). More notably, continued basin-wide restriction resulted in deposition of a thick succession of the Louann Salt during the Callovian, which are over 3,050 m thick in some places (Salvador, 1990; Zimmerman, 1992). The Louann Salt has been estimated to cover as much as 466,000 km2 in the Gulf of Mexico region (Hazzard et al., 1947).

 

The South Arkansas fault system and the Louisiana State Line graben are approximately parallel to the regional strike of the Smackover Formation deposition and were active during the Jurassic; likely, resulting from salt tectonics in the underlying Louann Formation; (Bishop, 1973; Troell and Robinson, 1987). The present up-dip limit of the Louann Salt is generally marked by the South Arkansas fault system, a feature believed to have been produced during the Late Jurassic by downdip gravity sliding of the Louann Salt (Troell and Robinson, 1987).

 

The Late Jurassic Norphlet Formation unconformably overlies the Louann Salt, and older units, near the margins of the basin (Hazzard et al., 1947; Bishop, 1967). The Norphlet Formation was deposited during a regional sea-level low and attains a maximum thickness of approximately 45 m and is comprised of alluvial-fan sandstone and conglomerate, channel and interdune red-bed and aeolian sandstone (Wade and Moore, 1993; Mancini et al., 2008). Norphlet Formation fluvial deposition in southern Arkansas is characterized by gravel with interbedded red and grey mudstone (Mancini et al., 2008) and is approximately 15 m thick (Zimmerman, 1992; Hunt, 2013).

 

Marine deposition resumed during the late Oxfordian, as the Late Jurassic seas transgressed, initiating the deposition of the Smackover Formation, which conformably overlies the Norphlet Formation.

 

The Smackover Formation carbonate rocks are succeeded by mixed evaporite, siliciclastic and dolomite of the Buckner Formation, and then by a thick Kimmeridgian–Tithonian succession of marine, deltaic, and fluvial siliciclastic rocks of the Haynesville Formation and the Cotton Valley Group (Figure 7-1).

 

The Buckner Formation consists of evaporitic deposits and associated red-beds reflecting a depositional environment that is less marine, or shallower water marine, than those of the underlying Smackover Formation (Salvador, 1987). The Buckner Formation is made up of intercalated 2 to 6 m thick salt/anhydrite and marine limestone and extends from the Florida Panhandle to South Texas (Mann, 1988). A distinct facies change occurs along the crests of a line of anticlines that extend from the Catesville oilfield in Union County westward to the Dorcheat-Macedonia field in Columbia County. North of this structural trend the Buckner Formation, from top to bottom, consists of non-marine red shale, anhydrite, and dolomite (Akin and Graves, 1969). To the south, equivalent beds become sandy. The anhydrite facies indicate the presence of a barrier restricting normal flow of seawater during Buckner Formation deposition.

 

In southern Arkansas and northern Louisiana, the Late Jurassic Cotton Valley Group lies unconformably on the Louark Group, Haynesville Formation. In ascending order, Swain and Anderson (1993) divided the Cotton Valley Group into the Millerton (siliciclastic, mainly shale, shelf unit), Shongaloo (foreshelf and shelf-edge silty shale and sandstone) and Dorcheat (sandstone and siltstone) formations. The Millerton Formation, or Bossier marine shale, pinches out updip in southernmost Arkansas (Mancini et al., 2008). The Haynesville Formation conformably underlies the Bossier, and where the Haynesville is absent, the Bossier rests on the Smackover Formation limestone. In Arkansas, the Dorcheat Formation contains increasing amounts of sandstone before pinching out (Forgotson, 1954).

 

South West Arkansas ProjectPage 46
  
NI 43-101 Technical Report & Definitive Feasibility StudyOctober 14, 2025

 

 

 

7.4Smackover Formation

 

Given this scenario, Late Jurassic evaporite and sedimentary strata that form the integral geological units in this technical report were deposited across much of the Gulf Coast basin as part of a seaward-dipping wedge of sediment that accumulated in differentially subsiding basins on the passive margin of the North American continent. These units include formations of the Louark Group (the major lithium-brine and hydrocarbon reservoir/aquifer known as the Smackover Formation) and the Smackover Formation’s overlying and underlying aquitards (the Buckner Anhydrite Member of the Haynesville Formation and the Norphlet Formation and/or Louann salts).

 

The Smackover Formation is up to 365 m thick with an upper ooidal/oncolitic packstone and grainstone shoaling upward cycle facies that is nearly 100 m thick (Dickinson, 1968; Moore and Druckman, 1981). The Smackover Formation has been interpreted as a low-gradient slope (<1°) homoclinal ramp succession due to its series of strike-oriented, relatively narrow depositional lithofacies belts across Texas, Arkansas, Louisiana, and Mississippi (Ahr, 1973; Bishop, 1968; Handford and Baria, 2007). Figure 7-2 presents a regional map of the Smackover lithofacies belts in the U.S. Gulf Coast Basin. These belts include evaporite and redbed sequences in the north that change basin-ward into ooidal (inner-ramp beaches and shoals) peloidal-facies belt (mid-outer ramp) and laminated mudstone (basin).

 

The Smackover Formation is Upper Jurassic in age and was named after the Smackover Field in Union County, Arkansas, which first produced oil in 1922 (Schneider, 1924). The Smackover Formation extends from the panhandle of Florida through Alabama, Mississippi, Louisiana, Arkansas and Texas, and into Mexico. (Figure 7-2). The portion of the Smackover generally known to contain significant bromine and lithium salts is found between the Jurassic Gulf Coast basin-bounding faults to the north-northwest of the South West Arkansas property and the “State Line” fault system to the south-southeast of the South West Arkansas property near the Arkansas-Louisiana border (Figure 7-3).

 

Stratigraphically, the Smackover Formation is bounded on the top by the Buckner Formation and on the bottom by the Norphlet Formation (Figure 7-1). The Buckner Formation in southern Arkansas is dominated by red shale in the upper part and anhydrite in the lower part above the Smackover Formation and, because of its low permeability, acts as a geological seal which traps oil and gas. This trapping capability will also prevent upwards vertical movement of brine out of the Smackover Formation. The Norphlet Formation is comprised of red and grey clays with varying amounts of intercalated sands and occasional gravels.

 

As shown in Figure 7-4, the Smackover Formation in southern Arkansas is commonly subdivided into three intervals: (1) the Reynolds Member Oolite (referred to in this report as the Upper Smackover), (2) the Middle Smackover, and (3) the Brown Dense (referred to in this report as the Lower Smackover). The Upper Smackover is a predominantly oolitic limestone, and the Middle Smackover is a burrowed pellet packstone. The Lower Smackover (which does not contribute to the resource estimates in this report but is a future target for exploration) is largely composed of dark, dense limestone with argillaceous bands (Imlay, 1940). The Lower Smackover has been found to contain porous and permeable intervals. The entire Smackover Formation has been dolomitized to varying degrees.

 

The QP has subdivided the Upper and Middle Smackover Intervals into eight layers based on geological characteristics and lateral correlations (refer to Section 14, Mineral Resource Estimates). The upper five layers comprise the Upper Smackover, while the lower three layers comprise the Middle Smackover. To quantify the amount of porous and permeable Smackover Formation present within the South West Arkansas property, the available core and petrophysical log data was evaluated to determine the reservoir’s structure, porosity, gross layer thickness, net pay thickness (that portion of the gross layer thickness expected to be productive because it exceeded a 6.0% minimum porosity value), and net pay thickness to gross layer thickness ratio (equal to the fraction of the layer at a given location that was estimated to be productive) for each layer at each well location. Some wells were not drilled deep enough to penetrate all layers, so only penetrated layers with data were used in the mapping effort at those locations.

 

South West Arkansas ProjectPage 47
  
NI 43-101 Technical Report & Definitive Feasibility StudyOctober 14, 2025

 

 

 

Figure 7-2: Facies Map of the Smackover Formation, Northern Gulf Coast Basin

 

 

Source: BEG (1981).

 

South West Arkansas ProjectPage 48
  
NI 43-101 Technical Report & Definitive Feasibility StudyOctober 14, 2025

 

 

 

Figure 7-3: Structural Framework, Northern Gulf Coast

 

  

Source: BEG (1981).

 

South West Arkansas ProjectPage 49
  
NI 43-101 Technical Report & Definitive Feasibility StudyOctober 14, 2025

 

 

 

Figure 7-4: Smackover Stratigraphic Column

 

 

Source: Heydari and Baria (2005).

 

South West Arkansas ProjectPage 50
  
NI 43-101 Technical Report & Definitive Feasibility StudyOctober 14, 2025

 

 

 

The focus of this resource and reserves assessment is the South West Arkansas property’s Smackover Formation. The lithium-bearing Smackover Formation is continuous across the property and extends beyond. The lithium concentration exhibited by the Smackover Formation brine varies throughout the property, as described in Section 9. The depth of the top of the Smackover Formation in the South West Arkansas property area generally dips from north-northeast to south-southwest (Figure 7-5) and varies in depth from approximately 2,316 m (7,600 ft) subsea to approximately 2,773 m (9,100 ft) subsea. As shown on Figure 7-5, there are two east-west faults near the centre of the property (the Brown Faults) and an additional east-west fault along the southern edge (the Red Fault). The presence of these faults has been accounted for in the geological model, the simulation model, and the development plan described in later sections.

 

Figure 7-5: Smackover Formation Structure Map

 

 

Source: Haas & Cobb (2025).

 

The relationship between the Smackover Formation intervals, the overlying Buckner Formation, and the underlying Norphlet Formation is shown in a cross-section through five of the Standard Lithium exploration wells (Figure 7-6).

 

South West Arkansas ProjectPage 51
  
NI 43-101 Technical Report & Definitive Feasibility StudyOctober 14, 2025

 

 

 

Figure 7-6: West to East Exploration Program Wells Structural Cross-Section

 

 

Source: Haas & Cobb (2025).

 

7.5The Smackover Formation Mineralization

 

The lithium resource and reserves described in this report are present in solution within the brine of the Smackover aquifer. This dense brine (approximately 1.24 g/cm3 density) typically contains 16 detected constituents, with approximately 94% by weight made up of a high-concentration mix of chlorine, sodium, and calcium. The remaining constituents include potassium, bromide, and lithium, along with 10 other trace elements. The distribution of lithium within the Smackover aquifer is described in Section 9, and a description of the distribution of the porous Smackover formation (the geological model) is provided in Section 14. As previously noted, the Smackover formation is continuous across the Project area, with variations in porosity, thickness, and permeability accounted for by the geological model.

 

South West Arkansas ProjectPage 52
  
NI 43-101 Technical Report & Definitive Feasibility StudyOctober 14, 2025

 

 

 

8Deposit Types

 

Lithium is extracted today from mineral deposits—often from pegmatite deposits containing the lithium-rich mineral spodumene—or from brine deposits. Brine deposits can either be unconfined in salars, where lithium has been concentrated by the surface evaporation of water from lithium-bearing brine (found in arid regions of countries such as in Bolivia, Chile, Argentina and China), or confined in underground brine-bearing formations. The lithium deposit on the South West Arkansas property is a confined aquifer brine deposit in the form of a lithium-bearing brine within the porosity of the Smackover Formation. The Smackover Formation in southern Arkansas has proven to be a prolific source of resources, beginning with oil and gas, transitioning to bromine, and now providing lithium as attractive development target. Bromine brine production from the Smackover Formation is extensive in the Union and Columbia counties to the east of the South West Arkansas property.

 

The volume of in-place lithium is proportional to the product of the brine-saturated pore volume in the property and the lithium concentration, both of which are known with reasonable accuracy, based on the drilling, logging, coring, and brine sampling data. The geological model for the Smackover Formation is described in Sections 9 and 14, and the lithium distribution is described in Section 9. The geological characteristics of the reservoir and its lithium content estimates are based on the entire geological data set and the results of recent well testing in the Upper and Middle Smackover Formation. The resulting geological model provides the resource estimates presented in Section 14. The geological model was then input into a reservoir simulation model, resulting in the reserve estimates and development plans described in Section 15.

 

South West Arkansas ProjectPage 53
  
NI 43-101 Technical Report & Definitive Feasibility StudyOctober 14, 2025

 

 

 

9Exploration

 

9.1Subsurface Lithium Concentration Data Review

 

This report incorporates the lithium concentration data gathered by Standard Lithium from the following sources:

 

·two-well brine sampling program (2018);

 

·five-well exploration program (2023);

 

·brine resampling of the International Paper Co. 1 (IPC-1) well (2024); and

 

·drilling and brine sampling of the Lester 2 well (2025).

 

9.2Lithium Concentration Data Sampling (2018 to 2025)

 

The lithium concentration data used in this report resulted from brine samples collected by Standard Lithium between 2018 and 2025. In 2018 Standard Lithium gathered two brine samples from each of two McKamie Patton wells (MKP-20 and -21) on the southwest boundary of the South West Arkansas property. The wells are south of the sealing Red Fault and outside of the South West Arkansas property. The McKamie Patton brine sampling program was discussed in detail in Section 9.2 of the Preliminary Economic Assessment (Eccles et al., 2021) (the PEA). While the results have been included herein for completeness, they do not affect the resource or reserve estimates in this report because the wells are outside of the current project area.

 

In 2023, Standard Lithium gathered 21 brine samples from the three re-entry wells (Taylor, Beulah et al. 1, IPC-1, Carter Moore 1) and two new wells (Montague 1, Speer 1). Four additional brine samples were gathered from three of those wells for verification as brine samples by the QP.

 

In 2024 and 2025 the IPC-1 well was resampled for brine ten times in the Upper Smackover interval as part of a program to obtain a large volume of brine for process evaluation. Because of the much larger sampled brine volume in the 2024 to 2025 production (2,412 barrels, compared to 237 barrels in 2023), the 2024 to 2025 brine sample results supersede those of the 2023 program in this report.

 

In 2025 a new well, Lester 2, was drilled, logged, and brine sampled twice in the Upper Smackover. The log data was incorporated into the revised geological description, and the lithium concentration data was included in the lithium concentration map for the Upper Smackover.

 

All brine samples from the 2018 through 2025 data gathering programs were analysed by Western Environmental Testing Laboratory (WETLAB), 475 E Greg Street, Suite 119, Sparks, Nevada, 89431. The resulting lithium concentration values have greatly improved the understanding of the distribution of lithium within the Smackover Formation within the South West Arkansas property, demonstrating higher levels of lithium concentration throughout much of the property than estimated in the PEA (Eccles et al., 2021). Table 9-1 summarizes the lithium concentration data used in this report.

 

South West Arkansas ProjectPage 54
  
NI 43-101 Technical Report & Definitive Feasibility StudyOctober 14, 2025

 

 

 

Table 9-1: South West Arkansas Property Lithium Concentration Data

 

Well Test,
Year
Smackover Zone
Sampled
Porosity
Thickness > 6%,
(pore-ft)
SLL Sample Li
(mg/L)
SLL Duplicate
Sample Li
(mg/L)
Williams
Sample Li
(mg/L)
Average Li
(mg/L)
Upper Smackover Values              
Taylor, Beulah et al. 1 1, 2023 Upper Top 8.34 531 569 515 538
Taylor, Beulah et al. 1 2, 2023 Upper Middle 2.84 574 581 - 578
Taylor, Beulah et al. 1 3, 2023 Upper Bottom 0.16 570 - - 570
Taylor, Beulah et al. 1 Average Phi-H Wtd. Upper     - - 549
Carter Moore 1 1, 2023 Ford (Not Used) NA 199 206 -  
Carter Moore 1 2, 2023 Upper plus Middle NA 163 150 156 156
Int. Paper Co. 1 1, 2024 Upper All NA 471 491 - 481
Int. Paper Co. 1 3, 2024 Upper All NA 482 527 - 505
Int. Paper Co. 1 5, 2024 Upper All NA 489 521 - 505
Int. Paper Co. 1 8, 2024 Upper All NA 465 450 - 458
Int. Paper Co. 1 11, 2025 Upper All NA 450 446 - 448
Int. Paper Co. 1 Average Upper All NA - - - 479
Speer 1 1, 2023 Upper/Top of Middle NA 597 581 - 589
Montague 1 1, 2023 Upper NA 542 568 - 555
Lester 2 1, 2025 Upper NA 559 571 - 565
Lester 2 1, 2025 Upper NA 616 - - 616
Lester 2 Average 3 Samples, Upper NA - - - 582
McKamie Patton 20 2018 Upper NA 347 352 - 350
McKamie Patton 21 2018 Upper NA 461 439 - 450
Middle Smackover Values              
Taylor, Beulah et al. 1 4, 2023 Middle NA 551 - - 551
Taylor, Beulah et al. 1 5, 2023 Middle (Incomplete Test, Not Used) NA 263 - - -
Carter Moore 1 2, 2023 Upper plus Middle NA 163 150 156 156
Int. Paper Co. 1 2.3, 2023 Middle High Porosity 6.39 282 289 - 286
Int. Paper Co. 1 2.2, 2023 Base Upper+ Middle Low Porosity 1.08 432 420 - 426
Int. Paper Co. 1   Middle Average - - - - 306
Montague 1 2, 2023 Middle NA 613 - - 613
Lower Smackover Value, Not Used              
Montague 1 3, 2023 Lower, not used NA 557 - - -

 

South West Arkansas ProjectPage 55
  
NI 43-101 Technical Report & Definitive Feasibility StudyOctober 14, 2025

 

 

 

Each well’s test values were averaged to obtain single average test concentration values for each tested interval. For wells with multiple tested intervals in either the Upper Smackover zone or the Middle Smackover zone, the average test values were combined based on each test interval’s fraction of the total estimated porosity-thickness in that zone (using a 6.0% porosity cut-off) for the well, resulting in each well’s porosity thickness-weighted concentration value for that zone (the Upper Smackover or Middle Smackover Formation).

 

Note: Test 5 for the Taylor, Beulah et al. 1 well was excluded because the low permeability of the zone resulted in low flow rates. This prevented the brine composition from stabilizing, resulting in an artificially-low lithium concentration value. The Ford zone test in the Carter Moore 1 well was excluded as a non-Smackover Formation test.

 

9.3Exploration Results and Interpretation

 

The lithium concentration data gathered by Standard Lithium in 2018 through 2025, combined with the average zone values presented in Figure 9-1, provided the basis for the maps shown in Figures 9-2 and 9-3 of the Upper Smackover and Middle Smackover lithium concentrations, respectively.

 

Figure 9-1: Upper and Middle Smackover Lithium Average Concentrations

 

 

 

Note: Based on data gathered by Standard Lithium from 2018- 2025. Source: Haas & Cobb (2025).

 

South West Arkansas ProjectPage 56
  
NI 43-101 Technical Report & Definitive Feasibility StudyOctober 14, 2025

 

 

 

Figure 9-2: Upper Smackover Lithium Average Concentrations

 

 

 

Note: Based on data gathered by Standard Lithium from 2018- 2025. Source: Haas & Cobb (2025).

 

Figure 9-3: Middle Smackover Average Lithium Concentrations

 

 

  

Note: Based on data gathered by Standard Lithium from 2018- 2025. Source: Haas & Cobb (2025).

 

South West Arkansas ProjectPage 57
  
NI 43-101 Technical Report & Definitive Feasibility StudyOctober 14, 2025

 

 

 

Separate lithium concentration maps were prepared for the Upper Smackover and Middle Smackover. The quantity and areal distribution of the lithium concentration data within the South West Arkansas property justified creating two contoured concentration maps, in contrast to the single concentration map created for the combined Upper and Middle Smackover Formations in the pre-feasibility study. In addition, the Red Fault, a sealing no-flow barrier based on the significant pressure depletion south of the Red Fault in response to production at the McKamie Patton oil field, is treated here as creating a discontinuity in lithium concentration. To prevent unwarranted extrapolation of the concentration data, the map contours are limited to the minimum and maximum lithium concentration values observed in the data on the South West Arkansas property.

 

These lithium concentration maps were combined with the drilling data described in Section 10 to prepare the geological model and resulting lithium resource estimates described in Section 14. The values from the geological model were input to the reservoir simulation model that was then used to estimate the reserves shown in Section 15.

 

Generally high and uniform lithium concentrations were measured throughout the Upper Smackover in most of the South West Arkansas property (479 to 582 mg/L), except for the concentration measured at the Carter Moore 1 well (156 mg/L). As described in Section 14, the geological character of the Smackover Formation at the Carter Moore 1 location in the future expansion area differs from that observed at the well locations to the east in the future expansion area and to the south in the Reynolds Brine Unit, which may be related to the lower lithium concentrations measured at that well. Further delineation of the geological character and lithium concentrations in the future expansion portion of the South West Arkansas property is one of the recommendations of this study.

 

The controls and protocols for brine sampling and preservation are discussed in Section 11, and the verification of the lithium concentration data and the aquifer properties as estimated from well logs and core data (porosity, net pay, and permeability) is described in Section 12.

 

South West Arkansas ProjectPage 58
  
NI 43-101 Technical Report & Definitive Feasibility StudyOctober 14, 2025

 

 

 

10Drilling

 

10.1Historical Drilling

 

The geological model described in Section 14 is based on the well logs and core data obtained from 100 wells drilled inside the South West Arkansas property and 351 wells drilled outside in the geological study area that exceeded 7,000 ft (2,100 m) in depth. These wells were drilled by prior operators exploring the area for hydrocarbons, along with the six wells either drilled or re-entered as part of the 2023 through 2025 Standard Lithium exploration program. Table 10-1 provides a breakdown of the types of data gathered from the wells inside and outside the South West Arkansas property.

 

Table 10-1: Types of Well Data

 

Well Data Wells Inside Property Wells Outside Property Total Wells
Wells Greater than 7,000 ft within Geological Study Area 100 351 451
Wells that Penetrated the Top of Smackover Marker 100 316 415
Wells that Penetrated the Middle Smackover Marker 35 100 135
Raster Logs 100 322 421
Digital Logs 47 77 124
Porosity Logs 37 40 77
Core Data 18 24 42

 

Figure 10-1 shows the geological study area and identifies the locations where these data were collected in the Upper Smackover. Figure 10-2 provides the same information for the data collected in the Middle Smackover. Figures 10-1 and 10-2 highlight the six wells from Standard Lithium’s exploration program.

 

Two categories of geological data were obtained from the wells drilled in the geological study area (which includes the South West Arkansas property): (1) well logs (either raster or digital), and (2) core data. Almost all well logs provided structural data, while some well logs provided porosity data. The core data provided porosity and permeability data.

 

Structural data was obtained from 415 wells with log data that included at least the top of Smackover Formation, while the porosity data originated in two forms: (1) porosity logs (density porosity, sonic porosity, and neutron porosity logs), obtained from 77 wells, and (2) core samples, obtained from 42 wells. The logs and cores were gathered for several different operators by contractors using industry-standard practices, as described in the core reports and documented in the log header data. The sources and verification of the historical log data and core data are discussed in Sections 11.4 and 11.5, respectively.

 

South West Arkansas ProjectPage 59
  
NI 43-101 Technical Report & Definitive Feasibility StudyOctober 14, 2025

 

 

 

Figure 10-1: Upper Smackover Formation Well Data Source

 

 

 

Source: Haas & Cobb (2025).

 

Figure 10-2: Middle Smackover Formation Well Data Source

 

 

 

Source: Haas & Cobb (2025).

 

South West Arkansas ProjectPage 60
  
NI 43-101 Technical Report & Definitive Feasibility StudyOctober 14, 2025

 

 

 

The petrophysical log data was used to establish correlations for structural control, identify zone boundaries, define gross interval thickness for each Smackover zone, identify net pay intervals, and estimate the porosity values for those net pay intervals. The well log data included varying combinations of the following logs: spontaneous potential (SP), gamma ray (GR), resistivity (EL, ISFL, DIL, etc.), MicroLog, and various porosity logs (acoustic, neutron, and density). The by-zone gross thickness values obtained from the logs were used to constrain net reservoir thickness and to relate porosity to the established zone correlations. The primary source of log porosity data—the density porosity logs—were calibrated using the core porosity values and supplemented with the sonic porosity and neutron porosity logs, eliminating any significant systematic error or bias in the resulting porosity value estimates.

 

The east-to-west fault system present in the southern portion of the South West Arkansas property was previously identified and described in the PFS (HGA, 2023). The seismic data used to create that interpretation was evaluated and confirmed by the QP, resulting in a similar fault configuration with minor modifications to the southeast fault traces to conform to the data provided by the new Speer 1 well.

 

The resulting geological model, discussed in Section 14, formed the basis for this report’s resource estimates. The geological model was also input to the reservoir simulation model, which was then used to estimate reserves for the South West Arkansas property, described in Section 15.

 

10.2Standard Lithium Exploration Program

 

From February to July in 2023, Standard Lithium conducted a five-well exploration program at the South West Arkansas property, followed by additional well brine sampling and drilling in 2024 and 2025. The 2023 program included re-entry into three existing abandoned wells (Taylor, Beulah et al. 1, IPC-1, and Carter-Moore 1) and drilling two new wells (Speer 1 and Montague 1). These five well locations were chosen to maximize the description of the geological properties and lithium concentrations within the South West Arkansas property. In 2024 and 2025, the brine from IPC-1 well was re-sampled, and in 2025 the Lester 2 well was drilled, logged, and brine-sampled. Figure 10-3 shows the locations of the six wells.

 

Each of the six wells collected well log data which was used to identify the zones in each well, over which production tests were completed and brine samples collected during the exploration program. Both whole core and sidewall coring programs were complete in several of the wells. Table 10-2 summarizes the actions taken at each well as part of the exploration program; this included well depths, brine sampling targets, amount of whole core, number of rotary sidewall cores, and the brine volumes obtained. Each well successfully tested the high-porosity interval in the Upper Smackover which is considered the main pay zone of the South West Arkansas property. Additional productive pay was encountered and successfully tested at various depths in the Middle Smackover. In one case, a porous and permeable formation was identified in the Lower Smackover: the Montague 1 well sampled brine with a concentration of 557 mg/L lithium from approximately 30 ft of net pay (note: this report makes no estimate of resources for the Lower Smackover). During each production test, the physical and chemical characteristics of the brine were monitored. Once those characteristics stabilized, brine samples were taken and shipped to the outside laboratory, WETLAB, for compositional analysis.

 

In 2024 two of the wells, Montague 1 and Speer 1, were each subject to an injection test. The resulting pressure and rate measurements were evaluated using pressure transient analysis, resulting in estimates of the Upper Smackover permeability-thickness at each location.

 

South West Arkansas ProjectPage 61
  
NI 43-101 Technical Report & Definitive Feasibility StudyOctober 14, 2025

 

 

 

Figure 10-3: South West Arkansas Property Exploration Program

 

 

Source: Haas & Cobb (2025).

 

South West Arkansas ProjectPage 62
  
NI 43-101 Technical Report & Definitive Feasibility StudyOctober 14, 2025

 

 

 

Table 10-2: Well Actions Taken During Exploration Programs

 

Well Actions Original Measured
Depth (ft)
Final Measured Depth
(ft)
Smackover Zones
Sampled
Interval Where Whole
Core Collected,
Measured Depth (ft)
Total Interval Cored
(ft)
Amount of Core
Recovered (ft)
Number of Rotary
Sidewall Core Samples
Collected
Total Volume of Brine
Produced (Barrels)
Taylor, Beulah et al. 1 Re-entry, deepen into Middle Smackover 8,690 8,940 Upper, Middle 8,679.50 to 8,830.50 151.00 142.00 24 515
Carter Moore 1 Re-entry, deepen into Upper and Middle Smackover 8,545 8,915 Upper + Middle None None None None 400
IPC-1 Re-entry 8,800 8,950 Upper 2023, 2024-2025, Middle 2023 None None None 26 3,847
Montague 1 New well N/A 9,655 Upper, Middle, Lower 9,053.00 to 9,388.00 335.00 235.45 None 823
Speer 1 New well N/A 9,550 Upper + Middle 8,909.55 to 9,019.30 109.75 86.15 29 361
Lester 2 New well N/A 9,421 Upper None None None None 826

 

South West Arkansas ProjectPage 63
  
NI 43-101 Technical Report & Definitive Feasibility StudyOctober 14, 2025

 

 

 

Figure 10-4 presents the Montague 1 type well log, indicating the primary well log data, cored interval, intervals tested, core permeabilities (shaded green where permeability is greater than 0.5 mD), and intervals meeting the 6.0% porosity net pay cut-off (highlighted with the orange “Net Phi 6 Cobb” flag and shaded green where log porosity, “PhiND CC” is greater than 6.0%). Each well test is described in the following subsections.

 

Figure 10-4: Montague 1 Type Well

 

 

 

Note: Intervals meeting the 6.0% porosity net pay cut-off are highlighted with the orange “Net Phi 6 Cobb” flag and shaded green where log porosity, “PhiND CC”, is greater than 6.0%. Source: Haas & Cobb (2023).

 

10.2.1Taylor, Beulah et al. 1 – Well Re-Entry (2023)

 

The Taylor, Beulah et al. 1 well was originally drilled in 1982 to near the base of the Upper Smackover Formation. Between February 18 and March 7, 2023, the well was re-entered, deepened, cored, and logged. Whole core was taken over the Middle Smackover Formation as part of the deepening, and rotary sidewall cores were taken over the previously drilled Upper Smackover following logging. The well was then cased. Test intervals were chosen based on the combination of porosity values exceeding 6.0% (indicative of net pay) or resistivity values less than 6.0 ohm-meters, indicating the presence of conductive brine (the same criteria were applied to the remaining four wells). Five intervals were sequentially perforated and tested, starting with two in the Middle Smackover followed by three in the Upper Smackover. The lowest interval flowed small volumes of brine; the remaining four flowed significant volumes.

 

South West Arkansas ProjectPage 64
  
NI 43-101 Technical Report & Definitive Feasibility StudyOctober 14, 2025

 

 

 

10.2.2International Paper Company No. 1 – Well Re-Entry (2023, 2024, 2025)

 

The International Paper Company no. 1 (IPC-1) well originally was drilled in 1978 to near the base of the Middle Smackover. In 2023, the well was re-entered, deepened into the Lower Smackover, and logged, followed by gathering rotary sidewall cores and casing the well. Three successful tests were conducted in the Middle and Upper Smackover. The lower-porosity pay in the Middle Smackover and bottom of the Upper Smackover flowed following an acid stimulation. Those intervals were then isolated and a high-porosity zone in the Middle Smackover was successfully perforated and tested. Finally, the high-porosity main pay interval in the Upper Smackover was successfully perforated and tested. The Lower Smackover was found to be non-productive at this location.

 

In 2024 and 2025, the well’s Upper Smackover interval was brine sampled again as part of a program to supply a large volume (2,412 barrels) of brine for process testing. This volume was 10.2 times larger than the 237 barrels obtained in 2023. Therefore, this report uses the average of the ten lithium concentration analyses of the 2024 to 2025 volume for the Upper Smackover at this well location.

 

10.2.3Carter-Moore 1 – Well Re-Entry (2023)

 

The Carter-Moore 1 well originally was drilled in 1976 into the Ford Zone, a porous and productive zone immediately above the Upper Smackover. In April 2023, the well was re-entered and the original perforations were used to sample the Ford Zone brine. Those perforations were then cement-squeezed and the well was deepened to the top of the Lower Smackover. Core data was not obtained in this well because the limited diameter of the deepened portion of the well below the Ford Zone was insufficient to allow coring operations. The deepened portion of the well, which covered the Upper and Middle Smackover, was logged, and then tested and brine-sampled. The petrophysical well log indicated a similar amount of net pay in both the Upper Smackover and the Middle Smackover, with the resulting brine sample representative of the average lithium concentration for the two zones.

 

10.2.4Speer 1 New Well (2023) and Re-Entry (2024)

 

In 2023, the Speer 1 well was drilled into the Lower Smackover with core recovered in portions of the Upper and Middle Smackover. The well was cased and the net pay targets in the Upper Smackover (including an interval at the top of the Middle Smackover) were successfully perforated and tested.

 

In 2024, the Speer 1 well was re-entered, acidized, and an injection test followed by a pressure falloff test was performed. The test indicated the Upper Smackover interval has a permeability-thickness value fully meeting expectations for the Upper Smackover at that location, and the calculated skin factor indicated the execution of a successful stimulation of the well, also consistent with expectations. These test results confirm the suitability of the Upper Smackover in this area for production and injection at the rates required by the project.

 

South West Arkansas ProjectPage 65
  
NI 43-101 Technical Report & Definitive Feasibility StudyOctober 14, 2025

 

 

 

10.2.5Montague 1 New Well (2023) and Re-Entry (2024)

 

The Montague 1 well was drilled into the Lower Smackover, with whole core recovered in the Upper and Middle Smackover. The high-porosity main pay target of the Upper Smackover was successfully tested and brine-sampled. Samples from the Middle Smackover and Lower Smackover were also gathered after the publication of the pre-feasibility. The Upper Smackover and Middle Smackover results were presented in Table 9-1, while the Lower Smackover results (557 mg/L lithium from approximately 30 ft of net pay) are outside of the scope of this report.

 

In 2024, the Montague 1 well was re-entered, acidized, and an injection test was performed followed by a pressure falloff test. The test indicated the Upper Smackover interval has a permeability-thickness value fully meeting expectations for the Upper Smackover at that location, and the calculated skin factor indicated the execution of a successful stimulation of the well. These test results confirm the suitability of the Upper Smackover in this area for production and injection at the rates required by the project.

 

10.2.6Lester 2 New Well (2025)

 

The Lester 2 well was drilled, logged, cased, and brine-sampled in 2025 to obtain geological data (logs) and Upper Smackover lithium concentration data in the unsampled area between Montague 1 and IPC-1. The well drilled through the Upper Smackover and into the Middle Smackover, allowing logging of the Upper Smackover and approximately 100 ft of the Middle Smackover. The well was swabbed, producing 826 barrels of brine that included 159 barrels of fresh water periodically introduced into the well for salt mitigation.

 

South West Arkansas ProjectPage 66
  
NI 43-101 Technical Report & Definitive Feasibility StudyOctober 14, 2025

 

 

 

11Sample Preparation, Analyses, and Security

 

11.1Sampling Methods

 

In 2018 Standard Lithium collected brine samples from the Upper Smackover Formation at the McKamie-Patton MKP 20 on June 22 and MKP 21 on July 23, using appropriate procedures to ensure brine sample accuracy and security (Section 11.1 of the PEA, Eccles et al., 2021). The resulting lithium concentrations are included in this report for completeness. However, because they are from the Smackover Formation to the south of the sealing red fault, they do not affect the resource or reserves values presented in Sections 14 and 15 of this report.

 

The QP worked with Standard Lithium, the drilling contractor, and other technical personnel to help design and implement the brine sampling procedures used at each of the five 2023 exploration program wells, along with the 2024 and 2025 brine sampling activities. The QP also participated in the 2023 brine sampling programs at the Taylor, Beulah et al. 1, Carter Moore 1, and IPC-1 wells, carefully observing the procedures, completing the brine sample log, and monitoring the WETLAB analysis verifications for the brine samples. The brine samples were collected in a consistent and secure manner, with a clear chain of custody from the brine sample collection point to the shipment to WETLAB.

 

11.2Sample Preparation, Analyses and Security

 

11.2.1Brine Sample Collection

 

Brine samples were collected from three re-entered abandoned wells and three new wells (Section 10). A critical step to sampling brine for geochemical analysis is to ensure that the brine collected is a fresh representative of Upper or Middle Smackover Formation.

 

During the 2023 brine sampling programs conducted by Standard Lithium, the brine sample collection methodology included the following steps:

 

·For the three wells that were re-entered, the well construction schematic was reviewed, the target depth identified, and the need for deepening the well was determined. Once deepened, the logs were run and test intervals were identified. For the two new wells, logs were run after each well was drilled and the test intervals were identified.

 

·For each test interval, a cast iron bridge plug was set above the prior test interval (except for the first test). The test interval was perforated, a pressure gauge was set, and the swabbing assembly was run in the well—included was a packer assembly immediately above the perforated zone to isolate the testing horizon. New production tubing was also installed. All the work was completed by a workover rig.

 

·After the test interval was perforated, brine was removed from the well by swabbing the production tubing. Swabbing involves lowering swab cups on steel wireline inside the production tubing from above the perforations. Once the wireline and swab cups were lowered to the desired depth through a fluid column of approximately 300 m (1,000 ft), they were raised and the entire 300-meter (1,000-foot) column of brine was brought to wellhead, conveyed through a piping system to a three-stage fluid/gas separator, and then sent to a mud tank for storage. The volume of fluid removed from the well was measured with flow meters and calculated based on the volume measured at regular intervals in the mud tank.

 

South West Arkansas ProjectPage 67
  
NI 43-101 Technical Report & Definitive Feasibility StudyOctober 14, 2025

 

 

 

·Field-measured parameters were collected and analysed on site by a Standard Lithium representative to assess brine density, electrical conductivity, pH, and temperature of the brine on every swab run. Field-measured parameters were compared to known values of the Smackover Formation. For example, the formation has a brine density of about 1.20 g/cm3 (10.2 lbs/gal). Swabbing of the well continued until field-measured parameters had stabilized.

 

·Brine established to be from the Smackover Formation (based on density, electrical conductivity, and pH) was collected by filling two 1,000 L (250 US gallon) intermediate bulk containers (IBCs) from a valve installed at the three-stage separator. Safety protocols were exercised on site due to the hydrogen sulphide (H2S) gas content associated with the produced Smackover Formation fluids. A new 4-litre carboy container was filled from the IBC to allow oil and brine to separate if oil was present. In all cases no oil was observed in the carboys attesting to the high brine to oil ratio.

 

·The physical attributes of the brine sample were recorded (e.g., colour, smell, contaminants, etc.). The brine sampling process was completed by recording any comments that might be significant to the brine sampling site, brine sample collection, or brine sample itself.

 

·New laboratory-supplied brine sample containers with screw-on caps were labelled using Standard Lithium’s labelling procedure that includes recording the brine sample identification, date and time of collection, and the sampler’s initials.

 

·Three brine sample containers were collected from the 4-litre carboy container by Standard Lithium: 1 L plastic, 500 ml plastic preserved with nitric acid (HNO3), and 250 ml glass preserved with phosphoric acid (H3PO4) for geochemical analysis at WETLAB, an independent laboratory certified by both Florida and Nevada for the analysis of lithium concentrations in brine using the EPA 200.7 analytical methodology.

 

·The brine sample containers were checked to verify that all brine sample label information was correct, and the brine sample container was properly closed. All brine sample containers were then stored in coolers for shipping to laboratories.

 

In 2024 and 2025, the IPC-1 well brine was re-sampled, and the new Lester 2 well brine was sampled, as noted in Section 10. The 2024 and 2025 brine samples were gathered following the same procedures as listed above, as applicable.

 

11.2.2Security

 

Coolers holding the brine sample containers were taken from the field to a secured location to double-check the brine sample IDs and make sure all containers were in good condition prior to shipment to the laboratory. Chain-of-custody forms for the respective laboratories were completed and included with the brine sample cooler. The cooler was taped closed and hand-delivered to the local courier company (Fed-Ex in El Dorado, AR) for delivery to WETLAB in Sparks, NV. The laboratory was instructed to confirm receipt of the brine samples and provide a statement pertaining to the condition of the brine samples upon receipt. The brine samples were then coded into the laboratory’s brine sample stream for analysis.

 

South West Arkansas ProjectPage 68
  
NI 43-101 Technical Report & Definitive Feasibility StudyOctober 14, 2025

 

 

 

11.2.3Analytical Methodology

 

Standard Lithium prepared its own internal analytical protocols for the independent laboratories to follow. These included the following analytical work (with the associated American Society for Testing and Materials (ASTM), Standard Methods (SM) and Environmental Protection Agency (EPA) international and national method code): “Expanded Lithium Brine Analytical Suite”.

 

·General chemistry: density, pH, temperature, carbonate, bicarbonate, total dissolved solids, total organic carbon (ASTM 1963, SM 4500-H+B, SM 2550B, SM 2320B, SM 2540C and SM 5310B).

 

·Anions by ion chromatography: chloride, sulphate, bromide, fluoride (EPA 300.0).

 

·Sample preparation: trace metal digestion (EPA 200.2).

 

·Trace metals by inductively coupled plasma – optical emission spectroscopy (ICP-OES): Li, Al, Sb, As, Ba, Be, B, Cd, Ca, Cr, Co, Cu, Ga, Fe, Pb, Mg, Mn, Mo, Ni, P, K, Sc, Se, silicon, silica, Ag, Na, Sr, Sn, Ti, V and Zn (EPA 200.7).

 

WETLAB completed these analyses using the following corresponding methods: brine sample preparation by EPA 200.2; density by gravimetric; pH by SM 4500-H+B; temperature at pH by SM 2550B, carbonate and bicarbonate by SM 2320B; chloride and sulphate by EPA 300.0; total dissolved solids by SM 2540C; anions by ion chromatography by EPA 300.0; trace metal digestion by EPA 200.2; and trace metals by ICP-OES by EPA 200.7.

 

WETLAB, located at 475 E Greg Street, Suite 119, Sparks, Nevada, 89431, is an independent testing laboratory, and is certified under the following programs:

 

·United States Department of Interior Bureau of Reclamation Letter

 

·California State Water Resource Control Board Reciprocity Letter

 

·California State Environmental Laboratory Accreditation Program

 

oFields of Accreditation – Certificate Number 2523

 

·Nevada Department of Conservation and Natural Resources Division of Environmental Protection

 

oCertificate – Document ID: NV-C24-00214

 

·Florida Department of Health Certification.

 

South West Arkansas ProjectPage 69
  
NI 43-101 Technical Report & Definitive Feasibility StudyOctober 14, 2025

 

 

 

11.3Quality Control/Quality Assurance

 

11.3.1Field Duplicate Samples

 

A field duplicate brine sample was collected for every brine sampling event. The field duplicate brine sample was taken at the same time as the original brine sample (i.e., back-to-back brine samples from the brine sample spigot). Random identifiers were given to the duplicate brine sample and duplicate field brine samples were never in sequential order and randomly presented to the laboratory.

 

Sixteen primary brine samples were collected from the six wells. In addition, 13 duplicates brine samples were collected, representing almost one duplicate per primary brine sample. The lithium results of the duplicate brine sample analyses are presented in Table 11-1. The duplicate brine sample relative percentage difference (RPD) for WETLAB was 1.2% to 8.3%. It should be noted that any result with an RPD less than 20% is considered acceptable.

 

11.3.2Field Blanks

 

Field blanks consisting of deionized water were also collected to assess ambient conditions during sampling, transport and laboratory sources of contamination. None of the field blanks results indicated the presence of lithium levels above the laboratory method detection limit.

 

Table 11-1: Comparison of Field Duplicate Samples from the 2023-2025 Sampling Programs

 

Lithium Concentrations
Well Name Smackover Zone Primary Sample 
(mg/L)
Duplicate Sample
(mg/L)
RPD1
Percentage
Taylor, Beulah et. al 1 Upper 531 569 6.9
Upper 581 574 1.2
Carter-Moore 1 Ford 206 199 3.5
Upper/Middle 163 150 8.3
IPC-1 Upper 472 447 5.4
Middle 432 420 2.8
Middle 282 289 2.5
Montague 1 Upper 542 568 4.7
Speer 1 Upper 597 581 2.7
Lester 2 Upper 559 571 2.9
             

Note: 1RPD denotes relative percentage difference.

 

South West Arkansas ProjectPage 70
  
NI 43-101 Technical Report & Definitive Feasibility StudyOctober 14, 2025

 

 

 

11.4Other Data: Well Logs

 

Historical well logs were initially acquired by oil and gas operators through a variety of industry-recognized service companies, including Schlumberger, Western Atlas, and Halliburton. These logs were then submitted by the operators to the AOGC and/or regulatory agencies. Copies were later obtained by commercial providers, such as TGS, and S&P Global (formerly IHS), who compile and distribute historical well log data for public and industry use, and from the AOGC. It is standard practice within the oil and gas industry to rely on these sources of well log data.

 

11.5Other Data: Core Reports

 

Historical core reports include pertinent information on Upper and Middle Smackover Formations core measurements conducted by independent engineering consultants (Core Laboratories Inc. in Dallas, TX, and Shreveport, LA; Delta Core Analysts in Shreveport, LA; All Points Inc. in Houston, TX; Thigpen Laboratories, Inc. in Shreveport, LA: O’Malley Laboratories, Inc. in Natchez, MS; and Bell Core Laboratories in Shreveport, LA, each of which is independent of Standard Lithium). These reports included core measurements such as porosity (%) and permeability (mD) from throughout and immediately surrounding the South West Arkansas Project. Some of the core report data also included oil percent in pore space; water percent in pore space; bulk oil percent; bulk gas percent; bulk water percent; and vertical permeability.

 

11.6Summary

 

The analytical brine, petrophysical well log, and core report data were prepared by independent and accredited third-party companies. The resulting quantitative data were used to make inferences on the analytical values and hydrogeological characteristics of the Upper and Middle Smackover Formations. The analytical methods carried out by the laboratories are standard and routine in the field of lithium brine geochemical analytical and petrophysical core characterization testwork.

 

The QP has reviewed the adequacy of the brine sample preparation, security, and analytical procedures and has found no significant issues or inconsistencies that would cause one to question the validity of the data. The QA/QC protocol adopted by Standard Lithium assisted in the evaluation and validation of the laboratory data, as discussed in Section 12, Data Verification.

 

South West Arkansas ProjectPage 71
  
NI 43-101 Technical Report & Definitive Feasibility StudyOctober 14, 2025

 

 

 

12Data Verification

 

12.1Verification of Lithium Concentration Data

 

The QP for this section, Mr. Robert Williams, Jr. PG, CPG, verified the lithium concentration data in four different ways:

 

·reviewed the choice of analytical laboratory;

 

·reviewed the overall scatter in each well’s lithium concentration data;

 

·compared concentration results between brine samples independently taken and verified by the QP to those by standard lithium; and

 

·compared concentration results between known standards and reported concentrations.

 

The four comparisons confirmed the choice of WETLAB, the consistency of the data, the close match between the independently-gathered brine samples and those of Standard Lithium, and the reasonable match between standard concentrations and test results.

 

In 2021, Standard Lithium conducted an extensive comparison test of four laboratories known for brine analysis. That study’s results indicated that WETLAB is the appropriate choice for the range of lithium concentrations encountered in this report. The QP has reviewed the supporting documentation of that study and agrees with its conclusions. As a result, the lithium concentration data reported by WETLAB is used throughout this report.

 

To verify the Standard Lithium test results, three wells were independently brine-sampled by the QP, who independently followed the brine sampling procedures outlined in Section 11. Table 12-1 summarizes the results of that verification. The small relative percentage difference values, 0.1% to 4.3%, between the QP’s brine samples and Standard Lithium’s brine samples confirms the consistency of the Standard Lithium report concentrations with the independently gathered brine samples in the well brine sampling dataset.

 

Only lithium concentration data gathered by Standard Lithium has been used in this report to ensure that all results are consistent and have been analysed by the validated analytic laboratory, WETLAB.

 

South West Arkansas ProjectPage 72
  
NI 43-101 Technical Report & Definitive Feasibility StudyOctober 14, 2025

 

 

 

Table 12-1: Comparison of Verification Samples from the 2023 Sampling Program

 

Well Test Smackover Zone
Sampled
Standard Lithium
Sample (mg/L)
Standard Lithium
Duplicate Sample (mg/L)
QP Sample
(mg/L)
QP Duplicate
Sample (mg/L)
Relative Percentage
Difference
Taylor, Beulah et al. 1 1 Upper 531 569 515 - 4.3%
Carter Moore 1 2 Upper/Middle 163 150 156 - 0.2%
IPC-1 1 Upper 472 447 478 442 0.1%

 

South West Arkansas ProjectPage 73
  
NI 43-101 Technical Report & Definitive Feasibility StudyOctober 14, 2025

 

 

 

12.2Verification of Well Logs and Core Data

 

The petrophysical well log and core data used to create the geological model were gathered using industry-standard techniques, and the quality of the petrophysical log data and core data is appropriate for use in this analysis. Therefore, the resulting petrophysical log and core data was found to meet the standard of reliability required by this report.

 

These data were taken by independent vendors in a manner that meets industry standards and is consistent with the data collection procedures used in dozens of projects evaluated by the QP. Importantly, most of these data were obtained by prior operators for a purpose unrelated to estimating lithium resources. Therefore, the data gathered by prior operators were not subject to biases related to lithium resource estimation.

 

12.3Qualified Person’s Opinion – Well Logs and Core Data

 

The data from each of the 100 wells in the South West Arkansas property and 351 wells outside of the property (but within the geological study area), including the data from six Standard Lithium wells, have been reviewed and were found suitable for this evaluation. The location of the different sources of data is summarized in Table 10-1 and depicted in Figure 10-1 and Figure 10-2.

 

The lithium concentration, well log, core, and test data used to prepare this technical report meets the highest standards for evaluating the brine deposit. Any limitations present in the data represent the unavoidable limitations present in all field measurements. Standard Lithium and the petroleum companies have exerted industry-standard efforts in gathering high-quality data on and around the South West Arkansas property. Standard Lithium’s data gathering program has been thorough, resulting directly in a high-quality database for use in evaluating the property’s lithium resources.

 

12.4Verification of Metallurgical and Mineral Processing Data

 

The QP for this section, Mr. Patricio Pinto, verified the analytical data from the demonstration plant by reviewing the following:

 

·analytical data from the demonstration plant analytical laboratory;

 

·analytical data from the independent analytical laboratory testing; and

 

·demonstration plant sampling methodology.

 

The laboratory uses ICP-OES as the primary analytical tool. The QP visited the laboratory and assessed that the equipment and operations were appropriate to generate the analytical data required. A review of WETLAB’s analytical data showed extensive independent testing of samples from the demonstration plant. The degree and nature of this independent testing confirms an acceptable match between WETLAB and the demonstration plant’s analytical laboratory. The QP Pinto visited the demonstration plant and witnessed the automatic inline sampling of all the required streams. Because the samples are liquid and taken automatically, the sampling error will be within acceptable limits.

 

South West Arkansas ProjectPage 74
  
NI 43-101 Technical Report & Definitive Feasibility StudyOctober 14, 2025

 

 

 

The QP also verified field pilot plant analytical data by reviewing the following:

 

·analytical data from the pilot plant analytical laboratory;

 

·analytical data from the independent analytical laboratory testing; and

 

·demonstration plant sampling methodology.

 

The pilot plant samples were analysed at the demonstration plant laboratory, and independent analyses were conducted by WETLAB. The testing procedures and methodology were consistent with the demonstration plant data analysis. The QP visited the field pilot plant and witnessed the automatic inline sampling of the required streams.

 

The QP verified the analytical data from three vendor laboratories by reviewing the following:

 

·analytical data from the vendor laboratories; and

 

·vendor sampling methodology.

 

The testwork performed by the three vendors at their own laboratory facilities utilized the commercially demonstrated two-stage lithium carbonate production process. The results were repeatable with battery quality lithium carbonate produced in all three runs. The QP visited two of the three carbonation testing facilities and witnessed the lithium carbonate production process.

 

12.5Pinto Qualified Person’s Opinion – Demonstration Plant and Technology

 

The demonstration plant and field pilot plant were commissioned to prove the applicability of direct lithium extraction technology for the project. The results of the chemical analyses were verified by using WETLAB as an independent analytical laboratory. The process data generated by the two plants (including the chemical analyses) were used to develop the heat and mass balance and the process design criteria, which in turn supported the project process design. It is the opinion of the QP that the process data confirmed the applicability of direct lithium extraction technology, and that the data can be used to develop the engineering design of the subsequent concentration and purification process steps at this level of study.

 

South West Arkansas ProjectPage 75
  
NI 43-101 Technical Report & Definitive Feasibility StudyOctober 14, 2025

 

 

 

13Mineral Processing and Metallurgical Testing

 

13.1Introduction

 

Standard Lithium has been operating a demonstration plant in southern Arkansas for 5.5 years. This has allowed a variety of water treatment and lithium extraction technologies to be assessed to further define the flowsheet that will be used for the commercial facility planned for the South West Arkansas Project.

 

The flowsheet, shown in the block flow diagram in Figure 13-1, consists of the following processes:

 

·a wellfield to produce lithium rich brine from the Smackover Formation;

 

·pre-treatment by means of sour gas removal, chemical adjustment, and filtration;

 

·extraction of lithium chloride by a proprietary direct lithium extraction (DLE) technology (discussed in Section 13.3.2);

 

·purification and concentration of the lithium chloride solution produced by the DLE process;

 

·conversion of the lithium chloride to battery-quality lithium carbonate using an industry-proven lithium carbonation process; and

 

·the lithium-depleted brine stream rejected by the DLE process is reinjected into the Smackover reservoir to maintain pressure and facilitate sweeping of rich brine to the production wells.

 

The process steps of pre-treatment, filtration, and lithium chloride purification and concentration have been studied 24 hours, 7 days per week (24/7) at Standard Lithium’s demonstration plant since May 2020. The lithium extraction process step has been tested 24/7 since October 2022. The other steps involve industry-standard practices that have been validated by vendor testing.

 

13.2Overview

 

Producing lithium-bearing brine from wells and separating the brine from sour natural gas and residual hydrocarbons will utilize industry-standard techniques, such as those already used at a large-scale in southern Arkansas at active brine processing facilities (e.g., at Lanxess or Albemarle’s operations). Pre-treatment of the brine to remove dissolved gases and suspended solids will follow proven standard practices in the brine, oilfield produced water, and wastewater treatment industries.

 

Standard Lithium expects to use a well-tested proprietary DLE technology (discussed in Section 13.3.2) to extract lithium from the lithium-bearing Smackover Formation brine. The extracted lithium chloride will be concentrated and purified using proven process steps. The lithium chloride will be converted to battery-quality lithium carbonate, also using proven process steps.

 

South West Arkansas ProjectPage 76
  
NI 43-101 Technical Report & Definitive Feasibility StudyOctober 14, 2025

 

 

 

Figure 13-1: Project Process Block Flow Diagram

 

A diagram of a computer system

AI-generated content may be incorrect.

 

Source: Standard Lithium (2025).

 

South West Arkansas ProjectPage 77
  
NI 43-101 Technical Report & Definitive Feasibility StudyOctober 14, 2025

 

 

 

13.2.1Demonstration Plant

 

A demonstration plant was constructed at the Lanxess south plant facility, approximately 64 km (40 miles) east of the South West Arkansas brine lease area. It is noted that although both are brine from the Smackover Formation, the demonstration plant brine is not representative of the brine that is the subject of this report.

 

The demonstration plant (Figure 13-2) comprises of brine pre-treatment, filtration, DLE, and purification equipment for impurity removal, followed by an osmotically assisted reverse osmosis (OARO). Modifications were implemented in October 2022 to install a fixed bed column and support equipment to prove out the LSS technology with the feed brine composition shown in Table 13-1.

 

Several subsequent modifications have been made at the demonstration plant for continued optimization of the process. A second LSS column was added in March 2023, and in March 2024, a commercial-scale LSS column was installed and is still in operation at the time of writing. The LSS column has the same dimensions as the columns that will be installed at the CPF for the South West Arkansas Project.

 

Figure 13-2: Standard Lithium Demonstration Plant

 

A large warehouse with many white buildings

AI-generated content may be incorrect.

 

Source: Standard Lithium (2025).

 

The demonstration plant has a dedicated team of approximately 35 engineers, chemists, operators, and maintenance staff who run and maintain the plant 24/7. The plant has operated continuously since it was started, except for shutdowns for maintenance, process improvements, or supply outages caused by interruptions to the Lanxess brine supply. The plant includes a dedicated analytical laboratory equipped to complete all on-site process control assays. The plant’s process instrumentation and routine sampling and analysis have generated a dataset that underpins the assessment in this report. As of the end of Q2 2025, the demonstration plant has processed approximately 119,700 m³ (approximately 34.8 M US gallons) of brine from the Lanxess south plant.

 

South West Arkansas ProjectPage 78
  
NI 43-101 Technical Report & Definitive Feasibility StudyOctober 14, 2025

 

 

 

Table 13-1: LSS Feed Compositions

 

Component Units Demonstration Plant Feed Brine
Composition
SWA Pilot Plant Feed Brine
Composition
Lithium mg/L        237       476
Sodium mg/L   61,136   79,200
Calcium mg/L    31,793   38,400
Magnesium mg/L      2,682     2,810
Potassium mg/L      2,385     7,670
Strontium mg/L      1,932     2,480
Boron mg/L        189        334
Silicon mg/L          10           8
Chlorides mg/L 175,000 189,000
Bromides mg/L      <360    5,300
Total Alkalinity (as CaCO3) mg/L      <100       492

 

Notes: 1. Demonstration plant brine supply composition presented is based on average sample data collected in the demonstration plant from May 4 to June 30, 2023 to reflect the period when strontium (Sr) was regularly measured. 2. SWA pilot plant feed brine composition is based on average sample data collected from the IPC-1 well during pilot plant operation from October 2024 through January 2025. 3. All lithium chloride compositional data is based on data collected during normal operation of the demonstration plant. The results from the on-site laboratory have been regularly validated by independent testing by WETLAB, NV.

 

It should be noted that although the South West Arkansas brine is materially similar to the brine tested in the demonstration plant in that it is a chloride-based brine with the same major constituents, the proposed South West Arkansas brine feed is different in terms of elemental concentrations (higher lithium, higher boron, etc.).

 

13.2.2South West Arkansas Brine LSS Pilot Plant

 

In addition to the work at the demonstration plant, a separate DLE pilot test program was conducted to demonstrate that the LSS process will meet key performance targets when supplied with representative pre-treated Smackover Formation brine produced from a well within the South West Arkansas brine lease boundary.

 

A dedicated, temporary DLE pilot plant using LSS technology was constructed at the Mission Creek Resources Dorcheat gas plant in Q4 2024 adjacent to the South West Arkansas brine lease area. Brine from a brine lease well was extracted over several months in Q4 2024 and Q1 2025 and processed through the pilot plant for three months to validate LSS performance using South West Arkansas brine as the feed source.

 

From October 2024 through January 2025, 2,400 barrels of South West Arkansas brine were pumped to the surface from the IPC-1 well. This well is located within the brine lease boundary. The IPC-1 well was selected for large volume sample collection since it is representative of the average brine composition for the full extend of the lease area available for development as part of the South West Arkansas Project (Table 13-1).

 

South West Arkansas ProjectPage 79
  
NI 43-101 Technical Report & Definitive Feasibility StudyOctober 14, 2025

 

 

 

The brine was initially passed through a three-phase separator at the surface followed by a scrubbing system to remove residual dissolved hydrogen sulphide. It was then transferred 30 km (19 miles) from the IPC-1 well pad to the temporary pilot plant (Figure 13-3). The brine was offloaded and pre-treated (adjustment for pH and oxidation-reduction potential), filtered via ultrafiltration, and processed through a temporary LSS pilot column for lithium chloride extraction. This LSS column was the same height as the commercial scale column at the demonstration plant.

 

The LSS eluate (raw lithium chloride) was concentrated using seawater reverse osmosis. This concentrated lithium chloride solution was then transported to the demonstration plant. The lithium chloride solution was purified using fixed bed ion exchange to remove the remaining calcium, magnesium, and boron. After purification, the solution was further concentrated to > 10 g/L lithium using an OARO system. This purified and concentrated lithium chloride solution was then provided to three original equipment manufacturer (OEM) carbonation vendors produced lithium carbonate meeting battery-quality specifications, see Table 13-4 in Section 13.3.4.2.

 

Figure 13-3: Temporary LSS Pilot Plant at the Mission Creek Dorcheat Gas Plant

 

Aerial photo of the field pilot, located at the Mission Creek Resources gasplant in Arkansas.

 

Source: Standard Lithium (2025).

 

South West Arkansas ProjectPage 80
  
NI 43-101 Technical Report & Definitive Feasibility StudyOctober 14, 2025

 

 

 

13.3Metallurgical Testwork

 

13.3.1Brine Pre-Treatment Testing

 

As part of operating the pre-commercial demonstration plant at the Lanxess south plant facility, several of the proposed pre-treatment processes have been demonstrated as part of normal operations at the facility from 2020 to the present. These include all wellhead operations to remove non-aqueous phases (oil, gas, other non-aqueous fluids), removal of residual dissolved hydrogen sulphide (H2S) by vacuum degassing (by Lanxess), bulk pH and oxidation reduction potential control, temperature adjustment, and filtration using pressurized membrane units prior to lithium extraction.

 

A variety of brine pre-treatment processes, including those proposed for inclusion in the commercial operation, have been tested at the demonstration plant facility. These include the following:

 

·pH and oxidation-reduction potential adjustment and control using reagents to precipitate iron solids upstream of filtration

 

·different solid-liquid separation equipment:

 

opressurized ultrafiltration membrane filters

 

osubmerged ultrafiltration membrane filters

 

omulti-media filters

 

·activated carbon for hydrocarbons removal

 

·walnut shell media filters

 

·guard bed filtration for residual iron removal.

 

Note that many of the pre-treatment technologies tested have been evaluated as sub-optimal for commercialization.

 

For the pilot plant testing between Q4 2024 and Q1 2025, the pre-treatment and filtration setup reflects the unit operations that will be used at the commercial South West Arkansas CPF.

 

Key findings and outcomes from testing carried out at the demonstration and pilot plants are as follows:

 

·Pre-treatment of the incoming brine is necessary to remove naturally occurring dissolved gasses such as methane and hydrogen sulphide, non-aqueous phases (oils and gas condensates), and suspended solids.

 

·Real brines processed on a continuous basis are significantly more complex than synthetic brines, based on the same underlying chloride matrix. Continuous, longer-term field testing of equipment is crucial to ensure sufficient design inputs to support reliable scale-up.

 

·The behaviour of potential fouling agents (transition metals, dissolved silica, alkaline-earth metals, non-halide anions, etc.) are complex and affected by subtle changes in pH, oxidation-reduction potential, pressure, temperature, and reagent-induced chemical reactions.

 

South West Arkansas ProjectPage 81
  
NI 43-101 Technical Report & Definitive Feasibility StudyOctober 14, 2025

 

 

 

13.3.2DLE Testing

 

Learnings from the demonstration plant and pilot plant testing are described in Sections 13.3.2.1 and 13.3.2.2, respectively.

 

13.3.2.1Demonstration Plant LSS Testing

 

The LSS technology tested at the demonstration plant is an Aquatech (formerly Koch Technology Solutions LLC (KTS) proprietary technology for which Standard Lithium has a joint development agreement and Smackover regional exclusivity agreement in place. This process uses a fixed bed adsorption with a lithium-selective solid adsorbent, based on an aluminum hydroxide copolymer. The lithium is removed from the adsorbent with elution by fresh water.

 

The LSS process has been in operation at the Demonstration Plant since October 2022 and extensive work has been undertaken to prove scale-up and reliable operation. The LSS columns have been operated for more than 12,000 cycles at the time of this technical report.

 

To date, LSS has shown promise in reducing reagent use, excess water addition, and in simplifying the DLE process. The LSS process has the additional benefit that independent third-party process guarantees will be provided, and, as a result, has been recommended as the core technology for Standard Lithium’s commercial lithium extraction projects. The average recovery of lithium and rejection of impurities for the current LSS column configuration and operating profile recorded between April and July 2024 is summarized in Table 13-2. This process will continue to be developed and optimized in parallel with the project execution.

 

Table 13-2: LSS Process Parameters

 

Parameter LSS Operating Target (%) LSS Performance (%)
Lithium Recovery > 95.0 95.5
Sodium Rejection > 99.0 99.9
Calcium Rejection > 99.0 99.6
Magnesium Rejection > 99.0 99.1
Potassium Rejection > 99.0 99.8
Boron Rejection > 90.0 95.5

 

Figure 13-4 shows the commercial-scale LSS column that was installed at the demonstration plant in Q1 2024 and has been in continuous operation since then.

 

South West Arkansas ProjectPage 82
  
NI 43-101 Technical Report & Definitive Feasibility StudyOctober 14, 2025

 

 

 

Figure 13-4: Commercial-Scale LSS Column at the Demonstration Plant

 

Commercial-scale DLE column

 

Source: Standard Lithium (2025).

 

13.3.2.2South West Arkansas LSS Pilot Plant Testing

 

For the testwork at the pilot plant (located at Mission Creek Dorcheat gas plant), a mobile LSS pilot column skid was provided by KTS (Figure 13-5). This column operated at an average ~1.0 gpm feed brine flow rate.

 

South West Arkansas ProjectPage 83
  
NI 43-101 Technical Report & Definitive Feasibility StudyOctober 14, 2025

 

 

 

Figure 13-5: LSS Column at the Pilot Plant

 

A machine with many wires and cables

AI-generated content may be incorrect.

 

Source: Standard Lithium (2025).

 

Over the course of operating the pilot plant, 497 LSS cycles were completed using feed brine from the IPC-1 brine supply well. Approximately 2,385 barrels (>100,000 US gallons) of IPC-1 brine was processed through the LSS column.

 

Table 13-3 details the performance of the pilot plant at the end of plant operations.

 

Table 13-3: LSS Pilot Plant – Process Parameters

 

Parameter LSS Operating Target (%) LSS Performance (%)
Lithium Recovery > 95.0 97.7
Sodium Rejection > 99.0 99.9
Potassium Rejection > 99.0 99.8
Calcium Rejection > 99.0 99.7
Magnesium Rejection > 99.0 99.4
Boron Rejection > 90.0 89.1

 

South West Arkansas ProjectPage 84
  
NI 43-101 Technical Report & Definitive Feasibility StudyOctober 14, 2025

 

 

 

13.3.2.3Key Findings from LSS DLE Testwork

 

Key findings and outcomes from the testwork are as summarized below:

 

·Lithium extraction efficiencies of greater than 95% have been observed in the demonstration plant and at the pilot plant, which is consistent with the expected performance of the LSS technology provided by Aquatech (formerly KTS); similarly, contaminant (Ca, Mg, Na, and K) rejection efficiencies are consistently observed at over 99%, while boron rejection remains close to the 90% target.

 

·The fixed bed adsorbent can be sensitive to high solids in the feed, so adequate brine feed quality control is critical.

 

·LSS operation has shown that the LSS has significant operational flexibility in terms of adjustment of operating step volumes during loading, displacement, and elution which can be used to target a specific balance between high lithium recovery, concentration, and impurity rejection while minimizing raffinate (lithium-barren brine) dilution. The development team believes that better performance can be achieved in terms of selectivity of lithium and rejection of impurities. In support of this, continued optimization is ongoing in the demonstration plant.

 

·The commercially available adsorbent tested in the demonstration plant and at the pilot plant has performed well compared to the operating targets with little to no change in performance over time. This validates the expected operating life and adsorbent replacement schedule.

 

·The proven performance of LSS on South West Arkansas brine over an extended period, with reduced excess water use and absence of reagent use, validates the selection of LSS as the DLE technology for the South West Arkansas Project.

 

13.3.3Lithium Chloride Solution Purification and Concentration

 

Downstream of the LSS process, the lithium chloride solution is processed by various technologies to concentrate via reverse osmosis processes and to remove impurities (e.g., calcium, magnesium, and boron). The demonstration plant and pilot plant have demonstrated the ability to produce lithium chloride solutions suitable as feedstock for battery-quality lithium carbonate production. Standard Lithium had multiple lab-scale tests conducted of various technologies for purification and concentration of the lithium chloride product from the LSS process.

 

The following sections describe the testwork completed on the lithium chloride solution purification and concentration processes.

 

13.3.3.1Concentration by Eluate Reverse Osmosis (ERO)

 

Eluate from the LSS process (lithium chloride product solution) at a commercial scale will be concentrated using an eluate reverse osmosis (ERO) process. This unit is similar to a brackish water reverse-osmosis system but has the added benefit of recovering energy from the high-pressure pumps used. The goal is to concentrate the lithium chloride and recover water (permeate) for recycle to the process, primarily to use for LSS elution. An ERO system was installed in the demonstration plant in January 2023 and tested to concentrate LSS eluate.

 

South West Arkansas ProjectPage 85
  
NI 43-101 Technical Report & Definitive Feasibility StudyOctober 14, 2025

 

 

 

13.3.3.2Purification by Caustic Soda and Soda Ash Softening Testing

 

Caustic soda (sodium hydroxide) and soda ash (sodium carbonate) softening is included in the commercial lithium chloride solution purification process flowsheet for bulk removal of calcium and magnesium. This is to reduce the reagent costs associated with the calcium (Ca) and magnesium (Mg) ion exchange process. The chemicals used in the softening process are significantly less expensive than the hydrochloric acid and sodium hydroxide required for ion exchange resin regeneration. In addition, the softening sludge produced from the softening process can be redissolved back to the respective chloride form allowing for reinjection with other effluent streams back into the Smackover Formation.

 

A demonstration-scale chemical softening system was installed at the demonstration plant in March 2025 to treat LSS eluate after ERO concentration. It has been demonstrated that removal of calcium and magnesium approaching 100% is achievable. However, this is not an efficient operating mode because it requires an excess of chemical reagent addition during the softening process. This testwork was performed by adjusting the soda ash addition to find the optimal stochiometric dosage.

 

13.3.3.3Purification by Calcium, Magnesium, and Boron Ion Exchange

 

This conventional technology has been demonstrated by Standard Lithium and associated vendors. The ion exchange resins being proposed for the CPF are commercially available and routinely used in large-scale wastewater treatment plants for hardness removal. The ion exchange system at the demonstration plant is shown in Figure 13-6.

 

Figure 13-6: Calcium, Magnesium, and Boron Ion Exchange System at the Demonstration Plant

 

A large industrial machine with pipes

AI-generated content may be incorrect.

 

Source: Standard Lithium (2025).

 

South West Arkansas ProjectPage 86
  
NI 43-101 Technical Report & Definitive Feasibility StudyOctober 14, 2025

 

 

 

13.3.3.4Concentration by Osmotically Assisted Reverse Osmosis

 

Following the removal of calcium, magnesium, and boron, the purified lithium chloride solution is further concentrated using OARO. OARO differs from a ERO system in that recirculation of effluent to the permeate side allows concentration to total dissolved solids (TDS) levels as high as 180,000 mg/L compared to 60,000 mg/L with brackish water reverse-osmosis. The OARO system, shown in Figure 13-7, is operated at the demonstration plant.

 

Figure 13-7: Osmotically Assisted Reverse-Osmosis System at the Demonstration Plant

 

A group of white pipes on a rack

AI-generated content may be incorrect.

 

Source: Standard Lithium (2025).

 

13.3.3.5Key Findings from Lithium Chloride Purification and Concentration Testwork

 

Key findings and outcomes from the demonstration plant are summarized below:

 

·The demonstration plant and pilot plant have produced polished lithium chloride product with a demonstrated lithium concentration of > 10 g/L.

 

·Traditional chemical softening has been proven to work reliably down to very low levels of both calcium and magnesium. For efficient commercial operations, softening should be adjusted to optimize the balance between softening and calcium and magnesium ion exchange.

 

·The removal of calcium, magnesium, and boron to less than 1 mg/L, which meets rejection targets for the commercial carbonation process, is achieved by commercially available ion exchange resins.

 

·The final purified lithium chloride concentrate is suitable for conversion to battery-quality lithium carbonate.

 

South West Arkansas ProjectPage 87
  
NI 43-101 Technical Report & Definitive Feasibility StudyOctober 14, 2025

 

 

 

13.3.4Lithium Chloride Conversion to Lithium Carbonate

 

The lithium chloride eluate produced at the pilot plant (which had previously been shipped from the pilot plant to the demonstration plant), was processed through the calcium and magnesium ion-exchange column, the boron ion-exchange column and the OARO at the demonstration plant. The purified concentrated lithium chloride solution was then shipped to three OEM carbonation vendors for conversion to battery quality lithium carbonate.

 

Each of the three OEM vendors carried out the following steps when they received the purified concentrated lithium chloride solution:

 

·sodium chloride evaporation crystallization

 

·crude lithium carbonate crystallization

 

·conversion of the crude lithium carbonate to a bicarbonate solution

 

·purification of the bicarbonate solution via ion exchange (IX)

 

·purified lithium carbonate crystallization thereby producing a battery quality lithium carbonate product.

 

In total, >25 kg of battery quality lithium carbonate was produced across these test programs. The soda ash used in all three test programs for lithium carbonate production was provided by Standard Lithium to match the impurity profile expected during commercial operation at the CPF.

 

13.3.4.1Sodium Chloride Evaporation Crystallization

 

Further concentration of the lithium chloride solution is carried out via sodium chloride evaporation crystallization. The sodium chloride solids are removed and then washed to recover residual lithium chloride liquors and minimize lithium loss. The evaporation significantly increases the lithium concentration to > 25 g/L lithium. All three OEM vendors completed evaporation crystallization during their respective testwork programs.

 

13.3.4.2Production of Lithium Carbonate

 

The following describes the processes that each vendor used to convert the lithium chloride solution for production of battery-quality lithium carbonate. After sodium chloride evaporation crystallization, the concentrated lithium chloride solution was then converted to lithium carbonate in a two-stage process:

 

·In the first stage, lithium chloride was reacted with 25% sodium carbonate solution at an elevated temperature to crystallize crude lithium carbonate. The sodium carbonate used in the treatment was commercially available and contained about 100 ppm calcium and magnesium. The crystals were coarse in size and were mainly agglomerated. Washing could only remove a portion of the impurities.

 

·The crude first stage crystals were repulped in water and carbonated with carbon dioxide to produce soluble lithium bicarbonate. Following filtration, the lithium bicarbonate solution was subjected to ion exchange to remove calcium and magnesium.

 

South West Arkansas ProjectPage 88
  
NI 43-101 Technical Report & Definitive Feasibility StudyOctober 14, 2025

 

 

 

·The lithium bicarbonate was thermally decomposed to release carbon dioxide and crystallize purified lithium carbonate. The carbon dioxide that is released will be recycled in the commercial plant. The second stage or purified crystals were mainly individual crystals. Table 13-4 compares typical battery quality lithium carbonate specifications with the laboratory lithium carbonate quality made by the OEM vendors using lithium chloride supplied from the pilot plant.

 

Table 13-4: Battery Quality Lithium Carbonate Specifications

 

Component OEM Vendor #1 OEM Vendor #2 OEM Vendor #3 Typical
Specification1
Unit
Cl <10 29 <40 <100 ppm
SO4 6 6 23 <300 ppm
Na 4 56 39 <500 ppm
K 4 2 3 <10 ppm
Mg 1 1 1 <60 ppm
Ca 3 9 20 <100 ppm
Fe 2 < 1 1 <10 ppm
Al < 1 < 1 < 2 <10 ppm
Cu 2 < 1 < 1 <10 ppm
Ni 2 < 1 < 1 <10 ppm
Zn 2 2 < 2 <10 ppm
Mn < 1 < 1 11 - ppm
Pb < 1 < 1 < 1 <10 ppm
Si 3 2 9 - ppm
Cr 1 < 1 < 1 <10 ppm
B < 1 < 1 2 <10 ppm

 

Note: 1 Typical specification listed is based on industry standards for reference only.

 

13.3.4.3Key Findings from Lithium Carbonate Crystallization Testwork

 

Key findings and outcomes from the testwork are summarized below.

 

·Pilot testing of the complete lithium carbonate crystallization process flowsheet, including all the main unit operations, has demonstrated commercial suitability.

 

·Vendor testing confirmed battery-quality lithium carbonate can be produced, meeting the required impurity specifications for the project using lithium chloride produced via the pilot plant, which treated the same brine as will be processed by the project.

 

·Produced representative refined crystals were measured to be crystalline lithium carbonate with >99.9% purity, excluding moisture, as calculated by the sum of impurities.

 

South West Arkansas ProjectPage 89
  
NI 43-101 Technical Report & Definitive Feasibility StudyOctober 14, 2025

 

 

 

13.4Process Testing QA/QC

 

During the operation of the demonstration plant and pilot plant, routine daily chemical analysis was conducted in the internal laboratory using standard solution analysis instrumental techniques; principally, inductively coupled plasma – optical emission spectroscopy (ICP-OES). Additional brine samples were periodically sent to other third-party analytical laboratories (principally WETLAB) to provide suitable independent verification of data generated by the demonstration plant and pilot plant. The instrumentation in the demonstration plant undergoes a continuous maintenance schedule to ensure accurate collection of data from the plant.

 

13.5Metallurgical Variability

 

For the field pilot test, the IPC-1 well was selected for large volume sample collection since it is representative of the average brine composition for the South West Arkansas Project.

 

The demonstration plant has been operating with the Lanxess south plant brine feed since 2020 and the compositions have been very consistent. Testing has been completed to characterize the brines. It should be noted that the elements detected are materially the same, which is indicative of the consistency of the Smackover resource and the resultant applicability of the testing.

 

By testing the brines at the demonstration plant and field pilot plant (237 mg/L Li and 476 mg/L Li, respectively, see Table 13-1), the effect of varying feed composition on lithium recovery and selectivity has been trialled and modelled. The DLE technology and the overall process equipment have been designed to handle the anticipated variations.

 

13.6Deleterious Elements

 

The deleterious elements and/or impurities that are present in the brine to be used in the process and that could have a potential economic impact are hydrogen sulphide, light hydrocarbons, iron, suspended solids, calcium, magnesium, and boron. These deleterious elements are addressed through mitigation steps integrated into the process design, including:

 

·Brine Degassing – By means of stripping and scrubbing stages, the brine is degassed removing the hydrogen sulphide (H2S) and any light hydrocarbons present in the brine extracted from the wellfield.

 

·Brine Filtration – During these filtration stages, both precipitated iron and suspended solids are effectively removed from the brine.

 

·DLE – Although the main objective of this process is to extract lithium from the brine, a large proportion of the impurities are rejected to the depleted brine.

 

·Brine Softening – The addition of caustic soda and soda ash promotes the precipitation of insoluble compounds, containing calcium and magnesium, that are subsequently removed by filtration, reducing the concentration of these contaminants.

 

South West Arkansas ProjectPage 90
  
NI 43-101 Technical Report & Definitive Feasibility StudyOctober 14, 2025

 

 

 

·Ion Exchange – Two ion exchange stages are included in the process with the objective of reducing impurity concentrations to trace levels. The ion exchange resins used are specifically selected to target the removal of calcium, magnesium, and boron.

 

·Crystallization – The addition of carbon dioxide dissolves the crystallized lithium carbonate from a previous stage to eliminate impurities which could have been occluded with the crystals. The solution then runs through another ion exchange to remove dissolved calcium and magnesium. The combination of all these mitigation steps being part of the process design ensure that the quality of the product will not be affected by these contaminants.

 

13.7Recovery Estimates

 

Lithium recovery from brines depends on the technologies employed in the selected process. The process design includes a licensed DLE stage, where lithium recovery is guarantee by the licensor to exceed 95%. However, this percentage decreases as the brine progresses through the subsequent stages of the process, due to minor losses associated with the inherent efficiency of each processing stage, as well as recirculation and the disposal of solids impregnated with salts, including lithium.

 

With all the above considered, the overall lithium recovery is estimated at 89.2%. This value is used to determine the mining methods (Section 16) and to develop the economic model (Section 22). The estimated recovery falls within the range of lithium recovery efficiencies reported in the market, which typically vary between 85% and 92%.

 

13.8Comments on Mineral Processing and Metallurgical Testing

 

Standard Lithium has completed a substantial amount of testwork at the demonstration plant and pilot plant, along with external vendors and laboratories. All aspects of the proposed flowsheet for the project, except for DLE, are commercially available industrial processes that have been demonstrated at production scale. The DLE process was tested using a commercially sized, fixed-bed DLE column. This DLE process is also supported by process guarantees from the technology vendor. Most DLE projects globally use aluminum-based adsorbents, as is the intended case for the South West Arkansas Project. The first complete, production-scale (24,000 t/a lithium carbonate) DLE project is currently ramping up, and there are other DLE projects under construction.

 

The QP considers that the metallurgical testing as summarized above demonstrates that battery quality lithium carbonate can be produced at the stated recovery from the deposit using the tested flowsheet. The process risk associated with DLE has been significantly mitigated for this project.

 

South West Arkansas ProjectPage 91
  
NI 43-101 Technical Report & Definitive Feasibility StudyOctober 14, 2025

 

 

 

14MINERAL RESOURCE ESTIMATES

 

This section describes the lithium resource estimates for the South West Arkansas property based on the volume of porous rock estimated by the geological model and the lithium concentrations present in the brines contained within the Upper and Middle Smackover Formations on the South West Arkansas property. The resource estimates associated with the initial phase of the Upper Smackover have been upgraded in this technical report from indicated to measured, based on additional geological data, well test data, and lithium concentration data gathered by Standard Lithium’s recent exploration program (Sections 9 and 10) on the South West Arkansas property. These additional data include the petrophysical well log and brine sampling results from the new Lester 2 well and the well test results from the Montague 1 well and Speer 1 well, which confirmed that the measured reservoir productivity matched or exceeded prior estimates. Additional brine samples were collected and analysed from the IPC-1 well.

 

Mineral resources are sub-divided, in order of increasing geological confidence, into inferred, indicated, and measured categories. An inferred mineral resource has a lower level of confidence than that applied to an indicated mineral resource. An indicated mineral resource has a higher level of confidence than an inferred mineral resource but has a lower level of confidence than a measured mineral resource. These resource categories are defined below:

 

·An inferred mineral resource is that part of a mineral resource for which quantity and grade or quality are estimated based on limited geological evidence and sampling. Geological evidence is sufficient to imply but not verify geological and grade or quality continuity.

 

·An indicated mineral resource is that part of a mineral resource for which quantity, grade or quality, densities, shape, and physical characteristics are estimated with sufficient confidence to allow the application of modifying factors in sufficient detail to support mine planning and evaluation of the economic viability of the deposit.

 

·A measured mineral resource is that part of a mineral resource for which quantity, grade or quality, densities, shape, and physical characteristics are estimated with confidence sufficient to allow the application of modifying factors to support detailed mine planning and final evaluation of the economic viability of the deposit.

 

The resource estimates have been prepared in accordance with the CIM Definition Standards for Mineral Resources and Mineral Reserves (CIM, 2014). The estimation was carried out in accordance with NI 43-101 using the CIM “Estimation of Mineral Resources and Mineral Reserves Best Practice Guidelines” (2019), and the “CIM Leading Practice Guidelines for Sedimentary Basin and Geothermal Brine-Hosted Lithium Mineral Resources and Mineral Reserves Estimation” (May 2025 Draft) (the CIM Leading Practice Guidelines). These CIM Leading Practice Guidelines have been applied to the specific conditions present at this property.

 

The South West Arkansas property contains a brine-hosted lithium accumulation within a sedimentary basin. Specifically, it is located within a well-defined porous geological formation at depth called the Smackover Formation. This extensive brine accumulation is bounded vertically by impermeable formations and extends laterally beyond the South West Arkansas property boundaries. The brine recovery from the Smackover Formation is the result of rich brine (brine containing the original concentration of lithium) displacement by injected lean brine (brine that has had the lithium extracted in the processing plant). This brine-on-brine displacement mechanism is efficient, with all the lithium-bearing brine in a reservoir volume that is contacted by the injected brine being fully displaced. The reserve estimates for the project have been prepared using a reservoir simulation model that incorporates the geological model used for resource estimation purposes (Section 15).

 

South West Arkansas ProjectPage 92
  
NI 43-101 Technical Report & Definitive Feasibility StudyOctober 14, 2025

 

 

 

14.1Geological Model Description

 

A multi-layer geological model of the South West Arkansas property and surrounding area was constructed using industry-standard software and procedures to understand and quantify the Smackover Formations’ structure, geometry, and the location of the porous and permeable zones within the formation. The data used to build this geological model were obtained from commercial data sources, the AOGC, and from wells drilled by Standard Lithium. These data sources meet industry standards in data reliability, and are the same sources used by the oil and gas industry in preparing their geological analyses.

 

Beginning with the structural understanding of the overall Smackover Formation, which was developed through an analysis of the well data and seismic data, detail was then added to the geological description by separating the Smackover Formation into eight separate intervals: five representing the Upper Smackover, and three representing the Middle Smackover. Each of the layers was then mapped and evaluated for gross pay, net pay, net-to-gross ratio, porosity, and permeability.

 

This geological mapping effort covered the South West Arkansas property and the surrounding area (the “geological study area”) as depicted in Figure 10-1. The procedures followed in creating this multi-layer geological model relate to well log and core data analysis, net pay estimation, the mapping procedures, and the estimation of in-place brine and lithium volumes.

 

The following steps were carried out to construct the multi-layer geological model:

 

1.The Smackover Formation was divided into eight layers, with five in the Upper Smackover zone and three in the Middle Smackover zone, based on their distinct geological characteristics. These divisions are identified in the Montague 1 well type log (Figure 14-1) to the extent they are present at that well. Included on the log is the interval cored, measured core permeabilities, and intervals meeting the 6.0% porosity net pay cut-off. The zone and layer picks were recorded for each of the 100 well logs within the project property and 316 well logs outside the property, to the extent allowed by the depth encountered for each well.

 

2.Core data, which were obtained from whole cores and rotary sidewall cores taken in 18 wells within the property and 24 wells outside the property, provide the starting point for quantifying the amount of porous Smackover Formation in the South West Arkansas property. The core data from both the prior wells and the 2023 Standard Lithium exploration program wells was compiled and reviewed. Figure 14-2 shows a cross-plot of the permeability values against the porosity values for this body of data. This evaluation demonstrates there is a large fraction of the core data with moderate to high permeability values (between 0.5 and 6,000 mD), which is important in a brine displacement process to recover target lithium.

 

South West Arkansas ProjectPage 93
  
NI 43-101 Technical Report & Definitive Feasibility StudyOctober 14, 2025

 

 

 

Figure 14-1:  South West Arkansas Field Smackover Type Well, Montague 1   Figure 14-2:  Core Data Plot
     
     
     
Source: Haas & Cobb (2025).   Source: Haas & Cobb (2025).

 

South West Arkansas ProjectPage 94
  
NI 43-101 Technical Report & Definitive Feasibility StudyOctober 14, 2025

 

 

 

3.The Smackover Formation core porosity data was compared to the log porosity data and a calibration function relating the log porosity data to the core porosity data (which is considered the most accurate measure of porosity) was created (see Figure 14-3). Each porosity well log was then calibrated using that equation. The type well (Figure 14-1) demonstrates the close relationship between the calibrated porosity log (PhiND_CC) and the core porosity data values in the Upper Smackover main pay zone from 2,780 to 2,810 m (9,120 to 9,220 ft).

 

4.Consistent with the use of the most accurate data available, for those wells with both log and core porosity data, the core porosity data was used whenever available, with the calibrated log porosity curve used elsewhere. This resulting calibrated best estimate of formation porosity is labelled the “COBB Porosity” curve on Figure 14-4.

 

5.A 6.0% minimum porosity cut-off was applied to each well’s calibrated porosity values. This cut-off value corresponds to approximately a 0.5 mD permeability, the minimum permeability expected to contribute significantly to production.

 

6.The resulting net pay intervals were evaluated to determine, for each of the eight layers, the net pay thickness (the productive thickness of the layer exceeding the minimum porosity cut-off), the average porosity for that net pay interval, and the ratio of net pay thickness to gross thickness. Gross thickness values were also estimated for wells with only resistivity logs (which permitted layer boundary selection), but net pay thickness was only calculated when porosity data was available.

 

7.The permeability values in the southern part of the Upper Smackover were further adjusted to match the those observed in the injection tests of the Montague 1 well and Speer 1 well.

 

8.An example of this process is shown in Figure 14-4. The layer picks result in the gross pay values, the application of the 6.0% porosity cut-off results in the net pay values, the ratio of those two pay values provides the net to gross ratio, and the average porosity over each layer’s net pay intervals results in the average porosity of the net pay for that layer.

 

9.Regarding the software employed, each of the 99 wells inside the property and 316 wells outside the property had their geological data (location, wireline well logs) imported into Petra® software. Available digital porosity data were imported into PowerLog® Software database, calibrated to core porosity, and exported for inclusion in the Petra® Software. The top of Smackover Formation depths picks, along with the by-layer gross thickness, net to gross ratio, and porosity data were evaluated using the Petra® Software. A 30.5 m x 30.5 m (100 ft x 100 ft) mapping grid was established, and the well geological data was contoured using the Petra® software’s minimum curvature gridding option.

 

10.Following the gridding and contouring process, bounding limits were applied to the gross thickness, porosity, and net thickness to gross thickness ratio grids: gross thickness, porosity, and net thickness to gross grids were constrained to between 95% of the minimum observed value and 105% of the maximum observed value to prevent the mapping algorithm from extrapolating to unreasonable values. Additionally, porosity values were limited to no lower than the 6.0% cut-off for net pay. The net thickness to gross thickness ratio grids were further constrained between 0.0 and 1.0, corresponding to the physical limits of that ratio.

 

11.The net pay grid for each of the individual layers was calculated by multiplying the gross thickness grid by the net thickness to gross thickness grid. Similarly, the pore-thickness grid for each layer was calculated by multiplying the calculated net pay grid by that layer’s porosity grid.

 

South West Arkansas ProjectPage 95
  
NI 43-101 Technical Report & Definitive Feasibility StudyOctober 14, 2025

 

 

 

Figure 14-3: Porosity Log Calibration to Core Data Plot

 

 

Source: Haas & Cobb (2025).

 

Figure 14-4: Montague 1 Porosity Log Net Pay Example

 

 

Source: Haas & Cobb (2025).

 

South West Arkansas ProjectPage 96
  
NI 43-101 Technical Report & Definitive Feasibility StudyOctober 14, 2025

 

 

 

12.The resulting layer grids for structure, porosity, gross pay, and net pay were then divided as needed to assign the appropriate areas to either the Upper Smackover or Middle Smackover, then they were summed to create maps of gross pay, net to gross ratio, net pay, average porosity, and pore-thickness for the Upper Smackover and the Middle Smackover zones.

 

13.Analysis of the core data (Figure 14-2) with respect to Smackover zones and areas indicated two different permeability-porosity relationships were appropriate. The southern area had a permeability-porosity relationship yielding a higher permeability for a given porosity in the Upper Smackover, transitioning to a permeability-porosity relationship yielding a lower permeability for a given porosity to the north. That same lower permeability-porosity relationship was applied to the Middle Smackover. Those two relationships were applied to the appropriate area of each layer’s porosity map to provide permeability values for the simulation model.

 

Figure 10-1 depicts the locations of the 100 wells within and 316 wells outside the property containing structure, porosity, or core data relevant to the description of one or more of the geological model layers. Figure 7-5 presents the structure map for the top of the Smackover Formation. Figure 14-5 is a porosity cross-section through the five initial phase exploration program wells. It uses as a datum the top of Upper Smackover, and illustrates the thick, continuous nature of the high-porosity net pay (shaded in green, yellow, orange, or red) Upper Smackover Formation, in comparison to the thinner, less-continuous Middle Smackover Formation net pay.

 

The net porosity-thickness (also known as Phi-H) maps for the Upper and Middle Smackover zones are presented in Figure 14-6 and Figure 14-7. Net porosity thickness is a direct indicator of the amount of brine below any location on the property. The greater the mapped pore-feet, the greater the volume of brine. Each porosity-thickness map is multiplied by the applicable lithium concentration map and then integrated over the South West Arkansas Project area to obtain the in-place lithium resource estimates for each zone.

 

South West Arkansas ProjectPage 97
  
NI 43-101 Technical Report & Definitive Feasibility StudyOctober 14, 2025

 

 

 

Figure 14-5: Stratigraphic Cross-Section, Exploration Program Wells

 

 

Source: Haas & Cobb (2025).

 

South West Arkansas ProjectPage 98
  
NI 43-101 Technical Report & Definitive Feasibility StudyOctober 14, 2025

 

 

 

Figure 14-6: Total Upper Smackover Net Porosity-Thickness

 

 

Source: Haas & Cobb (2025).

 

South West Arkansas ProjectPage 99
  
NI 43-101 Technical Report & Definitive Feasibility StudyOctober 14, 2025

 

 

 

Figure 14-7: Total Middle Smackover Net Porosity-Thickness

 

 

Source: Haas & Cobb (2025).

 

South West Arkansas ProjectPage 100
  
NI 43-101 Technical Report & Definitive Feasibility StudyOctober 14, 2025

 

 

 

14.2Lithium Resource Estimates

 

To obtain the in-place lithium resource estimates for Upper Smackover and Middle Smackover zones the corresponding net porosity-thickness map (Figure 14-6 and Figure 14-7) has been multiplied by the corresponding lithium concentration map (Figures 9-2 and 9-3), then integrated over the initial phase and future expansion portions of the South West Arkansas property. The resulting estimated average geological properties, average lithium concentrations, and estimates for the measured (initial phase portion of the Upper Smackover), indicated (future expansion portion of the Upper Smackover), and inferred (initial phase plus future expansion portions of the Middle Smackover) lithium resource values for the South West Arkansas property are presented in Table 14-1 and Table 14-2.

 

Using a conversion factor of 5.323 kg of LCE per kilogram of lithium, the measured plus indicated resource value corresponds to an estimate of 1,177,000 tonnes LCE for 0.5 km3 of brine. For the inferred resource, the estimate is 278,000 tonnes LCE for 0.15 km3 of brine.

 

The lithium resource estimates are presented in Table 14-1 and Table 14-2, effective September 3rd, 2025, and represent the estimated total lithium in place within the Upper Smackover and Middle Smackover formations within the bounds of the South West Arkansas property. These estimates are not affected by a minimum lithium concentration cut-off because the entirety of the South West Arkansas property exceeds the typically used 100 mg/L cut-off value, which this report considers an appropriate cut-off for assessing project viability. Please note that mineral resources are not mineral reserves. The portion of these resources that are estimated to be converted to mineral reserves for the South West Arkansas Project is presented in Section 15. Also, mineral resources that are not mineral reserves do not have demonstrated economic viability.

 

Table 14-1: South West Arkansas Property Geological Factors and Indicated Lithium Resource Estimates

 

Resource Category Measured Indicated Measured + Indicated
Project Area, Smackover Formation Initial Phase Upper Future Expansion Upper Total Upper
Gross Aquifer Volume, km3 4.33 2.12 6.45
Net Aquifer Volume, km3 2.86 1.39 4.25
Average Porosity 11.80% 11.75% 11.79%
Brine Volume, km3 0.34 0.16 0.5
Average Lithium Concentration, mg/L 514 293 442
Lithium Resource, kt 173 48 221
LCE, kt 922 255 1,177

 

Notes: 1. The effective date of the resource estimate is September 3, 2025. 2. Numbers may not add up due to rounding. 3. The resource estimates were developed and classified in accordance with guidelines established by the Canadian Institute of Mining and Metallurgy. The associated Technical Report was completed in accordance with the Canadian Securities Administration’s National Instrument 43-101 and all associated documents and amendments. As per these guidelines, the resource was estimated in terms of metallic (or elemental) lithium. 4. To describe the resource in terms of ‘industry standard’ lithium carbonate equivalent, a conversion factor of 5.323 was used to convert elemental lithium to LCE. 5. The resource estimates include those resources estimated to be converted to mineral reserves for the South West Arkansas Project.

 

South West Arkansas ProjectPage 101
  
NI 43-101 Technical Report & Definitive Feasibility StudyOctober 14, 2025

 

 

 

Table 14-2: South West Arkansas Property Geological Factors and Inferred Lithium Resource Estimates

 

Resource Category Inferred
Project Area, Smackover Formation Initial Phase Middle Future Expansion Middle Total Middle
Gross Aquifer Volume, km3 4.99 3.00 7.99
Net Aquifer Volume, km3 0.96 0.61 1.57
Average Porosity 9.05% 9.88% 9.37%
Brine Volume, km3 0.09 0.06 0.15
Average Lithium Concentration, mg/L 452 215 355
Lithium Resource, kt 39 13 52
LCE, kt 210 68 278

 

Notes: 1. The effective date of the resource estimate is September 3, 2025. 2. Numbers may not add up due to rounding. 3. The resource estimates were developed and classified in accordance with guidelines established by the Canadian Institute of Mining and Metallurgy. The associated Technical Report was completed in accordance with the Canadian Securities Administration’s National Instrument 43-101 and all associated documents and amendments. As per these guidelines, the resource was estimated in terms of metallic (or elemental) lithium. 4. To describe the resource in terms of ‘industry standard’ lithium carbonate equivalent, a conversion factor of 5.323 was used to convert elemental lithium to LCE.

 

14.3QP Discussion

 

The resource category associated with the initial phase portion of the Upper Smackover Formation has been upgraded from the indicated resource category in the pre-feasibility study to a measured resource category based on the additional geological data and lithium concentration data gathered by Standard Lithium’s 2024/2025 exploration program (refer to Sections 9 and 10). The body of data from these programs has clearly demonstrated the presence, volume, and quality (permeability) of the porous reservoir, and the high lithium content of the associated brine. The test program has demonstrated and now quantified the ability of the Upper Smackover intervals to produce that brine. The lithium associated with the Middle Smackover has been maintained in the inferred resource category.

 

The approximate 18% reduction in Upper Smackover resources compared to the values reported in the pre-feasibility study resulted from an approximate 10% reduction in area due to the lease trades executed to enhance the project certainty described earlier, as well as from changes to the geological description and lithium concentration associated with the additional data gathered after the pre-feasibility study.

 

The entirety of the South West Arkansas property exceeds the 100 mg/L minimum concentration cut-off value appropriate for this project. The resource estimates have been determined based on 100% of the Upper and Middle Smackover Formations within the initial development phase boundary (the Reynolds Brine Unit) and the future expansion boundary for the property. This is consistent with the AOGC approach to unitization and brine production.

 

The geological data were input to a reservoir simulator, resulting in estimates for production that can be achieved from the resource, as described in Section 15. These estimated production rates formed the basis for the reserve estimates in Section 15, along with the DFS flowsheet development, project cost estimates, and underlying economic viability in Section 16.

 

South West Arkansas ProjectPage 102
  
NI 43-101 Technical Report & Definitive Feasibility StudyOctober 14, 2025

 

 

 

The resource estimates in this section were prepared using a detailed geological model that fully captures the factors that affect the content, quality, and recovery potential of brine and the associated lithium in this porous underground formation. These resource estimates have a reasonable prospect of economic extraction based on the observed geological continuity of the porous and permeable Smackover Formation, identified as net pay by this evaluation’s application of a minimum 6.0 % net pay cut-off which corresponds to a minimum permeability value of 0.5 md, which identifies that part of the formation that can reasonably be expected to contribute to brine recovery. All reported resources reside in reservoir rock exceeding this cut-off value. The target development interval demonstrated its capacity to produce rates consistent with an economic development in two separate well tests, as described in Section 15. Those well test results were consistent with the estimates resulting from the geological model described here.

 

As a result of these analyses, the geological model identified the brine volume and lithium resources associated with that portion of the brine aquifer potentially suitable for development. Production rate and brine recovery estimates obtained from the simulation model based directly on the geological model and substantiated by well test data (see Section 15) form part of the design basis for the economic recovery of lithium by the South West Arkansas Project. Those resources not developed by the initial project scope are subject to additional recommended data gathering to elevate their resource categorization.

 

14.4Discussion of Risks and Uncertainties

 

The risks and uncertainties associated with the estimated resource values presented in this section result from the inherent uncertainties present in the data. While the data set is extensive, the additional data gathered from both delineation of the future expansion area and development of the Initial Phase will refine the estimated resource values, which could either increase or decrease as a result.

 

At present, the QP is not aware of any legal, political, environmental, or other risks that could materially affect the potential development of the mineral resources.

 

South West Arkansas ProjectPage 103
  
NI 43-101 Technical Report & Definitive Feasibility StudyOctober 14, 2025

 

 

 

15Mineral Reserve Estimates

 

15.1Introduction

 

This section presents the estimates of probable and proven reserves, consistent with the CIM Definitions (CIM, 2014), which define them as follows:

 

·A mineral reserve is the economically mineable part of a measured and/or indicated mineral resource. It includes diluting materials and allowances for losses, which may occur when the material is mined or extracted and is defined by studies at the pre-feasibility or feasibility level as appropriate that include application of modifying factors. Such studies demonstrate that, at the time of reporting, extraction could reasonably be justified.

 

·A probable mineral reserve is the economically mineable part of an indicated, and in some circumstances, a measured mineral resource. The confidence in the modifying factors applying to a probable mineral reserve is lower than that applying to a proven mineral reserve.

 

·A proven mineral reserve is the economically mineable part of a measured mineral resource. A proven mineral reserve implies a high degree of confidence in the modifying factors.

 

·Modifying factors are considerations used to convert mineral resources to mineral reserves. These include, but are not restricted to, mining, processing, metallurgical, infrastructure, economic, marketing, legal, environmental, social and governmental factors.

 

The South West Arkansas Project consists of brine production facilities, lithium recovery facilities, and depleted brine injection facilities, which will be used to recover a portion of the South West Arkansas Project’s measured resources (Section 14) from the Upper Smackover in the initial phase, thereby converting them into proven reserves.

 

No reserve estimates were made for the future expansion area. The QP for this section, Mr. Randal Brush, determined that the indicated resources of the future expansion area could not be converted into reserves because additional information is needed to confirm the productivity of the Upper Smackover in the future expansion area. While the geological and sample data collected as of the date of this report clearly identifies the size and content of the lithium-bearing brine accumulation in the future expansion area, well test data is needed to quantify potential production rates for wells in that area. Towards that end, one of the recommendations presented in Section 26 is to drill two additional test wells targeting the Upper, Middle, and Lower Smackover to provide long-term production test information for estimating well rates, the number of wells needed, facility rates, and the completion plans for eventual future expansion area wells. Gathering that test data is necessary to reasonably define the scope of the future expansion area expansion project’s wells and facilities investments. While the data gathered as of the date of this report is consistent with a productive Smackover Formation suitable for development, quantitative well test data are needed to confirm the production rates that the production and injection wells will provide to the processing facility.

 

South West Arkansas ProjectPage 104
  
NI 43-101 Technical Report & Definitive Feasibility StudyOctober 14, 2025

 

 

 

The estimation of reserves in this report have been carried out in accordance with NI 43-101 and have been estimated using the CIM “Estimation of Mineral Resources and Mineral Reserves Best Practice Guidelines” (2019), CIM “Definition Standards for Mineral Resources and Mineral Reserves” (amended and adopted April 2014), and the “CIM Leading Practice Guidelines for Sedimentary Basin and Geothermal Brine-Hosted Lithium Mineral Resources and Mineral Reserves Estimation” (May 2025 Draft) (the CIM Leading Practice Guidelines). The CIM Leading Practice Guidelines have been applied to the specific conditions present at the South West Arkansas property.

  

15.2Simulation Model Description

 

The lithium reserve estimates reported here were obtained using a computer simulation model which directly incorporates the geological model described in Section 14. The Merlin reservoir simulation model, an industry-standard finite-difference simulation model created by Gemini Solutions, Inc., was used to estimate the timing and amount of brine production and the lithium content of that brine from the South West Arkansas property by modelling brine movement, lithium concentration, and lithium recovery. The Merlin simulation model was loaded with the by-layer geological model maps, which were re-gridded by the Merlin software to conform to the model’s gridding scheme. The model covers an area of approximately 39.0 miles by 12.1 miles (62.7 km by 19.4 km). The model grid dimensions are 154 cells in the east-west direction and 75 cells in the north-south direction, with eight model layers, resulting in 92,400 cells in the model.

 

The Merlin model has the capability of tracking different constituent concentrations in the brine using a tracer component. This capability was used to initialize the model with lithium concentrations across the model area equal to the mapped Upper Smackover and Middle Smackover lithium concentrations described in Section 9.2. Note, the Middle Smackover layers were deactivated for these reserve evaluations because the Middle Smackover contains an inferred lithium resource which in accordance with CIM Leading Practice Guidelines can have no reserves associated with it. The model tracked the lithium concentration in the rich brine within the Upper Smackover and in the brine produced in each well, as well as the injected lean brine (with lithium removed), and the movement of the injected brine through the reservoir during the 20-year proven reserves case initial phase development.

 

To estimate proven reserves associated with the Upper Smackover in the initial phase, a 20-year case was run assuming installation of the initial phase wells (26 total well: 14 production wells and 12 injection wells) at locations shown on Figure 18-1. Facility-limiting capacities of 11.6 Mm3 per year (200,000 barrels per day) of brine production capacity and 22,500 t/a of lithium carbonate processing capacity were assumed. To estimate the proved plus probable reserves associated with production of the initial phase past 20 years, the same simulation model was run for 40 years. The resulting rate forecasts are presented in Table 15-1 and Figure 15-1, and were also used as inputs to estimate project costs and to evaluate project economics.

 

South West Arkansas ProjectPage 105
  
NI 43-101 Technical Report & Definitive Feasibility StudyOctober 14, 2025

 

 

 

Figure 15-1: Initial Phase Brine Concentration and Lithium Carbonate Yearly Production Estimate

 

 

 

Source: Hass & Cobb (2025).

 

South West Arkansas ProjectPage 106
  
NI 43-101 Technical Report & Definitive Feasibility StudyOctober 14, 2025

 

 

 

Table 15-1: Initial Phase Proven and Probable Reserves

 

  Year Cal.
Year
Brine
Produced,
Mbbl/a
Brine
Produced,
Mm3/a
Brine Rate,
kbbl/d
Avg. Li
Concentration,
mg/L
Li Produced
to  Plant,
t/a
Lithium
Carbonate
Product, t/a

1 2028 54.1 8.6 148 549 4,723 22,517
2 2029 54.4 8.6 149 546 4,724 22,519
3 2030 54.6 8. 150 544 4,722 22,512
4 2031 54.8 8.7 150 542 4,723 22,516
5 2032 55.1 8.8 150 539 4,723 22,515
6 2033 55.3 8.8 151 538 4,723 22,515
7 2034 55.7 8.9 153 534 4,724 22,521
8 2035 56.3 8.9 154 528 4,724 22,520
9 2036 56.7 9.0 155 524 4,725 22,526
10 2037 57.5 9.1 158 517 4,722 22,510
11 2038 59.3 9.4 162 501 4,723 22,514
12 2039 60.6 9.6 166 491 4,726 22,528
13 2040 62.3 9.9 170 477 4,725 22,527
14 2041 64.1 10.2 176 464 4,727 22,535
15 2042 66.6 10.6 182 446 4,727 22,534
16 2043 69.1 11.0 189 431 4,729 22,544
17 2044 71.1 11.3 194 418 4,726 22,530
18 2045 73.0 11.6 200 404 4,694 22,377
19 2046 73.0 11.6 200 387 4,495 21,427

 

20 2047 73.0 11.6 200 370 4,291 20,457
21 2048 73.2 11.6 200 352 4,100 19,546
22 2049 73.0 11.6 200 335 3,891 18,550
23 2050 73.0 11.6 200 319 3,701 17,645
24 2051 73.0 11.6 200 303 3,521 16,784
25 2052 73.2 11.6 200 289 3,359 16,015
26 2053 73.0 11.6 200 275 3,191 15,211
27 2054 73.0 11.6 200 262 3,043 14,504
28 2055 73.0 11.6 200 250 2,906 13,851
29 2056 73.2 11.6 200 239 2,786 13,283
30 2057 73.0 11.6 200 229 2,662 12,691
31 2058 73.0 11.6 200 220 2,555 12,179
32 2059 73.0 11.6 200 212 2,456 11,706
33 2060 73.2 11.6 200 204 2,370 11,300
34 2061 73.0 11.6 200 196 2,279 10,864
35 2062 73.0 11.6 200 190 2,200 10,488
36 2063 73.0 11.6 200 183 2,126 10,137
37 2064 73.2 11.6 200 177 2,063 9,835
38 2065 73.0 11.6 200 172 1,993 9,500
39 2066 73.0 11.6 200 166 1,932 9,211
40 2067 73.0 11.6 200 162 1,875 8,939

 

Note: Proven and probable reserves only accounts for the modifying factors. Proven and probable reserves do not consider production ramp-up. Source: Hass & Cobb (2025).

 

South West Arkansas ProjectPage 107
  
NI 43-101 Technical Report & Definitive Feasibility StudyOctober 14, 2025

 

 

 

15.3Lithium Reserve Estimate

 

The proven reserves are that part of this report’s measured resources for the initial phase portion of the South West Arkansas property that are estimated to be recovered by the initial phase over the 20-year forecast operating period, with project start-up in 2028. The probable reserves are that part of this report’s measured resources that are estimated to be recovered during continued production from the initial phase for Years 21 through 40. The brine lithium concentration produced throughout this 40-year period exceeds a minimum lithium concentration value of 100 mg/L. Both proven, and proven plus probable, cases assume the same process efficiency and lithium recovery factors over the production periods. The estimated proven and probable reserves are presented in Table 15-2. The basis for the forecast operating conditions is provided in Section 16.

 

Table 15-2: Initial Phase Proven and Probable Reserves

 

Description Units Proven Reserves Probable Reserves Proven + Probable Reserves
Brine Volume Pumped Mm³ 195 232 427
Average Lithium Concentration mg/L 481 237 348
Lithium Metal Reserves Produced to Facility kt 94 55 149
LCE Reserves Recovered by Facility kt 447 262 709

 

Notes: 1. The effective date of the reserve estimate is September 3, 2025. 2. Any discrepancies in the totals are due to rounding effects. 3. The qualified person for the reserve estimate is Randal M. Brush, PE. 4. The proven case assumes a 20-year operating life. 5. Proven plus probable reserves assume a 40-year operating life. 6. Offtake is limited to 11.6 Mm3/a of brine production and 22,500 t/d of LCE facility processing capacity. 7. The reserves reference point for the brine volume, average lithium concentration, and lithium metal is the brine inlet to the project processing plant. 8. The reserves reference point for the LCE is the product output of the project processing plant. 9. Lithium carbonate production values consider plant processing efficiency factors. 10. The reserve estimate follows 2014 CIM Definition Standards and the 2019 CIM MRMR Best Practice Guidelines. 11. LCE is calculated using mass of LCE = 5.323 multiplied by mass of lithium metal. 12. The qualified person is not aware of any known environmental, permitting, legal, title-related, taxation, sociopolitical or marketing issues, or any other relevant issue, that could materially affect the potential development of resources other than those discussed in the resource estimates.

 

15.4Project Modifying Factors

 

The project’s modifying factors include the following, and are summarized in Table 15-3:

 

·Maximum Feed Brine Rate – The maximum volume of feed brine processed by the project, in million cubic meters (Mm3) per year.

 

·Maximum Processing Capacity – The maximum output capacity of the processing plant, in tonnes per year (t/a) of lithium carbonate.

 

·System Availability – The availability of the lithium extraction facility.

 

·Lithium Recovery Efficiency – The fraction of the lithium contained in the brine received by the project that is recovered by the process; unrecovered lithium is injected back into the reservoir.

 

South West Arkansas ProjectPage 108
  
NI 43-101 Technical Report & Definitive Feasibility StudyOctober 14, 2025

 

 

 

·Lithium Carbonate Attrition – The fraction of lithium lost in the production and handling of the lithium carbonate product, attributable to sampling, spillage, and other non-process related losses.

 

Additional validation for the probable and proven reserve estimates presented in Table 15-2 results from the potential project upside aspects, including the following:

 

·Project Optimizations – The project operating conditions assumed in this analysis do not include potential optimizations, such as further optimization of the well locations to reduce lean brine breakthrough at production wells or reduce well investment costs, the addition of injection or production wells within the initial phase, or the implementation of more-efficient or less-expensive lithium recovery technologies.

 

·Project Expansion – The reserve estimates are based on rates associated with currently-planned operations, and do not include any as-yet unplanned expansions to either processing facilities or project area.

 

·Increased Throughput – It may be possible to operate the South West Arkansas Project at a higher brine production rate through improved brine field production system availability.

 

A 100 mg/L minimum producing lithium concentration cut-off was used for the estimation of reserves. It did not affect the reserve estimates because the feed brine concentration exceeded the 100 mg/L cut-off value throughout the 40-year evaluation period.

 

Unless otherwise noted, brine reserves are referenced at the inlet to the lithium processing plant. The measured and indicated resources are inclusive of those resources modified to produce the reserves.

 

Table 15-3: Reserves Modifying Factors

 

Modifying Factor Units Proven Reserves
Case
Probable Reserves
Case
Maximum Feed Brine Rate Mm3/a 11.6 11.6
Maximum Processing Capacity t/a 22,500 22,500
Lithium Recovery Efficiency % 95.0 95.0
Purification, Concentration and Conversion Efficiency % 93.8 93.8
Lithium Carbonate Purity % 99.5 99.5

 

15.5Discussion of Results

 

The lithium reserves estimate presented in this technical report is supported in several ways:

 

·The geological characteristics and lithium content of the South West Arkansas property have been delineated by the data gathered from existing historical wells and Standard Lithium’s exploration program wells, with the data incorporated in the geological model and simulation model.

 

·The geological model demonstrates the reservoir to be productive, continuous, and to contain the estimated volume of brine.

 

South West Arkansas ProjectPage 109
  
NI 43-101 Technical Report & Definitive Feasibility StudyOctober 14, 2025

 

 

 

·The estimated resource volumes associated with the proven and probable reserves are adequately defined.

 

·This simulation model is directly based on the geological model which describes the characteristics of the South West Arkansas property used as the basis for the proven and probable reserves, thereby ensuring consistency between this report’s resource estimate and the simulation model’s reserve estimates through its direct incorporation of the geological model.

 

For these reasons, the reserve estimates reported herein are considered to be reasonable and to conform with the requirements of NI 43-101.

 

15.6Discussion of Risks and Uncertainties

 

Risks that might affect the reserves values presented in this section include potential geological risks resulting from unexpected reservoir heterogeneity, which could include the following:

 

·the presence of high permeability pathways between injection and production wells which could reduce the displacement efficiency of the injected lean brine and lead to early breakthrough of the injected lean brine;

 

·insufficient productivity resulting from lower-than-expected formation permeability;

 

·discontinuity of the porous formation resulting in a smaller brine volume accessible from the project wells; and

 

·unexpected faulting resulting in barriers to flow.

 

These risks have been addressed in part during the DFS data gathering program (well testing, well sampling, and drilling, logging, and sampling the Lester 2 well) and can also be addressed through adjustments to the injection and production well configuration and operating guidelines if these factors are encountered during the project development. One such adjustment would be to drill additional injection and/or production wells to maintain the desired plant throughput.

 

There is also the potential that an optimized project could include additional wells and facilities to achieve a higher production level, but this is more of an opportunity than it is a risk.

 

It should be noted that all reservoirs are heterogeneous, and that this report fully incorporates the observed heterogeneity in its analysis and conclusions. Also, the Smackover Formation in the project area is similar to that underlying the successful brine recovery projects immediately to the east of the South West Arkansas Project.

 

A process-related risk that could affect the reserves values is associated with the potential pressure management risk from over-injection. If the injected volumes result in an excessive increase in reservoir pressure, it might reduce the ability to inject processed brine. This risk is addressed through evaluations of injection and production distribution in the reservoir through simulation studies and identifying means to reduce over-injection.

 

At present, the QP is not aware of any legal, political, permitting, environmental, or other risks that could materially affect the potential development of the mineral resources.

 

South West Arkansas ProjectPage 110
  
NI 43-101 Technical Report & Definitive Feasibility StudyOctober 14, 2025

 

 

 

16Mining Methods

 

16.1Lithium Recovery Process

 

Recovery of the South West Arkansas property’s lithium reserves described above will employ the same brine displacement process already in use throughout southern Arkansas for the recovery of bromine-bearing brine from the Smackover Formation. This production and injection process is conducted at the adjacent Albemarle bromine project and the Lanxess bromine project further to the east, incorporating the production and injection technology and underground displacement mechanisms proved up by both those two projects for over 60 years, and by the petroleum industry in thousands of oil field waterflood projects world-wide.

 

This process combines brine supply wells containing down-hole pumps, surface flowlines, brine processing facilities, and brine injection wells. Once the lithium is extracted from the produced brine in the processing facilities, the resulting effluent brine will be injected back into the Smackover Formation using the brine injection wells. For the purposes of this report, effluent brine with the lithium extracted is also referred to as lean brine and is used to differentiate the reinjected brine from the in-situ lithium-rich brine. This distinction allows for the observation of breakthrough where lean brine starts to be produced at a specific well, resulting in a drop-off in lithium concentration, and therefore lithium production, at that well.

 

The brine recovery process applied at the South West Arkansas property has as its basis the displacement of rich brine to the brine supply wells by the injected lean brine. Three factors will determine the overall lithium recovery rate from this process: total brine throughput, produced brine lithium concentration, and lithium extraction efficiency (discussed in Section 17, Recovery Methods).

 

The total brine throughput is determined by the processing capacity of the facility, the capacity of the brine supply wells, and the capacity of the brine injection wells. The capacity of the brine supply and brine injection wells is set by the number of brine supply or brine injection wells and each well’s capacity, which is a function of well design and the geological characteristics (thickness and permeability) of the Smackover Formation at the well’s location. These rates have been estimated using the simulation model, which incorporates the number of wells, their locations, well design, and the geological characteristics of the Smackover Formation.

 

The resulting production and injection rates are subject to four limitations: (1) the production capacity of the brine supply wells, (2) the fluid handling capacity of the facilities, (3) the lithium extraction capacity of the facilities, and (4) the injection capacity of the brine injection wells. For this project, enough injection and brine supply wells are included, so the limiting factors in the evaluation are the fluid handling capacity and the processing capacity of the facilities. Both limiting factors were appropriately applied to the model simulation cases.

 

Total production and injection rates will be nearly identical due to the small volume changes to the processed brine associated with the lithium extraction process. This fulfils the requirement that the produced brine volume needs to be replaced with a similar volume of injected brine (a net reservoir voidage of approximately zero) to maintain the average reservoir pressure at a nearly constant level. Brine-filled reservoirs are relatively incompressible, and are therefore sensitive to any significant mismatch in net reservoir voidage. Large pressure changes could potentially result from significant positive or negative net voidage.

 

South West Arkansas ProjectPage 111
  
NI 43-101 Technical Report & Definitive Feasibility StudyOctober 14, 2025

 

 

 

The produced brine lithium concentration is determined by the original lithium concentration of the rich brine at a particular well, combined with the extent of lean (injected) brine breakthrough at that well. In brine recovery projects such as this, the injected lean brine moves through the geological formation, displacing the rich brine to the brine supply wells. The speed and extent of lean brine breakthrough for a given injection-brine supply well configuration is determined by the degree of geological heterogeneity of the Smackover Formation, the pore volume present between the injection and brine supply wells (also known as well spacing), and the throughput of brine in that volume. Geological heterogeneity consists of the varying permeability of the formation, which ranges from near zero to several thousand millidarcies as observed in the core data (Figure 14-2). Drilling a larger number of wells reduces the distance between injection and brine supply wells, resulting in higher brine throughput but faster breakthrough of injected lean brine. The Merlin simulation model described in Section 15 has been used to estimate well rates and associated reserves, and to optimize the configuration of the injection and brine supply wells, including well spacing and alignment, in order to design an economic 20-year (or longer) project. Figure 16-1 shows the production plan for the initial phase (20-year project life) and the potential future production associated with the probable reserves, which are not considered in the economic modelling in this report.

 

Figure 16-1: Production Plan

 

 

Source: Standard Lithium (2025).

 

16.2Wellfield Overview

 

Based on the outputs of the Merlin modelling described in Section 15, a network of brine supply and brine injection wells has been designed to supply the process facility from the Reynolds brine unit. Figure 16-2 shows a summary of the wellfield configuration. For the Reynolds brine unit, 14 brine supply and 12 brine injection wells are planned, with rates of between 1,000 m3/d (183 US gpm) and 4,500 m3/d (825 US gpm) per well and an average rate of 2,300 m3/d (422 US gpm) per well. The average total brine production rate will be 1,325 m3/h (5,833 US gpm) on an annual average basis. The brine supply wells will be conventional brine wells similar to those used throughout the Smackover and will be equipped with a 220 to 660 kW (300 to 900 hp) electric submersible pump (ESP) that will pump the brine to the surface through 140 mm (5.5 inch) tubing.

 

South West Arkansas ProjectPage 112
  
NI 43-101 Technical Report & Definitive Feasibility StudyOctober 14, 2025

 

 

 

To support commercialization, the wells will be grouped into multi-well pad facilities based on the desired bottom hole locations and the distance from the drilling pad achievable for well bores of this size and depth. This has resulted in five well pads with facilities for three, four, six, or seven wells. Multiple wells per pad reduces initial capital expenditure and improves long-term maintainability. Brine from the five Reynolds brine unit multi-well pads will be routed to the processing facility by a network of underground fiberglass pipelines. After processing, the lithium-depleted brine will be returned by a pipeline system to a network of brine injection wells completed in the Smackover Formation. The production and injection will occur in the Reynolds brine unit, thereby maintaining reservoir pressures. A mining fleet is not considered outside of pickup trucks required for the operations staff in the wellfield.

 

Figure 16-2: Reynolds Brine Unit Wellfield Configuration

 

 

Source: Standard Lithium (2025).

 

South West Arkansas ProjectPage 113
  
NI 43-101 Technical Report & Definitive Feasibility StudyOctober 14, 2025

 

 

 

16.3Wellfield Configuration

 

16.3.1Brine Supply Wells

 

The brine supply wells will extract raw brine from the Smackover Formation. The brine supply wells will be conventional brine wells like those used throughout the Smackover Formation and will be equipped with an electric submersible pump (ESP) that will pump the brine to the surface through production tubing.

 

As the brine is pumped to the surface, naturally occurring gas (usually sour in the project area) will evolve from the brine as the pressure drops. The brine, sour gas, and trace amounts of hydrocarbon liquids and solids will be separated from one another at the well pads using three-phase separators.

 

The produced brine stream will be sent from the separators in a dedicated pipeline, and the production from each well will be commingled at the well pad prior to being pumped to the CPF. Fluid flow from each well pad will be further commingled to minimize the number of pipelines feeding the CPF. This has the added benefit of reducing the impact of brine compositional variability by mixing all the brine streams at the well pads and from all the well pads in the brine supply pipelines. Brine that is pumped from the brine supply wells and well pads through the brine pipeline is discharged to a large-capacity brine receiving tank at the CPF.

 

The sour gas evolving from the brine containing light hydrocarbons, such as methane and ethane, in addition to hydrogen sulphide, carbon dioxide, and water vapour, is separated from the brine in the three-phase separators and cooled to condense out condensable hydrocarbons and water, which have a higher boiling point. The liquids (condensate) will be separated and returned to the three-phase separator feed to capture and separate the condensed hydrocarbons. The resulting non-condensable sour gas from all of the brine supply wells is then delivered via pipeline to the nearby Mission Creek Dorcheat gas plant for use or disposal.

 

The liquid phase hydrocarbons and any solids that are separated from the brine will be stored in tanks on the well pad and periodically removed via a pump truck for further processing at a local refinery or by a third party.

 

16.3.2Brine Injection Wells

 

Once lithium is removed from the rich brine at the CPF, the lithium depleted brine is disposed of through the brine injection wells. A network of pipelines connects the CPF to the brine injection wells. The brine injection wells are co-located with the brine supply wells at multi-well well pad facilities. Spent brine is delivered from the main processing facility by brine pumps to the well pads. The spent brine is then pumped down into the Smackover Formation through the brine injection wells, which are similar in nature to the supply wells but without the ESPs. Reinjecting the spent brine is necessary to maintain the pressure in the Smackover Formation aquifer and to displace the rich brine to the brine supply wells. This is standard practice in Smackover brine operations.

 

16.3.3Well Pad Configuration

 

Brine used for recovery of lithium will be extracted from the Smackover Formation via a network of 12 brine supply wells located on four well pads throughout the project resource area. The brine will be pumped to the CPF for processing through a network of pipelines that connect each well pad back to the CPF. Lithium-depleted brine from the CPF will be pumped back to the well pads for reinjection through ten brine injection wells co-located on three of the four well pads with the brine supply wells (there will be no brine injection to pad E). A fifth well pad (pad C) with two supply and two injection wells is planned to be added to the network during Year 8. The wellfield will utilize directional drilling technology to provide an optimal wellfield design that consolidates the surface locations of the wells into five multi-well pad locations. A typical well pad layout that shows the supply and injection wells is illustrated in Figure 18-2.

 

South West Arkansas ProjectPage 114
  
NI 43-101 Technical Report & Definitive Feasibility StudyOctober 14, 2025

 

 

 

Figure 16-3: Typical Well Pad Layout

 

 

 

Source: HGA (2025).

 

South West Arkansas ProjectPage 115
  
NI 43-101 Technical Report & Definitive Feasibility StudyOctober 14, 2025

 

 

 

17Recovery Methods

 

17.1Overview

 

Lithium-rich brine will be extracted from brine supply wells and transported via pipeline to the CPF for lithium extraction and subsequent processing into the final product of lithium carbonate. The brine production system at the well pad facilities comprises the following primary unit operations:

 

·three-phase separation of brine, gas, and oil using a dedicated separator

 

·transfer of separated raw brine to the CPF using centrifugal pumps

 

·cooling of separated sour gas via an air-cooled (fan/fin) gas cooler, followed by separation of the liquid phase in a two-phase separator

 

·recirculation of condensed liquids to the three-phase separator through dedicated pumping systems.

 

Lithium-depleted brine from the CPF will be returned to the well pad facilities via pipeline for injection. The injection system includes high-pressure injection pumps that reinject the lithium-depleted brine into the subsurface reservoir through designated injection wells. Sour gas separated at the well pads will be conveyed via pipeline to a nearby third-party facility for appropriate reinjection or treatment.

 

The process block flow diagram provides an overview of the lithium recovery process proposed for the project. Brine received at the CPF is degassed, pH adjusted, filtered, and conditioned in a series of pre-treatment processes in preparation for the DLE process. The DLE technology chosen for the Project is LSS, an Aquatech (formerly KTS) proprietary technology, which extracts lithium ions from the brine to produce a raw lithium chloride solution that is low in contaminants. The lithium chloride is then purified through chemical softening and ion exchange and concentrated using reverse osmosis and evaporation/crystallization to produce a polished and concentrated lithium chloride solution.

 

The concentrated lithium chloride brine enters a conventional carbonation process to produce “crude” lithium carbonate (Li2CO3), which undergoes a product purification process including bicarbonation, ion exchange, decarbonation, and CO2 recovery to obtain battery-quality lithium carbonate (BQ Li2CO3). The lithium carbonate is dried, micronized, and packaged to produce the finished product.

 

The lithium recovery method within the Project facility consists of the following major process blocks:

 

·brine pre-treatment

 

·direct lithium extraction

 

·concentration and purification

 

·lithium carbonate conversion.

 

South West Arkansas ProjectPage 116
  
NI 43-101 Technical Report & Definitive Feasibility StudyOctober 14, 2025

 

 

 

The summary of the design basis considered in the process described in this section is presented in Table 17-1.

 

Table 17-1: Summary of Process Design Basis

 

Parameter Units Value
Plant Production  
Product Quality Battery-Quality Lithium Carbonate
Average Production Rate (Battery Specification) t/a 22,500
Project Operating Life a 20
Operational Data    
Process Plant Availability % 93
Process Plant Annual Operating Hours h/a 8,147
Volumetric Flow m3/h (gpm) 1,325 (5,833.4)
Lithium mg/L 439.9
Magnesium mg/L 3,361.2
Calcium mg/L 39,051.1
Boron mg/L 296.6
Total Dissolved Solids mg/L 370,121
Design Recovery (Overall Li% from Brine to Product) % 89.25

 

17.2Process Flowsheet

 

Figure 17-1 shows the process block diagram that illustrates and complements the overall process description in Sections 17.3 and 17.4.

 

Figure 17-1: Overall Process Flowsheet

 

 

Source: Ausenco (2025).

 

South West Arkansas ProjectPage 117
  
NI 43-101 Technical Report & Definitive Feasibility StudyOctober 14, 2025

 

 

 

17.3Wellfield Design

 

17.3.1Production Well System

 

The production well system utilizes an electric submersible pump (ESP) to pump the lithium-rich brine from the Smackover Formation approximately 2,600 to 2,900 m (8,500 to 9,400 ft) below mean sea level or approximately 1,200 m (4,000 ft) below grade to the wellhead at the surface. The ESP is a vertical, multi-stage, centrifugal pump with built-in vapour liquid separation capabilities to degas the brine as it is pumped to the surface.

 

Sour gas is dissolved in the brine at reservoir conditions but is liberated as static pressure drops on the way to the surface. The separated sour gas travels up the annular space between the production tubing and well casing until it reaches the wellhead, at which point the gas is captured and sent to a third party oil and gas operator for disposal via exiting gas injection infrastructure.

 

17.3.2Three-Phase Separator

 

Lithium-rich brine from the discharges of each production ESP on the well pad is comingled and transferred to the pad three-phase separator. The three-phase separator provides residence time for brine, oily waste, and any remaining sour gas to separate. The brine from the production wells collects as the dense aqueous liquid phase at the bottom of the vessel. The brine booster pumps are centrifugal pumps equipped with a variable speed drive and are used to maintain level in the three-phase separator and boost the pressure as required to transfer the brine from each well pad to the CPF. A series of pack plates are installed in the separator to improve coalescing of the lower density oily waste to form a thin organic layer that sits on top of the brine phase. The oily waste phase overflows a weir into the oil container where it is collected for removal. The remaining sour gas in the production fluid flashes off in the separator, exits out the top of the vessel, and is then sent to the sour gas cooler. The pad three-phase brine separation process is illustrated in Figure 17-2.

 

South West Arkansas ProjectPage 118
  
NI 43-101 Technical Report & Definitive Feasibility StudyOctober 14, 2025

 

 

 

Figure 17-2: Pad Three-Phase Brine Separation Process Flowsheet

 

 

Source: HGA, (2025).

 

17.3.3Sour Gas System

 

Sour gas from each of the production wells on the pad and from the three-phase separator is collected and sent to a sour gas cooler. The sour gas cooler condenses water and any light hydrocarbons for removal. This process step reduces condensation, and subsequently corrosion, in the pipeline and increases the density of the gas which reduces the pipe sizes required between the well pads and the end user.

 

The cooled sour gas and condensed water then pass from the cooler to a two-phase separator, where the condensed liquid is separated and collected prior to the sour gas entering the pipeline. The condensate tank pump maintains the level in the condensate tank and pumps the collected condensate back to the three-phase separator. The pressure in the well pad system is used to drive the sour gas through the pipeline to the end user.

 

17.3.4Injection Well System

 

The lithium-depleted brine from the CPF is transferred back to the well pads for reinjection to the Smackover Formation via the brine injection wells. Brine booster pumps installed at each well pad are utilized to boost the lithium-depleted brine pressure for reinjection into the injection wells.

 

South West Arkansas ProjectPage 119
  
NI 43-101 Technical Report & Definitive Feasibility StudyOctober 14, 2025

 

 

 

17.3.5Corrosion and Scale Inhibitor Systems

 

Corrosion and scale inhibitor chemicals are stored in dedicated tanks on each pad for use in the production and disposal well systems. Dosing pumps dedicated to each well are installed to deliver the required treatment chemicals. Fresh water is used as a carrier fluid for the inhibitor chemicals being dosed to the production wells. The lithium-depleted brine in the injection system serves as the carrier fluid for inhibitor chemicals being dosed to the injection wells.

 

17.4Plant Design

 

Refer to Figure 17-3 to see the process plant layout. The following sections provide a description of the processes occurring in each of the different areas of the process plant.

 

South West Arkansas ProjectPage 120
  
NI 43-101 Technical Report & Definitive Feasibility StudyOctober 14, 2025

 

 

 

Figure 17-3: Central Processing Facility Plan Overview

 

 

Note: Dimensions are in feet. Coordinate system shown is a plant coordinate with a plant datum set at E 818 000, N 1 530 000 and a 2.75 CW rotation NSRS11.AR-SF DATUM – 302 – ARKANSAS SOUTH. Source: Ausenco (2025).

 

South West Arkansas ProjectPage 121
  
NI 43-101 Technical Report & Definitive Feasibility StudyOctober 14, 2025

 

 

 

17.4.1Brine Pre-Treatment

 

17.4.1.1Degassing

 

The brine degassing area is designed to remove gases (primarily H₂S, methane, and CO2) from the brine via air stripping and scrubbing. This system employs a two-stage process involving air stripping to transfer dissolved gases from the brine into an air stream, followed by a scrubbing stage to remove H₂S from the air stream.

 

The brine from the wellfield is fed at the top of the stripping columns and flows down through the packing material. Simultaneously, clean, dry air is introduced at the bottom of the tower and flows upwards, counter-current to the descending brine, causing the dissolved HS, methane, and CO₂ to be pulled out of the brine.

 

The air stream exiting the top of the stripping tower is enriched with H₂S, methane, CO₂, water vapour, and other constituents of air, and continues to the scrubbing stage. The scrubbing process uses packed columns to bring the rich air stream into contact with a liquid absorbent that reacts with H₂S, converting it into ionic species highly soluble in the aqueous solution.

 

17.4.1.2Brine Conditioning

 

The degassed brine is pumped through a heat exchanger, transferring its heat to cooling water from the cooling tower. The cooled degassed brine is then adjusted for pH and oxidation-reduction potential using sodium hydroxide (NaOH) and hydrogen peroxide (H2O2) solution.

 

17.4.1.3Brine Filtration

 

The brine filtration area is designed to protect the downstream equipment and prevent fouling of the LSS sorbent bed. Degassed and conditioned brine is pumped through the multimedia filters to remove coarse suspended solids and any residual oil droplets from the brine.

 

The filtrate is then pumped to the ultrafiltration system that uses multiple membrane cartridges mounted on skid units to remove suspended solids. The flow rate through the membranes is maintained with a programmed series of filtration, backflush and clean-in-place processes.

 

17.4.2Direct Lithium Extraction (DLE)

 

The DLE area is required to extract the lithium from the brine. The LSS DLE process developed by KTS as part of their Li-Pro™ suite of technologies (now owned by Aquatech) has been selected for the project. It is a proprietary process that utilizes a lithium chloride selective sorbent in fixed bed columns. The LSS DLE system goes through a series of loading and elution steps that are operated at specific durations and flow rates to maximize the efficiency of lithium recovery.

 

Pre-treated feed brine from the brine filtration process is pumped through the DLE columns, which are filled with a lithium selective adsorbent during the loading cycle. The adsorbent selectively adsorbs lithium ions from the brine along with chloride ions, leaving a lithium-depleted brine. When the adsorbent in the DLE columns is saturated with lithium and chloride ions, the loading process stops.

 

South West Arkansas ProjectPage 122
  
NI 43-101 Technical Report & Definitive Feasibility StudyOctober 14, 2025

 

 

 

The lithium and chloride ions adsorbed onto the adsorbent in the loading process are then eluted (released) from the adsorbent along with lesser amounts of contaminants by passing an eluent (clean water) through the DLE columns. The elution produces a lithium chloride solution (eluate) that contains over 95% of the lithium from the feed brine and up to a 99% reduction in the major contaminant ions concentrations. The eluate from the DLE columns is pumped to the eluate reverse-osmosis (ERO) stage. The lithium-depleted brine is directed to the lithium-depleted brine treatment area prior to reinjection.

 

17.4.3Lithium Chloride Purification and Concentration

 

17.4.3.1Eluate Reverse Osmosis (ERO)

 

The ERO area aims to concentrate the eluate by reverse osmosis. Eluate (raw lithium chloride solution) from the LSS DLE system is filtered and cooled before being pumped to the reverse-osmosis membranes, which operates with a feed pressure of 500 to 600 psig and provides the initial separation of water from the eluate. The eluate is concentrated through multiple stages of reverse-osmosis membranes operating up to 1,200 psig for final separation of the water and lithium chloride (along with other ions) in the eluate.

 

The pressures applied in the reverse-osmosis membranes allow only clean water from the eluate to pass through the membranes under the applied pressures and leave the salts (ions) in the concentrate. The concentrated eluate (ERO concentrate) produced is expected to have a lithium concentration of over 3,000 mg/L and similarly increased concentration of contaminants. The ERO concentrate is pumped to the softening area and the ERO permeate is reused as eluent in the DLE process.

 

17.4.3.2Softening (Ca/Mg)

 

The softening area is designed to remove most of the calcium (Ca) and magnesium (Mg) ions present in the ERO concentrate (lithium chloride solution).

 

The concentrated eluate from the ERO stage is dosed with sodium hydroxide (NaOH) and soda ash (Na2CO3) solutions to precipitate magnesium ions as magnesium hydroxide [Mg(OH)2] and calcium ions as calcium carbonate (CaCO3) in stirred reactor tanks. The slurry from the reactor tanks is pumped to the clarifier. Flocculant is added to agglomerate the finer solids in the slurry to improve their settling rate1. The clarifier overflow is pumped through a polishing filter to remove any remaining fine suspended solids before being sent to the ion-exchange (IX) area. The clarifier underflow is fed to the filter press where it is filtered, dewatered and washed producing a filter cake of mainly CaCO3 and Mg(OH)2 solids. The filtrate is pumped back to the clarifier and the solid is dissolved and transferred to the lithium-depleted brine treatment area. Any carbon dioxide evolved by mixing is sent to the CO2 recovery system.

 

 

 

1 Flocculant use will depend on the selection of the filter press solids disposal alternative and the reliability of the re-injection operation.

 

South West Arkansas ProjectPage 123
  
NI 43-101 Technical Report & Definitive Feasibility StudyOctober 14, 2025

 

 

 

17.4.3.3Ion Exchange (Ca/Mg/B)

 

The ion exchange (IX) area is intended to minimize the traces of calcium (Ca), magnesium (Mg) and boron (B) remaining in the brine by employing selective ion exchange resins packed in columns.

 

Softened lithium chloride brine from the softening area is pumped through a candle filter to the Ca/Mg IX columns. As the brine passes through the columns, it encounters selective resins, which capture calcium and magnesium ions from the brine. After the resin becomes loaded (saturated with calcium and magnesium ions), the loading step stops and the ion-exchange resin is eluted and regenerated. Brine that has been purified through the Ca/Mg IX columns is pumped to the B IX columns, where the brine is contacted with selective resins that capture boron, using the same operating principles as for the Ca/Mg IX columns. The purified brine is pumped to the OARO system.

 

17.4.3.4Osmotically Assisted Reverse Osmosis

 

The OARO area aims to concentrate the treated lithium chloride brine after IX by reverse osmosis. Treated lithium chloride brine from the IX process is filtered and cooled before being pumped to the OARO stages obtaining a concentrated (high TDS) lithium chloride solution. The OARO concentrate is pumped to the mechanical evaporation area. The system uses higher permeate TDS to lower osmotic pressure difference across the membranes, enabling efficient lithium chloride brine concentration up to 186,000 mg/L at 1,100 to 1,200 psig. The permeate is reused as eluent in the DLE process.

 

In the OARO process, energy recovery devices are used to capture and reuse the pressure energy from the concentrated stream in the reverse osmosis process, significantly reducing overall energy consumption.

 

17.4.3.5Mechanical Evaporation and Sodium Chloride Crystallization

 

The mechanical evaporation-crystallization area is designed to evaporate the water from the concentrated lithium chloride brine coming from the OARO and crystallizes sodium chloride out of the lithium chloride brine due to its saturation.

 

The concentrated lithium chloride brine from the OARO system is pre-heated and fed into the evaporator brine sump where it is mixed with the recirculated concentrated brine. The recirculation pump moves the brine to a distributor plate which distributes it into the tubes, and then, brine flows downwards by gravity as a thin film along the inner walls of the tubes. Heat transfer through the tube walls causes the brine to boil within the tubes and the resulting brine and vapour mixture exits the bottom of the tubes, where they separate. The concentrated brine flows to the brine pool, where it mixes with the feed and is recirculated to the top. The vapour flows through the top of the evaporator to the two mechanical vapor recompression (MVR) fans increasing its pressure and then flows to the shell side of the evaporator heat exchanger, where it condenses. The condensate is recirculated to the process to be used as part of the eluent in the LSS DLE system.

 

The concentrated solution obtained in the evaporator is heated up close to sodium chloride saturation temperature before entering the crystallizer vapour body where crystallization of sodium chloride occurs. As the brine slurry becomes supersaturated, salts crystallize from the solution, and crystals are continuously formed within the brine slurry in the crystallizer body before entering the recirculation pump. The formed sodium chloride slurry is sent to a centrifuge where the sodium chloride crystals are continuously removed as discarded salts. Sodium chloride crystals are discharged to the repulping tank where the salts are dissolved obtaining a saturated sodium chloride solution that is pumped to the lithium-depleted brine treatment area. The concentrated lithium chloride brine (centrate discharging from the centrifuge) is pumped to the carbonation area.

 

South West Arkansas ProjectPage 124
  
NI 43-101 Technical Report & Definitive Feasibility StudyOctober 14, 2025

 

 

 

17.4.4Lithium Carbonate Conversion

 

The lithium carbonate conversion circuit will be subject to vendor information and selection in the following stage of design. The lithium carbonate conversion process described below is a base case design from Ausenco.

 

17.4.4.1Carbonation

 

The carbonation area is required to obtain lithium carbonate from the hot concentrated lithium chloride brine (centrate). The concentrated lithium chloride brine from the evaporation-crystallization stage is filtered before passing through a set of heat exchangers to raise its temperature. Soda ash solution is filtered to avoid introducing additional solids that would precipitate in the carbonation process and potentially contaminate the product. The hot concentrated brine is mixed with the filtered soda ash solution in three stirred carbonation reactors. The slurry produced in the carbonation reactors, solid Li2CO3 with impurities such as magnesium carbonate and calcium carbonate, is fed to a centrifuge obtaining strong mother liquor (centrate) and crude Li2CO3 (solid). The strong mother liquor is pumped to the neutralization area, with a portion recycled back to the softening area to recover lithium from this stream.

 

The crude Li2CO3 discharges into the repulping tank, where it is mixed with hot demineralized water under constant agitation to promote the dilution of the cake impregnation and to achieve a near-zero contaminant contribution in the following centrifuge stage. The crude carbonate slurry is fed to a second centrifuge where the solid phase of the slurry is separated from the liquid phase, and the solid phase is washed with hot demineralized water, displacing 99% of the mother liquor that was impregnated in the solid. After separation and washing, a weak mother liquor (liquid weak centrate) and crude Li2CO3 are obtained from the centrifuge. Weak mother liquor is pumped to the reagent area to reduce water requirement in the soda ash solution preparation and recover the diluted lithium that was separated from the cake. The crude Li2CO3 solid is conveyed to the bicarbonation reactors in the next process stage.

 

17.4.4.2Neutralization

 

The neutralization area aims to lower the pH of the strong mother liquor by dosing hydrochloric acid (HCl), making the solution suitable for recirculation to the DLE stage, where lithium is recovered as lithium chloride. The strong mother liquor from the carbonation stage is pumped into three stirred reactors in series where diluted HCl (10%) is added to decrease the pH to a level suitable for the DLE. The neutralized mother liquor obtained in the reactors is pumped to the CO2 stripping tower, where low-pressure steam is added to strip the CO2 produced by the neutralization reactions. From the stripping tower the neutralized mother liquor is pumped to a tank and then recirculated to the brine degassing area. The separated CO2 from the stripping column, together with the CO2 produced in the reactors, is sent to the CO2 recovery system.

 

South West Arkansas ProjectPage 125
  
NI 43-101 Technical Report & Definitive Feasibility StudyOctober 14, 2025

 

 

 

17.4.4.3Li2CO3 Purification

 

Li2CO3 purification area comprises bicarbonation, ion exchange (IX), and decarbonation stages, along with a CO2 recovery system. These are described in the following subsections.

 

17.4.4.3.1Bicarbonation

 

In the bicarbonation stage, the insoluble crude Li2CO3 from the carbonation process is converted to soluble lithium bicarbonate (LiHCO3) by reacting the Li2CO3 with CO2 in pressurized reactors. The crude Li2CO3 obtained in the carbonation process is conveyed to the first reactor, where it is mixed with demineralized water and decarbonated mother liquor. The decarbonated mother liquor is cooled in a closed system using heat exchangers and a chiller prior to mixing. Recycled CO2 from the CO2 recovery system and a make-up of fresh CO2 are added to the pressurized reactors producing soluble LiHCO3. Insoluble solids accompany the reaction product and remain in the solid phase, allowing them to be filtered out from the lithium bicarbonate (LiHCO3) solution, which is then pumped to the bicarbonation IX stage to continue with the purification process.

 

17.4.4.3.2Bicarbonation Ion Exchange (Ca/Mg)

 

The bicarbonation IX stage is intended to minimize the traces of calcium (Ca) and magnesium (Mg) remaining in the lithium bicarbonate solution by employing selective ion exchange resins packed in columns.

 

The lithium bicarbonate (LiHCO3) solution from the bicarbonation stage contains calcium and magnesium impurities that were present with the soda ash added in the carbonation process. The LiHCO3 solution is filtered and then pumped to the Ca/Mg bicarbonation IX columns. As the brine passes through the columns, it encounters selective resins, which capture calcium and magnesium ions from the brine. After the resin becomes loaded (saturated with calcium and magnesium ions), and before contaminants break through into the product, the loading step stops and the ion exchange resin is eluted and regenerated. Lithium bicarbonate that has been purified through the bicarbonation Ca/Mg IX columns is pumped to the decarbonation stage to continue with the purification process.

 

17.4.4.3.3Decarbonation

 

In the decarbonation stage, the lithium bicarbonate solution is heated promoting the precipitation of the target product battery-quality lithium carbonate. The polished LiHCO3 solution obtained from the bicarbonation IX stage is recirculated from the decarbonation reactors through medium-pressure-steam heat exchangers, promoting the precipitation of Li2CO3. Condensate from the heat exchangers is collected in a tank and pumped to the LSS DLE stage.

 

A slurry of Li2CO3 crystals with residual unconverted LiHCO3 from the decarbonation reactors is fed to the thickener, obtaining a solution with lithium as overflow and a settled precipitate Li2CO3 as underflow. The underflow is pumped to the centrifuge where the Li2CO3 crystals are dewatered and washed obtaining strong mother liquor and wet lithium carbonate (Li2CO3) (solid wet product). The mother liquor is mixed with the thickener overflow, and the mixture is recycled to the bicarbonation stage. The wet Li2CO3 is conveyed to the product handling area.

 

South West Arkansas ProjectPage 126
  
NI 43-101 Technical Report & Definitive Feasibility StudyOctober 14, 2025

 

 

 

17.4.4.3.4Carbon Dioxide Recovery

 

The carbon dioxide recovery system is a process package that recovers CO2 generated during the softening, neutralization, bicarbonation, and decarbonation stages for reuse within the process. The recovered CO2 is sent to the bicarbonation reactors in the purification area to react with the insoluble Li2CO3 producing soluble LiHCO3.

 

17.4.4.4Drying and Micronizing

 

The product handling area is responsible for preparing the battery-quality Li2CO3 from the decarbonation stage to meet the physical market specifications, moisture content and particle size distribution. This area includes the final steps of product drying and micronizing.

 

Wet lithium carbonate cake from decarbonation stage is dried to remove moisture from the crystal solids in an indirect heated rotary dryer, heated by natural gas combustion. The dryer heats the lithium carbonate and evaporates water to reduce the moisture content to <0.2 wt%. Dry crystalline Li2CO3 product is sized by micronizing to achieve the defined battery quality crystal size (D50: ~5 μm and max. 40 μm) using the principle of high-velocity impact between particles The micronized product is transferred to the packaging system.

 

17.4.5Lithium-Depleted Brine Treatment and Reinjection

 

At the lithium-depleted brine treatment area, any remaining solids present in the brine are dissolved. The brine is combined with spent reagent streams from different areas of the CPF. The pH of the combined stream is adjusted to near 5.5 (range is pH 4.5 to 6.0) by adding either NaOH or HCl, as required. The lithium-depleted brine is transported by pipeline back to the wellfield for reinjection.

 

Treated lithium-depleted brine reinjection into the Smackover Formation is feasible because the chemicals used in the unit processes and waste streams are inorganic and contain the same ions as the incoming Smackover brine.

 

17.5Product Handling

 

17.5.1Brine and Sour Gas

 

Pipelines will be used to transport sour gas that is stripped from the brine at the CPF to the third party oil and gas operator.

 

17.5.2Battery-Quality Lithium Carbonate

 

Handling of the product (battery-quality lithium carbonate) takes place in a dedicated dry area, isolated from any reagents, substances, or solutions that could cause contamination. Within this area, the product undergoes quality testing before being packaged in bulk bags and placed on pallets, ready for distribution. The palletized and wrapped bulk bags of the product are then transported by forklift and stored on multi-level racks in the product warehouse, ready for further transportation to customers.

 

South West Arkansas ProjectPage 127
  
NI 43-101 Technical Report & Definitive Feasibility StudyOctober 14, 2025

 

 

 

17.6Energy, Water, and Process Materials Requirements

 

17.6.1Power

 

The power supply for the different areas of the project will be provided by an electrical system powered by a natural gas–fuelled generation plant. The overall power demand of the project is 40 MW as presented in Table 17-2. For further details of site power generation and power distribution refer to Sections 18.6.3.2 and 18.6.6.3.

 

Table 17-2: Site Power Generation

 

Parameter P (kWe)
Central Processing Facility 20,382
Wellfield Loads, total 19,626
Total 40,008
Generator Size 42,400

 

17.6.2Water

 

17.6.2.1Well Pad Facility Water Requirements

 

Fresh water is required at each well pad to support drilling operations for both production and disposal wells, as well as to enable chemical injection for maintaining well integrity after completion. Two freshwater supply wells will be installed at each well pad to meet the anticipated water demand. Estimated freshwater consumption during drilling activities is approximately 28.4 m³/h (125,041 gpm) per well. For ongoing chemical injection during production, freshwater usage is projected at approximately 0.9 m³/h (3.96 gpm) per well.

 

Potable water is not required at the well pad facilities. Well pads will be equipped with a self-contained eyewash station that will not require a dedicated potable water supply.

 

17.6.2.2Total Project Water Requirements

 

The total projected fresh water requirement for the project, based on the process plant design, is 3,170,000 m3/a (2,570 ac-ft). Fresh water will be supplied from several submersible well pumps in wells drilled on the CPF site.

 

Fresh water is needed to produce various types of water, including process, demineralized, cooling, seal, fire, and potable water. Treated, deionized water is essential in several unit process, such as for the DLE elution stage, but also in preparing and diluting reagents, in the ion exchange operation, and in washing the centrifuge cakes. The process plant design incorporates water recovery and recycling, reducing the total water requirement. Additionally, potable water is required for facilities and safety showers, while untreated water is used for plant washdown, dust control, irrigation, and fire suppression.

 

South West Arkansas ProjectPage 128
  
NI 43-101 Technical Report & Definitive Feasibility StudyOctober 14, 2025

 

 

 

17.6.3Reagents

 

The main reagents required in the lithium carbonate production process are listed in Table 17-3.

 

Table 17-3: Reagents

 

Reagent Description Chemical Formula Annual Consumption (t/a)
32% Hydrochloric Acid HCl 40,560
Hydrogen Peroxide H2O2 1,520
50% Sodium Hydroxide (Caustic Soda) NaOH 15,470
Sodium Carbonate (Soda Ash) Na2CO3 50,380
Carbon Dioxide CO2 2,180

 

Flocculant consumption is not shown because its use in the process has not yet been confirmed. Flocculant use will depend on selection of the filter press solids disposal and the reliability of the re-injection operation. If required, the amount of flocculant needed is not significant compared to the other reagents listed.

 

There are a variety of water treatment and specialty reagents used in the CPF unit processes that have lower annual consumption rates than the process reagents in Table 17-2 based on vendor specifications. Chemicals that may be used for clean-in-place of reverse-osmosis, ultrafiltration, seawater reverse osmosis, and the OARO system include common cleaning agents and pH adjusters. For potable water treatment, disinfectants and oxidation agents are typically used. Cooling water treatment often involves microbial inhibitors, corrosion preventatives, and scale control chemicals. Steam boiler feed water treatment requires corrosion inhibitors, oxygen scavengers, and scale control substances to maintain system integrity.

 

South West Arkansas ProjectPage 129
  
NI 43-101 Technical Report & Definitive Feasibility StudyOctober 14, 2025

 

 

 

18Infrastructure

 

18.1Introduction

 

The infrastructure plan for the South West Arkansas Project encompasses the development of a CPF designed to produce 22,500 t/a of battery quality lithium carbonate. The CPF will be supported by a network of brine supply and injection wells, as well as approximately 38 km (24 miles) of underground fiberglass pipelines to transport brine to and from the processing facility.

 

This section provides an overview of the planned infrastructure for the project, detailing the design and integration of facilities essential for the extraction, processing, and transportation of lithium products, as well as providing information on utilities, access, and environmental management.

 

The project includes the following physical areas: (1) brine supply and injection wellfield; (2) CPF; (3) utilities. The site infrastructure layout showing the location of exploration wells and the CPF is provided in Figure 18-1.

 

Figure 18-1: Central Processing Facility Location

 

 

 

Source: Standard Lithium (2025).

 

South West Arkansas ProjectPage 130
  
NI 43-101 Technical Report & Definitive Feasibility StudyOctober 14, 2025

 

 

 

18.2Site Access

 

The main access to the project site is via state Highway AR-29 (Figure 18-1). A 7-mile (11.3 km) road connects the highway to the project site. The extensive state- and nation-wide rail network is accessible to project site as well.

 

Each well pad facility will be accessible by vehicle for construction, drilling, maintenance, and operations. Well pads that are adjacent to existing public roadways will have new entrances constructed as required to facilitate access from the roadway. Well pad facilities that are not adjacent to an existing public roadway will be accessible via improved roads built within the pipeline and overhead electrical distribution rights-of-way. The pipelines and valve stations will be accessed via the rights-of-way from multiple road access points.

 

Entrance to the CPF is from the southwest corner of the fenced area, which includes light vehicle and heavy vehicle access, as shown in Figure 18-5. Within the project site, a 24 ft (7.3 m) wide dedicated roadway provides access to the administration and process area for site personnel, visitors, and maintenance vehicles.

 

The product trucks can access the loading area via 30 ft (9.1 m) wide dedicated roadways. The product trucks will use the common access road to the project.

 

18.3Wellfield and Pipeline Built Infrastructure

 

18.3.1Wellfields and Pipelines

 

Each well pad facility will occupy approximately 6 hectares (15 acres) and be fully graded and sloped to meet operational and environmental requirements. Pads will be enclosed with perimeter fencing for security and surrounded by containment berms to mitigate the risk of spill release. Facilities will include process equipment, an electrical and controls building, an electrical substation, and two freshwater wells.

 

The project scope includes the construction of a new 69 kV overhead electrical transmission network originating from the CPF and supplying power to each well pad. This transmission system will share the rights-of-way with the pipeline corridors and will utilize a combination of metal and wooden poles.

 

Pipeline infrastructure will facilitate the transport of liquids and gas between the well pads, the CPF, and a tie-in point with a local third party oil and gas operator. Pipelines will be installed underground within the right-of-way, with above-ground valve sites strategically located near road access points and adjacent to well pads in remote areas. Pipelines will be installed underground in approximately 21.7 km (13.5 miles) of rights-of-way (RoW) with above-ground valve stations to support isolation near well pads and creek/river crossings.

 

The well pad locations in relation to the CPF and one of the major local employer’s Mission Creek’s most proximate sour gas treatment facility are shown in Figure 18-3. A general layout of the CPF is provided in Figure 18-4.

 

South West Arkansas ProjectPage 131
  
NI 43-101 Technical Report & Definitive Feasibility StudyOctober 14, 2025

 

 

 

Figure 18-2: Well Pad Locations

 

 

Source: HGA (2025).

 

18.3.1.1Wellfield Power and Electrical

 

The power for the well pad facilities is anticipated to be supplied by a gas turbine generator located at the CPF. A 69 kV overhead transmission line will provide power to each of the well pad facilities. Each well pad facility will include a small substation for 69 kV line termination and transformation to facility voltage level. In case of supply interruptions, an uninterruptible power supply (UPS) will be utilized for control power.

 

South West Arkansas ProjectPage 132
  
NI 43-101 Technical Report & Definitive Feasibility StudyOctober 14, 2025

 

 

 

18.3.1.2Wellfield Water Supply

 

The well pads require fresh water for drilling the production and disposal wells, as well as for chemical injection to maintain the completed wells (refer to Section 17.3). Two freshwater wells will be drilled at each well pad to provide the required water volume. A freshwater holding tank is included at each well pad with an immersion heater to ensure water supply during freeze events.

 

No potable water systems or water treatment infrastructure are planned for installation at the well pad facilities.

 

18.4Central Processing Facility Built Infrastructure

 

Table 18-1 lists the buildings and facilities required for the operation of the CPF.

 

Table 18-1: Buildings and Facilities

 

Building / Facility Building Construction Type Area (ft2) Area (m2)
Ultrafilter Building Pre-engineered metal building 23,100 2,146
Direct Lithium Extraction Roof Open-sided steel structure 44,545 4,138
Brine Softening Filter Roof Enclosed steel structure 1,728 161
Lithium Carbonate Drying, Micronizing, and Packaging Enclosed steel structure 7,998 743
Product Warehouse Pre-engineered metal building 20,000 1,858
Product Warehouse Office One-story modular office building 576 54
Reagents Warehouse Pre-engineered metal building 900 84
Maintenance and Warehouse Building Pre-engineered metal building 10,400 966
Administration, Engineering, First Aid, and Changehouse One-storey modular office building 6,480 602
Lab Building One-storey modular laboratory building 4,200 390
Security Gatehouse One-storey modular office building 940 87
Maintenance and Warehouse Office One-storey modular office building 1,410 131
Warehouse Conditioned Storage Room One-storey modular storage building 560 52
Electrical Room 1 One-storey modular electrical room 2,524 234
Electrical Room 2 One-storey modular electrical room 1,715 159
Electrical Room 3 One-storey modular electrical room 1,129 105
Process Plant Main Control Room One-storey modular control room 280 26
Substation Control Room One-storey modular control room 475 44
Reverse-Osmosis (RO) Building Pre-engineered metal building 43,016 3,996
Carbonation, Decarbonation, and CO2 Recovery Building Pre-engineered metal building 34,800 3,233
Neutralization, Bi-Carbonation and IX-2 Building Pre-engineered metal building 15,525 1,442
Tornado Shelter 1 Precast concrete tornado shelter 231 21
Tornado Shelter 2 Precast concrete tornado shelter 231 21
Tornado Shelter 3 Precast concrete tornado shelter 231 21

 

South West Arkansas ProjectPage 133
  
NI 43-101 Technical Report & Definitive Feasibility StudyOctober 14, 2025

 

 

 

18.4.1Central Processing Facility Infrastructure

 

18.4.1.1Central Processing Facility Area Buildings

 

The buildings and facilities listed in Table 18-1 were designed based on their use and the geography, climate, and seismicity of the area. Major buildings and facilities are described below:

 

·Brine Preparation – Insulated building for ultrafiltration equipment with concrete floors, LED high bay lighting, with cooling and heating provided via heat pumps. Includes one rolling steel door for equipment and two access doors for personnel.

 

·Lithium Extraction – Open structure for direct lithium extraction equipment with concrete floors and LED high bay lighting.

 

·Lithium Purification / Concentration – Insulated building for reverse osmosis equipment with concrete floors, LED high bay lighting, with cooling and heating provided via heat pumps. Includes three rolling steel doors for equipment and five access doors for personnel. Insulated enclosure for filter press equipment with checker plate floors on the second level, LED high bay lighting, and a monorail for equipment maintenance.

 

·Lithium Conversion – Insulated building for carbonation, decarbonation, and CO2 recovery equipment with concrete floors, LED high bay lighting, with cooling and heating provided via heat pumps. Includes one rolling steel door for equipment and two access doors for personnel. Neutralization, bi-carbonation, and ion exchange equipment located in a separate insulated building with concrete floors, LED high bay lighting, with cooling and heating provided via heat pumps. Includes one rolling steel door for equipment and two access doors for personnel.

 

·Product Handling – Insulated enclosure for drying, sizing, and packaging equipment with LED high bay lighting. Battery grade lithium product to be stored in insulated warehouse for with concrete floors, LED high bay lighting, cooling and heating provided via heat pumps, and a loading dock with four bays.

 

18.4.2Foundation Conditions and Site Preparation

 

18.4.2.1Geotechnical Conditions

 

The subsurface conditions in Lafayette County, southwestern Arkansas, are characterized by a combination of ancient marine deposits and recent alluvial sediments shaped by the dynamic influence of the Red River and other surrounding fluvial systems. According to the U.S. Geological Survey, the geology of the area primarily consists of Cenozoic Era sediments, with deposits from both the Tertiary and Quaternary periods. These sediments are predominantly fine-grained materials, such as clay, silt, and sands.

 

Geotechnical investigations, including drilling, have revealed a heterogeneous stratigraphy. The upper 25 ft (7.6 m) of soil consists mainly of alternating layers of clay and silt, with organic material identified up to a depth of 7.5 ft (2.3 m) underlain by 20 ft (6.1 m) thick layer of silty sands and sands with silt, the clay and silt were encountered up to depths of around 85 ft (25.9 m) and while at greater depths, predominantly fine to coarse sands and sandy gravels were encountered.

 

South West Arkansas ProjectPage 134
  
NI 43-101 Technical Report & Definitive Feasibility StudyOctober 14, 2025

 

 

 

Groundwater was observed at depths ranging from 28.5 (8.7 m) to 39.0 ft (11.9 m) below the existing ground surface.

 

The blow count data, indicate the presence of silt and clay of a stiff to very stiff consistency, with dense to very dense sands and gravels and occasional layers of very soft to soft clays.

 

The geotechnical findings are consistent with the geological survey, confirming that the subsurface materials in Lafayette County align with the Cenozoic Era sediments, which are predominantly fine-grained, including clay, silt, and sands. The drilling results did not encounter bedrock within the depths drilled (up to 85 ft / 25.9 m).

 

18.4.2.2Site Preparation

 

The upper 10 ft (3.0 m) to 30 ft (9.1 m) of clay has high swelling potential. To minimize the risk of swelling and provide proper site drainage, the graded ground surface will be covered by 1 ft (0.3 m) to 2 ft (0.6 m) of imported granular material and a network of perimeter trenches will be installed.

 

Given the nature of the terrain, piling is required for foundations. Two types of driven steel piles were selected to support the foundations for equipment and buildings.

 

18.4.3Accommodation

 

There are no accommodations or camps on site. The project considers that the workers will be accommodated in the nearby towns and cities.

 

18.5Ponds

 

Stormwater runoff will be collected by open ditches and conveyed to the stormwater pond in the southwest corner of the property. The stormwater pond is lined, and the water collected will be tested to meet environmental criteria prior to release to the environment. The stormwater pond has been designed with dimensions of 650 ft (198.1 m) by 300 ft (91.4 m) and has a capacity of 75,000 yd3 (57,342 m3) to accommodate precipitation flood events from a 1-in-100-year storm.

 

18.6Support Services

 

18.6.1Transportation

 

Product transportation will be by truck. The product trucks access to loading area are 30 ft (9.1 m) wide dedicated roadways. Loading area elevation is 4 ft (1.2 m) below the loading dock and will be suitable for multiple trucks for loading and manoeuvring.

 

18.6.2Reagents

 

Chemicals and reagents required for operation and maintenance of the CPF will be received via truck unloading stations and stored within containment areas, segregated as required to avoid adverse mixing in common drains.

 

South West Arkansas ProjectPage 135
  
NI 43-101 Technical Report & Definitive Feasibility StudyOctober 14, 2025

 

 

 

These include, but are not limited to, the following:

 

·sodium hydroxide (NaOH) – delivered as 50%

 

·hydrochloric acid (HCl) – delivered as 32%

 

·hydrogen peroxide (H2O2) – delivered as 34%

 

·sodium carbonate (Na2CO3) – soda ash

 

·sodium hypochlorite (NaOCl)

 

·flocculant (specifics to be determined)

 

·liquid carbon dioxide (CO2).

 

18.6.3Utilities

 

18.6.3.1Natural Gas

 

Natural gas will be supplied to the plant via a pipeline provided by others, entering the facility at the designated battery limit. The gas will be distributed to the following systems, which have a combined demand of approximately 10.2 million standard cubic feet per day (SCFD) (28,883 m3/d):

 

·steam boiler

 

·lithium carbonate dryer

 

·gas turbine generator.

 

18.6.3.2Electrical System Demand

 

18.6.3.2.1Well Pad Electrical Demand

 

Table 18-2 lists the estimated power requirements for each well pad facility and the total for all well pads. Note that Pad C will not be installed until at least year 8 of the project.

 

Table 18-2: Well Pad Facility Electrical Requirements

 

Well Pad Facility Supply Well
Count
Injection Well
Count
Total Connected Load
(kVA)
Estimated Peak Operating Load
(kVA)                                (kW)
A 3 4 5,401 4,260 4,039
B 3 3 4,840 3,905 3,704
C 2 2 3,450 2,767 2,621
D 3 3 5,157 4,182 3,965
E 5 0 6,078 5,584 5,297
Total 14 10 24,926 20,698 19,626

 

South West Arkansas ProjectPage 136
  
NI 43-101 Technical Report & Definitive Feasibility StudyOctober 14, 2025

 

 

 

18.6.3.2.2CPF Electrical Demand

 

The installed electrical load at the CPF is 30.9 MW while peak operating demand is estimated at 20.3 MW. A single 50/60/70 MVA, oil-filled, step-up power transformer will be installed in the outdoor substation. This transformer is sized to meet the plant’s full power demand during initial operations. It will be connected to an air-insulated bus, enabling straightforward interconnection with the utility grid. The outdoor substation has the capacity to accommodate future increases in power demand.

 

The normally open air break switch will be installed in line with the bus to facilitate a utility tie-in. This tie-in is located on the opposite side of the substation. In the event the transformer is taken out of service, the normally open switch can be closed, allowing the utility to supply the plant’s full process load.

 

Given the availability of the utility backup through this tie-in, a second gas generated turbine (GTG)—see Section 18.6.3.3—was not included in the power plant design. Only one main power transformer is included due to ongoing negotiations with the local power authority. Redundancy inside the substation would be accomplished with this future connection. The substation will also include four banks of power factor correction equipment; each rated at 4 MVAR.

 

Emergency power for process plant critical loads will be provided by on-site diesel-powered generators. The emergency generators will be connected to the 13.8 kV switchgear housed within the primary load centre enclosure at the substation.

 

18.6.3.3Site Power Generation

 

The project currently lacks an electrical connection to the grid, and the application and implementation process to establish service through the Southwest Arkansas Electric Cooperative is capacity constrained. Given this constraint, it will not be possible to implement a grid connection to support the startup of the wellfields and the CPF.

 

As a result, the project plans to construct a new gas turbine-based power plant to meet all electrical power requirements for Phase 1 (Table 18-3).

 

Table 18-3: Site Power Generation

 

Parameter P (kWe)
Central Processing Facility 20,382
Wellfield Loads, Total 19,626
Total 40,008
Generator Size 42,400

 

South West Arkansas ProjectPage 137
  
NI 43-101 Technical Report & Definitive Feasibility StudyOctober 14, 2025

 

 

 

18.6.3.4Power Distribution

 

The switchgear will be supplied via cable circuits from the plant’s primary 13.8 kV switchgear. All other process and non-process plant loads will be powered via 4160 V and 480 V motor control centres (MCCs) housed within electrical rooms strategically located throughout the plant area.

 

Power to the electrical rooms will be supplied by resistance-grounded, secondary substation-type, oil-filled distribution transformers located adjacent to the respective electrical room. All electrical rooms will be adequately rated for the environment and outfitted with lighting and small power transformers, distribution boards, uninterrupted power supply (UPS) systems, fire alarm and detection, and HVAC systems. Grounded pad-mounted transformers will be used to step down the voltages at the administration building, gatehouse and security, workshops and warehouse areas. Power will terminate at the local 480 V or 208 V distribution boards.

 

18.6.3.5Fuel

 

Diesel storage and dispensing will be installed exterior to the CPF for use by light vehicles on site.

 

18.6.3.6Compressed Air

 

Compressed air will be supplied by two air compressors, each rated at 1,579 CFM (2,683 m3/h) and 300 hp (224 kW). A refrigeration dryer system will be included to control moisture content. The compressed air will be used for the following:

 

·instrument air

 

·process air

 

·scour air for filter.

 

18.6.3.7Sewage Treatment

 

Sewage generated onsite will be collected and conveyed to an on-site sewage treatment plant primarily via gravity mains. Where gravity flow is not feasible, forcemains will be utilized to transport sewage to the plant. The sewage treatment plant will employ a membrane bio-reactor (MBR) system to treat raw sewage prior to discharging it in accordance with the site’s NPDES permit, producing two distinct streams: treated effluent and waste sludge. The expected battery limits for the plant are defined as the inlet flange for raw sewage and the outlet flanges for the effluent and outlet flange of the sludge holding tank.

 

The sewage treatment plant is designed for an average daily treatment capacity of 5,100 gallons per day (23.2 m3/d). This volume includes sewage generated by the design population of 100 personnel at a sewage generation rate of 35 gallons (132.5 l) per person per 8-hour shift in accordance with the Arkansas State Board of Health’s on-site wastewater system rules. It is estimated that the sewage treatment plant will generate approximately 153 gallons (579.2 l) per day of waste sludge which will be temporarily stored in a holding tank prior to disposal off site. Treated effluent will be discharged to stormwater runoff.

 

South West Arkansas ProjectPage 138
  
NI 43-101 Technical Report & Definitive Feasibility StudyOctober 14, 2025

 

 

 

18.6.3.8Sour Gas Transfer

 

Dilute sour gas containing hydrogen sulphide is produced in the degassing stage in high volumes because of air stripping. This is normally removed via the scrubbing system and converted into aqueous chemicals that will be discharged into the effluent tank. A bypass line upstream of degassing is included to send brine directly into the effluent tank if the CPF needs to be bypassed. In this case, sour gas will evolve in the effluent tank and will be redirected to the scrubbing system for treatment.

 

18.6.3.9Cooling Water

 

Conventional evaporative cooling towers are used to cool the following streams in the CPF:

 

·closed heat exchange loop to cool incoming degassed brine

 

·utility cooling water provided to the bicarbonation stage

 

·reverse osmosis systems for stream temperature adjustment

 

·CO2 recovery and recompression system

 

·lithium carbonate product dryer.

 

18.6.3.10Steam Boilers

 

The CPF will be equipped with a natural-gas-fired boiler unit to provide approximately 62,000 lb/h (38 m3/h) of low- and medium- pressure steam to the plant. The steam will primarily be used in the following:

 

·Medium pressure steam:

 

osodium chloride crystallizer

 

ocarbonation and decarbonation systems

 

·Low pressure steam:

 

osoda ash preparation system

 

omother liquor neutralization system

 

ovarious periodic maintenance activities.

 

South West Arkansas ProjectPage 139
  
NI 43-101 Technical Report & Definitive Feasibility StudyOctober 14, 2025

 

 

 

18.6.3.11Carbon Dioxide

 

The CPF will have two carbon dioxide systems, as described below:

 

·The carbon dioxide recovery system captures, conditions and recompresses carbon dioxide evolved from the bicarbonation, decarbonation, and neutralization stages. The recycled carbon dioxide is sent back to the bicarbonation stage to be incorporated into the process reaction.

 

·The carbon dioxide supplemental make-up system receives and stores liquid carbon dioxide delivered by truck and used to supply the remaining required quantities of carbon dioxide beyond what is provided by the carbon dioxide recovery system.

 

18.6.4Fire Protection

 

18.6.4.1Fire System Layout

 

The project’s firewater system is fed by the process water/firewater tank. While the tank is common between the process water system and the firewater system, the minimum fire water supply volume is maintained by positioning the process water inlet higher than the firewater pump inlet.

 

The firewater system is pressurized by two pumps arranged in a duty-standby configuration. A diesel-powered emergency back-up is included in the pump package. Pressure is maintained in the system when there is no demand for firewater via an electric jockey pump.

 

Firewater is fed to the different buildings on site via a buried 10-inch HDPE fire main loop. Buildings will be supplied sprinkler water via dedicated risers per building. All hydrants are dry type and isolated with buried gate valves.

 

18.6.4.2Fire System Design

 

The project is in a rural area with no access to a municipal/regional watermain. The firewater demand was therefore sized according to NFPA 1142. This is allowable under Section B103.3 of the Arkansas Fire Prevention Code (AFPC) Vol. 1 (subject to approval by the Authority Having Jurisdiction (AHJ)).

 

Fire flow for buildings were determined using the following parameters:

 

·Type II construction is assumed with no defined minimum fire resistance for building elements.

 

·Building separation is sufficient to be considered as separate buildings for fire system design purposes.

 

·Flow reduction factors are applicable for buildings fitted with an NFPA 13-compliant automatic sprinkler systems.

 

·Offices were assigned an Occupancy Hazard Classification (OHC) of 7. Warehouses were assigned an OHC of 4 (listed explicitly in NFPA 1142), with the remaining buildings assigned an OHC of 6.

 

·The power plant, electrical rooms and control rooms were excluded from this analysis, because these buildings will be protected using alternative firefighting systems (e.g., clean agent).

 

South West Arkansas ProjectPage 140
  
NI 43-101 Technical Report & Definitive Feasibility StudyOctober 14, 2025

 

 

 

The largest demand calculated for the project is 391,500 gallons (1,482 m3) for the centrifuge, neutralization, decarbonation and carbon dioxide recovery building. The firewater tank has been designed to meet this requirement. The minimum delivery rate for the design is set at 1,500 gpm (340.7 m3/h), as advised by subject matter experts.

 

18.6.5Security

 

A central security gatehouse will be located at the entrance to the CPF. The security gatehouse will control the flow of vehicles and people in and out of the site. The gatehouse will be a one-storey building of modular construction and will include one closed-circuit television (CCTV) control room with wall-mounted monitors showing different views from the CCTV around the plant. It will also have a waiting area for visitors, a training room for plant inductions, a coffee room, a supply room, a washroom for personnel (with access from and egress to the inside of the building), and one washroom for visitors (with access from and egress to the outside of the building). The property will also be fenced.

 

18.7Telecommunications

 

The plant telecommunications system consists of a private high-speed fibre optic internet service, a cloud-based PBX phone system, a plant wireless system, VHF/UHF radios, a business LAN/WAN, and a process control LAN. A high speed fibre optic cable runs along Highway 29.

 

18.8Water Supply and Management

 

Fresh water supply wells will be designed to supply approximately 1700 gpm (386.1 m3/h) of fresh water to the CPF for process consumption. Field investigations are underway to determine the number of wells required to maintain sustainable aquifer yields at each well location.

 

The fresh and firewater storage tank will store both fresh water and fire water.

 

The main freshwater distribution points consists of the following:

 

·Process water – Process water, as defined here, is fresh water treated in the reverse-osmosis water treatment plant.

 

·Demineralized water – This is the process water from the reverse-osmosis water treatment plant that undergoes a second stage of reverse-osmosis treatment in the demineralized water plant. It is utilized in several stages of the plant, including for reagent preparation, product washing, and steam production.

 

·Make-up water – This is for the following:

 

oSeal water, which is a closed-circuit process water used in most of the pumps and agitators’ mechanical seals.

 

oCooling water, which is a closed-circuit process water that provides cooling for various CPF services requiring temperature reduction of fluids and gases.

 

·Fire Water – This is fresh water that is dedicated for use as fire water.

 

South West Arkansas ProjectPage 141
  
NI 43-101 Technical Report & Definitive Feasibility StudyOctober 14, 2025

 

 

 

·Potable water – This uses process water and the system includes the application of cleaning and disinfection additives, such as sodium hypochlorite, to ensure the water meets safety and quality standards. Additionally, potable water will be heated as required to maintain optimal temperature for its use on safety showers (tempered potable water).

 

The following strategy will be implemented for water management and treatment:

 

·Process Affected Water – This water will go to the surface water treatment and disposal system to be treated and mixed for disposal to the local watercourse. This includes stormwater that has been in contact with process equipment or recovered from spill containments and process areas and washdown water that ends up in drains (unless it is heavily contaminated).

 

·Roadway Runoff Water – Stormwater that falls on plant roadways and vehicle parking areas can contain oil and grease from the vehicles. This stormwater passes through a coalescing oil-water separator to remove grease and oil and then continues to the local watercourse for disposal. It does not need additional treatment. The oil-water separator is cleaned out by a waste contractor and the collected oil, grease, and solids disposed of off site.

 

·Maintenance Shop/Vehicle Washbay and Garage Drains – An oil-water separator is used to remove grease and oil from drains that can be heavily contaminated with oil and grease. The drainage water then is discharged to the surface water treatment and disposal system to be treated and mixed into stormwater for disposal to the local watercourse. The oil-water separator is cleaned out by a waste contractor and the collected oil, grease, and solids disposed of off site.

 

·Plant Drainage Miscellaneous Sumps Pump-out – Various areas around the process plant will have sumps for collection of waste water that will be removed and disposed. The sumps are cleaned out by a waste contractor and the collected liquids and solids disposed of off site.

 

·Sanitary Drains and Sewerage – A sewage treatment plant will treat the water to sufficient quality for direct discharge of treated water to the local watercourse.

 

18.9Comments on Project Infrastructure

 

The reliability and sustainability of yielding water from wells should be examined by field testing to ensure water is available for the life of the plant.

 

Using collected surface runoff in the stormwater pond for injection well make-up water is an opportunity that may need to be considered. This opportunity will need to be included in the permit application.

 

All pipelines and well pad facilities associated with wellfield development are planned as greenfield installations. Based on the results of the desktop studies and field reconnaissance, the proposed infrastructure locations are considered suitable for development using conventional construction techniques.

 

South West Arkansas ProjectPage 142
  
NI 43-101 Technical Report & Definitive Feasibility StudyOctober 14, 2025

 

 

 

Access requirements for each well pad have been incorporated into the overall design to facilitate routine operations and maintenance activities. The decision to construct a 69 kV overhead electrical transmission line was driven by the absence of sufficient existing electrical infrastructure in the project area to support the CPF and associated wellfield operations.

 

The initial construction phase for wellfield infrastructure is anticipated to take approximately 24 to 30 months. The pipeline network and 69 kV electrical transmission line will be constructed concurrently to provide service to all well pads.

 

Well pad construction will be executed sequentially, with the scheduling aligned to meet production ramp-up targets at the CPF. This phased approach allows for optimized resource allocation and progressive commissioning of production capacity.

 

South West Arkansas ProjectPage 143
  
NI 43-101 Technical Report & Definitive Feasibility StudyOctober 14, 2025

 

 

 

19Market Studies and Contracts

 

The following information regarding markets for lithium was provided by Global Lithium LLC (2025).

 

Lithium is central to energy transition yet remains a small, misunderstood market with limited liquidity. Unlike bulk commodities such as iron ore, the lithium industry still lacks mature futures and options for risk management and behaves more like a specialty chemical.

 

Battery-quality lithium carbonate is not a fungible product; specifications vary by producer. Most buyers require rigorous qualification testing before accepting a new supply.

 

19.1Market Studies

 

19.1.1Demand

 

In 2010, global demand for lithium chemicals was less than 100,000 t of lithium carbonate equivalent (LCE), concentrated in industrial applications such as glass, lubricants, air treatment, and organometallics. Lithium-ion batteries were primarily used in portable electronics.

 

By 2020, global demand exceeded 300,000 t LCE, with batteries representing more than 60% of total consumption. Growth has since been driven by electric transportation (EV/HEV), battery energy storage systems (BESS), and other battery-related uses.

 

By 2025, demand is expected to exceed 1.3 Mt LCE. For 2030, iLi Markets, a consulting firm specialized in the lithium industry, projects demand of approximately 3.2 Mt LCE. By 2035, Fastmarkets, a price reporting agency (PRA) in several markets including mining, predicts demand of 3.9 Mt. Future lithium market growth is driven primarily by battery demand.

 

Supply Chain Insights (SCI), a media publication agency focused on Trends, Technology on Supply Chain, Logistics, Warehousing and Transport, projects 2030 battery output of over 4.5 TWh (4,500 GWh), equivalent to more than 3.5 Mt LCE (Figure 19-1).

 

Benchmark Mineral Intelligence projects a 2035 battery demand of 5.7 TWh. All major forecasters remain bullish on lithium demand in the coming decade.

 

The growth of EV sales projected by Fastmarkets in select geographies is shown in Figure 19-2. Battery Energy Storage System (BESS) adoption has also rapidly accelerated since 2022 and is expected to comprise a growing share of battery demand as indicated in Figure 19-1.

 

South West Arkansas ProjectPage 144
  
NI 43-101 Technical Report & Definitive Feasibility StudyOctober 14, 2025

 

 

 

Asia is expected to remain the largest lithium chemical market over the next decade. China currently holds over 70% of global lithium-ion cell production capacity and remains the largest EV market. Korea and Japan are also major battery producers.

 

Figure 19-1: Demand for Li-Ion Cells

 

 

 

Source: Supply Chain Insights (2025).

 

Figure 19-2: EV Sales Forecast by Market

 

 

 

Source: Fastmarkets (2025).

 

South West Arkansas ProjectPage 145
  
NI 43-101 Technical Report & Definitive Feasibility StudyOctober 14, 2025

 

 

 

North American lithium-ion battery capacity is expected to grow substantially in coming years, supported by government programs and US Department of Energy loan guarantees. Europe is similarly expanding its supply chain under the EU Green Deal and Fit for 55 package, although some implementation timelines have recently been adjusted.

 

Battery-quality lithium carbonate remains essential for major cathode chemistries, including lithium iron phosphate (LFP), lithium manganese iron phosphate (LMFP), and nickel-cobalt-manganese types such as NCM523 and NCM622.

 

LFP and LMFP are widely used in mass-market EVs, electric buses, and grid-scale ESS, particularly in China, with adoption expected to accelerate in North America and Europe as costs decline and local supply chains mature.

 

19.1.2Supply

 

Battery-quality lithium carbonate will lead market growth over the next decade, followed by lithium hydroxide. These chemicals are produced primarily from two types of resources, hard rock (spodumene) and brines, although there will be production from sedimentary assets (also referred to as clay) later in this decade. China dominates the conversion of various feedstocks from around the world into lithium chemicals with over 95% of hard rock conversion capacity.

 

Figure 19-3 shows the current mix of sources and projected output for 2035.

 

Figure 19-3: Supply Forecast

 

 

Source: Fastmarkets (2025).

 

The lithium market experienced a shortage in 2021 to 2022, resulting in Chinese battery-quality carbonate spot prices exceeding US$80/kg. High prices triggered a rapid supply response in China, accelerating the development of domestic lepidolite assets in Jiangxi Province and brine in Qinghai. In addition, new hard-rock supply from Africa came on the market alongside higher spodumene exports from Australia.

 

South West Arkansas ProjectPage 146
  
NI 43-101 Technical Report & Definitive Feasibility StudyOctober 14, 2025

 

 

 

By mid-2023, these additions, combined with greater imports of African lithium-bearing ores into China, created an oversupply financed in large part by aggressive strategies from two major Chinese battery producers, CATL and BYD.

 

The two companies, accounting for roughly 55% of global cell output, pursued vertical integration, supporting lithium production even at low or negative margins to secure feedstock, drive down global lithium chemicals pricing, and improve their overall battery economics.

 

Prices below US$10/kg have curtailed investment in many Western projects, where longer development timelines, financing constraints, and regulatory hurdles can slow the pace of new capacity additions compared with the speed of project execution in China.

 

Forecasters, including Fastmarkets, Benchmark Mineral Intelligence, and iLi Markets, project that demand growth will end the oversupply situation between 2026 and 2028, followed by a sustained shortage potentially lasting into the mid-2030s. As shown in the iLi Markets projection (Figure 19-4), the current oversupply is forecast to reverse next year and increase each year to 2030. Benchmark Mineral Intelligence currently forecasts a lithium shortfall beginning in 2028 and growing to over 1 Mt by the end of the next decade.

 

Figure 19-4: Lithium Supply Forecast

 

 

Source: iLi Markets (2025).

 

Currently, Western Australia is the largest global source of lithium. Benchmark Mineral Intelligence forecasts Australian hard rock will provide 33% of the supply in 2025 mostly in the form of spodumene concentrate converted in China to lithium chemicals. China’s domestic supply from hard rock, brine, and other sources will be approximately 20% of the market in 2025, followed by Chile (16%), and Argentina (7%). Other countries, such as Africa, Canada, and the US, will supply 24%.

 

Lithium recycling is expected to remain a minor contributor until at least the late 2030s and is unlikely to materially offset primary supply requirements before the 2040s.

 

South West Arkansas ProjectPage 147
  
NI 43-101 Technical Report & Definitive Feasibility StudyOctober 14, 2025

 

 

 

19.2Commodity Price Projections

 

Lithium carbonate prices have been highly volatile in recent years. After bottoming near US$5/kg in 2020, prices peaked at over US$80/kg on the Chinese spot market in 2022. Ex-China contract prices averaged US$60/kg in 2023 before declining sharply as China brought on both the domestic lepidolite supply and imported spodumene and other lithium-containing minerals from Africa.

 

Figure 19-5 illustrates the volatility of lithium chemical pricing from 2016 to mid-2025. The red line represents the global weighted average carbonate price and the green line the Chinese battery-quality spot price.

 

Figure 19-5: History of Lithium Chemical Pricing

 

 

 

 

Source: Benchmark Mineral Intelligence (2025).

 

Currently, a significant portion of lithium supply is believed to be operating at a loss, which is not sustainable over the long term. Figure 19-6 indicates that prices will need to rise to incentivize capacity additions, particularly outside China.

 

As production tonnes increase, the cost curve rises. Production from what is shown in Figure 19-6 needs to approximately double. Yet, at current pricing, over 40% of production is marginal or losing money.

 

As lower-quality mineral-based capacity is added in the next five years, the right-hand side of the cost curve is expected to increase, supporting higher prices.

 

Another significant factor is that much of the new production in China from lepidolite and certain brines in Western China is under increasing regulatory pressure. On July 1, 2025, China’s revised Mineral Resources Law took effect, closing permitting loopholes that enabled several lepidolite mines in Jiangxi Province and brine operations in Qinghai to operate. As of August 2025, at least eight operating mines are under environmental review, and multiple mines—including one owned by CATL—have temporarily halted production.

 

South West Arkansas ProjectPage 148
  
NI 43-101 Technical Report & Definitive Feasibility StudyOctober 14, 2025

 

 

 

Even before the new rules in China, most forecasters were already projecting the market to move into a sustained shortage in the second half of the decade. While volatility is likely to continue in the short term, structural demand growth and persistent project delays are expected to maintain price support.

 

Figure 19-6: Global 2025 Lithium Cost Curve

 

 

 

Source: Benchmark Mineral Intelligence (2025).

 

19.2.1Price Recommendation

 

Fastmarkets supplied a price projection to 2048, including base, high, and low cases in both nominal and real dollar terms. From 2028 through 2048, real or inflation-adjusted prices average US$22.40/kg. Global Lithium LLC predicts a real average price of US$23.50/kg during the same period, but recommends using a slightly more conservative $22.40/kg for project economics.

 

19.3Contracts

 

The project sponsors have undertaken a comprehensive process to identify potential customers and create a competitive environment to negotiate terms and conditions for the long-term offtake of battery quality lithium carbonate. They are at various stages of progressing negotiations of long-term, take-or-pay offtake agreements with multiple customers in support of securing project debt for the construction of the first phase of the South West Arkansas Project.

 

The sponsors will have in place three to four offtake agreements by the time of a final investment decision for approximately 17,000 to 20,000 t/a of lithium carbonate, representing 75% to 90%. Contracts range from 5 to 10 years and use an internationally recognized third-party lithium price index to determine payment terms. In some instances, the lithium carbonate is sold at a modest discount to the lithium price implied by the price index and in some instances, there is a floor price and ceiling price that apply, restricting the realized sale price per tonne of lithium carbonate to a pricing band or collar.

 

South West Arkansas ProjectPage 149
  
NI 43-101 Technical Report & Definitive Feasibility StudyOctober 14, 2025

 

 

 

The contracts are being negotiated with project financing in mind to ensure the bankability of the agreement terms and conditions.

 

19.4Comments on Market Studies and Contracts

 

The QP has reviewed these analyses and confirmed that the results support the assumptions in the report. Commodity prices are subject to volatility, which can lead to deviations from the forecast.

 

Within the framework of product specification requirements to be sold to the market, quality grade lithium carbonate must meet criteria for moisture, particle size, purity, and low levels of contaminant concentrations. The proposed design addresses the reduction of deleterious elements in quality-grade product. In the first stage, brine received at the CPF is degassed, pH adjusted, filtered, and conditioned in a series of pre-treatment processes in preparation for the DLE process. The DLE technology chosen for the project is LSS, an Aquatech (formerly KTS) proprietary technology, which extracts lithium ions from the brine to produce a raw lithium chloride solution that is low in contaminants. The lithium chloride is then purified through chemical softening and ion exchange and concentrated using reverse osmosis and crystallization to produce a polished and concentrated lithium chloride solution. The concentrated lithium chloride brine enters a conventional carbonation process to produce “crude” lithium carbonate (Li2CO3), which undergoes a product purification process including bicarbonation, ion exchange, decarbonation, and CO2 recovery to obtain battery-quality lithium carbonate (BQ Li2CO3). The lithium carbonate is dried, micronized, and packaged to produce the finished product specification. Table 19-1 presents the specification requirements battery-quality lithium carbonate.

 

Table 19-1: Battery-quality Lithium Carbonate Specification Main Requirements

 

Parameter Units Value
Moisture Weight % < 0.4
Chemical Content    
Lithium Carbonate Purity (Li2CO3) Weight % ≥ 99.5%
Magnesium ppm < 50
Calcium ppm < 50
Boron ppm < 30
Particle Size    
D100 µm 40
D50 µm 6-8

 

South West Arkansas ProjectPage 150
  
NI 43-101 Technical Report & Definitive Feasibility StudyOctober 14, 2025

 

 

 

20Environmental Studies, Permitting, & Social or Community Impact

 

20.1Environmental Considerations

 

On June 27, 2025, a site visit was conducted on selected portions on the project, which included the CPF, several existing exploration well pads, the proposed production well pads, the pipeline rights-of-way (ROWs) and the ROW terminus for the sour gas line. The purpose of the site visit was to review site environmental conditions, assess environmental and permitting issues, and discuss the project details with South West Arkansas Lithium LLC personnel at their office in Lewisville, Arkansas.

 

As of the date of this report, the following assumptions have been used to complete this evaluation:

 

·If necessary, the current pipeline route can be modified (including pipeline borings or rerouting) during detailed engineering phase to minimize impacts to jurisdictional wetlands.

 

·The project will have on-site power generation at the CPF using natural gas delivered by a pipeline to the site.

 

·Authorization for the natural gas pipeline to the CPF will be managed by the natural gas pipeline operator.

 

·Power to the well pads will be provided from the CPF using distribution powerlines located in the same ROWs as the pipelines.

 

·All sour gas will be sent to a third-party operator for disposal.

 

·All criteria air emissions, including on-site power generation, will individually, be less than minor source threshold limits.

 

Construction and operational emissions to air, discharges to surface waters and subsurface waters, and proper management/disposal of solid wastes are regulated by the federal and state agencies to protect the environment while allowing lithium resources to be developed. A discussion of the specific permits, based on project design, is provided in Section 20.2. The South West Arkansas Project was awarded funding via the DOE, which has triggered compliance with the National Environmental Policy Act (NEPA), as outlined in Section 20.2.1.2.

 

20.1.1Baseline and Supporting Studies

 

Baseline environmental studies have been completed for the South West Arkansas Project. Within the CPF area and associated access routes, a cultural resources inventory, threatened and endangered species survey, a Water of the United States (WOTUS) delineation, and Phase 1 Environmental Site Assessment (ESA) have been completed. For the pipelines ROWs and the well pads, a cultural resources inventory, a threatened and endangered species survey, a WOTUS delineation, and review of hazardous materials databases have been completed.

 

South West Arkansas ProjectPage 151
  
NI 43-101 Technical Report & Definitive Feasibility StudyOctober 14, 2025

 

 

 

20.1.1.1Cultural (CPF, ROW, Well Pads)

 

A cultural resources survey of the CPF, pipeline ROWs and production well pads was completed to assess potential impacts from ground-disturbing activities. The records review consisted of an online review of the Automated Management of Archaeological Site Data in Arkansas (AMASDA), resources listed in the Determinations of Eligibility (DOE), National Register of Historical Places (NRHP), the Arkansas Historical Preservation Properties (AHPP), and an examination of historical maps and aerials to identify historical buildings, cultural resources, or cultural resource investigations previously documented in the project area or within 2 km (1.2 mile).

 

The records review indicated no previously recorded archaeological sites, previous cultural resources surveys, NRHP/DOE sites, or AHPP resources are mapped within the APE or within 2 km (1.2 mile). One previous cultural resources survey (AMASDA #1121) came within 250 feet of the northeast corner of the project area. A review of historical maps and aerials depicted no historical resources mapped in the project area or within 2 km (1.2 mile).

 

The field investigation consisted of an intensive pedestrian survey with transects spaced 30 m (100 ft) apart and with staggered shovel tests excavated every 30 m (100 ft). During this survey, 329 shovel tests were excavated to a minimum depth of 30 cm. All shovel tests were negative for cultural resources. Excavated soils are screened through 1/8-inch hardware mesh, apart from heavy clay, which is hand sorted. Shovel tests are not excavated on slopes greater than 25° due to the decreased likelihood of intact buried deposits.

 

No cultural resources were documented during this field survey. No archaeological sites, historical structures, or cultural resources eligible for the NRHP will be impacted by construction of the CPF. No further cultural resource investigations are recommended. In the unlikely event that cultural materials over 50 years of age are encountered during construction, work in the area must cease and the Arkansas State Archaeologist must be notified immediately.

 

20.1.1.2Threatened & Endangered Species (CPF, ROW, Well Pads)

 

A threatened and endangered species assessment was completed for the CPF site and associated access routes, the pipelines ROWs, and the well pads. This species assessment provided a biodiversity overview and an analysis of federally- and state-listed species and sensitive habitats. This report is intended to provide information for use in formal consultation with the United States Fish and Wildlife Service (USFWS) which will occur given the project has a federal nexus with the DOE.

 

The Endangered Species Act (ESA) is a federal law that protects endangered species and their habitat by prohibiting “take” of listed animals and the interstate or international trade in listed animals or plants. Take is defined as “to harass, harm, shoot, hunt, wound, kill, trap, capture, or collect or attempt to engage in any such conduct.” Some states, including Arkansas, also have programs to protect species and sensitive habitats. This evaluation considers both federally- and state-listed species.

 

For this evaluation, the scope and nature of the project considered species potentially present in the project area and predicted effects on these species resulting from the action. This effort included a query of the USFWS Information for Planning and Conservation (IPaC) database and participation in the service’s automated project review system and determination keys. Additionally, a request for state-listed species and sensitive habitat information from Arkansas Natural Heritage Commission (ANHC) was submitted. These efforts helped identify threatened and endangered species and state-listed species and sensitive habitats potentially occurring in or near the project area. This effort was followed by fieldwork covering the proposed project area and access road corridors which was focused on species occurrence, indicators of occurrence, and presence of suitable habitat. All fieldwork was conducted by qualified and experienced biologists familiar with habitats and threatened and endangered species occurring in southwest Arkansas. The project area was also assessed for bird species protected by the Bald and Golden Eagle Protection Act (BGEPA) and the Migratory Bird Treaty Act (MBTA). The report provides a summary of findings.

 

South West Arkansas ProjectPage 152
  
NI 43-101 Technical Report & Definitive Feasibility StudyOctober 14, 2025

 

 

 

The evaluation is that the project area may affect the Indiana bat, Northern long-eared bat, and Tricolored bat. The survey work confirmed the presence of Indiana bat and Tricolored bat. In addition, the South West Arkansas Project may, but is unlikely to adversely, affect the eastern black rail, piping plover, rufa red knot, alligator snapping turtle, and monarch butterfly. The South West Arkansas Project will have no effect on the red-cockaded woodpecker. Also, the project may, but is unlikely to adversely, affect the bald eagle or birds protected under the MBTA. The “may affect” conclusions in the report requires the federal lead agency (DOE) to consult with the USFWS. This consultation requires the completion of the biological assessment (BA) by the DOE for submittal to the USFWS. The BA is currently being prepared for the DOE to utilize in this process.

 

The CPF portion of the South West Arkansas Project will have minor or negligible impacts on state-listed species. Impacts will be minor for the frosted elfin butterfly and Roanoke witchgrass, negligible for the blueberry hawthorn, slender marshelder, and wolf’s spikerush. No impact is expected for the celestial lily. The impact of the project on the state-level status of the undescribed grassland fragments is also expected to be negligible.

 

20.1.1.3Wetlands

 

The CPF, associated access routes, pipelines, and well pads were assessed for delineation of Section 404 wetlands and other potentially jurisdictional waters of the United States (WOTUS) subject to regulation by the US Army Corps of Engineers (USACE) under the Clean Water Act.

 

In general, delineated wetlands were either inundated or saturated at the time of the site visits and supported a plant community structure dominated by obligate wetland (OBL) and facultative wetland (FACW) herbaceous species. Wetlands also lacked woody species except for willow oak shrubs which were present. In contrast, uplands were either slightly higher in elevation or better drained and were dry at the time of site visits. Uplands supported a mix of facultative (FAC) and facultative upland (FACU) herbaceous species which also included shrubs and small saplings primarily consisting of upland species like post oak (Quercus stellata) and facultative upland species like American beautyberry (Callicarpa americana), which are characteristic of upland sites in similar landscape settings.

 

Based on the current (i.e., post Sackett) interpretation of jurisdiction, most of these wetlands within the CPF area are clearly not continuous with another jurisdictional waterbody and will therefore likely not be regulated by the USACE under Section 404. However, within the pipelines ROW and the well pads, there are jurisdictional and non-jurisdictional wetlands that can be potentially affected.

 

20.1.1.4Phase I (CPF Only)

 

The Phase 1 Environmental Site Assessment (ESA) evaluated the CPF for a range of contaminants within the scope of the Comprehensive Environmental Response, Compensation and Liability Act (CERCLA) and petroleum products.

 

South West Arkansas ProjectPage 153
  
NI 43-101 Technical Report & Definitive Feasibility StudyOctober 14, 2025

 

 

 

This assessment did not reveal any recognized environmental conditions (RECs), historical RECs, or controlled RECs at the CPF. Based upon findings detailed in the Phase 1 ESA report, a Phase 2 investigation of the CPF is not warranted at this time. Within the ROW, a collapsed structure with equipment associated with gasoline dispensing was identified during the author’s site visit. This structure has the potential to be a REC.

 

20.1.2Environmental Monitoring

 

Aside from the environmental baseline surveys, SWA Lithium LLC plans to develop a monitoring plan for the operational and closure phases of the project.

 

20.1.3Water Management

 

Water management for the South West Arkansas Project will involve stormwater, sanitary treatment system discharges, non-contact cooling water blowdown discharges, water treatment plant discharges, drinking water system discharges, and spent brine management, including the redissolved precipitants from the processing circuit.

 

Stormwater will be managed at the CPF, well pads, and right-of-way by diverting flows away from project activities. Contaminated stormwater at the CPF will be collected and managed through the water treatment plant or shipped off site for disposal. Stormwater at the well pads, if contaminated, will be shipped off site for disposal. Uncontaminated stormwater will be directed to stormwater conveyances.

 

Domestic wastewater will be managed through a sanitary treatment system for treatment prior to surface water discharge. Non-contact cooling system blowdown water will be managed through surface water discharge. Other industrial wastewater streams will be managed through a water treatment plant prior to surface water discharge.

 

The lithium extraction process generates a lithium-depleted brine in which intermediate precipitates are redissolved; this solution is piped back to the well pads for reinjection into the original geological formation.

 

20.2Permitting Considerations

 

The project requirement to comply with NEPA means an environmental review must be undertaken by the DOE. This will include compliance with the ESA through the completion of a biological assessment for the identified listed species. In addition to the NEPA process, the project will require state permits prior to construction and operation of the facility. The permits will require a review and approval from the Arkansas Department of Health (ADH), the Arkansas Department of Energy and Environment (ADEE), the AOGC, and a federal permit from the USACE.

 

The ADH regulates the construction of potable water supplies and sanitary waste treatment/disposal facilities. The ADEE is the permitting agency for both the environmental permits and resource extraction for the facility through two Divisions, the Division of Environmental Quality (DEQ) and the AOGC. The DEQ oversees the air, National Pollutant Discharge Elimination System (NPDES), Office of Water Quality No-Discharge, Solid Waste permits, and shares authorization for underground injection control (UIC) permits with the AOGC. The AOGC has sole permitting authority for extraction of the brine resource from drilled/completed supply wells and disposal of the lithium-depleted effluent brine to the Smackover Formation by deep well injection into UIC Class V wells.

 

South West Arkansas ProjectPage 154
  
NI 43-101 Technical Report & Definitive Feasibility StudyOctober 14, 2025

 

 

 

Engineering plans that allow probable emission levels to be calculated will be required to prepare the applications. The engineering details will be used in all permitting applications. Each permit will require its own permitting package and drawings. Depending on the permit and degree of complexity, the time required to complete the permit application will range from four to nine months, and must be considered in addition to the permit processing time by the various agencies when determining the overall permit timeline.

 

Table 20-1 summarizes the anticipated schedule for obtaining the necessary authorizations for the facility once permit applications have been submitted to the agencies. The DOE environmental review process has also been included in Table 20-1.

 

Table 20-1: Applicable Permits and Schedule for South West Arkansas Project

 

Agency Permitted Activity Expected Permit Issuance
Time (months)
DEQ Minor Source Air Quality Operating Permit (CPF) 6 to 9
ADH Fresh Water Supply for Potable Water (CPF) 9
DEQ NPDES General Permit for Construction Stormwater (CPF, Wellfield, Pipelines) 1
DEQ NPDES General Permit for Non-Contact Cooling Water, Cooling Tower and Boiler Blowdown (CPF) 1
DEQ NPDES General Permit for Water Treatment Plants 1
DEQ, ADH NPDES Individual Permit for Treated Sanitary Wastewater (CPF) 6 to 11
DEQ Authorization to Construct a Wastewater Treatment System. 6 to 10
ADQ NPDES Industrial General Permit for Storm Water Discharges associated with Industrial Activity(CPF) 1
DEQ State No-Discharge Permit to Construct/Operate Surface Facility for New Class V Injection Wells (CPF, Wellfield) (NPDES No-Discharge Permit) 4 to 7
AOGC Construction of Brine Supply and UIC Class V Disposal Wells (Wellfield) 1 month after brine production unit approved
USACE Section 404 Permit for Impacts to WOTUS (CPF, Wellfield, Pipelines, Roads, Utilities) 4

 

20.2.1Federal Permits and Authorizations

 

The South West Arkansas Project has control of the private lithium mineral rights in the project area but requires a federal permit from the USACE for a Section 404 permit. In addition, since the project is obtaining funding from the DOE, the DOE is required to comply with NEPA prior to issuing the funding.

 

20.2.1.1United States Army Corps of Engineers (USACE)

 

Section 404 of the Clean Water Act established a statutory mechanism for control of dredged or fill material into WOTUS, including jurisdictional wetlands. The USACE has final administrative authority to determine the status of land surface as WOTUS. Currently, certain land characteristics are scientifically used as indicators of WOTUS through a process known as an approved jurisdictional determination. Private entities commonly prepare and submit jurisdictional determination reports to USACE to expedite their decision-making process and in some cases, USACE will conduct a site survey to confirm the private party determination or, absent a private submittal, provide the basis for the agency’s permitting decision. USACE authorizes impacts to WOTUS through nationwide or individual Section 404 permits depending on expected impacts.

 

South West Arkansas ProjectPage 155
  
NI 43-101 Technical Report & Definitive Feasibility StudyOctober 14, 2025

 

 

 

As discussed in Section 20.1.2, field studies supported the initial delineation report that was submitted, along with the Jurisdictional Determination Request, to USACE in August 2025. USACE team members then visited the project area in September 2025. Engagement between the USACE and project personnel is ongoing to support a streamlined process and ensure an approved jurisdictional determination is received. Finalization of the approved jurisdictional determination will support USACE’s determination of relevant Section 404 permitting requirements.

 

The initial design for pipeline ROWs and well pad locations were the focus of the wetlands delineation study per Section 20.1.1. The study indicated that jurisdictional wetlands and streams were likely to be impacted by the project. The following mitigation and avoidance measures will be considered during detailed design and in consultation with USACE during the permitting process:

 

·reducing ROW widths where possible or where adjacent third-party ROWs allow

 

·horizontal directional drilling for pipelines under jurisdictional wetlands (currently proposed at Bodcau Creek, Mill Creek, and other select locations)

 

·aligning the ROWs with county roads and eliminating permanent roads on portions of the ROW where practical.

 

Once designs are finalized and the impact assessment is complete, these items will feed into the Section 404 WOTUS permit applications. To expedite permitting processing timelines, USACE will begin processing permit applications after completion of the environmental assessment issued by the DOE.

 

20.2.1.2United States Department of Energy

 

DOE’s engagement in the South West Arkansas Project does not require a permit to be issued; however, project funding by DOE does trigger DOE’s requirement to comply with NEPA prior to completing the funding. Based on discussions between SWA Lithium LLC and the DOE, compliance with NEPA will be achieved through the completion of an environmental assessment (EA). The DOE selected a third-party contractor, ERM, to prepare the EA. Currently, completion of the EA is scheduled for Q4 2025. Also, as part of the decision process, DOE will be consulting with the USFWS under Section 7 of the ESA. The current expectation is that the consultant will follow the informal process. DOE will submit a BA to the USFWS. The BA will likely contain timing restrictions on project construction within the habitat of the listed species that were determined present. Once the USFWS accepts the BA, they have 60 days to complete the process and issue a biological opinion.

 

The project expects to receive a “finding of no significant impact” prior to the end of this year. In support of the NEPA process, the project has conducted environmental studies (Section 20.1.2) and reviewed other reference materials to establish baseline conditions within the project area. The results of these studies will be used to determine environmental values associated with the development site, inform the design process, and support future environmental performance monitoring.

 

South West Arkansas ProjectPage 156
  
NI 43-101 Technical Report & Definitive Feasibility StudyOctober 14, 2025

 

 

 

If the EA determines that the South West Arkansas Project would not result in significant environmental impacts, then the DOE would issue a “finding of no significant impact” and move forward with the funding decision. However, if the EA identifies significant impacts, then an EIS will need to be completed before a funding decision can be made.

 

The EA will be extended to include analysis sufficient to meet USACE requirements to support their permitting process per Section 20.2.1.1.

 

20.2.2State of Arkansas Permitting

 

None of the state permits currently drives the project timelines. The permits will therefore only be submitted when the necessary information is available from the engineering work in progress.

 

20.2.2.1Arkansas Division of Environmental Quality – Air Quality Permit

 

A single permit will be issued by DEQ for construction and operation of the lithium extraction/processing facility. The permit must be in place prior to initiating any construction, including preparing foundations for an air emission source. Engineering design calculations of annual emissions require the project to meet the threshold for a minor (or synthetic minor) source.

 

Engineering design information will be utilized to determine the emissions rates for the minor source permit application. The calculations will take into consideration the production throughput, chemical reactions, and type of air emission controls used at the facility.

 

20.2.2.2Arkansas Division of Environmental Quality – Surface Water Discharge Permits

 

The DEQ, Office of Water Quality has issued a general permit for discharges of stormwater runoff from construction (earthmoving) activities. General permits are developed for multiple facilities that have similar activities and limitations. The objective of the permit is to eliminate or reduce the transport of sediments and construction-related contaminants from earthmoving and construction activities that disturb one acre or more area. As facility development will exceed five acres, a stormwater pollution prevention plan specific to site construction must be prepared and submitted to DEQ along with a notice of intent for coverage under the general NPDES permit. The stormwater pollution prevention plan will outline management practices and physical controls to minimize sediment/contaminant transport from the construction area due to precipitation events. Once authorized, the permit will be in effect until the disturbed area is stabilized after construction is completed. The current permit, ARR150000, was effective November 1, 2021 and expires October 31, 2026.

 

20.2.2.3Arkansas Division of Environmental Quality – Surface Water Discharge Permits

 

General permits have been issued by DEQ for stormwater discharges from industrial operations and common industrial non-contact effluents such as boiler blowdown, cooling tower overflow, and steam condensate. The South West Arkansas Project is still in a design phase where the potential surface water discharge operations are not fully complete. Therefore, the assessment assumes that each type of discharge will be permitted separately, rather than as a single combined discharge stream. These are described below.

 

South West Arkansas ProjectPage 157
  
NI 43-101 Technical Report & Definitive Feasibility StudyOctober 14, 2025

 

 

 

·Operational Industrial Stormwater – Stormwater runoff discharges from certain industrial categories are regulated by the DEQ Office of Water Quality in the NPDES program using a multi-sector general permit. The project’s lithium extraction and processing facility is included under Sector C, Chemicals and Allied Products. The industrial general permit (ARR000000) for stormwater runoff discharge from industrial sites has requirements that are similar to the general permit for construction stormwater discharges (ARR150000) that emphasizes pollution prevention and best management practices. Likewise, a stormwater pollution prevention plan must be prepared specific to the operational site. Discharges of stormwater runoff from the area of industrial activity must be sampled and analysed annually. DEQ has established benchmark concentrations for various parameters based on the industrial category; those parameters are assessed and reported annually to DEQ. The benchmark concentrations are established to alert facilities and the DEQ of potential exposure to industrial materials or processes, and to provide the facility opportunity to implement new or amend existing management practices to reduce the parameter of concern.

 

·Cooling Tower Blowdown, Boiler Blowdown, Steam Condensate – Certain non-process contact wastewaters are regulated by the DEQ by NPDES General Permit (ARG250000). The maximum allowable daily discharge for general permit eligibility is 0.5 Mgal/day. Preliminary information on wastes to be generated by the South West Arkansas Project include cooling tower and boiler blowdown totalling less than 0.5 Mgal/day, thus making those effluents subject to the ARG250000. The general permit (ARG250000) includes numeric discharge concentration limits for chemical oxygen demand, total suspended solids, oil and grease, pH, and temperature with monitoring frequency set at twice per month.

 

·Sanitary Wastewater – Treated domestic (sanitary) wastewater is authorized for discharge by two potential permitting paths – individual and general NPDES permits. The discharge of treated sanitary wastewater to a surface stream is regulated by the DEQ and if the maximum daily discharge is less than 1,500 gal/day, subject to NPDES General Permit ARG550000. Additionally, the treatment system used must be selected from an approved list developed by DEQ to be eligible for coverage under the general permit. Sanitary discharge will be conveyed to a facility specific engineered and designed wastewater treatment plant for treatment prior to surface discharge. Because this system will not be selected from DEQ’s pre-approved list, coverage under an individual NPDES permit will be sought. Approval must also be sought from the ADH.

 

·Filter Backwash – Arkansas general NPDES permit ARG 640000 covers discharge associated with water treatment plants including, but not limited to, potable water treatment and similar water treatment processes. Drinking and process water for the project will be supplied via well water. These intake streams will be required to meet the requirements of the Safe Drinking Water Act (SDWA). Intermediate processes will be implemented to achieve SDWA compliance, likely through reverse osmosis or similar filtration. The filter reject will be permitted under the DEQ general permit (ARG64000) provided all conditions of the permit are met. If some conditions of the permit cannot be met, discharge coverage under an individual NPDES will be sought.

 

20.2.2.4Arkansas Division of Environmental Quality – Underground Injection Control (UIC) Permit

 

There is more than one potential path to manage spent (effluent) brine from the CPF. This assessment assumes that the brine will be returned to the Smackover Formation using UIC Class V injection wells permitted under the AOGC, so ADEQ requirements do not apply.

 

DEQ also requires a State No-Discharge Permit for above-ground equipment, tanks, pumps, pipelines, etc., connected to the UIC Class V injection well systems that are not already covered under an NPDES discharge permit.

 

South West Arkansas ProjectPage 158
  
NI 43-101 Technical Report & Definitive Feasibility StudyOctober 14, 2025

 

 

 

20.2.2.5Arkansas Oil and Gas Commission – Brine Supply and Disposal Permit

 

The authorization to drill and operate brine supply and/or injection wells is issued by the AOGC. AOGC has a Brine Production Regulatory Program that defines the requirements for establishing brine production units. This must be in place before an application is submitted by an operator or producer to drill a supply or injection well. Per Section 4.5, the project’s Reynolds brine unit was successfully established in May 2025 and future brine production units will follow the same process per AOGC requirements. All brine supply and disposal permits associated with those units will be permitted by the AOGC. These permits typically take less than a month to approve. Once well injections have started, the Class V well authorizations will not expire until a well is permanently plugged and abandoned.

 

20.2.2.6Arkansas Department of Health – Public Water System Permit

 

The ADH issues approvals for public water systems serving non-municipal potable water. The South West Arkansas Project will require fresh water sources to support the lithium extraction process and provide potable water for personnel use. The most likely source of fresh water will be extracted from the underground Sparta aquifer. Fresh water produced by the well(s) will be disinfected, stored, and distributed following ADH rules. Following submission of engineering design and construction plans and specifications that meet ADH standards, the ADH will issue a Noncommunity Public Water System permit for the non-transient, non-municipal water system supplying potable water to the South West Arkansas Project.

 

20.2.3Additional Permits and Authorizations

 

A Hazardous Waste Permit under the Resource Conservation and Recovery Act (RCRA) is required of any facility that treats, stores (greater than 90 days), or disposes of waste that meets the criteria to be classified as “hazardous.” The project is not anticipated to conduct any activities that require an RCRA permit authorization, and process wastes generated by the facility will not likely meet the definition of hazardous waste. Small quantities of universal wastes (batteries, pesticides, mercury-containing equipment, lamps, electronics, and aerosol cans) may be generated by the project; however, Arkansas Rule 23, Part 273 provides an alternative set of management standards for universal wastes in lieu of hazardous waste regulation.

 

20.3Social Considerations

 

An assessment of social impacts will be included in DOE’s EA for the South West Arkansas Project. In addition, SWA Lithium LLC will complete a social engagement plan as project permitting advances. SWA Lithium LLC has filled a community relations position based in southwest Arkansas. The region around the proposed facility is sparsely populated and used predominantly for agriculture or silviculture. There is an opportunity to positively impact the surrounding communities. For example, construction and operations will require labour and contractors, and local businesses that supply goods and services may also be positively affected by proximity to the project facility.

 

South West Arkansas ProjectPage 159
  
NI 43-101 Technical Report & Definitive Feasibility StudyOctober 14, 2025

 

 

 

20.4Closure and Reclamation Planning

 

20.4.1Closure and Reclamation Plans

 

SWA Lithium LLC will develop environmental management plans, including specific plans for closure and reclamation, to guide compliance with regulatory programs and requirements, both as part of the permit application process and after the permits have been received. The plans will address various aspects of the design, construction, commissioning, and operation phases of the project, identify key environmental issues throughout the project phases, and provide plans and actions to manage the issues effectively.

 

The closure plan will address how the project will be decommissioned with minimal impact to the environment, and how reclamation or rehabilitation efforts will be carried out if the facility permanently ceases operation. Plugging and abandoning the production wells and Class V UIC wells will be achieved in accordance with AOGC requirements. Other project facilities are not subject to formal state or federal closure requirements. Nevertheless, SWA Lithium LLC will function in an environmentally responsible manner should operations cease in the future. Process feedstock, liquids in vessels, reagents, finished products, and ancillary materials will be removed to a proper use, recycling, or disposal facility. Solid residuals and non-hazardous solid wastes will be transported off site to an appropriate permitted recycling or disposal facility. Small quantities of regulated hazardous wastes / universal wastes accumulated during the operation and site termination activities will be transported to an authorized facility.

 

20.4.2Closure Cost Estimates

 

A closure cost estimate is generally based on a specific site configuration (buildings, piping, powerlines, the number and depth of the various wells, etc.) as well as total site surface disturbance. That level of design detail has not yet been completed for the South West Arkansas Project. The project will have up to 26 production and injection wells in total, and a preliminary estimate of $11 million has been provided from Smackover Lithium to plug and abandon the wells after closure of the operation. It is also assumed that all buried pipelines will be purged, disconnected, and isolated in accordance with state regulations and remain in the ground. The facilities at the CPF would be demolished and the site would be reclaimed and revegetated. The estimated cost for this closure work is $9.84 million. Therefore, the total closure estimate is $20.84 million.

 

South West Arkansas ProjectPage 160
  
NI 43-101 Technical Report & Definitive Feasibility StudyOctober 14, 2025

 

 

 

21Capital and Operating Costs

  

21.1Introduction

 

Capital and operating costs presented in this section are for the South West Arkansas Project.

 

The estimates include the initial capital costs and sustaining costs of the following major areas:

 

·Subsurface production and injection wells – Standard Lithium

 

·Wellfields pad and pipelines – Hunt, Guillot & Associates

 

·CPF – Ausenco

 

·Owner’s cost – Standard Lithium.

 

The estimate conforms to Class 3 guidelines of the Association for the Advancement of Cost Engineering International (AACE International) under the cost estimate recommended practices “47r-11: Cost Estimate Classification system – AS applied in engineering, procurement, and construction for the mining and mineral processing industries”, with an accuracy of ±15% at the 85% confidence level.

 

21.2Capital Costs

 

21.2.1Overview

 

Table 21-1 summarizes the project initial capital cost estimate by major scope area. Sustaining capital costs are presented in Table 21-2. The capital cost estimate includes all costs (e.g., brine production and disposal, central processing facility, ancillary infrastructure, power supply infrastructure and indirect costs) required to support the project operations.

 

The overall life-of-project capital cost is US$1,593 million.

 

The estimate conforms to Class 3 guidelines for a feasibility study estimate with a ±15% accuracy according to the Association of the Advancement of Cost Engineering International (AACE International). Costs have a base date of Q1 2025 and are provided in US dollars (US$), unless otherwise noted.

 

South West Arkansas ProjectPage 161
  
NI 43-101 Technical Report & Definitive Feasibility StudyOctober 14, 2025

 

 

 

Table 21-1: Initial Capital Cost Estimate

 

Description Capital Cost (US$M)
General 4.9
Brine Supply 217.4
Brine Preparation 66.6
Lithium Extraction 158.1
Lithium Purification / Concentration 109.2
Lithium Conversion 13.3
Carbonation 86.5
Product Handling 36.3
Brine Disposal and Waste Handling 106.2
Auxiliary Systems 28.2
Infrastructure 79.8
Self Generation and Co-Generation System 50.6
Off-Site Infrastructure 0.7
Overall On-Site 19.1
Total Direct Costs 976.9
Project Indirect Costs 146.1
Miscellaneous Costs 166.3
Total Indirect Costs 312.4
Total Direct + Indirect Costs 1,289.3
Contingencies 159.6
Total Capital Cost of Project 1,448.9

 

Table 21-2: Sustaining Capital Cost Estimate

 

Description Sustaining Cost (US$M)
Brine Supply 37.6
Lithium Extraction 39.4
Lithium Purification / Concentration 2.5
Carbonation 0.5
Brine Disposal and Waste Handling 16.1
Infrastructure 2.0
Total Direct Costs 98.2
Project Indirect Costs 9.6
Miscellaneous Costs 21.0
Total Indirect Costs 30.7
Total Direct + Indirect Costs 128.8
Contingencies 14.9
Total Capital Cost of Project 143.7

 

South West Arkansas ProjectPage 162
  
NI 43-101 Technical Report & Definitive Feasibility StudyOctober 14, 2025

 

 

 

21.2.2Basis of Estimate

 

The estimate is based on a mixed execution approach (EPCC and EPCM). The following qualifications should be noted:

 

·No allowance has been made for exchange rate fluctuations.

 

·There is no escalation added to the estimate from the base date of Q1 2025 forward.

 

·A growth allowance was included.

 

·Data for the estimates have been obtained from numerous sources, including the following:

 

oproduction plan

 

ogeotechnical investigations

 

ofeasibility-level engineering designs

 

obudgetary equipment quotes from US and international suppliers

 

obudgetary unit costs from local contractors for civil, concrete, steel, electrical, and mechanical works

 

odata from similar recently completed studies and projects.

 

The following items were not considered in this cost estimate:

 

·financing charges

 

·residual value of temporary equipment and facilities

 

·further project studies

 

·force majeure events

 

·future scope changes

 

·special incentives (e.g., schedule, safety, or others)

 

·strikes or other work stoppages

 

·management reserve above the project contingency included

 

·foreign exchange exposure.

 

Working capital was also not considered in the capital cost estimate but is included in the financial analysis (see Section 22).

 

As outlined in Table 21-1 and Table 21-4, the initial capital cost will be approximately US$1,449 million and total life-of-project capital cost (inclusive of sustaining capital of US$144 million) will be approximately US$1,593 million.

 

South West Arkansas ProjectPage 163
  
NI 43-101 Technical Report & Definitive Feasibility StudyOctober 14, 2025

 

 

 

21.2.3Brine Production Capital Costs

  

21.2.3.1Subsurface Capital Costs

 

For each scope, a procurement package was created and sent to potential companies to provide pricing. Upon receipt of the proposals, a technical and commercial evaluation was completed. Benchmarking was used to determine regional feet per day estimates for similar well types. Costs were determined using the feet per day estimates based on well designs. Initial capital costs are presented in Table 21-3.

 

Sustaining capital cost estimates were based on benchmarking using publicly available records from nearby brine producer. The benchmark data included a full life cycle of comparable wells: spud, completion, re-completion, well work, and plug and abandon (P&A) activities. Using a statistical analysis of this data and the cost data from the request for proposal (RFP); sustaining capital cost estimates were created (Table 21-4).

 

The subsurface initial capital cost is US$ 165.7 million and the sustaining capital cost is US$ 28.3 million.

 

Table 21-3: Summary of Subsurface Initial Capital Cost

 

Description Capital Cost (US$M)
Brine Supply 106.2
Brine Disposal and Waste Handling 59.4
Total Capital Cost of Project 165.7

 

Note: Numbers may not add due to rounding.

 

Table 21-4: Summary of Subsurface Sustaining Capital Cost

 

Description Sustaining Cost (US$M)
Brine Supply 17.0
Brine Disposal and Waste Handling 11.4
Total Capital Cost of Project 28.3

 

Note: Numbers may not add due to rounding.

 

21.2.3.2Wellfield Capital Costs

 

Both the initial capital cost estimate (Table 21-5) and the sustaining capital cost estimate (Table 21-6) include the following scope:

 

·Well Pads

 

oMechanical equipment was standardized and/or modularized. Datasheets were developed to tender equipment. Budgetary quotes were obtained and used in the estimate.

 

South West Arkansas ProjectPage 164
  
NI 43-101 Technical Report & Definitive Feasibility StudyOctober 14, 2025

 

 

 

oElectrical equipment was quoted based on data sheets.

 

oInstruments were quoted based on independent data sheets.

 

oQuotes for earthworks, mechanical installation, piping fabrication, and electrical and instrumentation (E&I) installation were provided based on the 3D model and engineering deliverables. Quotes include all materials for installation, construction costs and contractors’ indirect costs.

 

·Transmission Line: Engineering, material supply, installation rates and contractors’ indirect costs were sourced from local contractors for major construction.

 

·Pipeline:

 

oPipeline sizing, pipeline materials of construction, and controls design were estimated based on hydraulic flow analysis.

 

oMaterial costs were quoted with vendors based on material take-offs (MTOs).

 

oInstallation rates and contractors’ indirect costs were sourced from local contractors for pipeline and valve installation. This also includes the cost to prepare the right of way.

 

oIsolation valve station electrical and instrumentation material and labour costs were provided as part of the E&I contractor quote.

 

The sustaining cost estimate includes implementation of pad C and its corresponding infrastructure requirement after Year 8. The estimate for this pad has followed the same approach as for the initial capital cost.

 

Table 21-5: Summary of Wellfields and Pipelines Initial Capital Cost

 

Description Capital Cost (US$M)
Brine Supply 111.2
Brine Disposal and Waste Handling 40.1
Infrastructure 10.6
Total Capital Cost of Project 161.9

 

Note: Numbers may not add due to rounding.

 

Table 21-6: Summary of Wellfields and Pipelines Sustaining Capital Cost

 

Description Sustaining Cost (US$M)
Brine Supply 20.6
Brine Disposal and Waste Handling 4.8
Infrastructure 2.0
Total Capital Cost of Project 27.4

 

Note: Numbers may not add due to rounding.

 

South West Arkansas ProjectPage 165
  
NI 43-101 Technical Report & Definitive Feasibility StudyOctober 14, 2025

 

 

 

21.2.4Process Capital Costs

 

The capital cost estimate for these areas includes the following scope:

 

·plant site earthworks, piling, concrete and structural steel

 

·buildings, including process buildings

 

·mechanical equipment (e.g., tanks, reactors, evaporators, ion exchange, LSS columns, pumps)

 

·electrical equipment (e.g., gas turbine generator, electrical rooms and transformers)

 

·electrical and instrumentation bulks

 

·in-plant pipework

 

·pipe corridors and pipe rack for distribution pipelines

 

·water supply, air systems, control systems, and lighting.

 

The detailed cost breakdown of the initial capital cost associated with these areas is presented in Table 21-7. The sustaining capital cost is presented in Table 21-8.

 

Table 21-7: Summary of Process Plant & Utilities Capital Costs

 

Description Capital Cost (US$M)
General 4.9
Brine Supply -
Brine Preparation 66.6
Lithium Extraction 158.1
Lithium Purification / Concentration 109.2
Lithium Conversion 13.3
Carbonation 86.5
Product Handling 36.3
Brine Disposal and Waste Handling 6.6
Auxiliary Systems 28.2
Total Capital Cost of Project 509.8

 

Note: Numbers may not add due to rounding.

 

Table 21-8: Summary of Process Plant & Utilities Capital Costs

 

Description Sustaining Cost (US$M)
Lithium Extraction 39.4
Lithium Purification / Concentration 2.5
Carbonation 0.5
Total Capital Cost of Project 42.4

 

Note: Numbers may not add due to rounding.

 

South West Arkansas ProjectPage 166
  
NI 43-101 Technical Report & Definitive Feasibility StudyOctober 14, 2025

 

 

 

21.2.4.1Estimate Sources

 

The capital cost estimate for the CPF included a provision for all mechanical and electrical equipment, buildings, and quantities or factors for major bulks materials such as earthwork (including piling), concrete, steel, piping, instrumentation, and electrical.

 

All major processing equipment were sized based on the process design criteria. Once the mechanical equipment list was outlined, mechanical scopes of work and data sheets were compiled and sent to suppliers for budgetary pricing. As shown in Table 21-9 and 21-10, 96% of the mechanical equipment costs and 99% of the electrical equipment costs were sourced from budgetary quotations, while the remaining pricing for minor equipment was derived from recent reference projects and studies.

 

An electrical equipment list was developed based on the mechanical equipment list, load list, single line diagrams, and general arrangement drawings. The estimate also allows for the design, supply, and construction of the above-ground power network within the process plant.

 

Installation rates and contractors’ indirects were also sourced from local contractors for major construction packages such as earthworks, piling, concrete installation, structural, mechanical and piping installation, field-fabricated tanks and electrical and instrumentation installation.

 

In support of the major mechanical and electrical equipment packages, the CPF and infrastructure engineering design were completed to a feasibility study level of definition, allowing for the bulk material quantities (i.e., earthworks, piling concrete, structural steel, platework, piping, electrical and instrumentation bulks) to be derived for major commodities.

 

Sustaining capital is mostly related to media replacement. The media replacement has been estimated by Ausenco and costed by SWA Lithium LLC.

 

Table 21-9: Mechanical Equipment Supply Basis for CPF and Utilities

 

Source Initial Phase Supply (US$) Initial Phase Supply % Total
Budgetary Quotes 273.6 96
Escalated Quotes 7.0 2
Estimated (Database) 4.2 1
Factored 0.3 0
Allowance 0.2 0
Total 285.2  

 

Note: Excludes cost of freight. There is no cost associated with sustaining capital. Numbers may not add due to rounding.

 

South West Arkansas ProjectPage 167
  
NI 43-101 Technical Report & Definitive Feasibility StudyOctober 14, 2025

 

 

 

Table 21-10: Electrical Equipment Supply Basis for CPF and Utilities

 

Source Initial Phase Supply (US$) Initial Phase Supply % Total
Budget Quote 81.7 99
Estimated (Database) 0.5 1
Factored 0.5 1
Total 82.8  

 

Note: Excludes cost of freight. There is no cost associated with sustaining capital. Numbers may not add due to rounding.

 

After deriving the bulk material quantities for the CPF and utilities areas, major construction contracts were formed and tendered to experienced US local contractors for budgetary pricing bids, including earthworks, concrete, structural, mechanical and piping (SMP) installation, electrical installation, among others. Supply of main bulk materials was also quoted with local suppliers, including structural steel supply, platework, piping materials and pre-fabricated tanks.

 

21.2.5Infrastructure Capital Costs

 

Costs for on-site infrastructure include the following:

 

·earthworks for process plant and non-process buildings (note: this includes bulk excavation, backfilling, piling, culverts, trenching, ditching, and topsoil stripping)

 

·ancillary buildings

 

·electrical equipment, main substation, gas turbine generator and emergency generators.

 

On-site infrastructure costs are summarized in Table 21-11.

 

Table 21-11: Summary of On-Site Infrastructure Capital Costs

 

Description Capital Cost (US$M)
Infrastructure 69.2
Self-Generation & Co-Generation System 50.6
Off-Site Infrastructure 0.7
Overall On-Site 19.1
Total Capital Cost of Project 139.5

 

Note: Numbers may not add due to rounding.

 

21.2.5.1Process Area Earthworks

 

This area includes the costs of constructing the CPF. All process area earthworks quantities were estimated from quantity take-offs from the model and/or layout drawings.

 

South West Arkansas ProjectPage 168
  
NI 43-101 Technical Report & Definitive Feasibility StudyOctober 14, 2025

 

 

 

Budgetary rates for earthworks construction and indirect costs were obtained from local contractors. The rates were then reviewed and compared, and the selected contractor's rates were used in the estimate.

 

21.2.5.2Mobile Equipment

 

This area includes the mobile equipment required for CPF, based on the mobile equipment list as follows:

 

·process plant light vehicles and golf carts

 

·mobile cranes

 

·telescopic booms.

 

21.2.5.3Ancillary Buildings

 

Ancillary buildings included in the initial capital cost estimate include the following:

 

·maintenance and warehouse building, including office and storage

 

·product warehouse office

 

·administration building

 

·security gatehouse

 

·pricing for the assay laboratory, offices, warehouse, gatehouse were obtained from a budgetary quotation.

 

21.2.5.4Site Electrical, Controls and Telecommunications and Power Generation

 

The estimate allows for the supply and installation of electrical equipment and electrical bulks for process plant buildings, power generation, and site-wide power distribution.

 

Electrical equipment and electrical pricing are of budget quotes which were technically and commercially evaluated. The supply costs from the recommended vendor’s pricing have been included in the estimate. Minor equipment has been costed using either engineering estimates or Ausenco’s in-house data.

 

Installation of the electrical equipment and the supply and installation of electrical bulks (e.g., cables, terminations, light fittings, and cable ladder) was priced using bulk material take-offs and the electrical equipment list, which were then issued to contractors for pricing as an electrical and instrumentation package.

 

Allowances for the electrical and instrumentation disciplines are included too.

 

The returned rates were compared and evaluated, and the rates from the selected contractor have been carried forward in the estimate.

 

South West Arkansas ProjectPage 169
  
NI 43-101 Technical Report & Definitive Feasibility StudyOctober 14, 2025

 

 

 

21.2.5.5Site Services and Utilities

 

Scope includes the water treatment and distribution, compressed air, cooling water, and gas system.

 

The estimate allows for the supply and installation of the site services and utilities. Major equipment pricing is from budget quotes which were technically and commercially evaluated. The supply costs from the recommended vendor’s pricing have been included in the estimate.

 

Bulk quantities for pipes and instruments were developed and quoted.

 

Installation was included in the SMP and E&I contracts.

 

21.2.5.6Site Controls and Telecommunications

 

The automation and control systems were quoted as a supply and install contract from a recognized vendor.

 

The plant systems requirements were developed in-house by SWA Lithium LLC utilizing the quantities developed by engineering and historical pricing from other projects.

 

21.2.6Indirect Capital Costs

 

Indirect costs include the costs necessary for project completion but which are not related to direction construction costs. The following items are included as indirect costs for the process plant:

 

·temporary construction facilities for the main contractor and owner (e.g., site offices, administration, portable toilets, temporary fencing, temporary roads, and parking)

 

·temporary utilities for the main contractor and owner (e.g., power supply, temporary grounding and generators, construction lighting)

 

·construction support services (e.g., site clean-up and waste disposal, material handling, maintenance of buildings and roads, testing and training, site surveys, and security)

 

·freight associated with EPCM and EPCC contractors, temporary construction and services, agents, staging, and marshalling (note: freight costs for equipment and materials are included under direct costs)

 

·site office (for the main contractor and owner local services and expenses, communications, and office furniture)

 

·engineering, procurement, and construction management (EPCC and EPCM) costs for the CPF and wellfields, including home office engineering, site and home office expenses, commissioning services and subcontractors bonding

 

·fuel for light vehicles for main contractor and owner

 

·spares (e.g., operating, commissioning, and strategic spares)

 

·process first fills (an amount of first fills were included in the vendor’s proposals, but not disclosed)

 

·vendor representatives

 

·commissioning.

 

South West Arkansas ProjectPage 170
  
NI 43-101 Technical Report & Definitive Feasibility StudyOctober 14, 2025

 

 

 

The indirect cost estimate was developed using a blend of first principles methods and recent historical costs. CPF EPCC costs were estimated using the first principles method. Temporary construction facilities, temporary services, and construction equipment were developed using semi-detailed item list. Process first fill estimates were based on supplier’s price submissions. Spares were based on budgetary quotations.

 

EPCM costs for the subsurface were based on construction durations for procurement and construction supervision. Engineering is included in the owner’s cost.

 

EPCM costs for wellfields scope were factored from the direct cost.

 

The indirect initial and sustaining capital cost estimates are presented in Tables 21-12, ad 21-13, respectively.

 

Table 21-12: Summary of Indirect Initial Capital Costs

 

Description Capital Cost (US$M)
Project Indirect Costs 146.1
Miscellaneous Costs 166.3
Contingencies 159.6
Total Capital Cost of Project 472.0

 

Note: Numbers may not add due to rounding.

 

Table 21-13: Summary of Indirect Sustaining Capital Costs

 

Description Sustaining Cost (US$M)
Project Indirect Costs 9.6
Miscellaneous Costs 21.0
Contingencies 14.9
Total Capital Cost of Project 45.5

 

Note: Numbers may not add due to rounding.

 

21.2.7Owner (Corporate) Capital Costs

 

Owner’s costs were developed by the owner and include the following:

 

·project staff prior to operation

 

·the operational readiness team and contract

 

·overhead (main office) and site expenses for the project team, including lodging, travel expenses, etc.

 

·technology, first fills, utilities and land agreements required before the operation

 

·insurance and other management items.

 

South West Arkansas ProjectPage 171
  
NI 43-101 Technical Report & Definitive Feasibility StudyOctober 14, 2025

 

 

 

The owner’s cost estimate is summarized in Table 21-14.

 

Table 21-14: Summary of Owner’s Costs

 

Package No. Cost (US$M)
Project Staff 47.3
Operational Readiness 27.2
Overhead and Expenses 15.9
Technology, First Fills, Utilities & Land Agreements 39.9
Insurance and Other Management Items 28.6
Total 158.9

 

Note: Numbers may not add due to rounding.

 

21.2.8Estimate Growth, Estimate Contingency, and Accuracy

 

21.2.8.1Growth Allowance

 

Each line item of the direct cost estimate was developed initially at a base cost only. A growth allowance has been added to line items in the process plant and site infrastructure areas to reflect the level of definition of design and pricing strategy. The following statements apply to estimate growth:

 

·Estimate growth is intended to account for items that cannot be quantified based on current engineering status but empirically known to appear.

 

·The accuracy of quantity take-offs and engineering lists is based on the level of engineering and design undertaken at feasibility study level.

 

·It represents pricing growth for the likely increase in cost due to development and refinement of specifications as well as re-pricing after initial budget quotations and after finalization of commercial terms and conditions to be used on the project.

 

Growth has been calculated by commodity and by evaluating the status of the engineering scope definition and maturity and the ratio of the various pricing sources for equipment and materials used to compile the estimate. The capital cost growth allowance for the initial capital cost estimate is presented in Table 21-15.

 

South West Arkansas ProjectPage 172
  
NI 43-101 Technical Report & Definitive Feasibility StudyOctober 14, 2025

 

 

 

Table 21-15: Growth Allowances

 

Description Growth Applied
(US$M)
Growth Applied (%) Capital Cost
(US$M)
Architectural 2.4 6 42.5
Earthworks 2.5 6 40.7
Concrete 1.4 7 21.1
Drilling 6.7 4 173.9
Electrical Equipment 4.6 5 87.4
Platework 0.6 6 11.0
Instrumentation 1.9 4 46.6
Pipelines 2.5 4 63.9
Mechanical Equipment 16.8 6 302.0
Mobile Equipment and Ancillaries 0.3 6 5.3
Owner’s Costs 0.0 0 159.0
Piping 6.0 6 102.8
Electrical Bulks 2.2 4 50.7
Structural Steelwork 2.8 7 38.4
Project Delivery 1.0 1 123.9
Field Indirects 0.0 0 9.3
Other (Spares, Fills, Vendors) 0.3 2 10.9
Provisions 0.0 0 159.5
Total 52.1 4 1,448.9

 

21.2.8.2Contingency

 

Estimate contingency has been included to address anticipated variances between the specific items contained in the estimate and the final actual project cost. Contingency is an allowance that is included, over and above the base cost, to ensure the success of the project by providing for the various uncertainties. The level of contingency will vary depending on the nature of the contract and the client's requirements. Due to uncertainties at the time the capital estimate is developed (either in terms of the level of engineering definition, the basis of the estimate, or the schedule development), it is essential the estimate includes a provision to cover risk from these uncertainties.

 

The amount of risk is assessed with due consideration of the preliminary level of design work, method of deriving pricing, and the preliminary nature of the plan for project implementation.

 

The estimate contingency does not allow for the following:

 

·abnormal weather conditions

 

·changes to market conditions affecting the cost of labour or materials

 

·changes of scope within the general production and operating parameters

 

·effects of industrial disputes.

 

South West Arkansas ProjectPage 173
  
NI 43-101 Technical Report & Definitive Feasibility StudyOctober 14, 2025

 

 

 

A contingency workshop based on a probability of occurrence was conducted to estimate the project consistency. This included an assessment by discipline and work breakdown structure.

 

A summary of contingency for the initial capital and sustaining capital estimates can be found in Table 21-16 and Table 21-17, respectively.

 

Table 21-16: Results of Probabilistic Analysis for Initial Capital

 

Description % of Initial
Capital Cost
Value
(US$)
P50 Estimate Risk (based on Pre-Sanction, Initial and Sustaining Capital
– Revision B Estimate)
12.3 159.5
P80 Estimate Risk (based on Pre-Sanction, Initial and Sustaining Capital
– Revision B Estimate)
16.6 214.0
Recommended Management Reserve – P80 less P50   54.5

 

Table 21-17: Results of Probabilistic Analysis for Sustaining Capital

 

Description % of Initial
Capital Cost
Value
(US$)
P50 Estimate Risk (based on Pre-Sanction, Initial and Sustaining Capital
– Revision B Estimate)
12.3 14.9
P80 Estimate Risk (based on Pre-Sanction, Initial and Sustaining Capital
– Revision B Estimate)
16.6 21.4
Recommended Management Reserve – P80 less P50   6.5

 

21.3Operating Costs

 

21.3.1Overview

 

The operating cost estimate is presented in Q1 2025 US dollars. The estimate was developed to have an accuracy of ±15% (AACE Class 3). The estimate includes wellfields, processing and G&A costs.

 

The overall life-of-mine operating cost is US$2,001 million over 20 years, or an average of US$ 4,516/t of produced Li2CO3 in a typical year. Of this total, fixed costs account for US$749 million and variable costs account for US$1,252 million. Table 21-18 provides a summary of the project operating costs.

 

South West Arkansas ProjectPage 174
  
NI 43-101 Technical Report & Definitive Feasibility StudyOctober 14, 2025

 

 

 

Table 21-18: Operating Cost Summary

  

Cost Area  Total (US$M)  US$/t Li2CO3 Produced % of Total 
Labour 191 429.91 9.5
Mobile Equipment 8 17.27 0.4
Solids Disposal 7 15.82 0.4
Maintenance 137 309.97 6.9
Laboratory Services 19 43.18 1.0
Wellfield 111 250.03 5.5
Subsurface 91 204.69 4.5
General and Admin 186 420.08 9.3
Fixed (including G&A) 749  1,690.95 37.4
Power 240  541.41 12.0
Reagents 955  2,155.88 47.7
Consumables 47  105.58 2.3
Natural Gas 10  22.24 0.5
Variable  1,252 2,825.10 62.6
Total 2,001 4,516.05 100

 

Common to all operating cost estimates are the following assumptions:

 

·Cost estimates are based on Q1 2025 pricing without allowances for inflation.

 

·Material is sourced in US dollars.

 

·Estimated cost for diesel is US$3.64/gallon.

 

·The annual power costs were calculated using a unit price of US$0.044/kWh derived from the gas supply cost and the conversion factor of the gas turbine generator.

 

21.3.2Fixed Operating Costs

 

Among the costs considered as fixed are labour, mobile equipment, solid disposal, maintenance, laboratory services, wellfield, subsurface and G&A.

 

21.3.2.1General & Administration

 

G&A costs are expenses not directly related to the production of Li2CO3 and include expenses not included in brine production and processing costs. These costs were developed with input from SWA Lithium LLC, as well as Ausenco’s in-house data on existing operations.

 

South West Arkansas ProjectPage 175
  
NI 43-101 Technical Report & Definitive Feasibility StudyOctober 14, 2025

 

 

 

The G&A costs were determined for a 20-year project life with an average cost of US$420.1/t Li2CO3 produced. These costs include G&A maintenance, human resources costs, security and waste management, vehicles operation, health and safety, environmental monitoring, IT and telecommunication hardware and licensing, contract services, including insurance.

 

It also includes sales for the G&A roles. Labour rates provided by SWA Lithium LLC were applied to develop the total G&A labour cost. G&A labour resources include 21 employees. An organizational staffing plan outlining the labour requirement for the G&A is shown in Table 21-19.

 

Table 21-19:  G&A Personnel

 

Labour / Contractor Summary Rotation No. per Shift Quantity
Management      
Plant Manager(s) 8-hour shifts 1 1
Operations Manager 8-hour shifts 1 1
Technical Manager 8-hour shifts 1 1
Health, Safety & Environmental Manager(s) 8-hour shifts 1 1
HR Manager 8-hour shifts 1 1
Maintenance Manager(s) 8-hour shifts 1 1
Administration Personnel      
Plant Controller 8-hour shifts 1 1
Purchasing Agent 8-hour shifts 1 1
Receptionist / Data Clerk(s) 8-hour shifts 2 2
Shipping & Receiving      
Logistics / Warehouse Supervisor 8-hour shifts 1 1
Shipping & Receiving Clerk(s) 8-hour shifts 2 2
Logistics / Loading Operator(s) 8-hour shifts 1 4
Security Personnel      
Security Specialist 8-hour shifts 1 4
Total Wellfield     21

 

21.3.2.2Labour

 

Labour includes the roles for the operation of the CPF. An organizational staffing plan outlining the labour requirement for the CPF operation is shown in Table 21-20. CPF plant labour represents approximately 25.4% of the fixed costs.

 

The personnel requirement was confirmed by SWA Lithium LLC. The labour costs incorporate personnel requirements for the CPF plant operation, such as production personnel, maintenance, laboratory and wellfield. The total process plant labour averages 85 employees.

 

South West Arkansas ProjectPage 176
  
NI 43-101 Technical Report & Definitive Feasibility StudyOctober 14, 2025

 

 

 

Individual personnel were divided into their respective positions and number of shifts and labour count per shift were determined. Salaries were provided by SWA Lithium LLC. SWA Lithium LLC also confirmed the specific benefits and bonuses to be allocated. The rates were estimated as overall rates, including all burden costs.

 

Table 21-20:  CPF Production Personnel

 

Production Personnel Rotation No. per Shift Quantity
Production Personnel     40
Plant Engineer(s) – Process / Mechanical 8-hour shifts 3 3
Plant Engineer(s) – Electrical / Instrumentation 8-hour shifts 1 1
Plant Foreman(s) – All Areas 8-hour shifts 1 4
Plant Operator(s) – All Areas 8-hour shifts 8 32
QC & Laboratory Personnel      
Quality Supervisor 8-hour shifts 1 1
Senior Laboratory Technician 8-hour shifts 1 1
Lab Assistant(s) 8-hour shifts 2 8
Maintenance Personnel      
Mechanics(s) – Day Shift 8-hour shifts 8 8
Mechanics(s) -–Rotating Shift 8-hour shifts 2 8
Electrician/Instrument Technician(s) – Day Shift 8-hour shifts 4 4
Electrician/Instrument Technician(s) – Rotating Shift 8-hour shifts 1 4
Maintenance Supervisor 8-hour shifts 1 4
Maintenance Planner 8-hour shifts 2 2
Wellfield      
Subsurface production engineer 8-hour shifts 1 1
Well Operator 8-hour shifts 1 4
Total Staff, Process Plant Only     85

 

21.3.2.3Mobile Equipment Cost

 

Vehicle costs are based on a scheduled number of light vehicles and mobile equipment (including fuel, maintenance, spares and tires, and annual registration and insurance fees). The cost of operating and maintaining the project mobile vehicles is estimated as US$17.3/t Li2CO3 produced. No allowance for vehicle lease is included.

 

South West Arkansas ProjectPage 177
  
NI 43-101 Technical Report & Definitive Feasibility StudyOctober 14, 2025

 

 

 

21.3.2.4Solid Disposal

 

Solid disposal costs are based on the amount of waste estimated for the project. A preliminary quotation for solid collection and disposal was obtained by a local contractor. The cost of solid disposal is estimated as US$15.8/t Li2CO3 produced.

 

21.3.2.5Maintenance

 

Annual maintenance consumable costs for the CPF were calculated based on a total installed mechanical capital cost by area using weighted average factors ranging between 2% and 4% per WBS. The factor was applied to mechanical equipment. The total maintenance consumables operating cost is US$310/t Li2CO3 produced, or approximately 2.9% of the direct mechanical capital cost annually.

 

No factor for spare parts has been applied to adjust for consumption of fewer spare parts in early years of operation.

 

21.3.2.6Lab Services

 

Operating costs associated with laboratory and assay activities were estimated according to the anticipated number of assays per day and per year, estimated by Ausenco. Assay costs include assays for liquid, solid and organics/oil samples throughout the project. The estimate uses prices based on similar prices from historical database. The laboratory and assays comprise approximately 2.5% of the fixed operating cost. Approximately 166,600 internal assays are required per year.

 

21.3.2.7Wellfield

 

Annual maintenance costs for the well pads include equipment maintenance, separator cleanouts, and vegetation maintenance. Equipment maintenance is estimated as 4% of the pad equipment cost, and the other costs were estimated based on pricing gathered from local contractors. The total estimated annual operating cost for the well pads is US$1.49 million per year.

 

Annual maintenance costs for the pipelines include rights-of-way and valve station vegetation maintenance, line pigging, aerial patrol inspections, surge valve calibrations, and one-call response costs. These costs were estimated based on pricing gathered from local contractors and historical data. The total estimated annual operating cost for the pipelines is US$415,380 per year.

 

21.3.2.8Subsurface

 

The operating cost estimate includes the following scope:

 

·well management tools

 

·tree maintenance

 

·chemicals

 

·fluid surveys

 

South West Arkansas ProjectPage 178
  
NI 43-101 Technical Report & Definitive Feasibility StudyOctober 14, 2025

 

 

 

·ESP replacement/repair

 

·production tubing replacement

 

·acid stimulation

 

·casing inspection logs

 

·casing repair via liner installation

 

·software

 

·mechanical integrity tests

 

·production logging

 

·tubing and packer replacement

 

·casing repair.

 

Operating expenditures were developed through a collaborative process that leveraged both offset operator methodologies and benchmarking. The benchmark data included a full life cycle of comparable wells: spud, completion, re-completion, well work, and P&A activities. The benchmark enabled a statistical analysis of the operational history of similarly designed wells. By evaluating the frequency and magnitude of well interventions, ongoing maintenance, products/services needed for well operations, and end-of-life costs, operating cost estimates were created.

 

21.3.3Variable Operating Costs

 

The variable operating costs estimate include costs that are affected by the inflow brine from the wellfield, and the production rate of the process plant. These costs include power consumption, reagents, consumables, and natural gas consumption.

 

21.3.3.1Basis of Estimate

 

The process plant operating costs were derived based on process plant power and consumable requirements as per the production plan. Average annual life-of-mine operating costs for the process plant were derived from the lithium concentration and brine flow to the process plant.

 

The following was used to determine the project’s life-of-mine variable operating costs in agreement with the cost definition and estimate methodologies outlined below. This basis considers the development of a facility capable of processing 200,000 barrels per day of brine.

 

Assumptions made in developing the process operating cost estimate are listed below:

 

·CPF production is set at an average of 22,500 t of Li2CO3 per year.

 

·Variable operating costs are calculated based on power consumption, reagents consumption, process consumables, and natural gas use.

 

·Consumables consumption rates have been estimated based on vendors information and quotations.

 

South West Arkansas ProjectPage 179
  
NI 43-101 Technical Report & Definitive Feasibility StudyOctober 14, 2025

 

 

 

·Reagent consumption rates have been estimated based on the metallurgical testwork results at a nominal basis and modified based on the production rate and brine inflow.

  

21.3.3.2Power

 

The project power draw was based on the average power utilization of each motor on the electrical load list of the project, including the wellfields. The average power cost was estimated based on the natural gas supply cost and the conversion factor from the gas turbine generator.

 

An estimated average of 304,588 MWh is nominally required per year for the whole project, resulting in an average annual power cost of US$12 million, or US$541/t Li2CO3 produced. This represents 12.0% of the project operating costs.

 

21.3.3.3Reagents

 

Individual reagent consumption rates were estimated based on the metallurgical testwork results, Ausenco’s in-house database and experience, industry practice, and peer-reviewed literature. Reagent costs were obtained by SWA Lithium LLC from vendor quotations to site, including HCl, Na2CO3, NaOH, CO2 among others.

 

Reagents’ quantities have been estimated based on the base case and then modified annually based on the production plan and their application.

 

Reagents represent approximately 76% of the average variable operating costs at US$2,156/t of Li2CO3 produced.

 

21.3.3.4Consumables

 

Other consumables (e.g., filter media, cartridges, etc.) were estimated using the following:

 

·vendor information on replacement levels

 

·costs obtained by SWA Lithium LLC vendor quotations to site

 

·consumables represent approximately 4% of the average variable operating costs at US$106/t of Li2CO3 produced.

 

21.3.3.5Natural Gas

 

The natural gas cost is based on the consumption of equipment in the process plant. Unit cost was supplied by SWA Lithium LLC. Natural gas represents approximately 1% of the average variable operating costs at US$22/t of Li2CO3 produced.

 

An annualized breakdown of the operating costs relating to the process plant in its entirety is provided in Table 21-21. The average yearly process operating costs amount to US$100.1 million or US$4,516/t of produced Li2CO3 produced.

 

South West Arkansas ProjectPage 180
  
NI 43-101 Technical Report & Definitive Feasibility StudyOctober 14, 2025

 

 

 

Table 21-21:  Annualized Operating Cost

  

Year Unit 1 2 3 4 5 6 7 8 9 10 11 12 13 14 15 16 17 18 19 20
Total Produced Li2CO 18,750 22,500 22,500 22,500 22,500 22,500 22,500 22,500 22,500 22,500 22,500 22,500 22,500 22,500 22,500 22,500 22,500 22,413 21,462 20,490
Fixed Operating Costs                                            
Labour US$M  9.5 9.5 9.5 9.5 9.5 9.5 9.5 9.5 9.5 9.5 9.5 9.5 9.5 9.5 9.5 9.5 9.5 9.5 9.5 9.5
Mobile Equipment US$M  0.4 0.4 0.4 0.4 0.4 0.4 0.4 0.4 0.4 0.4 0.4 0.4 0.4 0.4 0.4 0.4 0.4 0.4 0.4 0.4
Solids Disposal US$M  0.4 0.4 0.4 0.4 0.4 0.4 0.4 0.4 0.4 0.4 0.4 0.4 0.4 0.4 0.4 0.4 0.4 0.4 0.4 0.4
Maintenance US$M  6.9 6.9 6.9 6.9 6.9 6.9 6.9 6.9 6.9 6.9 6.9 6.9 6.9 6.9 6.9 6.9 6.9 6.9 6.9 6.9
Lab Services US$M  1.0 1.0 1.0 1.0 1.0 1.0 1.0 1.0 1.0 1.0 1.0 1.0 1.0 1.0 1.0 1.0 1.0 1.0 1.0 1.0
Wellfield US$M  7.2 7.2 7.2 7.2 7.2 4.5 4.5 4.5 4.5 5.1 5.1 5.1 5.1 5.1 5.1 5.1 5.1 5.1 5.1 5.1
Subsurface US$M  4.6 3.9 4.5 3.9 4.2 3.9 4.5 3.9 3.9 5.0 3.9 4.7 5.3 4.7 4.6 5.4 4.6 4.7 5.3 5.2
General & Admin US$M  9.3 9.3 9.3 9.3 9.3 9.3 9.3 9.3 9.3 9.3 9.3 9.3 9.3 9.3 9.3 9.3 9.3 9.3 9.3 9.3
Variable Operating Costs                                           
Power US$M  10.1 10.4 10.5 10.5 10.5 10.6 10.6 10.7 10.8 11.7 12.0 12.2 12.5 12.8 13.3 13.7 14.0 14.4 14.3 14.3
Reagents US$M  40.9 46.7 46.8 46.8 46.9 46.9 47.0 47.1 47.3 47.4 47.8 48.1 48.5 48.9 49.5 50.0 50.5 50.8 49.4 47.9
Consumables US$M  2.1 2.1 2.1 2.1 2.1 2.1 2.1 2.2 2.2 2.2 2.3 2.3 2.4 2.4 2.5 2.6 2.7 2.8 2.8 2.8
Natural Gas US$M  0.5 0.5 0.5 0.5 0.5 0.5 0.5 0.5 0.5 0.5 0.5 0.5 0.5 0.5 0.5 0.5 0.5 0.5 0.5 0.5
Total Operating Costs  US$M  92.9 98.3 99.0 98.5 98.9 95.9 96.7 96.4 96.5 99.3 99.0 100.3 101.7 101.8 102.9 104.7 104.8 105.7 104.8 103.1

 

South West Arkansas ProjectPage 181
  
NI 43-101 Technical Report & Definitive Feasibility StudyOctober 14, 2025

 

 

 

21.4Comments on Capital and Operating Costs

  

21.4.1Capital Cost Estimate

 

The capital cost estimate is a Class 3 estimate according to AACE International standards, with an accuracy of -10% to +15%. All capital cost estimates are in Q1 2025 US dollars.

 

Most of the estimate is based on budgetary quotes or tenders from vendors and contractors.

 

The initial capital cost estimate is US$1,449 million. The estimated sustaining capital cost is US$106 million. The combined initial and sustaining capital costs for the life of mine are estimated to be US$1,555 million.

 

Closure costs are estimated at US$21 million.

 

Contingency has been determined with a probability of occurrence workshop and established at 12.3%.

 

21.4.2Operating Cost Estimate

 

The operating cost estimate is a Class 3 estimate according to AACE International standards, with an accuracy of ±15% to +15%. All operating cost estimates are in Q1 2025 US dollars.

 

The operating cost is based on the wellfields production plan and the total Li2CO3 production rate.

 

The total operating cost over the life of project is US$2,001 million.

 

The average operating cost of the project is US$4,516/t Li2CO3 produced.

 

South West Arkansas ProjectPage 182
  
NI 43-101 Technical Report & Definitive Feasibility StudyOctober 14, 2025

 

 

 

22Economic Analysis

  

22.1Forward-Looking Information Cautionary Statements

 

The results of the economic analyses discussed in this section represent forward-looking information, because the results depend on inputs that are subject to known and unknown risks, uncertainties, and other factors that may cause actual results to differ materially from those presented herein. Forward-looking information includes the following:

 

·mineral resource and reserve estimates

 

·assumed lithium price

 

·the proposed wellfield production plan

 

·projected production and process recovery rates

 

·assumptions as to brine flowrate

 

·sustaining costs and proposed operating costs

 

·assumptions as to closure costs and requirements

 

·assumptions as to environmental, permitting, and social risks.

 

Additional risks to the forward-looking information include:

 

·changes to costs of production from what are estimated

 

·unrecognized environmental risks

 

·unanticipated reclamation expenses

 

·unexpected variations in the quantity of brine, concentration, or recovery rates

 

·geotechnical or hydrogeological considerations during drilling being different from what was assumed

 

·failure of production methods to operate as anticipated

 

·failure of plant, equipment, or processes to operate as anticipated

 

·changes to assumptions in the availability of electrical power, and the power rates used in the operating cost estimates and financial analysis

 

·ability to maintain the social license to operate

 

·accidents, labour disputes, and other mining industry risks

 

·changes to interest rates

 

·changes to tax rates.

 

South West Arkansas ProjectPage 183
  
NI 43-101 Technical Report & Definitive Feasibility StudyOctober 14, 2025

 

 

 

This model assumes that permits will be obtained in support of operations, and approval for development will be provided by SWA Lithium LLC’s board.

 

22.2Methodologies Used

 

An engineering economic model was developed to estimate annual pre-tax and post-tax cash flows and sensitivities of the project based on an 8% discount rate. It must be noted, however, that tax estimates involve many complex variables that can only be accurately calculated during operations and, as such, the post-tax results are only approximations. A sensitivity analysis was performed to assess the impact on lithium price, discount rate, initial capital costs, operating costs and LCE production.

 

The capital and operating cost estimates were developed specifically for this project (presented in 2025 United States dollars). The economic analysis was run with no inflation (constant dollar basis).

 

22.3Financial Model Parameters

 

The economic analysis was performed using the following assumptions:

 

·Project revenue is derived from the sale of lithium carbonate.

 

·All cash flows are discounted back to the start of project execution.

 

·Construction period of three years.

 

·Annual production of 22,500 t LCE with a ramp-up modifier for Year 1 (83.3%).

 

·All products are assumed to be sold in the same year they are produced.

 

·The lithium prices are based on consensus prices and assuming constant price US$22,400/t LCE. The forecasts used are meant to reflect the average lithium price expectation over the life of the project. Commodity prices can be volatile, and there is the potential for deviation from the forecast.

 

·A project life of 20 years.

 

·No adjustments for price inflation or escalation were applied.

 

·Capital costs funded with 100% equity (i.e., unlevered with no project debt or associated financing costs assumed).

 

·No binding contractual arrangements are currently in place.

 

22.3.1Taxes

 

The project was evaluated on a post-tax basis to provide approximate value of the potential economics. A tax model was prepared by SWA Lithium LLC’s appointed tax consultant. The calculations are based on the tax regime in place as of the date of this study.

 

South West Arkansas ProjectPage 184
  
NI 43-101 Technical Report & Definitive Feasibility StudyOctober 14, 2025

 

 

 

At the effective date of the cashflow, the project was assumed to be subject to the following tax regime:

 

·Corporate income tax of 24.4%, federal tax of 21%, and state tax of 3.4%.

 

·Property tax is estimated to be US$281 million over the life of the project.

 

·Severance tax applying to the brine volume extracted at US$2.75 per thousand barrels of brine.

 

Total tax payments are estimated to be approximately US$1,151 million over the life of the project.

 

22.3.2Working Capital

 

A high-level estimate of working capital has been incorporated in the cash flow, based on accounts receivable (0 days), inventory (30 days), and accounts payable (30 days).

 

22.3.3Closure Costs

 

Closure cost including the closure bond total US$21 million for site closure and rehabilitation over the life of the project.

 

22.3.4Royalties

 

Three royalties apply to the project as follows:

 

·brine fee payable to Arkansas State for US$65.05 per acre

 

·lithium royalty payable to the AOGC for 2.5% gross revenue

 

·lithium override payable to TETRA for 2.5% gross revenue applying to TETRA leased acreage (82.5% of total acreage).

 

Over the life of the project, total royalty payments are US$480 million.

 

22.4Economic Analysis

 

For the base case, the pre-tax NPV (8%) is US$1,665.8 million with an IRR of 20.2%, and a payback period of 4.0 years. On a post-tax basis, the NPV (8%) is US$1,275.0 million, with an IRR of 18.2% and a payback period of 4.2 years.

 

Project economics are summarized in Table 22-1 and illustrated in Figure 22-1.

 

Table 22-2 shows a summary of the project’s cashflow on an annual basis.

 

South West Arkansas ProjectPage 185
  
NI 43-101 Technical Report & Definitive Feasibility StudyOctober 14, 2025

 

 

 

Table 22-1: Economic Analysis Summary

 

Description Units Base 
Modelled Plant Operating Life yrs 20.0
Average Lithium Concentration mg/L Li 481
Average Annual Lithium Carbonate Production t (LCE)/a 22,155.8
Total Lithium Carbonate Production t (LCE) 443,115
Revenue/Costs    
Selling Price US$/t 22,400
Total Revenue US$M 9,925.8
Average Annual Revenue US$M/a 496.3
EBITDA US$M 7,444.6
Average Annual EBITDA US$M/a 372.2
Total On Site Operating Costs  (Production, Process, G&A) US$M 2,001.1
Cash Costs    
Cash Operating Cost* US$/t LCE 4,516.05
Total Cash Cost** US$/t LCE 5,599.51
All-In Sustaining Cost*** US$/t LCE 5,923.84
Capital Costs    
Initial Capital US$M 1,448.9
Sustaining Capital US$M 122.7
Closure Capital US$M 21.0
Salvage Value US$M
Pre-Tax Economics    
NPV (8%) US$M 1,665.8
IRR % 20.2
Payback year 4.0
NPV / Initial Capital - 1.1
Post-Tax Economics    
NPV (8%) US$M 1,275.0
IRR % 18.2%
Payback year 4.2
NPV/Initial Capital - 0.9

Notes: * Cash operating costs consist of consist of production costs, processing costs, site-level G&A and offsite charges. ** Total cash cost includes cash operating cost and royalties. *** AISC includes total cash cost, sustaining capital and closure capital. Source: Ausenco (2025).

 

South West Arkansas ProjectPage 186
  
NI 43-101 Technical Report & Definitive Feasibility StudyOctober 14, 2025

 

 

 

Figure 22-1: Projected Life-of-Mine Post-Tax Unlevered Free Cash Flow

 

 

Source: Ausenco (2025).

 

South West Arkansas ProjectPage 187
  
NI 43-101 Technical Report & Definitive Feasibility StudyOctober 14, 2025

 

 

 

Table 22-2: Cashflow Statement on an Annualized Basis

 

Dollar Figures in real 2025 $M unless otherwise noted Units Total / Avg. -4 -3 -2 -1 1 2 3 4 5 6 7 8 9 10 11 12 13 14 15 16 17 18 19 20
Macro assumptions                                                    
LCE Price US$/t 22,400 22,400 22,400 22,400 22,400 22,400 22,400 22,400 22,400 22,400 22,400 22,400 22,400 22,400 22,400 22,400 22,400 22,400 22,400 22,400 22,400 22,400 22,400 22,400 22,400
Free Cash Flow Valuation                                                    
Gross Revenue US$M 9,925.8 420.0 504.0 504.0 504.0 504.0 504.0 504.0 504.0 504.0 504.0 504.0 504.0 504.0 504.0 504.0 504.0 504.0 502.1 480.7 459.0
Operating Expenses US$M (2,001.1) (92.9) (98.3) (99.0) (98.5) (98.9) (95.9) (96.7) (96.4) (96.5) (99.3) (99.0) (100.3) (101.7) (101.8) (102.9) (104.7) (104.8) (105.7) (104.8) (103.1)
Royalties US$M (480.1) (20.5) (24.4) (24.4) (24.4) (24.4) (24.4) (24.4) (24.4) (24.4) (24.4) (24.4) (24.4) (24.4) (24.4) (24.4) (24.4) (24.4) (24.3) (23.3) (22.3)
EBITDA US$M 7,444.6 306.6 381.3 380.6 381.1 380.7 383.7 383.0 383.3 383.1 380.4 380.7 379.3 378.0 377.8 376.8 375.0 374.8 372.1 352.6 333.6
Pre-production Operating Cost US$M - - - - -
Initial Capital US$M (1,448.9) (356.9) (680.5) (411.4)
Sustaining Capital US$M (122.7) (2.6) (2.4) (2.4) (2.4) (2.4) (2.4) (2.4) (75.8) (2.4) (2.4) (2.4) (2.4) (2.4) (2.4) (2.4) (2.4) (2.4) (2.4) (2.4) (4.0)
Closure Capital US$M (21.0) (0.2) (0.0) (20.8)
Salvage Value US$M
Change in Working Capital US$M
Pre-Tax Unlevered Free Cash Flow US$M 5,852.0 (356.9) (680.5) (411.4) 303.9 378.9 378.3 378.7 378.4 381.3 380.6 307.5 380.7 378.0 378.3 377.0 375.6 375.4 374.4 372.6 372.4 369.7 350.3 308.8
Pre-Tax Cumulative Unlevered Free Cash Flow US$M   (356.9) (1,037.5) (1,448.9) (1,145.0) (766.0) (387.7) (9.0) 369.4 750.7 1,131.3 1,438.8 1,819.5 2,197.5 2,575.8 2,952.8 3,328.3 3,703.8 4,078.2 4,450.8 4,823.2 5,193.0 5,543.2 5,852.0
Unlevered Cash Taxes US$M (1,150.5) (3.4) (8.4) (11.1) (5.2) (10.7) (14.9) (18.8) (22.1) (24.7) (66.6) (54.8) (78.7) (77.8) (77.6) (77.3) (76.9) (76.9) (76.7) (76.3) (76.2) (75.7) (71.9) (67.8)
Post-Tax Unlevered Free Cash Flow US$M 4,701.5 (360.3) (688.9) (422.5) 298.7 368.2 363.4 360.0 356.3 356.6 314.0 252.7 302.0 300.2 300.7 299.7 298.6 298.5 297.7 296.3 296.2 294.1 278.4 240.9
Post-Tax Cumulative Unlevered Free Cash Flow US$M   (360.3) (1,049.3) (1,471.7) (1,173.0) (804.8) (441.4) (81.4) 274.9 631.4 945.4 1,198.1 1,500.1 1,800.3 2,101.0 2,400.7 2,699.4 2,997.9 3,295.6 3,591.9 3,888.1 4,182.2 4,460.6 4,701.5
Production                                                    
Total LCE Produced t 443,115 18,750 22,500 22,500 22,500 22,500 22,500 22,500 22,500 22,500 22,500 22,500 22,500 22,500 22,500 22,500 22,500 22,500 22,413 21,462 20,490
Total Revenue US$M 9,925.8 420.0 504.0 504.0 504.0 504.0 504.0 504.0 504.0 504.0 504.0 504.0 504.0 504.0 504.0 504.0 504.0 504.0 502.1 480.7 459.0
Operating Expenses                                                    
Total Operating Costs US$M 2,001.1 92.9 98.3 99.0 98.5 98.9 95.9 96.7 96.4 96.5 99.3 99.0 100.3 101.7 101.8 102.9 104.7 104.8 105.7 104.8 103.1
Fixed Costs US$M 749.3 39.2 38.5 39.1 38.5 38.8 35.9 36.4 35.9 35.8 37.5 36.4 37.2 37.9 37.2 37.2 37.9 37.2 37.2 37.9 37.7
Variable Costs US$M 1,251.8 53.7 59.8 59.9 60.0 60.1 60.1 60.3 60.5 60.7 61.8 62.5 63.1 63.8 64.6 65.7 66.8 67.7 68.5 66.9 65.4
Royalties                                                    
Brine Fee US$M 27.1 1.4 1.4 1.4 1.4 1.4 1.4 1.4 1.4 1.4 1.4 1.4 1.4 1.4 1.4 1.4 1.4 1.4 1.4 1.4 1.4
Lithium Royalty – AOGC US$M 248.1 10.5 12.6 12.6 12.6 12.6 12.6 12.6 12.6 12.6 12.6 12.6 12.6 12.6 12.6 12.6 12.6 12.6 12.6 12.0 11.5
Lithium Royalty – TETRA Override US$M 204.8 8.7 10.4 10.4 10.4 10.4 10.4 10.4 10.4 10.4 10.4 10.4 10.4 10.4 10.4 10.4 10.4 10.4 10.4 9.9 9.5
Total Royalties US$M 480.1 20.5 24.4 24.4 24.4 24.4 24.4 24.4 24.4 24.4 24.4 24.4 24.4 24.4 24.4 24.4 24.4 24.4 24.3 23.3 22.3
Cash costs                                                    
Total Cash Cost* US$/t LCE 5,600 6,047 5,453 5,482 5,461 5,478 5,347 5,380 5,365 5,372 5,495 5,482 5,540 5,602 5,608 5,654 5,735 5,742 5,797 5,968 6,119
AISC** US$/t LCE 5,924 6,192 5,559 5,588 5,567 5,584 5,452 5,485 8,732 5,478 5,601 5,587 5,646 5,708 5,714 5,760 5,840 5,848 5,903 6,079 7,331

 

South West Arkansas ProjectPage 188
  
NI 43-101 Technical Report & Definitive Feasibility StudyOctober 14, 2025

 

 

 

Dollar Figures in real 2025 $M unless otherwise noted Units Total / Avg. -4 -3 -2 -1 1 2 3 4 5 6 7 8 9 10 11 12 13 14 15 16 17 18 19 20
Capital Expenditures                                                    
Total Initial Capital US$M 1,448.9 356.9 680.5 411.4
General US$M 4.9 1.2 2.3 1.4
Brine Supply US$M 170.6 42.0 80.1 48.4
Brine Preparation US$M 66.6 16.4 31.3 18.9
Lithium Extraction US$M 158.1 38.9 74.2 44.9
Lithium Purification / Concentration US$M 109.2 26.9 51.3 31.0
Lithium Conversion US$M 13.3 3.3 6.2 3.8
Carbonation US$M 86.5 21.3 40.6 24.6
Product Handling US$M 36.3 9.0 17.1 10.3
Brine Disposal and Waste Handling US$M 153.0 37.7 71.9 43.4
Auxiliary Systems US$M 28.2 7.0 13.3 8.0
Infrastructure US$M 79.8 19.7 37.5 22.7
Self Generation & Co-Generation System US$M 50.6 12.5 23.7 14.4
Off-Site Infrastructure US$M 0.7 0.2 0.3 0.2
Overall On-Site US$M 19.1 4.7 9.0 5.4
Project Indirect Costs US$M 146.1 36.0 68.6 41.5
Miscellaneous Costs US$M 166.3 41.0 78.1 47.2
Contingencies US$M 159.5 39.3 74.9 45.3
Total Sustaining Capital US$M 122.7 2.6 2.4 2.4 2.4 2.4 2.4 2.4 75.8 2.4 2.4 2.4 2.4 2.4 2.4 2.4 2.4 2.4 2.4 2.4 4.0
Brine Supply US$M 32.0 32.0
Lithium Extraction US$M 39.4 2.0 2.0 2.0 2.0 2.0 2.0 2.0 2.0 2.0 2.0 2.0 2.0 2.0 2.0 2.0 2.0 2.0 2.0 2.0 2.0
Lithium Purification / Concentration US$M 2.5 0.3 0.1 0.1 0.1 0.1 0.1 0.1 0.1 0.1 0.1 0.1 0.1 0.1 0.1 0.1 0.1 0.1 0.1 0.1 0.1
Carbonation US$M 0.5 0.0 0.0 0.0 0.0 0.0 0.0 0.0 0.0 0.0 0.0 0.0 0.0 0.0 0.0 0.0 0.0 0.0 0.0 0.0 0.0
Brine Disposal and Waste Handling US$M 21.7 21.7
Infrastructure US$M 2.0 0.0 2.0
Project Indirect Costs US$M 9.6 9.6
Contingencies US$M 14.9 0.3 0.3 0.3 0.3 0.3 0.3 0.3 8.3 0.3 0.3 0.3 0.3 0.3 0.3 0.3 0.3 0.3 0.3 0.3 1.9
Closure cost US$M 21.0 0.2 0.0 20.8
Salvage value US$M
Total Capital Expenditure incl. Salvage Value US$M 1,592.6 356.9 680.5 411.4 2.7 2.4 2.4 2.4 2.4 2.4 2.4 75.8 2.4 2.4 2.4 2.4 2.4 2.4 2.4 2.4 2.4 2.4 2.4 24.8

Notes: * Total cash costs consist of production costs, processing costs and site-level G&A, and royalties. ** AISC includes total cash cost, sustaining capital and closure capital. Source: Ausenco (2025).

 

South West Arkansas ProjectPage 189
  
NI 43-101 Technical Report & Definitive Feasibility StudyOctober 14, 2025

 

 

 

22.5Sensitivity Analysis

 

A sensitivity analysis was conducted on the project’s pre-tax and post-tax NPV and IRR assessing the impact of changes in lithium price, discount rate, operating costs, initial capital, and LCE production.

 

The analysis indicated that the project is most sensitive to fluctuations in the lithium price and LCE production, and to a lesser extent, initial capital cost and operating costs, as shown in Tables 22-3 and 22-4, and Figures 22-2 and 22-3.

 

Table 22-3: Pre-Tax Sensitivity Table

 

  Pre-Tax NPV Sensitivity to Discount Rate (US$M)   Pre-Tax IRR Sensitivity to Discount Rate
    Lithium Price     Lithium Price
Discount Rate   (20%) (10%) 10% 20% Discount Rate   (20%) (10%) 10% 20%
3.0% 2,353 3,007 3,661 4,315 4,969 3.0% 15.21% 17.81% 20.25% 22.55% 24.74%
5.0% 1,640 2,161 2,682 3,204 3,725 5.0% 15.21% 17.81% 20.25% 22.55% 24.74%
8.0% 901 1,284 1,666 2,048 2,430 8.0% 15.21% 17.81% 20.25% 22.55% 24.74%
10.0% 559 875 1,191 1,507 1,823 10.0% 15.21% 17.81% 20.25% 22.55% 24.74%
12.0% 298 563 828 1,093 1,357 12.0% 15.21% 17.81% 20.25% 22.55% 24.74%
  Pre-Tax NPV Sensitivity to Operating Cost (US$M)   Pre-Tax IRR Sensitivity to Operating Cost
    Lithium Price     Lithium Price
Opex   (20%) (10%) 10% 20% Opex 26% (20%) (10%) 10% 20%
(20.0%) 1,061 1,444 1,826 2,208 2,590 (20.0%) 16.32% 18.85% 21.22% 23.48% 25.63%
(10.0%) 981 1,364 1,746 2,128 2,510 (10.0%) 15.77% 18.33% 20.74% 23.01% 25.19%
-- 901 1,284 1,666 2,048 2,430 -- 15.21% 17.81% 20.25% 22.55% 24.74%
10.0% 821 1,204 1,586 1,968 2,350 10.0% 14.64% 17.28% 19.75% 22.08% 24.29%
20.0% 741 1,124 1,506 1,888 2,270 20.0% 14.06% 16.75% 19.25% 21.60% 23.83%
  Pre-Tax NPV Sensitivity to Initial Capital (US$M)   Pre-Tax IRR Sensitivity to Initial Capital
    Lithium Price     Lithium Price
Initial CAPEX   (20%) (10%) 10% 20% Initial CAPEX   (20%) (10%) 10% 20%
(20.0%) 1,159 1,541 1,923 2,306 2,688 (20.0%) 18.89% 21.84% 24.61% 27.23% 29.73%
(10.0%) 1,030 1,412 1,795 2,177 2,559 (10.0%) 16.89% 19.65% 22.24% 24.68% 27.01%
-- 901 1,284 1,666 2,048 2,430 -- 15.21% 17.81% 20.25% 22.55% 24.74%
10.0% 773 1,155 1,537 1,919 2,301 10.0% 13.77% 16.24% 18.55% 20.73% 22.80%
20.0% 644 1,026 1,408 1,790 2,172 20.0% 12.51% 14.87% 17.07% 19.15% 21.12%
  Pre-Tax NPV Sensitivity to LCE Production (US$M)   Pre-Tax IRR Sensitivity to LCE Production
    Lithium Price     Lithium Price
LCE Production   (20%) (10%) 10% 20% LCE Production   (20%) (10%) 10% 20%
(20.0%) 290 596 901 1,207 1,513 (20.0%) 10.54% 12.97% 15.21% 17.31% 19.29%
(10.0%) 596 940 1,284 1,628 1,972 (10.0%) 12.97% 15.48% 17.81% 20.01% 22.10%
-- 901 1,284 1,666 2,048 2,430 -- 15.21% 17.81% 20.25% 22.55% 24.74%
10.0% 1,207 1,628 2,048 2,468 2,889 10.0% 17.31% 20.01% 22.55% 24.95% 27.25%
20.0% 1,513 1,972 2,430 2,889 3,347 20.0% 19.29% 22.10% 24.74% 27.25% 29.65%

Source: Ausenco (2025).

 

South West Arkansas ProjectPage 190
  
NI 43-101 Technical Report & Definitive Feasibility StudyOctober 14, 2025

 

 

 

Table 22-4: Post-Tax Sensitivity Table

 

  Post-Tax NPV Sensitivity to Discount Rate (US$M)   Post-Tax IRR Sensitivity to Discount Rate
    Lithium Price     Lithium Price
Discount Rate   (20%) (10%) 10% 20% Discount Rate   (20%) (10%) 10% 20%
3.0% 1,843 2,380 2,915 3,448 3,982 3.0% 13.50% 15.96% 18.23% 20.37% 22.40%
5.0% 1,252 1,684 2,113 2,540 2,967 5.0% 13.50% 15.96% 18.23% 20.37% 22.40%
8.0% 637 957 1,275 1,590 1,905 8.0% 13.50% 15.96% 18.23% 20.37% 22.40%
10.0% 350 617 882 1,144 1,405 10.0% 13.50% 15.96% 18.23% 20.37% 22.40%
12.0% 131 357 580 801 1,020 12.0% 13.50% 15.96% 18.23% 20.37% 22.40%
  Post-Tax NPV Sensitivity to Operating Cost (US$M)   Post-Tax IRR Sensitivity to Operating Cost
    Lithium Price     Lithium Price
Opex   (20%) (10%) 10% 20% Opex 26% (20%) (10%) 10% 20%
(20.0%) 759 1,078 1,394 1,709 2,023 (20.0%) 14.46% 16.83% 19.05% 21.14% 23.13%
(10.0%) 698 1,018 1,335 1,650 1,964 (10.0%) 13.98% 16.40% 18.64% 20.76% 22.77%
-- 637 957 1,275 1,590 1,905 -- 13.50% 15.96% 18.23% 20.37% 22.40%
10.0% 575 897 1,215 1,531 1,846 10.0% 13.01% 15.51% 17.81% 19.98% 22.03%
20.0% 514 836 1,155 1,471 1,786 20.0% 12.51% 15.05% 17.39% 19.58% 21.65%
  Post-Tax NPV Sensitivity to Initial Capital (US$M)   Post-Tax IRR Sensitivity to Initial Capital
    Lithium Price     Lithium Price
Initial CAPEX   (20%) (10%) 10% 20% Initial CAPEX   (20%) (10%) 10% 20%
(20.0%) 895 1,215 1,533 1,848 2,162 (20.0%) 17.08% 19.87% 22.47% 24.91% 27.23%
(10.0%) 766 1,086 1,404 1,719 2,034 (10.0%) 15.14% 17.75% 20.17% 22.44% 24.60%
-- 637 957 1,275 1,590 1,905 -- 13.50% 15.96% 18.23% 20.37% 22.40%
10.0% 508 829 1,146 1,462 1,776 10.0% 12.09% 14.42% 16.58% 18.60% 20.52%
20.0% 379 700 1,017 1,333 1,647 20.0% 10.87% 13.09% 15.14% 17.07% 18.89%
  Post-Tax NPV Sensitivity to LCE Production (US$M)   Post-Tax IRR Sensitivity to LCE Production
    Lithium Price     Lithium Price
LCE Production   (20%) (10%) 10% 20% LCE Production   (20%) (10%) 10% 20%
(20.0%) 122 385 644 900 1,155 (20.0%) 9.13% 11.44% 13.55% 15.53% 17.38%
(10.0%) 381 673 961 1,247 1,531 (10.0%) 11.41% 13.78% 15.98% 18.03% 19.97%
-- 637 957 1,275 1,590 1,905 -- 13.50% 15.96% 18.23% 20.37% 22.40%
10.0% 890 1,240 1,587 1,933 2,278 10.0% 15.46% 17.99% 20.35% 22.57% 24.69%
20.0% 1,141 1,521 1,898 2,274 2,650 20.0% 17.29% 19.91% 22.36% 24.67% 26.87%

Source: Ausenco (2025).

 

South West Arkansas ProjectPage 191
  
NI 43-101 Technical Report & Definitive Feasibility StudyOctober 14, 2025

 

 

 

Figure 22-2: Pre-Tax Sensitivity Charts

 

 

Note: Series lines for lithium price and LCE production overlap in the above figures. Source:
Ausenco (2025).

 

South West Arkansas ProjectPage 192
  
NI 43-101 Technical Report & Definitive Feasibility StudyOctober 14, 2025

 

 

 

Figure 22-3: Post-Tax Sensitivity Charts

 

 

Note: Series lines for lithium price and LCE production overlap in the above figures. Source: Ausenco (2025).

 

South West Arkansas ProjectPage 193
  
NI 43-101 Technical Report & Definitive Feasibility StudyOctober 14, 2025

 

 

 

23Adjacent Properties

 

Several companies have significant stakeholdings to the west, south and east of the South West Arkansas property, as illustrated Figure 23-1 and described in the following subsections. The author has not verified the information associated with the adjacent properties, and this information is not necessarily indicative of mineralization or development opportunities at the South West Arkansas Project.

 

Figure 23-1: Adjacent Properties

 

 

Source: Standard Lithium Ltd. (2025).

 

South West Arkansas ProjectPage 194
  
NI 43-101 Technical Report & Definitive Feasibility StudyOctober 14, 2025

 

 

 

23.1Albemarle Corporation

 

Albemarle Corporation (Albemarle) is one of the largest producers of bromine and lithium-related resources and products world-wide, with bromine operations in Arkansas (US) and Jordan, and lithium operations in Chile, Australia, Germany, and Clayton Valley, Nevada (US). Albemarle exclusively operates using conventional lithium extraction technologies at their commercial facilities but have invested significant resources into direct lithium extraction (DLE) research. Albemarle announced it was going to build a pilot plant to extract lithium (Magnolia Reporter, 2024). No additional information on this subject is currently available. To the QP’s knowledge, lithium has not been commercially produced to date by Albemarle at either of Albemarle’s facilities in South Arkansas nor have lithium resources or reserves been published.

 

Albemarle Corporation operates two brine-based bromine extraction plants near Magnolia, Arkansas. Albemarle's Magnolia West and South plants are fed by a network of brine production wells in Columbia County. In 2024, brine production was 18.4 Mm3 (115.9 million US barrels) from 18 brine supply wells at its Magnolia facilities (AOGC, 2024a; Albemarle, 2025). The Albemarle wellfield directly abuts the South West Arkansas property on the eastern boundary as shown in Figure 23-1 (Albemarle Corporation, 2025).

 

23.2Saltwerx, LLC

 

Saltwerx, LLC was acquired by ExxonMobil Low Carbon Solutions Minerals LLC (with its other affiliates collectively referred to as ExxonMobil Corporation) in January 2023. At that time, Saltwerx owned 120,000 gross mineral acres of leases in the Smackover Formation and had completed well testing, reservoir modelling, and inferred mineral resource estimates on their lithium-brine prospect in southern Arkansas. They estimated that this acreage could contain 3.6 million tonnes of lithium carbonate equivalent (Saltwerx, 2021).

 

A regional appraisal drilling program and 2D seismic survey were completed in 2023/2024 (AOGC, 2025a). In April 2025, Saltwerx applied and was approved to unitize 56,245.58 acres identified as the “Pine brine unit” located in Miller and Lafayette counties immediately to the south and west of the South West Arkansas property (Figure 23-1) (AOGC, 2025). To the QP’s knowledge, no estimate of the lithium resource or reserves has been published for the Pine brine unit.

 

23.3TETRA Technologies

 

In 2022, TETRA completed a maiden inferred bromine and lithium brine resource estimate for its leased acreage in the Smackover Formation. The brine resource underlying the approximately 5,000 gross acres where TETRA holds lithium mineral rights that are not subject to the lithium option agreement with SWA Lithium LLC is estimated to contain an inferred resource of 212,000 tonnes of LCE (TETRA, 2022).

 

In June 2023, TETRA filed an application with the AOGC to establish a brine unit on this property and indicated an increase in acreage to approximately 6,138 acres (TETRA, 2023). The unitization of the evergreen brine unit was approved by the AOGC in September 2023 (AOGC, 2023). TETRA completed a bromine definitive feasibility study for the “Evergreen brine unit” in 2024 (RESPEC, 2024). The lithium resource was upgraded to measured and indicated categories totalling approximately 200,000 tonnes LCE, with 123,000 tonnes LCE in the inferred category (RESPEC, 2024). In April 2025, TETRA expanded the Evergreen brine unit to 6,953 acres (AOGC, 2025b). The Evergreen brine unit consists of TETRA, as operator, owning a 65% working interest, while Saltwerx is the non-operating party that owns the remaining 35% working interest.

 

South West Arkansas ProjectPage 195
  
NI 43-101 Technical Report & Definitive Feasibility StudyOctober 14, 2025

 

 

 

24Other Relevant Data and Information

 

24.1Federal, State and Local Support

 

The project successfully applied for funding from the US Government Federal Department of Energy (DOE) under the DE-FOA-0003099: Bipartisan Infrastructure Law (BIL) Battery Materials Processing and Battery Manufacturing Grants and was successful in obtaining support in the form of a $225 million grant from the DOE’s Office of Manufacturing and Energy Supply Chains (closed in January 2025), for development of the CPF. Acceptance of DOE funding consequently triggered the requirement for the Project to comply with the United States National Environmental Policy Act (NEPA), for which an environmental assessment was initiated in early 2025.

 

In addition, the project maintains strong support from the local community, the state of Arkansas and the U.S. government.  In addition to the federal grant, the project was selected to be advanced under Executive Order 14241: Immediate Measures to Increase American Mineral Production as a priority critical mineral project in the Fast-41 Program.  This was announced by the U.S. Federal Permitting Improvement Steering Council at the recommendation of the National Energy Dominance Council, with the designation ensuring increased transparency, accountability and predictability in the permitting review process.

 

24.2Project Execution

 

This technical report is based on the execution strategy outlined in the Project Execution Plan (PEP), Construction Execution Plan (CEP), and Commissioning Management Plan (CMP) prepared during front-end engineering design (FEED). The PEP is a governing document that establishes the means to execute, monitor, and control the execution phase of the South West Arkansas Project. The CEP covers the scope of work from the commencement of construction activities through to mechanical completion and handover to the commissioning teams. The CMP captures commissioning, start-up, and final handover to the Owner. Two contract strategies will be employed to deliver the detailed engineering and execution phases of the project. The project does not consider a construction camp under the assumption that the workers will be accommodated in nearby cities and towns.

 

24.3Central Processing Facility (CPF)

 

Engineering, procurement, construction and commissioning (EPCC) is the selected strategy for the execution of this project. In this arrangement, the project will engage an EPCC contractor who will deliver the CPF for a target price. Once the contract has been executed, the selected contractor will deliver the CPF according to the agreed-upon plan, criteria, schedule, and cost. The contractor will provide regular schedule, progress, and cost reports to keep Standard Lithium apprised of its performance against the plan.

 

The construction will start with site earthworks to construction levels. The construction strategy is based generally on beginning installation of the main pipe rack, which runs east to west across the site. This work starts on the east side near the access road and is contingent upon the completion of early piling activities. Due to the proximity of buildings that need to be constructed on both sides of the pipe rack, initial construction will be limited to one side to ensure safe access and working conditions. As the pipe rack progresses, construction will proceed in key areas from east to west as well.

 

South West Arkansas ProjectPage 196
  
NI 43-101 Technical Report & Definitive Feasibility StudyOctober 14, 2025

 

 

 

Commissioning planning will begin during detailed engineering and will be completed prior to mobilization of personnel to site. Planning will be carried out by the contractor.

 

24.3.1Wellfield

 

The project intends to start an early engineering/bridging phase with a Limited Notice to Proceed awarded to a selected EPCM proponent. During this phase, work will focus on identifying any items, excluding capital purchases, that can be completed with early engineering, permitting or vendor engineering that could be awarded early.

 

Following the Full Notice to Proceed award, well pad B is anticipated to be the first pad to enter construction. Construction will begin with civil work to install erosion and sediment control, as well as the grade the pad, and to complete the drainage structures. The water wells must be completed before raw brine production and spent brine injection well drilling can commence, so the water well drilling should proceed in parallel with the remainder of the pad construction. All underground piping and electrical should be installed prior to soil cementing the drilling strongback area, then drilling of the production and injection wells can commence.

 

Following mechanical completion of the well pads and pipelines, the wellfield will be commissioned. The pipelines and all piping at the well pads will be hydrotested with water.

 

24.3.2Ramp-Up Considerations

 

Ramp-up is not considered in the schedule; however, it is considered in the production plan of the CPF. The ramp-up considers a four-month period to reach full nameplate capacity. To achieve this timeline, SWA Lithium LLC will leverage their experience and operators from the pilot plant. The assigned operators will participate in the latter part of engineering and actively participate during pre-commissioning, commissioning, and ramp-up.

 

24.4Execution Schedule

 

A preliminary execution schedule has been developed based on the construction strategy, permits status, and main quantities. The schedule considers a 34-month period for project execution. The summary is presented in Figure 24-1.

 

Figure 24-1: High-Level Summary Schedule

 

 

Source: Ausenco (2025).

 

South West Arkansas ProjectPage 197
  
NI 43-101 Technical Report & Definitive Feasibility StudyOctober 14, 2025

 

 

 

25Interpretation and Conclusions

 

25.1Introduction

 

The QPs note the following interpretations and conclusions in their respective areas of expertise, based on the review of data available for this report.

 

25.2Mineral Tenure, Surface Rights, Royalties and Agreements

 

Smackover Lithium has successfully completed unitization and established a lithium royalty for the Reynolds brine unit. None of Standard Lithium, Equinor or TETRA has developed the project brine leases and brine deeds for production of brine minerals.

 

Standard Lithium has secured the surface land required to build the central processing facility. In addition, Smackover Lithium has surveyed and executed surface leases or option agreements for the Reynolds brine unit well and well pad locations and has engaged with landowners for pipeline rights-of-way to support development.

 

25.3Geology, Resources and Reserve Estimate

 

Brine has been extracted commercially from the Smackover Formation in southern Arkansas for approximately 60 years and the geology, brine production, and associated reinjection are well-understood. The volume of in-place lithium is proportional to the product of the brine-saturated pore volume and lithium concentration, both of which are known with reasonable accuracy, based on the drilling, logging, coring, and brine sampling data obtained throughout the South West Arkansas property area.

 

It is the opinion of the QP that the resulting data and analyses support the conclusion that the measured, indicated, and inferred resources present at the South West Arkansas property are of sufficient quality to justify installation of a lithium extraction project at the site.

 

The resource present in the Smackover Formation below the South West Arkansas property was updated based on the proposed unitized area encompassing 13,095 gross mineral hectares (32,358 gross mineral acres). Using a conversion factor of 5.323 kg of LCE per kilogram of lithium, the measured plus indicated resource value corresponds to an estimate of 1,177,000 tonnes LCE for 0.5 km3 of brine. For the Middle Smackover inferred resource, the estimate is 278,000 tonnes LCE for 0.15 km3 of brine.

 

The lithium reserve estimates for the Upper Smackover Formation in the initial phase were obtained using a computer simulation model that directly incorporates the geological model used to estimate the resource values. Using the modifying factors developed, the proven reserves are estimated at 447,000 tonnes LCE for 195 Mm3 of brine for the first 20 years of mine life. The probable reserves are estimated at 262,000 tonnes LCE for 232 Mm³ of brine for years 21 to 40 of mine life. The results of this model indicate the Reynolds brine unit of the South West Arkansas property appears capable of producing over 20,000 t/a of lithium carbonate for 20 years or more, and has the capacity for significant further expansion.

 

South West Arkansas ProjectPage 198
  
NI 43-101 Technical Report & Definitive Feasibility StudyOctober 14, 2025

 

 

 

25.4Metallurgy and Process

 

Lithium extraction efficiencies of greater than 95% have been observed in the demonstration plant and at the SWA pilot plant, which is consistent with the expected performance of the LSS technology provided by Aquatech (formerly KTS); similarly, contaminant (Ca, Mg, Na, and K) rejection efficiencies are consistently observed at over 99%, while boron rejection remains close to the 90% target.

 

Pilot testing of the complete lithium carbonate crystallization process flowsheet, including all the main unit operations, has demonstrated commercial suitability.

 

Testing from three OEM carbonation vendors confirmed battery-quality lithium carbonate can be produced, meeting the required impurity specifications for the project using lithium chloride produced via the pilot plant, which treated the same brine as will be processed by the project.

 

The pre-treatment technology used on the brine supplied at the demonstration plant and at the pilot plant to prepare it for the LSS process is industry-standard technology. The purification, concentration, and crystallization unit operations of the flowsheet are all commercially demonstrated. The pilot and demonstration plant scale testwork was conducted to confirm the applicability of these process steps for the project’s CPF process design. Similarly, the lithium carbonate drying, micronizing, product handling, and packaging equipment are commercial processes, and are not deemed to be areas of risk.

 

Based on available test work and information, vendor quotations and benchmark data, the proposed flowsheet integrates DLE technology with other brine concentration methods and subsequent chemical treatment. This approach demonstrates the feasibility of producing battery quality lithium carbonate with an overall process yield of 89.25%.

 

In the QP’s opinion, the testing completed is sufficient to support this DFS.

 

25.5Infrastructure

 

25.5.1Wellfields

 

The infrastructure for the South West Arkansas Project has been planned to support the reliable production of battery-quality lithium carbonate through a closed-loop brine extraction and reinjection system integrated with centralized processing facilities.

 

25.5.2Central Processing Facility

 

Site-level infrastructure, including power distribution, instrumentation, water systems, and access roads, will be integrated with regional utilities, including natural gas.

 

The project schedule has been developed and considers a 34-month period for project execution.

 

South West Arkansas ProjectPage 199
  
NI 43-101 Technical Report & Definitive Feasibility StudyOctober 14, 2025

 

 

 

25.6Environmental, Permitting, and Social Considerations

 

The project has been examined to establish specific environmental regulatory permits necessary for construction and operation of the project facility and its supporting infrastructure. Based on this examination, the conclusions are as follows:

 

·Smackover Lithium has been proactive in assessing potential environmental and regulatory risks to improve the Project development certainty, including a comprehensive review of permit applicability, a preliminary review of site cultural resources, and performance of a multimedia baseline investigation of the project site.

 

·The project has been designed by taking applicable environmental regulatory standards into consideration. There is no risk associated with being denied construction or operational permits or a delay in their receipt.

 

·The project expects to receive a “finding of no significant impact” (FONSI) prior to the end of this year. In support of the NEPA process, the project has conducted environmental studies to establish baseline conditions within the project area. The results of these studies will be used to determine environmental values associated with the development site, inform the design process and support future environmental performance monitoring.

 

Construction and operation of the project facility are regulated through federal and state agencies (USACE, ADEQ, AHD, AOGC) through established permit procedures. Emissions to air, surface waters and subsurface waters will require permit authorizations, including restrictions, to protect the environment while responsibly developing the lithium resources. There is no risk associated with receiving the necessary permits, since the prescriptive requirements for receiving them have been met.

 

25.7Capital and Operating Costs

 

A total capital cost estimate of US$1,449 million conforms to Class 3 guidelines for a feasibility study estimate with a ±15% accuracy according to the Association of the Advancement of Cost Engineering International (AACE International). Costs have a base date of Q1 2025 and are provided in US dollars (US$), unless otherwise noted.

 

The estimated sustaining capital cost is $144 million. The combined initial and sustaining capital costs for the life of mine are estimated to be $1,593 million.

 

Contingency was determined with a “probability of occurrence” workshop and established at 12.3%.

 

The operating cost estimate is presented in Q1 2025 US dollars. The estimate was developed to have an accuracy of ±15% (AACE Class 3). The estimate includes wellfields, processing and G&A costs. The overall life-of-mine operating cost is US$2,001 million over 20 years, or an average of $ 4,516/t of produced Li2CO3 in a typical year. Of this total, fixed costs account for $749 million and variable costs account for $1,252 million.

 

In the QPs opinion, the estimated capital cost at US$1,449 million reasonably reflects the level of project understanding. The operating cost estimate is well supported and is considered to reasonably represent the project at this level of study. Both the capital and operating cost estimates are considered appropriate for a definitive feasibility study.

 

South West Arkansas ProjectPage 200
  
NI 43-101 Technical Report & Definitive Feasibility StudyOctober 14, 2025

 

 

 

25.8Economic Analysis

 

Based on the assumptions in this report, the project has a positive cash flow. For the base case, the pre-tax net present value discounted at 8% (NPV8%) is US$1,666 million, the IRR is 20.2%, and the payback period is 4.0 years. On a post-tax basis, the NPV8% is US$1,275 million, the IRR is 18.2%, and the payback period is 4.2 years.

 

A sensitivity analysis was conducted on the project’s pre-tax and post-tax NPV and IRR to assess the impact of changes in lithium price, discount rate, operating costs, initial capital, and LCE production. The results showed the project is most sensitive to lithium price and LCE production, and to a lesser extent, initial capital cost and operating costs.

 

In the QP’s opinion and based on the assumptions and parameters presented in this report, the DFS shows positive economics. The DFS supports a decision to continue with project development.

 

25.9Risks

 

25.9.1Mineral Tenure, Surface Rights, Water Rights, Royalties and Agreements

 

To facilitate 100% mineral rights coverage, it is necessary to integrate any remaining unleased brine owners or uncommitted brine leasehold working interest owners within the Reynolds brine unit. Integration is a well-established process in Arkansas and poses little risk to project development planning. Smackover Lithium has spent considerable time and effort understanding the mineral and surface title, and any residual risks with production are limited to an incorrect allocation of the royalty payment. Once identified, these are easily curable.

 

25.9.2Geology, Resource and Reserve Estimate

 

Potential geological risks include unexpected reservoir heterogeneity, which could include the following:

 

·presence of high permeability pathways between injection and production wells which could reduce the displacement efficiency of the injected lean brine and lead to early breakthrough of the injected lean brine

 

·insufficient productivity resulting from lower-than-expected formation permeability

 

·discontinuity of the porous formation resulting in a smaller brine volume accessible from the project wells

 

·unexpected faulting resulting in barriers to flow.

 

These risks have been addressed in part during the data gathering program (well testing, well sampling, and drilling, logging, and sampling the Lester 2 well) and can also be addressed through adjustments to the injection and production well configuration and operating guidelines if these factors are encountered during project development. One such adjustment would be to drill additional injection and/or production wells to maintain the desired plant throughput.

 

There is also the potential that an optimized project could include additional wells and facilities to achieve a higher production level, but this is more of an opportunity than a risk.

 

South West Arkansas ProjectPage 201
  
NI 43-101 Technical Report & Definitive Feasibility StudyOctober 14, 2025

 

 

 

It should be noted that all reservoirs are heterogeneous, and that this report fully incorporates the observed heterogeneity in its analysis and conclusions. Also, the Smackover Formation in the project area is similar to that underlying the successful brine recovery projects immediately to the east of the project area.

 

If the injected volumes result in an excessive increase in reservoir pressure due to over injection, it could reduce the ability to inject processed brine. This risk is addressed by evaluating injection and production distribution in the reservoir through simulation studies and identifying the means to reduce any over-injection.

 

If the brine production rate or lithium concentrations on which this report is based differ from the forecast values during the life of the project, the economics of the project could be impacted. To reduce this risk, the project has carried out additional well data gathering and testing and reservoir modelling specific to the project brine leases to further prove the anticipated lithium values. This process has identified economic lithium concentrations and demonstrated high well productivity values, validating the Reynolds brine unit production rate estimates of up to 200,000 barrels per day and up to 22,500 tonnes of annual production of lithium carbonate. As a result, downside economics associated with lack of understanding of the resource is seen as a low risk.

 

25.9.3Metallurgical Testwork

 

The risks associated with the CPF design are mostly associated with the composition and volumes of the brine that will be extracted and processed from the wellfield. These risks were identified early in the project and have been addressed to the extent practical at this stage. The materials and equipment selected have been sized and specified based on the anticipated volumes and composition of the flows. The residual metallurgy and process risks are presented below.

 

·Process Scalability –The LSS DLE process has now been operated continuously for nearly 3 years (since October 2022) at a pre-commercial demonstration plant scale that included the operation of a commercially sized DLE column. The operation of multiples of the commercial sized DLE columns has not been trialled yet.

 

·Boron Rejection – The two-week continual operation at the pilot plant showed very high lithium recovery (97.7%) and high rejections for the majority of impurities at the expense of Boron (89.1%). Brine availability limited the number of additional changes that were made to the operating cycle. However, these changes showed the performance could be dramatically shifted to improve Boron rejection whilst still meeting the other process targets, validating the process guarantees in the license can be achieved for the representative IPC brine.

 

·DLE Adsorbent Life – A 10% replacement of DLE adsorbent is considered in the design based on previous experience with similar projects and adsorbents. This is a risk since the demonstration plant has only operated with the LSS adsorbent for approximately 3 years. The replacement rate at the demonstration plant is in line with what is used for the DFS so this is considered a low risk.

 

·H2S, along with the remaining light hydrocarbons extracted from the brine, presents health and fire hazards. Specifically, H₂S poses toxicity risks, while the light hydrocarbons pose flammability risks. Other gases such as CO2 also pose health risks in the case of release.

 

·High temperatures in the areas of carbonation, neutralization, decarbonation, as well as in steam circuits, present a risk of loss of caloric energy and a burn risk to operators.

 

South West Arkansas ProjectPage 202
  
NI 43-101 Technical Report & Definitive Feasibility StudyOctober 14, 2025

 

 

 

·Flammability risks are present in the systems that receive natural gas, in diesel storage, and in the tank receiving hydrocarbons extracted from the brine at the start of the process.

 

·The reinjection of brine presents an operational risk, since it can generate incrustations at the wellheads, which restricts/block the flow.

 

·In the case of H2O2 storage, if there is a temperature increase, there is a risk of explosion.

 

·The variability in the feed composition, regarding contaminants that are neither treated nor purged, poses a risk of their accumulation in the system due to process recirculation.

 

25.9.4Infrastructure

 

·The well pads have been secured and acquired for use; however, most of the right-of-way for the infrastructure corridor has not been acquired at this time. The landowners have all been contacted and have allowed for preliminary surveys to be conducted in anticipation of the acquisition, but until all the easements have been acquired, there will continue to be the risk that a landowner may oppose the construction of the corridor on their property, causing potential re-routes, system modifications, and project delays.

 

·Pipelines are the safest and most reliable way to transport energy products, as well as by-products. Pipelines are primarily underground, which keeps them away from public contact and accidental damage. Pipelines can also move large volumes of product at a significantly lower operating cost when compared to other modes of transportation. Despite safety and efficiency statistics, increases in energy consumption and population growth near pipelines present the potential for a pipeline incident. Third-party strikes (intentional or accidental), and material failure could cause leaks, spills, or potential release of brine and/or toxic gases.

 

·Water wells for the CPF locations are not fully confirmed. A groundwater study has been carried out and test wells are planned to minimize the risk.

 

25.9.5Environmental, Permitting, Social and Community Considerations

 

The principal environmental and permitting risk to the project is the schedule.

 

·The final project configuration (power source, pipeline configuration, surface water management) has the potential to affect the scope of the permitting outlined in Section 20.2.

 

·The optimized pipeline route configuration relative of WOTUS needs to be finalized to ensure WOTUS impacts are quantified to support timely submission of all USACE permits. The work has the potential to impact timing for USACE review and approval of permits.

 

·The pipeline route configuration relative to the occupied habitat for the identified ESA listed species has the potential to impact the timing for construction activities.

 

·Any decision by the DOE or the USACE on an EA is subject to legal challenges in federal district court.

 

South West Arkansas ProjectPage 203
  
NI 43-101 Technical Report & Definitive Feasibility StudyOctober 14, 2025

 

 

 

25.10Opportunities

 

To plan the expansion of the South West Arkansas Project into the future expansion area, the following are opportunities for Standard Lithium. These steps will elevate the future expansion portion of the project to a higher level of resource classification, define the associated development project, and estimate the associated mineral reserves for the expansion project:

 

25.10.1Mineral Tenure

 

There is potential for the unit expansion acreage to increase if additional brine rights are leased or purchased by SWA Lithium LLC, and any future unit expansion will be implemented prior to project sanction for the Reynolds expansion brine unit.

 

25.10.2Improve Reservoir Description

 

Drill two additional test wells (US$8.5 million each) targeting the Upper, Middle, and Lower Smackover in the future expansion area to provide:

 

·geological data

 

·lithium concentrations

 

·long-term production test information to estimate well rates, the number of wells needed, facility rates, and the completion plans for those wells

 

·information regarding the potential extent of a Lower Smackover development target

 

·information regarding the benefit of well stimulation to well productivity.

 

25.10.3Evaluate the Future Expansion Area Development

 

·Revise the simulation model input geological description and optimize the South West Arkansas property development plan, including offtake rate, well count, and well configuration.

 

·Further develop the reservoir model in support of development of an optimized well plan and brine production profile (US$1 million).

 

·Revise and adjust the categories of the resource estimates in the and quantify the reserves in support of the commercialization of the project.

 

25.10.4Processing

 

An opportunity has been identified to eliminate the product purification stage if battery quality lithium carbonate is obtained directly after the carbonation process. Achieving this quality requires the use of high-purity sodium carbonate during carbonation. This can be accomplished by securing a reliable supply of this high-purity reagent or by incorporating a sodium carbonate refining stage to ensure the required quality.

 

South West Arkansas ProjectPage 204
  
NI 43-101 Technical Report & Definitive Feasibility StudyOctober 14, 2025

 

 

 

26Recommendations

 

26.1Introduction

 

Development of the South West Arkansas Project is considered to be adequately de-risked to support Standard Lithium making an informed FID. The recommendations in this section pertain to how the project can be further optimized to enhance the operability and reduce operating costs. Table 26-1 shows the estimated cost for the recommended work.

 

Table 26-1: Recommended Work Program

 

Program Component Estimated Total Cost (US$M)
Surface Leases or Option Agreement* 5.4
Resource and Reserve Estimate 0.3
Metallurgy and Process 2.0
Infrastructure 0.4
Environmental* 0.2
Project Schedule* 2.0
Total 10.3

 

Note: *These costs are already included in the initial capital cost estimate.

 

26.2Mineral Tenure, Surface Rights, Royalties and Agreements

 

Smackover Lithium has commenced integration efforts, in accordance with Arkansas Code Ann. § 15-76-309, to integrate any remaining unleased brine interests or uncommitted brine leasehold working interest owners within the Reynolds brine unit. No further activities are required to support the mineral tenure.

 

To enhance project certainty, it is recommended to the necessary surface leases or option agreements early to support the development.

 

26.3Geology, Resource and Reserve Estimate

 

During operations, the project will benefit from the following recommended actions to update the geological description:

 

·Gather the appropriate data to refine the current reservoir description from acquisition of data from drilling of new injection and production wells.

 

·Incorporate results of well tests in development wells.

 

South West Arkansas ProjectPage 205
  
NI 43-101 Technical Report & Definitive Feasibility StudyOctober 14, 2025

 

 

 

26.4Metallurgy and Process

 

Real brines processed on a continuous basis are significantly more complex than synthetic brines, based on the same underlying chloride matrix. Continuous, longer-term field testing of equipment is crucial to ensure sufficient design inputs to support reliable scale-up. In view of this, the following actions are recommended for the project to optimize operations.

 

·Continue to operate and collect data from the existing demonstration plant.

 

·Continue to test alternative filtration technologies and optimize brine filtration by varying the media and incoming brine temperature, pH, and ORP to optimize capital and operating costs.

 

·Continue to optimize the LSS DLE to improve the quality of the raw LiCl by increased elimination of impurities, including testing of alternative adsorbents and adjustments to operating parameters to support future commercial operations.

 

·Continue testing the LSS DLE to reduce water consumption and the dilution of the eluate.

 

·Continue to study the behaviour of the DLE adsorbent to determine its degree of degradation (chemical and physical) with use over time to optimize sustaining costs related to adsorbent replacement.

 

·Continue to optimize the chemical softening process being used at the existing demonstration plant for commercial process optimization.

 

·Work with selected vendors in the early execution stages to define specific equipment. This definition would feed into the detailed design.

 

26.5Infrastructure

 

The following actions are recommended to optimize the project infrastructure:

 

·The current project design includes the acquisition of a gas turbine generator (GTG) for power generation; however, this could be reviewed if it becomes possible to connect to the electrical grid. Renting the GTG for a period until grid connection is available would reduce Initial capital costs. A grid connection could also support a reduced GHG profile for the project.

 

·Confirm the firewater demand with approval from the Arkansas Fire Protection Code. This could reduce the water demand considered during the feasibility study design.

 

·Review the option of main reagents delivery through rail instead of trucks. While this would create additional investment costs, the operational cost would be reduced.

 

·Define the location and quantity of the water wells for water supply of the project. This should be completed before the full notice to proceed of the execution contracts.

 

South West Arkansas ProjectPage 206
  
NI 43-101 Technical Report & Definitive Feasibility StudyOctober 14, 2025

 

 

 

26.6Environmental

 

·Continue to advance key permits and authorizations required for construction and operation of the project, to ensure permits and authorizations remain off the critical path to commercial operation.

 

26.7Project Schedule

 

·The use of a limited notice to proceed with the selected EPCC contractor to undertake early procurement activities in order to accelerate the project critical path.

 

South West Arkansas ProjectPage 207
  
NI 43-101 Technical Report & Definitive Feasibility StudyOctober 14, 2025

 

 

 

27References

 

Ahr, W. M., 1973. The carbonate ramp – an alternative to the shelf model. Gulf Coast Association of Geological Societies Transactions, v. 23, p. 221–225.

 

Albemarle Corporation, 2025. Magnolia Field Bromine Reserves as of December 31, 2024. Magnolia, Arkansas, US. February 17, 2025. exhibit966magnolia2024tr

 

Arkansas Code (2016a): § 15-76-308. Formation of a Brine Unit; Title 15 – Natural Resources and Economic Development, Subtitle 6 – Oil, Gas and Brine, Chapter 76 – Brine, Subchapter 3 – Brine Production, Accessed September 3, 2025, AR Bureau of Legislative Services | PAW Document Page

 

Arkansas Code (2016b): § 15-76-309. Petition for formation of a brine production unit or a brine expansion unit; Title 15 – Natural Resources and Economic Development, Subtitle 6 – Oil, Gas and Brine, Chapter 76 – Brine, Subchapter 3 – Brine Production, Accessed September 3 2025, AR Bureau of Legislative Services | PAW Document Page

 

Arkansas Code (2016c): § 15-76-312. Unlawful drainage -- Unit inclusion or accounting; Title 15 – Natural Resources and Economic Development, Subtitle 6 – Oil, Gas and Brine, Chapter 76 – Brine, Subchapter 3 – Brine Production, Accessed September 3, 2025, AR Bureau of Legislative Services | PAW Document Page

 

Arkansas Code (2016d): § 15-76-314. Participation by owners and royalties; Title 15 – Natural Resources and Economic Development, Subtitle 6 – Oil, Gas and Brine, Chapter 76 Brine, Subchapter 3 – Brine Production, Accessed September 3, 2025, AR Bureau of Legislative Services | PAW Document Page

 

Arkansas Code (2016e): § 15-76-315. Valuation of brine; Title 15 – Natural Resources and Economic Development, Subtitle 6 – Oil, Gas and Brine, Chapter 76 – Brine, Subchapter 3 – Brine Production, Accessed September 3, 2025, AR Bureau of Legislative Services | PAW Document Page

 

Arkansas Code (2016f): § 15-76-318. Drilling permits – fees; Title 15 – Natural Resources and Economic Development, Subtitle 6 – Oil, Gas and Brine, Chapter 76 – Brine, Subchapter 3 – Brine Production, Accessed September 3, 2025, AR Bureau of Legislative Services | PAW Document Page

 

Arkansas Geological Survey (2018): Brine Resources; Arkansas Geological Survey, Accessed September 3, 2025, https://www.geology.arkansas.gov/energy/brine-in-arkansas.html

 

Arkansas Oiil & Gas Commission Hearing Orders (Unit & Royalty Approved Orders), Arkansas Oil & Gas Commission

 

Arkansas Oil & Gas Commission, 2021. Production by Field – 2021. Accessed September 3, 2025 https://www.aogc.state.ar.us/annual/HistBrine.aspx?HYr=2021.

 

Arkansas Oil & Gas Commission, 2022a. South Arkansas Oil Production, 1970-2020. Accessed September 3, 2025 https://www.aogc.state.ar.us/annual/HistProduction.aspx?HYr=2020.

 

Arkansas Oil & Gas Commission, 2022b. Brine Production-Injection Data, 2017-2022. Accessed September 3, 2025 https://www.aogc.state.ar.us/data/querybuild.aspx and https://www.aogc.state.ar.us/welldata/production.aspx.

 

Arkansas Oil & Gas Commission, 2023. ARKANSAS OIL AND GAS COMMISSION PUBLIC HEARING MINUTES September 26, El Dorado, Arkansas Arkansas Oil & Gas Commission

 

Arkansas Oil & Gas Commission, 2023. ARKANSAS OIL AND GAS COMMISSION PUBLIC HEARING MINUTES September 26, El Dorado, Arkansas Arkansas Oil & Gas Commission

 

South West Arkansas ProjectPage 208
  
NI 43-101 Technical Report & Definitive Feasibility StudyOctober 14, 2025

 

 

 

Arkansas Oil and Gas Commission, 2024a. Albemarle Brine Production for 2024. Arkansas Oil & Gas Commission

 

Arkansas Oil & Gas Commision, 2024b. Lanxess Brine Production for 2024. Arkansas Oil & Gas Commission

 

Arkansas Oil & Gas Commission, 2025a. Pine Brine Production Unit Establishment Docket#024-2025-04, Saltwerc LLC, April 22.

 

Arkansas Oil & Gas Commission, 2025b. Evergreen Expansion Unit Application Docket#023-2025-04, TETRA Technolgies Inc, April 22.

 

Arkansas Oil & Gas Commission, 2025c. Supplemental Reynolds Brine Unit, Order No BU 023-2025-04 (SUPP), June 24, 2025, p. 1-23

 

Arkansas Oil & Gas Commission, 2025d. Reynolds Brine Production Unit, Order No 032-2025-05, June 25, 2025, p. 1-3

 

Bishop, W. F., 1968. Petrology of upper Smackover limestone in North Haynesville field, Claiborne Parish, Louisiana. American Association of Petroleum Geologists Bulletin, v. 52, p. 92–128.

 

Bishop, W. F., 1971a. Geology of a Smackover stratigraphic trap. American Association of Petroleum Geologists Bulletin, v. 55, p. 51–63.

 

Bishop, W. F., 1971b. Geology of upper member of Buckner Formation, Haynesville Field area, Claiborne Parish, Louisiana. American Association of Petroleum Geologists Bulletin, v. 55, p. 566–580.

 

Buffler, R.T., 1991. Early evolution of the Gulf of Mexico basin; In: D. Goldthwaite, (ed.), An Introduction to Central Gulf Coast Geology, New Orleans: New Orleans Geological Society, p. 1-15.

 

Buffler, R.T., Shaub, F.J., Huerta, R., Ibrahim, A.B.K. and Watkins, J.S., 1981. A model for the early evolution of the Gulf of Mexico; Oceanologica Acta, No. SP, p 129-136.

 

Dickinson, K. A., 1968. Late Jurassic stratigraphy of some adjacent parts of Texas, Louisiana and Arkansas; U.S. Geol. Survey Prof. Paper, 594E, 25 p.

 

Forgotson, J.M., 1954. Regional stratigraphic analysis of Cotton Valley Group of Upper Gulf Coastal Plain: AAPG Bulletin, v. 38, p. 2476-2499.

 

Hanford, and Baria, 2007. Geometry and seismic geomorphology of carbonate shoreface clinoforms, Jurassic Smackover Formation, north LouisianaIn: In: Davies, R. J., Posamentier, H. W., Wood, L. J. and Cartwright, J. A. (eds) Seismic Geomorphology: Applications to Hydrocarbon Exploration and Production. Geological Society, London, Special Publications, v. 277, 171–185.

 

Hazzard, R.T., W.C. Spooner, and Blanpied, B.W., 1947. Notes on the stratigraphy of the formations which underlie the Smackover Limestone in south Arkansas, northeast Texas, and north Louisiana; Shreveport Geological Society 1945 Reference Report, v. 2, p. 483-503.

 

Hung & Guillot Associates, LLC, 2023. NI 43-101 Technical Report South West Arkansas Project Pre-Feasibility Study, prepared for Standard Lithium, Ruston, Louisiana, August 8, 2023, as amended and restated on July 23, 2025, 225p.

 

Hunt, B.W., 2013. Regional Norphlet Facies Correlation, Analysis and Implications for Paleostructure and Provenance, Eastern Gulf of Mexico; ProQuest Dissertations Publishing (1539948).

 

Magnolia Reporter, 2024:Lithium pilot plant will be built at Albemarle’s Magnolia West site. July 1. Lithium pilot plant will be built at Albemarle's Magnolia West site | Business | magnoliareporter.com

 

Mancini, E.A., Aharon, P., Goddard, D.A., Horn, M. and Barnaby, R., 2008. Basin analysis and petroleum system characterization and modelling, interior salt basins, central and eastern Gulf of Mexico, Part 3: tectonic / depositional history, resource assessment; Adapted from Final Report, issued June 30, 2008, for period May 1, 2003 to April 30, 2008, prepared for U.S. Department of Energy, for DOE Award Number DE-FC26-03NT15395 and available at Texas A&M University (http://berg-hughes.tamu.edu/research/sedimentary-basin-analysis-studies).

 

South West Arkansas ProjectPage 209
  
NI 43-101 Technical Report & Definitive Feasibility StudyOctober 14, 2025

 

 

 

Marton, G.L. and Buffler, R.T., 2016. Jurassic-Cretaceous Tectonic Evolution of the Southeastern Gulf of Mexico, Constrains on the Style and Timing of Gulf of Mexico Rift-Drift Development; AAPG 2016 International Convention and Exhibition, Cancun, Mexico, September 6-9, 2016.

 

Moore, C. H., 1984: The upper Smackover of the Gulf rim: depositional systems, diagenesis, porosity evolution and hydrocarbon production; In: W. P. S. Ventress, D. G. Bebout, B. F. Perkins, and C. H. Moore (eds.), The Jurassic of the Gulf rim: Gulf Coast Section SEPM, 3rd Annual Research Symposium, Program and Abstracts, p. 283–307.

 

Moore, C.H. and Druckman, 1981. Burial diagenesis and porosity evolution, Late Jurassic Smackover, Arkansas and Louisiana; The American Association of Petroleum Geologists, 1981, p. 597-628.

 

NORAM Engineering and Constructors Ltd., 2021 NI 43-101 Technical Report Preliminary Economic Assessment of SW Arkansas Lithium Project. Document No.: E3580-RP-0200, prepared for Standard Lithium, Vancouver, British Columbia, Canada, November 25, 2021, 216p.

 

Nunn, J.A., 1984. Subsidence histories for the Jurassic sediments of the northern Gulf Coast: thermal-mechanical model; Third Annual Research Conf., Gulf Coast Section, SEPM Foundation, p. 309-322.

 

Pilger, R.H., Jr., 1981. The opening of the Gulf of Mexico: implications for the tectonic evolution of the northern Gulf Coast; GCAGS Transactions, v. 31, p. 377-381.

 

RESPEC, 2024. S-K 1300 Technical Report Summary for TETRA Technologies, Inc. Bromine Brine Definitive Feasibility Study for the TETRA Evergreen Brine Unit in Arkansas, United States. August 5.

 

Saltwerx LLC, 2021: Saltwerx Secures 100,000-Acre Brine Prospect in Southern Arkansas, 1 July 2021, https://www.saltwerx.com/news/saltwerx-secures-100-000-acre-brine prospect-in-southern-arkansas.

 

Salvador, A., 1987. Late Triassic-Jurassic paleography and origin of Gulf of Mexico basin; AAPG Bulletin, v. 71, p. 419-451.

 

Salvador, A., 1990. Triassic-Jurassic; In: Salvador, A., (ed.), The Geology of North America, v. J., The Gulf of Mexico Basin; Boulder, Geological Society of America, p. 131–180.

 

Salvador, A., 1991a. The Gulf of Mexico Basin: Decade of North American geology; v. DNAG, v. J: Boulder, Colorado, GSA, 568 p.

 

Salvador, A., 1991b. Triassic-Jurassic; In: A. Salvador, (ed.), The Gulf of Mexico Basin, Boulder, Colorado, GSA, p. 131-180.

 

Sawyer, D.S., R.T. Buffler, and R.H. Pilger, Jr., 1991. The crust under the Gulf of Mexico, in A. Salvadore, (ed.), The Gulf of Mexico Basin: Decade of North American Geology, Boulder, GSA, p. 53-72.

 

Scott, K.R., W.E. Hayes and Fietz, R.P., 1961. Geology of the Eagle Mills Formation; GCAGS Transactions, v. 11, p. 1-14.

 

TETRA, 2022. TETRA Technologies, Inc. Announces Maiden Inferred Resources Of 5.25 Million Tons Of Elemental Bromine and 234,000 Tons Of Lithium Carbonate Equivalent, 21 September 2022, https://www.prnewswire.com/news-releases/tetra-technologies-inc announces-maiden-inferred-resources-of-5-25-million-tons-of-elemental-bromine-and 234-000-tons-of-lithium-carbonate-equivalent-301630186.html.

 

TETRA, 2023. TETRA Technologies, Inc. and Saltwerx, LLC Enter Into A Memorandum Of Understanding Regarding A Proposed Brine Production Unit In The Smackover Formation, 26 June 2023, https://ir.tetratec.com/2023-06-26-TETRA-Technologies, Inc-And-Saltwerx,-Llc-Enter-Into-A-Memorandum-Of-Understanding Regarding-A-Proposed-Brine-Production-Unit-In-The-Smackover Formation >.

 

South West Arkansas ProjectPage 210
  
NI 43-101 Technical Report & Definitive Feasibility StudyOctober 14, 2025

 

 

 

Troell, A. R. and Robinson, J. D., 1987. Regional stratigraphy of the Smackover limestone (Jurassic) in south Arkansas and north Louisiana, and the geology of Chalybeat Springs oil field. Gulf Coast Association of Geological Societies Transactions, v. 37, p. 225–262.

 

Van Siclen, D.C., 1984. Early opening of initially-closed Gulf of Mexico and central North Atlantic Ocean; GCAGS Transactions, v. 34, p. 265-275.

 

Wade, W.J., and Moore, C.H., 1993. Jurassic sequence stra¬tigraphy of southwest Alabama; Gulf Coast Association of Geological Societies Transactions, v. 43, p. 431–443.

 

Winker, C.D. and Buffler, R.T., 1988. Paleogeographic evolution of early deep-water Gulf of Mexico and margins, Jurassic to Middle Cretaceous (Comanchaean): AAPG Bulletin, v. 72, p. 318-346.

 

South West Arkansas ProjectPage 211
  
NI 43-101 Technical Report & Definitive Feasibility StudyOctober 14, 2025