EX-96.1 3 tm2425743d1_ex96-1.htm EXHIBIT 96.1

 

Exhibit 96.1

 

 

Technical Report Summary on the Coosa Project, Coosa County, Alabama, USA

 

S-K 1300 Report

 

Westwater Resources, Inc.

 

SLR Project No.: 138.20527.00002

 

Effective Date:

 

September 30, 2023

 

Signature Date:

 

December 11, 2023

 

Prepared by:

 

SLR International Corporation

 

 

 

 

 

Technical Report Summary on the Coosa Project, Coosa County, Alabama, USA

 

SLR Project No.: 138.20527.00002

 

 

Prepared by

SLR International Corporation

1658 Cole Blvd, Suite 100

Lakewood, CO 80401

for

Westwater Resources, Inc.

6950 South Potomac St., Suite 300

Centennial, CO 80112

 

 

Effective Date - September 30, 2023

Signature Date - December 11, 2023

 

Distribution: 1 copy - Westwater Resources, Inc.
  1 copy - SLR International Corporation

 

   

 

 

Westwater Resources, Inc. | Coosa Graphite Project

S-K 1300 Report 

December 11, 2023

SLR Project No.: 138.20527.00002

 

Table of Contents

 

1.0Executive Summary 1-1
    
1.1Summary 1-1
1.2Economic Analysis 1-6
1.3Technical Summary 1-12
    
2.0Introduction 2-1
    
2.1Site Visits 2-1
2.2Sources of Information 2-1
2.3List of Abbreviations 2-2
    
3.0Property Description 3-1
    
3.1Location 3-1
3.2Land Tenure 3-1
3.3Underlying Agreement 3-11
3.4Encumbrances 3-12
3.5Royalties 3-12
3.6Required Permits and Status 3-12
3.7Other Significant Factors and Risks 3-12
    
4.0Accessibility, Climate, Local Resources, Infrastructure and Physiography 4-1
    
4.1Accessibility 4-1
4.2Climate 4-1
4.3Local Resources 4-1
4.4Infrastructure 4-1
4.5Physiography 4-1
    
5.0History 5-1
    
5.1Prior Ownership 5-1
5.2Exploration and Development History 5-1
5.3Historical Resource Estimates 5-4
5.4Past Production 5-4
    
6.0Geological Setting, Mineralization, and Deposit 6-1
    
6.1Regional Geology 6-1
6.2Local Geology 6-4
6.3Property Geology 6-4
6.4Mineralization 6-15

 

 i 

 

 

Westwater Resources, Inc. | Coosa Graphite Project

S-K 1300 Report 

December 11, 2023

SLR Project No.: 138.20527.00002

 

6.5Deposit Types 6-15
    
7.0Exploration 7-1
    
7.1Exploration 7-1
7.2Exploration Target 7-5
7.3Drilling 7-5
7.4Conclusions 7-11
    
8.0Sample Preparation, Analyses, and Security 8-1
    
8.1Sample Preparation and Analysis 8-1
8.2Bulk Density 8-3
8.3Quality Assurance and Quality Control 8-5
8.4Sample Security 8-29
8.5Conclusions 8-30
    
9.0Data Verification 9-1
    
10.0Mineral Processing and Metallurgical Testing 10-1
    
10.1Introduction 10-1
10.22013 Metallurgical Test Work 10-1
10.32014 Metallurgical Test Work 10-4
10.42014-2015 Metallurgical Test Work 10-8
10.52015 Metallurgical Test Work 10-15
10.6Proposed Flowsheet 10-22
10.7Performance and Recovery Estimates 10-23
10.8Qualified Person’s Opinion 10-24
    
11.0Mineral Resource Estimates 11-1
    
11.1Summary 11-1
11.2Resource Database 11-2
11.3Geological Interpretation 11-3
11.4Statistical Analysis 11-6
11.5Compositing 11-8
11.6Variography 11-10
11.7Bulk Density 11-11
11.8Block Models 11-12
11.9Search Strategy and Grade Interpolation Parameters 11-12
11.10Cut-off Grade and Whittle Parameters 11-13
11.11Classification 11-13

 

 ii 

 

 

Westwater Resources, Inc. | Coosa Graphite Project

S-K 1300 Report 

December 11, 2023

SLR Project No.: 138.20527.00002

 

11.12Block Model Validation 11-15
11.13Grade-Tonnage Sensitivity 11-20
11.14Mineral Resource Reporting 11-22
    
12.0Mineral Reserve Estimates 12-1
    
13.0Mining Methods 13-1
    
13.1Mine Design, Mining Method 13-1
13.2Geomechanics, Ground Support 13-1
13.3Dilution and Extraction 13-1
13.4Cut-off Grade 13-1
13.5Pit Optimization 13-2
13.6Life of Mine Plan 13-6
13.7Mine Equipment 13-8
    
14.0Processing and Recovery Methods 14-1
    
14.1Introduction 14-1
14.2Process Flowsheet 14-1
14.3Design Criteria 14-1
14.4Process Description - Concentrator 14-3
    
15.0Infrastructure 15-1
    
15.1Access Roads 15-1
15.2Power 15-1
15.3Water 15-1
15.4Accommodation Camp 15-1
15.5Tailings Facility 15-3
    
16.0Market Studies 16-1
    
16.1Markets 16-1
16.2Contracts 16-2
    
17.0Environmental Studies, Permitting, and Plans, Negotiations, or Agreements with Local Individuals or Groups 17-1
    
17.1Summary 17-1
17.2Environmental Studies 17-1
17.3Environmental Permits 17-1
17.4Closure 17-2
17.5Conclusions and Recommendations 17-2
    
18.0Capital and Operating Costs 18-1
    
18.1Capital Costs 18-1

 

 iii 

 

 

Westwater Resources, Inc. | Coosa Graphite Project

S-K 1300 Report 

December 11, 2023

SLR Project No.: 138.20527.00002

 

18.2Operating Costs 18-6
    
19.0Economic Analysis 19-1
    
19.1Base Case (Indicated and Inferred Mineral Resources) 19-1
19.2Alternate Case (Indicated Mineral Resources Only) 19-6
    
20.0Adjacent Properties 20-1
    
21.0Other Relevant Data and Information 21-1
    
22.0Interpretation and Conclusions 22-1
    
22.1Geology and Mineral Resources 22-1
22.2Mining 22-1
22.3Mineral Processing and Metallurgical Testing 22-2
22.4Environmental Studies, Permitting, and Plans, Negotiations, or Agreements with Local Individuals or Groups 22-2
    
23.0Recommendations 23-1
    
23.1Exploration Drilling 23-1
23.2Advancement of Coosa Graphite Mineral Resources 23-1
23.3Environmental Studies, Permitting, and Plans, Negotiations, or Agreements with Local Individuals or Groups 23-2
    
24.0References 24-1
    
25.0Reliance on Information Provided by the Registrant 25-1
    
26.0Date and Signature Page 26-1
    
27.1Zenith Quotation for 500 tph Graphite Line 27-1
    
28.0Appendix 2 28-1
    
28.1SLR Cash Flow Summary Tables 28-1

 

Tables

 

Table 1-1: Summary of Carbon Graphite (Cg) Mineral Resources – Effective November 30, 2022 1-2
Table 1-2: 2024 Proposed Drilling Budget 1-5
Table 1-3: After-Tax Base Case Cash Flow Summary 1-8
Table 1-4: After-Tax Sensitivity Analyses 1-9
Table 1-5: Base Case LOM Capital Cost Estimate Summary 1-18
Table 3-1: Summary of Land Tenure Mineral Resources 3-2
Table 7-1: Summary of Drilling Parameters 2012-2022 7-6
Table 8-1: Bulk Density Measurements 8-4
Table 8-2: List of CANMET CRM Used for Carbon by ALS Minerals 2012 8-7

 

 iv 

 

 

Westwater Resources, Inc. | Coosa Graphite Project

S-K 1300 Report 

December 11, 2023

SLR Project No.: 138.20527.00002

 

Table 8-3: AGC Coosa CRM Recommended Values 2015 8-11
Table 8-4: Westwater Coosa CSRM Values 2021-2022 8-12
Table 10-1: Head Assays for 2013 Coosa Deposit Metallurgical Samples 10-1
Table 10-2: Carbon Speciation and Sulphur Analysis of Coosa Deposit Samples 10-5
Table 10-3: Carbon Speciation and Sulphur Analysis of Two Coosa Deposit Samples 10-9
Table 10-4: Total Carbon and Graphitic Carbon Grades for Eight Trench Samples 10-9
Table 10-5: Bond Ball Mill Work Index Results - AGC-12B (0-8) and AGC-10C (100-150) Samples 10-9
Table 10-6: Carbon Speciation and Sulphur Analysis of Flowsheet Development Samples and Composite 10-16
Table 11-1: Summary of Carbon Graphite Mineral Resources – Effective November 30, 2022 11-1
Table 11-2: Resource Drill Hole Database 11-2
Table 11-3: Descriptive Statistics of Resource Assay Grades and Lengths 11-6
Table 11-4: Descriptive Statistics of Composite Assay Grades and Lengths 11-10
Table 11-5: Block Model Definition 11-12
Table 11-6: Interpolation Parameters 11-12
Table 11-7: Resource Pit Parameters 11-13
Table 11-8: Comparison of Block and Composite Graphite and Vanadium Grades 11-20
Table 11-9: Carbon Graphite Block Model Sensitivity to Cut-Off Grade (% Cg) 11-20
Table 11-10: Summary of Carbon Graphite Mineral Resources – Effective November 30, 2022 11-22
Table 13-1: Economic and Technical Parameters Used in Pit Optimization 13-2
Table 13-2: Coosa Project Conceptual Production Schedule 13-7
Table 13-3: Coosa Project – Primary Mine Equipment Planned 13-8
Table 14-1: Summary of Process Design Criteria 14-3
Table 17-1: Required or Potentially Required Environmental Permits 17-2
Table 18-1: Base Case LOM Capital Cost Estimate Summary 18-1
Table 18-2: Mining Initial Capital Cost Estimate 18-2
Table 18-3: Process Plant Initial Capital Cost Estimate 18-3
Table 18-4: Infrastructure Initial Capital Cost Estimate 18-4
Table 18-5: FTSF Initial Capital Cost Estimate 18-4
Table 18-6: FTSF Sustaining Capital Cost Estimate 18-6
Table 18-7: FTSF Closure/Reclamation Cost Estimate 18-6
Table 18-8: Mine Operating Cost Estimate Summary 18-7
Table 18-9: Process Operating Cost Estimate Summary 18-7

 

 v 

 

 

 

Westwater Resources, Inc. | Coosa Graphite Project

S-K 1300 Report 

December 11, 2023

SLR Project No.: 138.20527.00002

 

Table 18-10: Project Headcount Estimate 18-8
Table 19-1: After-Tax Base Case Cash Flow Summary 19-3
Table 19-2: After-Tax Sensitivity Analyses 19-4
Table 23-1: 2024 Proposed Drilling Budget 23-2

 

Figures

 

Figure 1-1: After-Tax NPV Sensitivity Analysis 1-10
Figure 1-2: After-Tax IRR Sensitivity Analysis 1-11
Figure 3-1: Location Map 3-8
Figure 3-2: Westwater Mineral Holdings Map 3-9
Figure 3-3: Target Areas 3-10
Figure 6-1: Regional Geology 6-3
Figure 6-2: Stratigraphic Column 6-5
Figure 6-3: Main Grid Area Showing Postulated Granitic Body 6-11
Figure 6-4: Main Grid Area with Conductivity Overlay 6-12
Figure 6-5: Main Grid Area with Conductivity Overlay and Amphibolite Outline 6-13
Figure 6-6: Conceptual Amphibolite Cross Section 6-14
Figure 7-1: Alabama Graphite 2012-2013 Channel Sample Location 7-2
Figure 7-2: TDEM Contour Map Showing Conductive Highs 7-4
Figure 7-3: Drilling Location Map 7-8
Figure 8-1: CRM NBM-1 2012 8-7
Figure 8-2 : CRM MA-1b 2012 8-8
Figure 8-3 : CRM DS-1 2012 8-9
Figure 8-4: CRM STSD-3 2012 8-10
Figure 8-5: Zscore Plot of CRM Standard A and Standard B 2015 8-11
Figure 8-6: Zscore Plot of CSRM Std 1 through Std 4 2021 8-13
Figure 8-7: Scatter Plot of Coarse Diorite Blanks 2012 8-14
Figure 8-8: Scatter Plot of Coarse Diorite Blanks 2014 Trenching Program 8-15
Figure 8-9: Scatter Plot of Coarse Diorite Blanks 2015 8-16
Figure 8-10: Scatter Plot of Granite Material Blanks 2021-2022 8-17
Figure 8-11: Scatter Plot of Field Core Duplicates 2012 8-18
Figure 8-12: Plot of Field Core Duplicate Mean versus Relative Difference 2012 8-19
Figure 8-13: Scatter Plot of Field Core Duplicates 2014 Trenching Program 8-20
Figure 8-14: Scatter Plot of Field Core Duplicates 2015 8-21

 

 vi 

 

Westwater Resources, Inc. | Coosa Graphite Project

S-K 1300 Report 

December 11, 2023

SLR Project No.: 138.20527.00002

 

Figure 8-15: Plot of Field Core Duplicate Mean versus Relative Difference 2015 8-22
Figure 8-16: Scatter Plot of Field Core Duplicates 2021 8-23
Figure 8-17: Plot of Field Core Duplicate Mean versus Relative Difference 2021 8-24
Figure 8-18: Scatter Plot of Replicate Analyses of Hole AGC-03C 8-25
Figure 8-19: Scatter Plot of Replicate Analyses of Cg for Whole Drill Program 8-26
Figure 8-20: Plot of Mean vs. Relative Difference of % Cg for Replicate Samples 8-27
Figure 8-21: 2021 External Duplicate Sample Results for U3O8% (SGS vs. Actlabs) 8-28
Figure 8-22: Mean vs. Relative Difference (SGS vs. Actlabs) 8-29
Figure 10-1: Open Circuit Flowsheet for April 2013 Coosa Deposit Samples 10-2
Figure 10-2: Total Carbon Grade Versus Total Carbon Recovery - 2013 Coosa Deposit Samples 10-3
Figure 10-3: Mass Recovery into Different Flake Sizes - 2013 Coosa Deposit Samples 10-4
Figure 10-4: Carbon Grade Versus Carbon Recovery Curves 10-6
Figure 10-5: Carbon Grades of Concentrate Size Fractions 10-7
Figure 10-6: Mass Recovery into Concentrate Size Fractions 10-8
Figure 10-7: Total Carbon Grade versus Recovery Curves - AGC-09C and AGC-12A Samples 10-10
Figure 10-8: Mass Recovery into Size Fractions - AGC-09C and AGC-12A Samples 10-11
Figure 10-9: Carbon Grades of Concentrate Size Fractions - AGC-09C and AGC-12A Samples 10-12
Figure 10-10: Total Carbon Grade versus Recovery Curves - Trench Samples 10-13
Figure 10-11: Mass Recovery into Size Fractions - Trench Samples 10-14
Figure 10-12: Carbon Grades of Concentrate Size Fractions - Trench Samples 10-15
Figure 10-13: Total Carbon Recovery as a Function of Grind Size 10-17
Figure 10-14: Mass Recovery into Size Fractions - Cleaner Tests F4 to F7 10-18
Figure 10-15: Total Carbon Grades of Size Fractions - Cleaner Tests F4 to F7 10-19
Figure 10-16: Mass Recovery into Size Fractions - Cleaner Tests F8 to F11 10-20
Figure 10-17: Total Carbon Grades of Size Fractions - Cleaner Tests F8 to F11 10-21
Figure 10-18: Proposed Coosa Deposit Flowsheet with Pre-cleaning 10-22
Figure 10-19: Projected Flake Size Distribution 10-23
Figure 11-1: Plan View of Coosa Geologic Model 11-4
Figure 11-2: Plan View of Coosa Weathering Model 11-5
Figure 11-3: Grade % Cg Histogram by Lithology 11-7
Figure 11-4: Assay Length Histogram 11-9
Figure 11-5: Variograms for QGS Main Grid 11-11

 

 vii 

 

 

Westwater Resources, Inc. | Coosa Graphite Project

S-K 1300 Report 

December 11, 2023

SLR Project No.: 138.20527.00002

 

Figure 11-6: QGS Swath Plot in X Direction 11-16
Figure 11-7: QGS Swath Plot in Y Direction 11-17
Figure 11-8: QGS Swath Plot in Z Direction 11-18
Figure 11-9: Cross Section Showing Block Grades and Composite Grades 11-19
Figure 11-10: Grade Tonnage Curve for Coosa Graphite 11-21
Figure 13-1: Whittle Optimization – Pit Shell Phases Layout 13-4
Figure 13-2: Coosa Project Pit-by-Pit Graph 13-5
Figure 14-1: Flowsheet for the Coosa Processing Plant 14-2
Figure 15-1: Infrastructure Layout General Schematic 15-2
Figure 15-2: Filtered Tailings Storage Facility Cross Section 15-4
Figure 16-1: Long Term Natural Flake Pricing Forecast 16-2
Figure 19-1: After-Tax NPV Sensitivity Analysis 19-5
Figure 19-2: After-Tax IRR Sensitivity Analysis 19-6

 

Appendix Tables

 

Table 28-1: Coosa IA Base Case Cash Flow Summary – US Customary Units 28-2
Table 28-2: Coosa IA Base Case Cash Flow Summary – Metric Units 28-4

 

 viii 

 

Westwater Resources, Inc. | Coosa Graphite Project

S-K 1300 Report 

December 11, 2023

SLR Project No.: 138.20527.00002

 

1.0Executive Summary

 

1.1Summary

 

SLR International Corporation (SLR) was retained by Westwater Resources, Inc. (Westwater or the Company) to prepare an independent Technical Report Summary (TRS) on the Coosa Graphite Project (the Project or Coosa), located in Coosa County, Alabama, USA. The purpose of this TRS is to disclose results of an Initial Assessment (IA) of the Project, including an economic analysis, based on the Mineral Resource estimate with an effective date of November 30, 2022. The Mineral Resource estimate was reported in the previous TRS dated December 1, 2022 and remains unchanged as no additional work has been completed on the property since that time.

 

This TRS conforms to the United States Securities and Exchange Commission’s (SEC) Modernized Property Disclosure Requirements for Mining Registrants as described in Subpart 229.1300 of Regulation S-K, Disclosure by Registrants Engaged in Mining Operations (S-K 1300) and Item 601 (b)(96) Technical Report Summary. SLR visited the Project on April 21-23, 2022 and September 5, 2023.

 

Westwater is a 45-year old public company currently focused on developing battery-grade natural graphite. Originally incorporated in 1977 as Uranium Resources, Inc. to mine uranium in Texas, the Company has been reborn as an energy materials and technology developer. Westwater is focused on battery-grade natural graphite after its acquisition of Alabama Graphite Corp. (AGC) in April 2018. AGC acquired the Project in 2012 based on the geological setting. On April 23, 2018, Westwater acquired a 100% interest in AGC as part of a strategic decision to refocus the Company to supply battery manufacturers with low-cost, high-quality, and high-margin natural graphite products. As a result of that business transaction, Westwater became the owner of the Project.

 

The Coosa graphite deposit is located at the southern end of the Appalachian Mountain range, in Coosa County, Alabama. The deposit area is approximately 50 miles south-southeast of the city of Birmingham and 23 miles south-southwest of the town of Sylacauga. The Project’s mineral tenure is comprised of approximately 41,965 acres of privately owned mineral rights that the Company holds under a long-term lease. The Project is located in the flake graphite belt of central Alabama, also known as the Alabama Graphite Belt.

 

A Mineral Resource estimate for the Project, based on 205 drill holes totaling 39,434 ft, was completed by SLR with an effective date of November 30, 2022. Table 1-1 summarizes the Coosa Mineral Resources at a 1.98% graphitic carbon (Cg) cut-off grade envisaging an open pit mining scenario. Indicated Mineral Resources total 26.0 million short tons (Mst) at an average grade of 2.89% Cg for a total of 754,000 st Cg. Inferred Mineral Resources total 97.0 Mst at an average grade of 3.08% Cg for a total of 3.0 Mst Cg.

  

 1-1 

 

 

Westwater Resources, Inc. | Coosa Graphite Project

S-K 1300 Report 

December 11, 2023

SLR Project No.: 138.20527.00002

 

Table 1-1: Summary of Carbon Graphite (Cg) Mineral Resources – Effective November 30, 2022  

 

Classification Tonnage
(Mst)
Grade Cg
(%)
Contained Cg
(Mlb)
Contained Cg
(000 st)
Recovery
(%)
Indicated 26 2.89 1,509 754 87.4
Inferred 97 3.08 5,996 2,998 87.4

 

Notes:

 

1.The S-K 1300 definitions were followed for Mineral Resources.

2.Mineral Resources are constrained within a Whittle pit shell using a cut-off grade of 1.98% Cg.

3.Mineral Resources are estimated using a long-term graphite concentrate price of US$1,100/st.

4.Bulk density ranges from 1.68 t/m3 to 3.03 t/m3 (0.05 st/ft3 to 0.09 st/ft3).

5.Mining dilution equals 5.0%.

6.Mineral Resources that are not Mineral Reserves do not have demonstrated economic viability.

7.Numbers may not add due to rounding.

8.Mineral Resources are 100% attributable to Westwater.

 

The Coosa graphite deposit is expected to be mined by conventional small-scale open pit mining methods through several shallow pits (less than 100 ft deep each) that will be developed over the life of the Project. At full-scale production, the mining rate will be approximately 3.33 million short tons per annum (Mstpa), at an average grade of 3.21% Cg. Mine operations will employ small conventional loading and haulage equipment. The Coosa graphite concentrator facilities are designed to process a nominal 3.2 Mstpa, or 8,770 tons per day (stpd) of run of mine (ROM) Cg ore to produce an average of 99,000 stpa (90,000 tonnes per year) of flotation concentrate product grading 95% Cg.

 

An economic analysis was prepared with a base case using Indicated and Inferred Mineral Resources (the latter being 89% of the total) which shows positive economics. The economic analysis contained in this TRS is preliminary in nature and is based, in part, on Inferred Mineral Resources that are considered too speculative geologically to have modifying factors applied to them that would enable them to be categorized as Mineral Reserves. There is no certainty that economic forecasts on which this Initial Assessment is based will be realized.

 

In addition, since only 11% of the mineral resources in the base case production schedule are Indicated Mineral Resources, the QP has determined that a stand alone alternative case with only Indicated Resource tonnage is not economic using the assumptions and inputs outlined in the base case.

 

1.1.1Conclusions

 

SLR offers the following interpretations and conclusions on the Project:

 

1.1.1.1Geology and Mineral Resources

 

·Graphite generally occurs as a result of metamorphism (regional or contact) of organic matter in sediments. Flake graphite is assumed to be derived from fine-grained sediments rich in organic matter.

 

·Graphite ores mined historically were almost entirely from the weathered zone (60 ft to 100 ft), partly because weathering is deep in this area and partly because the weathered rock could be gently crushed without blasting.

 

 1-2 

 

 

Westwater Resources, Inc. | Coosa Graphite Project

S-K 1300 Report 

December 11, 2023

SLR Project No.: 138.20527.00002

  

·The sample preparation, analysis, and security procedures at Coosa are adequate for use in the estimation of Mineral Resources.

 

·The quality assurance and quality control (QA/QC) programs as designed and implemented by Westwater and its predecessor AGC meet current industry standard practice and the assay results within the database are suitable for use in a Mineral Resource estimate.

 

·No significant database issues were identified and the SLR QP is of the opinion that the database verification procedures for the Project comply with industry standards and are adequate for the purposes of Mineral Resource estimation.

 

·Relogging of previously drilled holes in conjunction with new drilling information allowed for more accurate interpretation and separation of lithologic units and improved understanding of the geologic environment resulting in:

 

oImproved geologic model correlation to the 2014 Airborne Magnetic survey.

 

oIdentifying widespread and strong vanadium (roscoelite) mineralization in very close association with flake graphite mineralization.

 

·The Company has carried out an extensive geochemical sampling program to determine the presence and intensity of vanadium mineralization at the Project. Vanadium potential tonnage and grade are currently estimated to be 21.0 Mst to 67.0 Mst and 0.19% V2O5 to 0.13% V2O5, respectively. SLR notes that the potential quantity and grade are conceptual in nature, there has been insufficient exploration to define a Mineral Resource, and it is uncertain if further exploration will result in the target being delineated as a Mineral Resource.

 

1.1.1.2Mining

 

·There are no current Mineral Reserves at the Project.

 

·Open pit shovel and truck mining method is proposed for operations.

 

·A marginal cut-off grade of 2.1365% Cg is calculated based on a US$806/st graphite concentrate price that results from applying a revenue factor of 0.8 to the Whittle pit shell parameters.

 

·The open pit optimization final pit selection is representative of a scenario that maximizes net present value (NPV).

 

oSelecting a revenue factor of 0.80 essentially means that the base case graphite price has been scaled down, resulting in a smaller pit shell, which means that lower mineralization tonnages at higher grades are mined, leading to an improved NPV.

 

·Total mineralized material inventory for the Coosa Project is 72.7 Mst at a grade of 3.21% Cg.

 

·A conceptual production schedule based on optimized pit shells is developed with an annual ore production of 3.33 Mst over a 22 year period with a waste to ore (W:O) stripping ratio of 0.21:1.

 

·Mining costs and equipment are based on Infomine 2021 Edition for similar capacity surface mines, and escalated based on the Mining Cost Service (MCS) indexes provided by Infomine April 2023 edition.

 

 1-3 

 

 

Westwater Resources, Inc. | Coosa Graphite Project

S-K 1300 Report 

December 11, 2023

SLR Project No.: 138.20527.00002

  

1.1.1.3Mineral Processing and Metallurgical Testing

 

·The Coosa graphite concentrator facilities are designed to process a nominal 3.201 Mstpa, or 8,771 tons per day (stpd) of run of mine (ROM) Cg ore to produce an average of 99,207 stpa (90,000 tonnes per year) of flotation concentrate product grading 95% Cg. The projected recovery of Cg to concentrate is 92% into a concentrate mass of 3.1% of the feed tonnage.

 

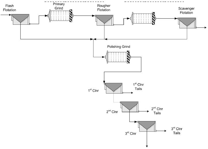
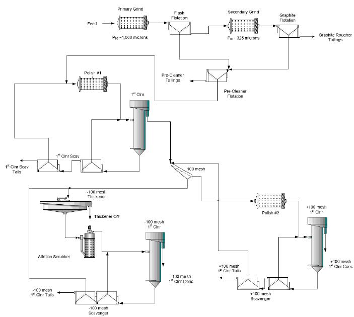
·The proposed processing plant flowsheet consists of conventional crushing, rod milling and ball milling, flash flotation, conventional rougher flotation, and two stages of polishing grinding, cleaner column and conventional scavenger flotation circuits. The critical stages to achieve the required high concentrate grades and coarse flake sizes are the multistage polishing and cleaning flotation operations.

 

1.1.1.4Environmental Studies, Permitting, and Plans, Negotiations, or Agreements with Local Individuals or Groups

 

·The primary permits anticipated for the Project are a Plan of Operations (PoO) and associated Record of Decision (ROD) issued by the United States Army Corps of Engineers (USACOE) and the Surface Mining of Non-fuel Minerals Permit and Plan of Reclamation issued by the Alabama Department of Labor. Baseline studies will be required to support these and other permitting efforts.

 

·Stakeholder engagement, including regulatory agencies, tribal entities, and the community will also be required to support the permitting efforts.

 

1.1.2Recommendations

 

Westwater is considering a program to advance the Project, which includes an initial budget estimate of approximately US$1,600,000, as presented in Table 1-2. SLR concurs with this program. The program consists of two consecutive phases: (1) updating Mineral Resources following completion of the proposed delineation drilling programs, and (2) carrying out engineering studies to advance the Project to a Pre-Feasibility Study (PFS) level. The PFS will cover the following activities:

 

·mine planning

 

·metallurgical test work, pilot plant, product testing

 

·preliminary environmental testing to identify any major deleterious elements and quantify the acid-generating potential of the Coosa mineralization.

 

·geotechnical and hydrogeological studies

 

·condemnation drilling

 

·tailings management facility design, material characterization and site geotechnical

 

·permitting

 

·environmental management studies and data collection

 

·capital and operating cost estimation

 

·infrastructure evaluation and costing

 

·financial evaluation

 

·project management and administration

 

 1-4 

 

 

Westwater Resources, Inc. | Coosa Graphite Project

S-K 1300 Report 

December 11, 2023

SLR Project No.: 138.20527.00002

 

1.1.2.1Exploration Drilling

 

1Complete six-phase infill/delineation drilling activities in the NX, Fixico Mine, SW, Main Grid, Main Grid/Fixico Mine and HS South areas of the Project to convert Inferred oxide resources to the Indicated Mineral Resources category. This work is expected to require approximately 115 drill holes and 1,700 assays. The phased drilling programs are independent of each other and can be conducted simultaneously or on an individual basis. The estimated cost to complete the program is $936,000.

 

2Drill additional holes down dip and review the classification criteria as more data become available.

 

1.1.2.2Advancement of Coosa Graphite Mineral Resources

 

1Complete a PFS of the Project and update the S-K 1300 TRS accordingly after completion of the exploration drilling program.

 

2Revisit and update mining and processing costs and recalculate cut-off grade.

 

3Revisit and update the Whittle pit with new cost parameters.

 

  Table 1-2: 2024 Proposed Drilling Budget

 

Category Item Number of Drill
Holes/Assay
Total Feet
Drilled
Unit Cost
(US$/ft)
Budget
(US$)
Delineation Drilling Phase 1 - NX Area 25 1,600 100 160,000
  Phase 2 - Fixico Mine Area 35 2,300 100 230,000
  Phase 3 - SWX Area 15 1,200 100 120,000
  Phase 4 - Main Grid Area 15 1,200 100 120,000
  Phase 5 - Main Grid/Fixico Mine Area 15 1,300 100 130,000
  Phase 6 - HS South Area 10 700 100 70,000
Laboratory Assay ActLabs (primary - 5ft interval) 1,600   50 80,000
  SGS Labs (secondary - 25% primary) 400   65 26,000
Total Delineation Drilling         936,000
Advance Project PFS       600,000
Grand Total         1,536,000

  

 1-5 

 

 

Westwater Resources, Inc. | Coosa Graphite Project

S-K 1300 Report 

December 11, 2023

SLR Project No.: 138.20527.00002

 

1.1.2.3Environmental Studies, Permitting, and Plans, Negotiations, or Agreements with Local Individuals or Groups

 

1.Complete baseline studies required for the permitting of the Project.

 

2.Engage stakeholders including federal, state and local regulatory agencies as well as non-regulatory stakeholders such as adjacent property owners, tribal entities and local communities.

 

1.2Economic Analysis

 

The economic analysis contained in this TRS is preliminary in nature and is based, in part, on Inferred Mineral Resources that are considered too speculative geologically to have modifying factors applied to them that would enable them to be categorized as Mineral Reserves. There is no certainty that economic forecasts on which this Initial Assessment is based will be realized.

 

1.2.1Base Case (Indicated and Inferred Mineral Resources)

 

The Project base case cash flow is based on Indicated and Inferred Mineral Resources (the latter being 89% of the total).

 

1.2.1.1Economic Criteria

 

An after-tax Cash Flow Projection has been generated from the LOM production schedule and capital and operating cost estimates and is summarized in Table 1-3. A summary of the key criteria is provided below.

 

Revenue

 

·Mineralized Material Inventory used for LOM planning: 72.7 Mst at 3.21% Cg with 2.33 Mst of contained Cg (65.9 million tonnes at 3.21% Cg with 2.11 million tonnes contained Cg), 100% attributable to Westwater.

 

·An average of 9,100 st (8,200 tonnes) mill feed per day mining from open pit for 4 Mst (3 million tonnes) per year.

 

·Mill recovery averaging 92%.

 

·95% C concentrate grade at 100% payable.

 

·Average annual Cg concentrate sales: 103,000 stpa (93,000 tonnes per year)

 

·Graphite price (CIF Kellyton Plant): US$998/st ($1,100/tonne).

 

·Transport to Kellyton Plant (CIF): $10.69/st ($11.90/tonne) derived from 70 mile round trip at $0.17/ton-mile

 

Costs

 

·Pre-production period: 24 months

 

·Mine life: 22 years.

 

·LOM production plan as summarized in this report.

 

·Mine life capital totals $293 million, including $142 million of sustaining capital.

 

·Final end of mine reclamation and closure costs: $43 million

 

·Average operating cost over the mine life is $15.41/st milled ($16.99/tonne milled).

 

 1-6 

 

 

Westwater Resources, Inc. | Coosa Graphite Project

S-K 1300 Report 

December 11, 2023

SLR Project No.: 138.20527.00002

 

Taxation and Royalties

 

·Royalties: Merchant 0.5% NSR up to a maximum of $150,000; Lessor 2% NSR.

 

·Coosa County Severance Tax: $5/st concentrate ($5.51/tonne)

 

·10 year Modified Accelerated Cost Recovery System (MACRS) depreciation method was used with total allowance of $286.3 million taken during the LOM

 

·Percentage depletion method (14% for graphite) was used with total allowance of $305.4 million taken during the LOM

 

·Loss Carry Forwards - Income tax losses may be carried forward indefinitely but may not be used for prior tax years

 

·Federal tax rate of 21%, Alabama state income tax rate of 6.5%

 

1.2.1.2Cash Flow Analysis

 

Table 1-3 presents a summary of the Project Base Case economics at an Cg price of $998/st ($1,110/tonne). On a pre-tax basis, the undiscounted cash flow totals $714.1 million over the mine life. The pre-tax net present value (NPV) at an 8% discount rate is $229.2 million and pre-tax Internal Rate of Return (IRR) is 26.7%. On an after-tax basis for the base case, the undiscounted cash flow totals $608.2 million over the mine life. The after-tax NPV at an 8% discount rate is $190.2 million and the after-tax IRR is 24.2%.

 

 1-7 

 

 

Westwater Resources, Inc. | Coosa Graphite Project

S-K 1300 Report 

December 11, 2023

SLR Project No.: 138.20527.00002

 

  Table 1-3: After-Tax Base Case Cash Flow Summary

 

Item Unit Value
Cg Price $/st 998
Cg Concentrate Sales Mst 2.26
Total Gross Revenue US$ M 2,254
Mining Costs US$ M (379)
Processing Costs US$ M (639)
G&A Costs US$ M (102)
Product Transport to Kellyton Plant Cost US$ M (28)
Production Taxes/Royalties US$ M (56)
Total Operating Costs US$ M (1,204)
Operating Margin US$ M 1,050
Operating Margin US$ M 48%
Corporate Income Tax US$ M (139)
Operating Cash Flow US$ M 911
Development Capital US$ M (152)
Sustaining Capital US$ M (142)
Final Closure/Reclamation US$ M (43)
Total Capital US$ M (336)
     
Pre-tax Free Cash Flow US$ M 714.1
Pre-tax NPV @ 8% US$ M 229.2
Pre-tax IRR % 26.7
     
After-tax Free Cash Flow US$ M 608.2
After-tax NPV @ 8% US$ M 190.2
After-tax IRR % 24.2

 

 1-8 

 

 

Westwater Resources, Inc. | Coosa Graphite Project

S-K 1300 Report 

December 11, 2023

SLR Project No.: 138.20527.00002

 

1.2.1.3Sensitivity Analysis

 

Project risks can be identified in both economic and non-economic terms. Key economic risks were examined by running cash flow sensitivities:

 

·Head grade

 

·Mill recovery

 

·Cg price

 

·Operating costs

 

·Capital costs

 

Pre-tax IRR sensitivity over the base case has been calculated for -20% to +20% variations. The sensitivities are shown in Table 1-4 and Figure 1-1 and Figure 1-2. The Project is most sensitive to head grade, graphite price, and recovery, and only slightly less sensitive to operating cost and capital cost. The sensitivities to metallurgical recovery, head grade, and metal price are nearly identical.

 

  Table 1-4: After-Tax Sensitivity Analyses

 

Variance Head Grade
(% Cg)
NPV at 8%
(US$ millions)
IRR
80% 2.57% 48 12.9%
90% 2.89% 119 18.9%
100% 3.21% 190 24.2%
110% 3.53% 261 29.1%
120% 3.85% 332 33.8%
Variance Recovery
(%)
NPV at 8%
(US$ millions)
IRR
90% 82.8% 119 18.9%
95% 87.4% 155 21.6%
100% 92.0% 190 24.2%
105% 96.6% 226 26.7%
108% 99.4% 247 28.2%
Variance Metal Prices
(US$/st Cg Concentrate)
NPV at 8%
(US$ millions)
IRR
80% $798 46 12.6%
90% $898 118 18.8%
100% $998 190 24.2%
110% $1,097 262 29.2%
120% $1,197 335 34.0%

 

 1-9 

 

 

Westwater Resources, Inc. | Coosa Graphite Project

S-K 1300 Report 

December 11, 2023

SLR Project No.: 138.20527.00002

 

Variance Operating Costs
(US$/st)
NPV at 8%
(US$ millions)
IRR
90% 14.40 226 26.7%
95% 15.18 208 25.5%
100% 15.96 190 24.2%
115% 18.29 136 20.2%
130% 20.63 83 15.9%
Variance Capital Costs
(US$ M)
NPV at 8%
(US$ M)
IRR
90% 302 209 27.3%
95% 286 219 29.1%
100% 336 190 24.2%
115% 386 161 20.4%
130% 437 132 17.3%

 

Figure 1-1: After-Tax NPV Sensitivity Analysis

 

 

 1-10 

 

 

Westwater Resources, Inc. | Coosa Graphite Project

S-K 1300 Report 

December 11, 2023

SLR Project No.: 138.20527.00002

 

Figure 1-2: After-Tax IRR Sensitivity Analysis

 

 

1.2.2Alternate Case (Indicated Mineral Resources Only)

 

Only 7 million tons, or 11%, of the 72.7 million tons in the base case production schedule are Indicated Mineral Resources. The QP has determined that a stand alone alternative case with only Indicated resource tonnage is not economic using the assumptions and inputs outlined in the base case.

 

 1-11 

 

 

Westwater Resources, Inc. | Coosa Graphite Project

S-K 1300 Report 

December 11, 2023

SLR Project No.: 138.20527.00002

 

1.3Technical Summary

 

1.3.1Property Description

 

The Coosa graphite deposit is located at the southern end of the Appalachian Mountain range, in the western part of Coosa County, Alabama, USA. The deposit area is approximately 50 miles (mi) south-southeast of the city of Birmingham and 23 mi south-southwest of the town of Sylacauga. The Project is located in the Alabama Graphite Belt.

 

The Project consists of six primary areas of interest: Northern Extension (NX), Main Grid, Southwest Extension (SW), Fixico Mine, HS-North, and HS-South. The approximate geographical center of the target areas of interest is located at latitude 32°54’40.7”N and longitude 86°23’52.4”W. Access to the Project site is via Highway US 280 for approximately 64 mi south from Birmingham, Alabama to State Highway AL-9S, then approximately 10 miles west to State Highway AL-22 W, 12 mi west to Coosa County Road 29, and 12 mi north to the property.

 

1.3.2Land Tenure

 

The Coosa property mineral tenure is comprised of approximately 41,965 acres of privately owned mineral rights held by Westwater under a long-term lease located in parts of townships T. 21 N., T. 22 N., T. 23 N., and T. 24 N. and ranges R. 16 E., R. 17 E., R. 18 E., and R. 19 E. The western boundary is approximately the Coosa River.

 

A 2% net smelter return (NSR) royalty is payable by Westwater to the lessor from the commercial production and sale of graphite from the properties, as well as royalties for any precious metals, mica, iron, magnetite, manganese, calcium carbonate, copper, tantalum, and rare earths commercially produced and sold from the properties. An additional 0.5% NSR royalty is payable to Charles Merchant, an arm’s length party, who was engaged as an independent contractor to assist AGC with establishing its graphite operations in Alabama.

 

1.3.3History

 

The presence of graphitic schists in Alabama was recognized before the Civil War (1861-1865) by M. Tuomey. Dr. Gessner, employed by the Confederate Government to recover sulfur from the pyrite deposit at Pyriton, is credited with the first discovery of flake graphite in Alabama. The first commercial graphite operation dates back to 1899 when the Allen Graphite Company built a mill near the Quenelda deposits in Clay County using a patented oil flotation process and produced the first refined graphite in Alabama.

 

The mineral and surface rights of four sections in the Fixico Mine area of the Project were acquired by the Fixico Mining Company (Fixico) in 1901-1902. The mine operated from 1902 to 1908. There is no record of the amount of graphite and grade produced.

 

AGC’s subsidiary, Alabama Graphite Co. Inc. (Alabama Graphite), acquired the Project from Eugenia W. Dean (since 2014 the Estate of Eugenia W. Dean), Birmingham, Alabama in 2012 and carried out exploration from 2012 to 2018, including channel sampling, trenching, airborne and ground geophysical surveys, and four drilling programs.

 

Westwater acquired AGC on April 23, 2018. After acquisition, Westwater’s technical staff carried out a review of historical data and geologic information derived from previous graphite exploration drilling and surface trenching programs at Coosa to determine the potential for the presence of substantial vanadium mineralization at the Project. In late 2018, Company personnel carried out an extensive geochemical sampling program, collecting nearly 2,000 samples from many previously completed drill holes and trenches, to determine the presence and intensity of vanadium mineralization at Coosa. The laboratory analytical results of this sampling program outlined widespread and strong vanadium mineralization in very close association with strong flake graphite mineralization at numerous localities within the Project area.

 

 1-12 

 

 

Westwater Resources, Inc. | Coosa Graphite Project

S-K 1300 Report 

December 11, 2023

SLR Project No.: 138.20527.00002

 

1.3.4Geological Setting, Mineralization, and Deposit

 

The Project is located at the southern end of the Appalachian Mountain range, a northeast trending belt of folded and metamorphosed rocks of Neoproterozoic to Lower Paleozoic age. These are covered by the Coastal Plain Sediments of Cretaceous and younger age in the southern half of Alabama. The rocks of the southwestern end of the Appalachians are generally separated into four physiographic and geologic provinces which are, from northwest to southeast: the Interior Low Plateau province, the Appalachian Plateau province, the Valley and Ridge province, and the Piedmont province. The Alabama Graphite Belt is located in the Northern Piedmont.

 

The Northern Piedmont has three structural blocks: the Talladega Block on the northwestern side with low grade greenschist facies metasedimentary and metavolcanic rocks; the central Coosa Block with high grade, upper greenschist to kyanite and sillimanite grade metamorphic rocks, and abundant pegmatite and small granitoid bodies; and the Tallapoosa Block on the southeastern side of high grade, middle to upper amphibolite facies metasedimentary, metavolcanic, and metamorphosed ultramafic and mafic rocks, with large areas of quartz diorite to granitic plutonic rocks.

 

The host of the Project is the Higgins Ferry Formation in the Wedowee Group of the Coosa Block. The Higgins Ferry Formation is defined as an interbedded sequence of four major lithologic units, from top to bottom: a quartz-graphite schist (QGS), a mixed QGS-quartz-muscovite-biotite-graphite schist unit (called INT or intermediate unit), quartz muscovite biotite graphite schist (QMBGS), and a quartz-biotite-garnet schist (QBGS).

 

The Coosa graphite deposits are flake graphite deposits in high grade metamorphic rocks. Graphite flakes occur as part of the rock forming minerals in the schists. They are often associated with disseminated pyrrhotite and minor pyrite. In places, the green vanadium (V) bearing muscovite, roscoelite, also occurs. Minor late stage, straight-sided veinlets of cubic pyrite up to 10 mm wide with smectite clay cross cut the schistosity and pegmatites. The deposits are characterized by deep weathering.

 

The lithologic sequence at Coosa, from top to bottom, is QGS overlying INT, overlying QMBGS, overlying QBGS. QGS generally grades downward into INT, then into QMBGS, which in turn grades downward into QBGS. QMBGS is more highly metamorphosed than QGS and less metamorphosed than QBGS. All of the units are moderately to well foliated, with the foliations probably representing paleo-bedding of the original sedimentary rocks. In addition, several amphibolite intrusives occur on the Project, cutting the metamorphic units and intruding them.

 

QGS is the main host of graphite mineralization at Coosa. QGS can be fine to coarse grained, with minor small biotites and small to medium muscovites, and is usually well foliated. Graphite grades are typically in the order of 2% to 4%, occasionally up to 5% to 7%. QGS also generally contains the largest amount of vanadium-rich muscovite (roscoelite for a field term). Pyrite and/or pyrrhotite can be present, generally averaging less than 1% to 2%, are fine grained, and occur as either disseminated grains or thin (hairline to 1/8 in. thick) veinlets along foliations. Occasional hairline to 1/4 in. thick late pyrite veinlets are found cutting the foliations at high angles. Outcrops of QGS can be light green-gray to dark green, depending on the amount of weathering and oxidation. Roscoelite imparts the light to dark green color to the QGS.

 

 1-13 

 

 

Westwater Resources, Inc. | Coosa Graphite Project

S-K 1300 Report 

December 11, 2023

SLR Project No.: 138.20527.00002

 

INT reflects a gradual increase in metamorphic grade with depth and/or laterally from QGS towards QMBGS. Graphite ranges from 1% to 2%, occasionally up to 3%. In some places there is a gradual increase in the grain size of muscovite and biotite as the QGS is metamorphosed to QMBGS. In other places, the INT unit is marked by interlayers of QGS and QMBGS. These interlayers vary from several inches to several feet thick. Where there is a gradual change from QGS to QMBGS, graphite grade decreases with increasing metamorphic grade. In areas with interlayers of QGS and QMBGS, the QGS layers have higher graphite grade than the QMBGS layers. INT is rarely distinguishable in outcrop, due to limited vertical exposures providing evidence of interlayering and due to the gradual grain size change from QGS to QMBGS. Roscoelite content in the INT decreases with increasing metamorphism from QGS to QMBGS.

 

QMBGS is noticeable by its medium to coarse grained nature and by the large biotites and muscovites that occur along foliations. Biotite can be honey colored to dark brown. Pyrite and pyrrhotite can be present, usually less than 1% to 2% and fine to medium grained. QMBGS is well foliated, with the foliations commonly moderately to strongly contorted. Outcrops can range from light to dark gray to grey-brown. Graphite assays are typically less than 1% to 2%, with the graphite often being coarse grained due to recrystallization of the graphite grains.

 

1.3.5Exploration

 

Several surface exploration campaigns were conducted between 2012 to 2015. Due to the lack of outcrop and dense vegetation, the exploration techniques used were rock sampling in channels mainly along road cuttings, trenching, geophysics, and drilling. Since acquisition of the Project in 2018, Westwater has completed in-fill/delineation diamond drilling for a total of 5,551 ft in 65 holes. The Company has also conducted a geochemical sampling program using available core and trench material to determine the presence and intensity of vanadium mineralization at the Project.

 

To date, a total of 236 holes for 45,715 ft have been drilled at the Project, of which 205 holes totaling 39,434 ft were used in the Mineral Resource estimation. Since 2012, most drilling was focused on the Main Grid and NX target areas of the Project.

 

1.3.6Mineral Resource Estimate

 

A Mineral Resource estimate was completed by SLR using a conventional block modeling approach. The general workflow performed by SLR included the construction of a geological or stratigraphic model representing the Higgins Ferry Group Graphitic Schist sequence in Seequent’s Leapfrog Geo (Leapfrog Geo) from mapping, drill hole logging, and sampling data, which was used to define discrete domains and surfaces representing the upper contact of each unit. The geologic model was then used to constrain resource estimation. The resource estimate used regularized block models, the inverse distance squared (ID2) methodology, and length-weighted, 10 ft, uncapped composites to estimate the Cg and V in a three-search pass approach, using hard boundaries between subunits, ellipsoidal search ranges, and search ellipse orientation informed by geology. Average density values were assigned by lithological unit.

 

Estimates were validated using standard industry techniques including statistical comparisons with composite samples and parallel nearest neighbor (NN) estimates, swath plots, and visual reviews in cross-section and plan. A visual review comparing blocks to drill holes was completed after the block modeling work was performed to ensure general lithologic and analytical conformance and was peer reviewed prior to finalization.

 

 1-14 

 

 

Westwater Resources, Inc. | Coosa Graphite Project

S-K 1300 Report 

December 11, 2023

SLR Project No.: 138.20527.00002

 

Mineral Resources have been classified in accordance with the definitions for Mineral Resources in S-K 1300. Mineral Resources estimated by SLR used all drill results available as of March 17, 2022, and are summarized in Table 1-1 with an effective date of November 30, 2022. No additional drilling has been completed since that date and the Mineral Resource estimate remains current.

 

To ensure that all Mineral Resource statements satisfy the “reasonable prospects for economic extraction” (RPEE) requirement, factors significant to technical feasibility and potential economic viability were considered. Mineral Resources were defined and constrained within an open-pit shell prepared by SLR and based on a US$1,100/st graphite value.

 

The SLR QP is of the opinion that with consideration of the recommendations summarized in this section of the TRS, any issues relating to all relevant technical and economic factors likely to influence the prospect of economic extraction can be resolved with further work. There are no other known legal, social, or other factors that would affect the development of the Mineral Resources.

 

1.3.7Mining Method

 

The Coosa Project is proposed to be operated as a conventional open pit mine with 20 ft bench heights, using drilling and blasting for rock breakage, and excavator and trucks for material handling.

 

Production from the mines is planned to be fed to the nearby processing plant with a nominal capacity of 3.2 Mstpa (approximately 3.0 million tonnes per year).

 

1.3.8Mineral Processing and Metallurgical Testing

 

The Coosa concentrator plant was designed for a nominal 3.2 Mstpa of ROM feed based on preliminary design criteria.

 

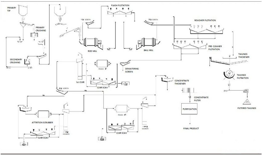
Mine haul trucks will tip into a surge bin feeding a primary jaw crusher designed for 86% availability. The primary crushed mill feed will be conveyed to a 5/8 in. (15 mm) sizing screen, with the oversize reporting to the secondary crusher and the undersize fed forward to the rod mill circuit.

 

A 150 ton fine feed bin will provide surge capacity for the grinding circuit, to ensure a constant feed rate to the rod mill. The rod mill will operate in closed circuit with a 10 mesh scalping screen. Undersize from the screen will be fed to a flash flotation cell, with the flash cell tailing pulp gravitating to the ball mill classification screen. The screen separates at a P80 of 450 μm, with the oversize reporting to the mill and the undersize going to the rougher flotation feed box.

 

The rougher flotation stage will consist of a bank of six conventional (“trough”) cells in series. Each cell will have independent airflow control. The rougher concentrate is combined with the flash concentrate and pumped to a pre-cleaner flotation circuit consisting of a bank of five trough cells in series.

 

The pre-cleaner concentrate will be dewatered using a vibrating screen with 230 mesh openings, with the screen oversize reporting to the first of two polishing scrubbers. The scrubber discharge is combined with the screen undersize (solution) to serve as feed to the first cleaner column flotation cell. Two stages of conventional scavenger flotation cells are used to recover Cg from the first cleaner tail, returning Cg concentrate to the 1st cleaner column feed and 1st polishing scrubber feed screen, respectively.

 

 1-15 

 

 

Westwater Resources, Inc. | Coosa Graphite Project

S-K 1300 Report 

December 11, 2023

SLR Project No.: 138.20527.00002

 

First cleaner flotation concentrate will be screened at 80 mesh (177 μm) by the 2nd polishing scrubber feed screen, with the oversize reporting to the 2nd polishing scrubber ahead of 2nd column flotation cells. The screen undersize will be thickened prior to attrition scrubbing and column flotation in a 3rd set of column flotation cells. Final cleaner concentrate from both the 2nd and 3rd flotation column circuits are combined, thickened and filtered in filter presses comprising the final concentrate product.

 

The slurry from the rougher and pre-cleaner circuits will be pumped to the filtration facility near the tailings management facility. At the filtration plant, the slurry will be thickened, filtered, and transported to the tailings management facility.

 

Reagents will be stored, mixed, and distributed from a central reagents area. Frother, collector, and lime will be pumped from the reagents area to the flotation section using peristaltic reagent pumps to accurately dose the process.

 

1.3.9Infrastructure and Site Layout

 

The Project infrastructure consists of the following:

 

·Open pits

 

·Process plant, mobile equipment and maintenance shops

 

·Office/administration area

 

·Co-mingled waste rock and Filtered Tailings Storage Facility (FTSF)

 

·Electrical substation

 

This infrastructure is required to support the final facility generating on average approximately 100,000 stpa of concentrate.

 

Office and dry facilities will be portable offices located near the mill.

 

The site access road is approximately 3.4 miles from Coosa County Road 29. It will be upgraded to allow truck traffic to carry the flake concentrate from the mine to the purification plant. This road will be maintained as a gravel road with the proper ditches and culverts for surface drainage.

 

Approximately 460,000 gal/d of fresh water will be required to satisfy water demand for the process plant. This will come from water collection in the settling pond below the FTSF as well as from a series of water wells.

 

Electrical power for the site will be supplied by electrical grid power brought to the site. Access to the Alabama Power transmission line is possible with a 3.75 miles line connecting to the west of the Project. The power line would follow existing roads to facilitate easy installation and periodic checks.

 

At full capacity, the plant will have a connected load of 12.7 MW with an operating load of 11.6 MW. The mill will be serviced with a main substation and electrical power distributed by a combination of cable ducts and aerial lines.

 

The FTSF will be located to the east of the processing plant. The slurry material will be pumped to the filtration facility near the FTSF. After filtration, the solids will be placed in the FTSF and compacted in place. The tailings from the oxidized zone are assumed to be non-acid generating, while the reduced zone tailings are expected to be acid generating. These assumptions will need to be verified with material from the pilot plant test work and further studies.

 

 1-16 

 

 

Westwater Resources, Inc. | Coosa Graphite Project

S-K 1300 Report 

December 11, 2023

SLR Project No.: 138.20527.00002

 

The waste rock will be mixed with the filtered tailings to create a single dump platform for maintenance and reclamation purposes.

 

Based on the conceptual FTSF layout, the tailings facility will provide storage for approximately 73 Mst (66 million tonnes) of tailings and 15 Mst (13.5 million tonnes) of waste material, for a total capacity of 88 Mst (79.5 million tonnes).

 

1.3.10Market Studies

 

For the economic analysis in this TRS, the long term pricing forecast for natural flake graphite (North America Cost, Insurance, and Freight (CIF), 94-95% C, Real USD basis) is a constant basket price of US$1,100 per tonne (US$998 per ton) delivered to Westwater’s Kellyton, AL plant. This represents a conservative approach to pricing trends.

 

1.3.11Environment

 

The Project is located on 2,667 acres located in Coosa County, Alabama, approximately eight miles west of Rockford, Alabama. The Project area is forested with unpaved roads throughout and the current land use is silviculture and recreational hunting. The southern border of the Project area is shared with the Coosa Wildlife Management Area (WMA), and the Coosa WMA Shooting Range is located approximately one mile east.

 

The Project area is located within the Mobile Bay watershed and the Coosa River water basin and includes multiple small tributaries to the Coosa River and Weogufka Creek.

 

1.3.12Capital and Operating Costs

 

The capital and operating cost estimates for the Project are based on factored costs from other operations, the SLR QP’s judgment, and analogy. The change in the cost basis for this TRS, due to the proposed increase in Cg production rates and the requirement for cost escalation, makes the accuracy, in the SLR QP’s opinion, an American Association of Cost Engineers (AACE) International Class 5 cost estimate with an accuracy range of -20% to -50% to +30% to +100%.

 

Table 18-1-5 summarizes the LOM capital cost estimate for the 95,000 stpa to 105,000 stpa (86,000 to 95,000 tonnes per year) concentrate production schedule.

 

 1-17 

 

 

Westwater Resources, Inc. | Coosa Graphite Project

S-K 1300 Report 

December 11, 2023

SLR Project No.: 138.20527.00002

 

Table 1-5:    Base Case LOM Capital Cost Estimate Summary

 

Area (US$000)
Mining 13,231
Processing 89,230
Infrastructure 17,180
Tailings Facility 31,919
Total Development Capital 151,559
Mining 22,284
Processing/ Infrastructure 6,786
Tailings Facility 112,636
Total Sustaining Capital 141,706
Mine/Plant Closure/Reclamation 8,736
FTSF Closure/Reclamation 33,975
Total Closure/Reclamation 42,711
Grand Total 335,977

 

The operating cost estimates in this TRS were derived from MCS cost guides, a subscription-based cost database, that total $15.41/st mill feed ($16.99/tonne mill feed) as follows:

 

·Mining: $5.21/st mill feed, $4.33/st mined; ($5.75/tonne mill feed, $4.77/tonne mined)

 

·Processing: $8.80/st mill feed; ($9.70/tonne mill feed)

 

·G&A: $1.40/st mill feed; ($1.54/tonne mill feed)

 

·Total: $15.41/st mill feed ($16.99/tonne mill feed)

 

 1-18 

 

 

Westwater Resources, Inc. | Coosa Graphite Project

S-K 1300 Report 

December 11, 2023

SLR Project No.: 138.20527.00002

 

2.0Introduction

 

SLR International Corp. (SLR) was retained by Westwater Resources, Inc. (Westwater or the Company) to prepare an independent Technical Report Summary (TRS) on the Coosa Graphite Project (the Project or Coosa), located in Coosa County, Alabama, USA. The purpose of this TRS is to disclose results of an Initial Assessment (IA) of the Project, including an economic analysis, based on the Mineral Resource estimate with an effective date of November 30, 2022. The Mineral Resource estimate was reported in the previous TRS dated December 1, 2022 and remains unchanged as no additional work has been completed on the property since that time.

 

This TRS conforms to United States Securities and Exchange Commission’s (SEC) Modernized Property Disclosure Requirements for Mining Registrants as described in Subpart 229.1300 of Regulation S-K, Disclosure by Registrants Engaged in Mining Operations (S-K 1300) and Item 601 (b)(96) Technical Report Summary.

 

Westwater is a 45-year old public company currently focused on developing battery-grade natural graphite. Originally incorporated in 1977 as Uranium Resources, Inc. to mine uranium in Texas, the Company has been reborn as an energy materials and technology developer. Westwater is focused on battery-grade natural graphite after its acquisition of Alabama Graphite Corp. (AGC) in April 2018. AGC acquired the Project in 2012 based on the geologic setting. On April 23, 2018, Westwater acquired a 100% interest in AGC as part of a strategic decision to refocus the Company to supply battery manufacturers with low-cost, high-quality, and high-margin natural graphite products. As a result of that business transaction, Westwater became the owner of the Project.

 

The Coosa graphite deposit is located at the southern end of the Appalachian Mountain range, in Coosa County, Alabama. The deposit area is approximately 50 miles south-southeast of the city of Birmingham and 23 miles south-southwest of the town of Sylacauga. The Project’s mineral tenure is comprised of approximately 41,965 acres of privately owned mineral rights that the Company holds under a long-term lease. The Project is located in the flake graphite belt of central Alabama, also known as the Alabama Graphite Belt.

 

2.1Site Visits

 

SLR’s Qualified Person (QP) for Geology and Mineral Resources visited the Project on April 21-23, 2022. The SLR QP toured the Kellyton Graphite Plant offices, warehouses, operational areas, and processing facility (currently under construction), located in Kellyton, Alabama. At the Project, the SLR QP also toured drilling and trench site locations in the deposit area, reviewed drill core logging and sampling procedures, reviewed geologic cross sections and previous modeling procedures with Westwater’s geologist and other staff, and discussed ongoing and future exploration plans.

 

An SLR waste management engineer visited the site on September 5, 2023, accompanied by a Westwater geologist, in order to review locations of the proposed processing plant, filtration process, Filtered Tailings Storage Facility (FTSF), and other areas around the Project.

 

2.2Sources of Information

 

During the preparation of this TRS, discussions were held with personnel from Westwater:

 

·Mr. Cevat Er, Chief Technical Officer –Westwater

 

·Mr. Ted Wilton, PG, CPG, MAIG, Consulting Geologist, Westwater

 

·Mr. David Greenan, Consulting Geologist, Westwater

 

·Mr. Michael Vineyard, Geologist, Alabama Graphite Products, LLC, a subsidiary of Westwater

 

The documentation reviewed, and other sources of information, are listed at the end of this TRS in Section 24.0 References.

 

 

2-1

 

 

 

Westwater Resources, Inc. | Coosa Graphite Project

S-K 1300 Report 

December 11, 2023

SLR Project No.: 138.20527.00002

 

2.3List of Abbreviations

 

The U.S. System for weights and units has been used throughout this TRS. Tons are reported in short tons (st) of 2,000 lb unless otherwise noted. All currency in this TRS is US dollars (US$) unless otherwise noted.

 

Abbreviations used in this TRS are listed below.

 

μ micron kVA kilovolt-amperes
μg microgram kW kilowatt
a annum kWh kilowatt-hour
A ampere L litre
bbl barrels lb pound
Btu British thermal units L/s litres per second
°C degree Celsius m metre
C$ Canadian dollars M mega (million); molar
cal calorie m2 square metre
cfm cubic feet per minute m3 cubic metre
cm centimetre masl metres above sea level
cm2 square centimetre m3/h cubic metres per hour
d day mi mile
dia diameter min minute
dmt dry metric tonne μm micrometre
dwt dead-weight ton mm millimetre
fasl feet above sea level mph miles per hour
°F degree Fahrenheit MVA megavolt-amperes
ft foot MW megawatt
ft2 square foot MWh megawatt-hour
ft3 cubic foot oz Troy ounce (31.1035g)
ft/s foot per second oz/st, opt ounce per short ton
g gram ppb part per billion
G giga (billion) ppm part per million
Gal Imperial gallon psia pound per square inch absolute
g/L gram per litre psig pound per square inch gauge
Gpm Imperial gallons per minute RL relative elevation
g/t gram per tonne s second
gr/ft3 grain per cubic foot st short ton
gr/m3 grain per cubic metre stpa short ton per year
ha hectare stpd short ton per day
hp horsepower t metric tonne
hr hour tpa metric tonne per year
Hz hertz tpd metric tonne per day
in. inch US$ United States dollar
in2 square inch USg United States gallon
J joule USgpm US gallon per minute
k kilo (thousand) V volt
kcal kilocalorie W watt
kg kilogram wmt wet metric tonne
km kilometre wt% weight percent
km2 square kilometre yd3 cubic yard
km/h kilometre per hour yr year
kPa kilopascal    

 

 

2-2

 

 

 

Westwater Resources, Inc. | Coosa Graphite Project

S-K 1300 Report 

December 11, 2023

SLR Project No.: 138.20527.00002

 

3.0Property Description

 

3.1Location

 

The Coosa graphite deposit is located at the southern end of the Appalachian Mountain range, in the western part Coosa County, Alabama, USA. The deposit area is approximately 50 miles (mi) south-southeast of the city of Birmingham and 23 mi south-southwest of the town of Sylacauga. The Project is located in the flake graphite belt of central Alabama, also known as the Alabama Graphite Belt.

 

3.2Land Tenure

 

The Coosa property mineral tenure is comprised of approximately 41,965 acres of privately owned mineral rights held by Westwater under a long-term lease located in parts of townships T. 21 N., T. 22 N., T. 23 N., and T. 24 N. and ranges R. 16 E., R. 17 E., R. 18 E., and R. 19 E. The western boundary is approximately the Coosa River.

 

The primary target areas of interest for this TRS are located in parts of Sections 4, 5, 6, 7, 8, and 9, T. 22 N, R. 17 E, Coosa County, Alabama. The primary area of interest is referred to as the Coosa Graphite Project and is divided into six primary target areas but only five are contained in the Mineral Resource estimate:

 

1Northern Extension (NX)

 

2Main Grid

 

3Southwest Extension (SW)

 

4Fixico Mine

 

5HS-North (excluded from the Mineral Resource estimate due to limited drilling)

 

6HS-South

 

The approximate geographical center of the target areas of interest is located at 32°54’40.7”N and longitude 86°23’52.4”W. All surface data coordinates are State Plane 1927 Alabama East FIPS 0101 (US feet) system. Maps of the Project location, mineral rights, and target areas are provided in Figure 3-1, Figure 3-2, and Figure 3-3, respectively. A list of the mineral rights is presented in Table 3-1.

 

The mineral rights are patents of private land issued between 1842 and 1860. The surface land rights were subsequently sold separately from the mineral rights and are now held by a different owner. The ownership of the mineral rights is a matter of public record in the Probate Records of Coosa County, Alabama. The authority for the State of Alabama non-fuel minerals surface mining is the Alabama Department of Labor, Mining Division. No assessment work is required to hold mineral rights on private land. The mineral rights were granted in perpetuity. The Coosa mineral rights are identified by their township, range, section and, where relevant, quarters, in the same manner as land rights, and do not have an identification number or name. The mineral rights have not been surveyed.

 

As the mineral rights are patents of private land and were issued before the introduction of the General Mining Law of 1872, which governs mining on Federal public lands, this law is not applicable to the Project and the mineral rights are not held as either patented or unpatented lode claims. Thus, the mineral rights do not have claim names and are not defined by metes and bounds.

 

 

3-1

 

 

 

Westwater Resources, Inc. | Coosa Graphite Project

S-K 1300 Report 

December 11, 2023

SLR Project No.: 138.20527.00002

 

Table 3-1:   Summary of Land Tenure Mineral Resources

 

Township Range Section Quarter Area
(acres)
T. 21 N. R. 16 E. Section 12 SW1/4 NE1/4, NW1/4, S1/2 SW1/4, NW1/4 SE1/4, S1/2 SE1/4 400
T. 21 N. R. 17 E. Section 01 E1/2 NE1/4, NW1/¼E 1/4 120
T. 21 N. R. 17 E. Section 06 NE1/4 160
T. 21 N. R. 17 E. Section 07 SE1/4 SE1/4 40
T. 21 N. R. 17 E. Section 08 SW1/4 NE1/4, SE1/4 NW1/4, E1/2 NE1/4 SW1/4, SE1/4 SW1/4, W1/2 SE1/4 220
T. 21 N. R. 17 E. Section 11 NE1/4 160
T. 21 N. R. 17 E. Section 27 SE1/4 SE1/4 40
T. 21 N. R. 17 E. Section 33 SW1/4 NW1/4, fractional NW1/4 SW1/4 69
T. 21 N. R. 18 E. Section 02 NW1/4 NW1/4; ALSO 10 acres off the East side of the NE1/4 NW1/4; Also, all that part of the NW1/4 NE1/4 lying North of the creek Containing 20 acres, more or less 70
T. 21 N. R. 18 E. Section 03 SW1/4 NE1/4, N1/2 NW1/4 120
T. 21 N. R. 18 E. Section 04 A tract of land on the East side of the NE1/4 NE1/4, Containing 6.5 acres, more or less 6.5
T. 21 N. R. 18 E. Section 05 N1/2 SE1/4 80
T. 21 N. R. 18 E. Section 07 SE1/4 NE1/4, NE1/4 SE1/4, SW1/4 SW1/4 120
T. 21 N. R. 18 E. Section 09 SE1/4 NE1/4, NW/4 NW1/4, NE1/4 SW1/4 120
T. 21 N. R. 18 E. Section 17 NE1/4 SW1/4 40
T. 21 N. R. 18 E. Section 21 NW1/4 NW1/4 40
T. 22 N. R. 16 E. Section 01 All 640
T. 22 N. R. 16 E. Section 02 All 640
T. 22 N. R. 16 E. Section 03 E1/2 NW1/4, SE1/4 SE1/4 120
T. 22 N. R. 16 E. Section 04 NE1/4 NE1/4, S1/2 NE1/4, NW1/4 NW1/4, N1/2 SW1/4 NW1/4, E1/2 SW1/4, SW1/4 SW1/4, SE1/4 460.1
T. 22 N. R. 16 E. Section 05 NE1/4 160

 

 

3-2

 

 

 

Westwater Resources, Inc. | Coosa Graphite Project

S-K 1300 Report 

December 11, 2023

SLR Project No.: 138.20527.00002

 

Township Range Section Quarter Area
(acres)
T. 22 N. R. 16 E. Section 08 Lot A 14.1
T. 22 N. R. 16 E. Section 09 N1/2, SE1/4, E1/2 SW1/4 554.2
T. 22 N. R. 16 E. Section 10 N1/2, N1/2 SW1/4, NW1/4 SE1/4, NE1/4 SE1/4 481.1
T. 22 N. R. 16 E. Section 11 S1/2 NW1/4, S1/2 SW1/4, NW1/4 SW1/4 200
T. 22 N. R. 16 E. Section 12 N1/2, SW1/4 480
T. 22 N. R. 16 E. Section 13 All 641.2
T. 22 N. R. 16 E. Section 14 All 640
T. 22 N. R. 16 E. Section 15 S1/2, S1/2 NW1/4, NE1/4 NE1/4 440.5
T. 22 N. R. 16 E. Section 16 All of fractional N1/2 196.7
T. 22 N. R. 16 E. Section 22 NE1/4, S1/2 NW1/4, NE1/4 NW1/4, all of fractional S1/2 580
T. 22 N. R. 16 E. Section 23 All of fractional S1/2 318.3
T. 22 N. R. 16 E. Section 24 All 640
T. 22 N. R. 16 E. Section 25 N1/2 NE1/4, NW1/4, E1/2 SE1/4; also 10 acres in the Northeast Corner of the NW1/4 SW1/4; also, a fractional part containing 250 acres, more or less, as described in that certain deed from the trustees under the last will and testament of John R. Hegeman to Charles A. Dean, dated 11 November 1929, and recorded in Deed Book 6, page 582, in the land records of the Probate Judge's Office, Coosa County, Alabama. 580
T. 22 N. R. 16 E. Section 36 E1/2 320
T. 22 N. R. 17 E. Section 01 NW1/4 NW1/4 40
T. 22 N. R. 17 E. Section 02 SE1/4 NE1/4, N1/2 NW1/4, N1/2 SE1/4 200
T. 22 N. R. 17 E. Section 03 All 640
T. 22 N. R. 17 E. Section 04 NW1/4 NE1/4, E1/2 SE1/4, E1/2 NW1/4, E1/2 SW1/4 280
T. 22 N. R. 17 E. Section 05 All 640.96
T. 22 N. R. 17 E. Section 06 All 640
T. 22 N. R. 17 E. Section 07 All 640

 

 

3-3

 

 

 

Westwater Resources, Inc. | Coosa Graphite Project

S-K 1300 Report 

December 11, 2023

SLR Project No.: 138.20527.00002

 

Township Range Section Quarter Area
(acres)
T. 22 N. R. 17 E. Section 08 All 640
T. 22 N. R. 17 E. Section 09 All 640
T. 22 N. R. 17 E. Section 10 All, except E1/2 SE1/4 SW1/4 620
T. 22 N. R. 17 E. Section 11 All, except E1/2 NW1/4 560
T. 22 N. R. 17 E. Section 12 W1/2 except 8 acres in the SE corner of the SE1/4 SW1/4 312
T. 22 N. R. 17 E. Section 13 E1/2 NW1/4 80
T. 22 N. R. 17 E. Section 14 W1/2 NW1/4, SW1/4, W1/2 SE1/4, NE1/4 SE1/4 360
T. 22 N. R. 17 E. Section 15 NE1/4, SW1/4, N1/2 SE1/4, SE1/4 SE1/4 440
T. 22 N. R. 17 E. Section 17 All 640
T. 22 N. R. 17 E. Section 18 SW1/4, NE1/4 SE1/4, W1/2 NW1/4 SE1/4, S1/2 SE1/4 300
T. 22 N. R. 17 E. Section 19 All 640
T. 22 N. R. 17 E. Section 20 N1/2, N1/2 S1/2 480
T. 22 N. R. 17 E. Section 21 NE1/4 NE1/4, S1/2 NE1/4, NW1/4 NW1/4, S1/2 NW1/4, S1/2 560
T. 22 N. R. 17 E. Section 22 All 642
T. 22 N. R. 17 E. Section 23 N1/2, Also, the South 15 acres of the SE1/4 SE1/4 335
T. 22 N. R. 17 E. Section 24 SE1/4 SE1/4 40
T. 22 N. R. 17 E. Section 25 All, except SW1/4 SE1/4 600
T. 22 N. R. 17 E. Section 26 N1/2, SW1/4, W1/2 SE1/4, all NE1/4 SE1/4 North of Hatchett Creek 580
T. 22 N. R. 17 E. Section 27 N1/2 NE1/4, S1/2 NW1/4, SW1/4, W1/2 SE1/4, SE1/4 SE1/4 440.9
T. 22 N. R. 17 E. Section 31 All 640
T. 22 N. R. 17 E. Section 32 All 640
T. 22 N. R. 17 E. Section 33 N1/2, SW1/4, NW1/4 SE1/4, SE1/4 SE1/4 560
T. 22 N. R. 17 E. Section 34 S1/2 NW1/4, NE1/4 SW1/4 120

 

 

3-4

 

 

 

Westwater Resources, Inc. | Coosa Graphite Project

S-K 1300 Report 

December 11, 2023

SLR Project No.: 138.20527.00002

 

Township Range Section Quarter Area
(acres)
T. 22 N. R. 17 E. Section 35 NW1/4 NE1/4, NE1/4 NW1/4 except 10 acres off the West side 70
T. 22 N. R. 18 E. Section 09 SW1/4 SE1/4, E1/2 SE1/4 120
T. 22 N. R. 18 E. Section 10 N1/2 SW1/4 80
T. 22 N. R. 18 E. Section 15 NW1/4 NW1/4 40
T. 22 N. R. 18 E. Section 16 NE1/4 NW1/4, W1/2 W1/2 200
T. 22 N. R. 18 E. Section 17 SW1/4 NE1/4, SE1/4, S1/2 SW1/4 280
T. 22 N. R. 18 E. Section 18 S1/2 SE1/4 SE1/4 20
T. 22 N. R. 18 E. Section 19 NE1/4 NE1/4, S1/2 NE1/4, S1/2 NW1/4, SW1/4, N1/2 SE1/4; Also, 25 acres lying South of Hatchett Creek in the NE1/4 NW1/4; Also, 20 acres lying East of Cox Mill Road in the SE1/4 SE1/4 485
T. 22 N. R. 18 E. Section 20 N1/2 NE1/4; SW1/4 NE1/4 less 10 acres in the Southwest corner thereof; E1/2 NW1/4 less 2 acres now or formerly owned by J.D. Hardy, and less 10 acres East of the Old Road in the Southeast corner of the SE1/4 NW1/4; W1/2 NE1/4 SW1/4 less 1 acre at the church; 5 acres in the Northwest corner of the NE1/4 SE1/4; W1/2 W1/2 362
T. 22 N. R. 18 E. Section 21 NW1/4 NW1/4 40
T. 22 N. R. 19 E. Section 07 NE1/4 SE1/4 except 15 acres now or formerly owned by G.W. Miller 25
T. 23 N. R. 16 E. Section 03 S1/2, SE1/4 NW1/4 360
T. 23 N. R. 16 E. Section 04 E1/2, NW1/4, N1/2 SW1/4, N1/2 S1/4 SW1/4 600
T. 23 N. R. 16 E. Section 05 All 643
T. 23 N. R. 16 E. Section 07 Lot A 42
T. 23 N. R. 16 E. Section 08 NE1/4, NW1/4 less 13 acres covered by waters of the Coosa River 307.1
T. 23 N. R. 16 E. Section 10 W1/2 W1/2 160
T. 23 N. R. 16 E. Section 11 W1/2 NE1/4, NE1/4 NW1/4, S1/2 NW1/4, NW1/4 SW1/4, SE1/4 SW1/4, S1/2 SE1/4 361.1
T. 23 N. R. 16 E. Section 13 S1/2 NW1/4, NW1/4 NW1/4, W1/2 NE1/4 NW1/4, SW1/4 300
T. 23 N. R. 16 E. Section 14 All 641.1
T. 23 N. R. 16 E. Section 15 All 641.1

 

 

3-5

 

 

 

Westwater Resources, Inc. | Coosa Graphite Project

S-K 1300 Report 

December 11, 2023

SLR Project No.: 138.20527.00002

 

Township Range Section Quarter Area
(acres)
T. 23 N. R. 16 E. Section 16 NE1/4 NE1/4, SW1/4 NW1/4, W1/2 SW1/4, SE1/4 SW1/4, S1/2 SE1/4 280
T. 23 N. R. 16 E. Section 17 NE1/4 SW1/4, S1/2 S1/2 except that part covered by the waters of the Coosa River 193.1
T. 23 N. R. 16 E. Section 20 W1/2 NE1/4, N1/2 NW1/4, SE1/4 NW1/4, E1/2 SE1/4 280
T. 23 N. R. 16 E. Section 21 All, except 10 acres in the Southwest corner of the NW1/4 NW1/4 630
T. 23 N. R. 16 E. Section 22 All 640
T. 23 N. R. 16 E. Section 23 W1/2, W1/2 E1/2, NE1/4 NE1/4, SE1/4 SE1/4 560
T. 23 N. R. 16 E. Section 24 SW1/4, NW1/4 NW1/4 200.1
T. 23 N. R. 16 E. Section 25 All 640.1
T. 23 N. R. 16 E. Section 26 E1/2 NW1/4, NW1/4 NW1/4, 5 acres in the SW1/4 NW1/4, SE1/4 NE1/4, NE1/4 SE1/4, SW1/4 365.5
T. 23 N. R. 16 E. Section 27 NW1/4, W1/2 NE1/4, NW1/2 NE1/4 NE1/4 (the Northwest half of NE1/4 NE1/4) 260
T. 23 N. R. 16 E. Section 28 S1/2 NE1/4, NE1/4 NE1/4, W1/2 NW1/4, the North 30 acres of the NE1/4 NW1/4, S1/2 531.5
T. 23 N. R. 16 E. Section 29 All 641.6
T. 23 N. R. 16 E. Section 31 All of fractional section 10
T. 23 N. R. 16 E. Section 32 All of fractional section 620.32
T. 23 N. R. 16 E. Section 33 NW1/4, NW1/4 SW1/4, W1/2 NE1/4 SW1/4 220
T. 23 N. R. 16 E. Section 34 E1/2 NE1/4, N1/2 SE1/4, SE1/4 SE1/4, all of the SW/14 NE1/4 lying East of Clay Creek 230.8
T. 23 N. R. 16 E. Section 35 SW1/4 NE1/4, NW1/4, N1/2 SW1/4, SW1/4 SW1/4, NW1/4 SE1/4, S1/2 SE1/4 SE1/4 380
T. 23 N. R. 16 E. Section 36 All 640
T. 23 N. R. 17 E. Section 18 E1/2 SE1/4 80
T. 23 N. R. 17 E. Section 19 S1/2, NW1/4 NE1/4 360
T. 23 N. R. 17 E. Section 20 S1/2 320
T. 23 N. R. 17 E. Section 28 N1/2 N1/2, SW1/4 NE1/4, SE1/4 NW1/4, N1/2 SE1/4, SE1/4 SE1/4 E1/2 SW1/4, SW1/4 SW1/4 480.8
T. 23 N. R. 17 E. Section 29 All 641.1

 

 

3-6

 

 

 

Westwater Resources, Inc. | Coosa Graphite Project

S-K 1300 Report 

December 11, 2023

SLR Project No.: 138.20527.00002

 

Township Range Section Quarter Area
(acres)
T. 23 N. R. 17 E. Section 30 All 640
T. 23 N. R. 17 E. Section 31 All 640
T. 23 N. R. 17 E. Section 32 All 640
T. 23 N. R. 17 E. Section 33 NE1/4 NE1/4, NW1/4, SW1/4, S1/2 SE1/4, NE1/4 SE1/4 480
T. 23 N. R. 17 E. Section 34 SW1/4 SW1/4, SE1/4 SE1/4 80
T. 23 N. R. 18 E. Section 32 W1/2 NW1/4, NE1/4 NW1/4 120
T. 23 N. R. 19 E. Section 20 NW1/4 SW1/4 40
T. 24 N. R. 16 E. Section 32 NW1/4 NE1/4, S1/2 NE1/4, E1/2 NW1/4, SW1/4, N1/2 SE1/4, SE1/4 SE1/4 480
Total       41,964.9

 

 

3-7

 

 

 

Westwater Resources, Inc. | Coosa Graphite Project

S-K 1300 Report 

December 11, 2023

SLR Project No.: 138.20527.00002

 

Figure 3-1:      Location Map

 

 

 

3-8

 

 

 

Westwater Resources, Inc. | Coosa Graphite Project

S-K 1300 Report 

December 11, 2023

SLR Project No.: 138.20527.00002

 

Figure 3-2:      Westwater Mineral Holdings Map

 

 

 

3-9

 

 

 

Westwater Resources, Inc. | Coosa Graphite Project

S-K 1300 Report 

December 11, 2023

SLR Project No.: 138.20527.00002

 

Figure 3-3:      Target Areas

 

 

 

3-10

 

 

 

Westwater Resources, Inc. | Coosa Graphite Project

S-K 1300 Report 

December 11, 2023

SLR Project No.: 138.20527.00002

 

3.3Underlying Agreement

 

On August 1, 2012, AGC’s subsidiary, Alabama Graphite Co. Inc. (Alabama Graphite), a company registered in Alabama, entered into a Mining Lease Agreement (the Agreement) and Option with Eugenia W. Dean (since 2014 the estate of Eugenia W. Dean), Birmingham, Alabama pursuant to which it: (a) leased the mineral rights in respect to an area with the potential for graphite comprising 14,020.86 acres (approximately 5,674 ha) in township 22N, range 17E, Coosa County, Alabama; and (b) received an option of first refusal to lease the mineral rights to adjacent areas comprising 30,756.52 acres (12,447 ha). On November 5, 2012, Alabama Graphite exercised the option and leased an additional 27,944.02 acres (approximately 11,308 ha) of the remaining available acres under the same terms as in the initial agreement. The total property under lease is now 41,964.88 acres (approximately 16,982 ha).

 

Under the terms of the Agreement, the lease is for successive renewable five-year terms (not to exceed 70 years) in consideration of an initial cash payment of $30,000 and annual advance royalty payments of $10,000, starting on July 1, 2015 (paid). Alabama Graphite also paid $1,000 for the Option and was required to make annual payments of $1,000 to keep the Option in good standing. Alabama Graphite made a payment of $48,537 on November 5, 2012, to exercise the Option as an initial three-year payment through November 4, 2015, and issued 25,000 shares to the lessor.

 

Alabama Graphite is also obliged to pay the lessor a net smelter returns (NSR) royalty of 2% from the commercial production and sale of graphite from the properties, as well as royalties for any precious metals, mica, iron, magnetite, manganese, calcium carbonate, copper, tantalum, and rare earths commercially produced and sold from the properties.

 

In connection with entering into the Agreement and Option, Alabama Graphite engaged Charles Merchant (Merchant), an arm’s length party, as an independent contractor to assist it with establishing its graphite operations in Alabama. As consideration for his services, Alabama Graphite paid Merchant the cash sum of $320,000 and he is entitled to 800 common shares1 of the Company (the “Finder’s Shares”) to him once Alabama Graphite has a surface rights agreement to engage in meaningful mining operations on the mineral interests for the Coosa Graphite property. There is currently no surface rights agreement in place for the Coosa Graphite property.

 

 

1On August 1, 2012, an Agreement was executed by Mr. Merchant, Alabama Graphite Company, Inc., and Keymark Resources, Inc. (Keymark), which provided Mr. Merchant with an ownership interest in 500,000 shares of Keymark common stock but with that ownership only vesting on the Surface Rights Date. The Surface Rights Date is the date when a Surface Rights Agreement is executed; a Surface Rights Agreement would allow AGC to engage in meaningful mining operations on the mineral interests specified in the Agreement; and there is no Surface Rights Agreement currently in place for any properties associated with the Coosa Graphite properties. At the time of the execution of the Agreement, Keymark was the parent company for Alabama Graphite Company, Inc. On August 31, 2012, Keymark changed its name to Alabama Graphite Corp. (AGC). When Westwater acquired AGC on April 23, 2018, each share of AGC common stock was exchanged for 0.08 shares of Westwater’s common stock. In other words, the 500,000 shares of AGC’s stock became 40,000 shares of Westwater’s common stock. Further, one year later, on April 23, 2019, following approval by Westwater’s stockholders and an action by the Westwater Board of Directors, a 1-for-50 reverse split of Westwater’s common stock became effective, and those 40,000 shares would now be only 800 shares.

 

 

3-11

 

 

 

Westwater Resources, Inc. | Coosa Graphite Project

S-K 1300 Report 

December 11, 2023

SLR Project No.: 138.20527.00002

 

Alabama Graphite is obliged to pay Merchant an additional $100,000 upon receipt by Alabama Graphite of a bankable feasibility study (FS) in respect of the leased property and a further $150,000 upon full permitting of the leased property. This TRS is not an FS, and currently the Coosa Graphite property does not have any permits. The Company is also obliged to pay Merchant NSR royalties of 0.5% up to an aggregate amount of $150,000 if and when graphite mining operations commence on the leased property.

 

3.4Encumbrances

 

On November 23, 2020, Westwater executed a temporary access permit (TAP) with Hancock Forest Management, Inc. (Hancock) which currently owns the surface rights for the Coosa graphite properties. Hancock purchased the surface rights from Headwaters Investment Corp. in 2018. The TAP allows Westwater to engage in core drilling and testing for graphite deposits, and to travel to the Project via vehicles on existing roads and routes, until January 31, 2023. On January 28, 2021, the TAP was amended to allow access to the property even during the hunting season provided hunter orange vests are worn.

 

Previously, AGC had a Surface Use Agreement with Headwaters Investments Corporation covering 3,481 acres (1,409 ha). The first period of that agreement was until September 1, 2013, and it was renewed for a second period until September 30, 2015. The agreement covered the area of the drill grid and allowed AGC to carry out exploration including sampling, trenching and drilling. Payments of $53,000 were made for the first period and $50,000 for the second period plus a guarantee of $20,000 placed in escrow. The payments were based on the amount of anticipated surface disturbance. The Surface Use Agreement provided for unrestricted access to the property with the stipulation that AGC is responsible for reclamation of any surface disturbance caused by its exploration activities.

 

Headwater Investments Corp. has fee simple ownership of the surface rights. They are required to pay an annual property tax of $1.13 per acre. The property taxes have been paid in full to date and the property is in good standing.

 

3.5Royalties

 

SLR is not aware of any royalties other than those discussed in the previous sections.

 

3.6Required Permits and Status

 

Exploration, road access, and drilling at the Project is subject to environmental permits from the Alabama Department of Environmental Management (ADEM) including a Construction storm water permit under the National Pollutant Discharge Elimination System (NPDES), and General Permit #ALR1000000 authorizing discharges. A Construction Best Management Practices Plan (CBMPP) was issued on March 12, 2021 for Westwater’s 2021-2022 drilling program and expires on March 31, 2026.

 

3.7Other Significant Factors and Risks

 

SLR is not aware of any environmental liabilities on the property. Provided that TAP is extended beyond its current expiration date of January 31, 2023, Westwater has all required permits to conduct the proposed work on the property. SLR is not aware of any other significant factors and risks that may affect access, title, or the right or ability to perform the proposed work program on the property.

 

 

3-12

 

 

 

Westwater Resources, Inc. | Coosa Graphite Project

S-K 1300 Report 

December 11, 2023

SLR Project No.: 138.20527.00002

 

4.0Accessibility, Climate, Local Resources, Infrastructure and Physiography

 

4.1Accessibility

 

Access to the Project site is via Highway US 280 for approximately 63 mi south from Birmingham, Alabama to State Highway AL-9S, then approximately 10 miles west to State Highway AL-22 W, 12 mi west to Coosa County Road 29, and 12 mi north to the property. Sylacauga and Alexander City, Alabama, located approximately 24 mi and 38 mi respectively from the property are the closest small cities with hotels and services. The nearest major airport with scheduled flights is in Birmingham, Alabama, and there is an airfield at Sylacauga. All material potentially mined from the Project will be milled at the Project site and the concentrate will be transported to Westwater’s graphite processing plant located in Kellyton, Alabama, approximately 35 mi to the east.

 

4.2Climate

 

The climate zone of Alabama is classified as humid subtropical (Cfa) under the Koppen Climate Classification. The Holdridge Life Zones Climate Classification is subtropical moist forest.

 

The nearest climatic data available is for Sylacauga. The average annual temperature is 61.7°F. The warmest month is July with an average temperature of 78.7°F and the coolest month is January with an average temperature of 43.2°F. The maximum average high is 90.6°F in July, and the minimum average low is 31.4°F in January. Average annual precipitation is 55.2 in. The wettest month is March with an average of 5.9 in. Snow is rare with an average of 0.8 in. It is humid in the summer. The state is prone to tropical storms, hurricanes, thunderstorms, and tornadoes. Due to the moderate climate in the Project area, the operating season is year round.

 

4.3Local Resources

 

Personnel and supplies for future mining operations are expected to be sourced from the nearby towns of Birmingham and Sylacauga, Alabama (50 mi and 23 mi, respectively). The area within 10 mi of the property is very sparsely populated, so a mine would directly affect very few people. Mining has been a traditional industry in the area, and marble quarries are still active.

 

4.4Infrastructure

 

There is no infrastructure in the immediate area of the property, other than a network of well-maintained logging access roads. An electrical transmission line occurs approximately one mile west of the drill grid. Water is abundant in small streams and in Mitchell Lake, a large impoundment on the Coosa River at the western edge of the property.

 

4.5Physiography

 

The property is located in an area of ridges and valleys with elevations of approximately 350 fasl to 1,200 fasl (106 masl to 365 masl). The area of the drill grid is a peneplain surface dipping gently south at an elevation of 600 fasl to 700 fasl (183 masl to 214 masl) and incised by a meandering river system to give a local relief of up to 300 ft (92 m). The elevations of the drill collars vary from approximately 351 fasl to 766 fasl (106 masl to 233 masl).

 

 

4-1

 

 

 

Westwater Resources, Inc. | Coosa Graphite Project

S-K 1300 Report 

December 11, 2023

SLR Project No.: 138.20527.00002

 

The land use is forestry with thick mixed hardwoods and pines, and significant areas of pine plantations which are harvested every 20 to 25 years. There are clearings at towns and for agriculture. Due to extensive weathering, natural outcrops are sparse and most useful exposures are in road cuts, stream drainages, or old mine workings.

 

Weogufka Creek runs from northeast to southwest on the north side of the drill grid, and joins Swamo Creek, the Coosa River, and the Mitchell Lake dam. This is a tributary of the Alabama River which flows southwest, becomes the Mobile River, and then flows into the Gulf of Mexico at Mobile.

 

 

4-2

 

 

 

Westwater Resources, Inc. | Coosa Graphite Project

S-K 1300 Report 

December 11, 2023

SLR Project No.: 138.20527.00002

 

5.0History

 

5.1Prior Ownership

 

The long and complicated history of ownership of the mineral and surface rights of the Project is described in the Preliminary Title Review dated May, 2021 and prepared by Deborah L. S. Goetz of Landres Management Consultants, for Sections 3, 4, 5, 7, 8 and 9, Township 22 N, Range 17 E, where AGC and Westwater have carried out exploration activities. A brief summary is provided below.

 

The mineral and surface rights of Sections 3, 4, 5, 7, 8 and 9 are patents of private land issued between 1842 and 1860. Most of them were acquired by the Fixico Mining Company in 1901-02. Several other companies and individuals owned other parts. Following bankruptcy of Fixico in 1910, their mineral and surface rights were acquired by John R. Hegeman. In 1929, the mineral rights were acquired by Charles A. Dean (senior). He acquired more mineral rights over the years and, on his death in 1952, they passed to multiple heirs who sold a half interest to Robert A. Russell. In 1980, Charles A. Dean, Junior, acquired all of the mineral rights from the other Dean heirs and the Russell heirs. On the death of Charles A. Dean, Junior in 2008, the mineral rights were inherited by his wife, Eugenia W. Dean, and following her death in 2014, they were inherited by the Estate of Eugenia W. Dean.

 

On August 1, 2012, AGC’s subsidiary, Alabama Graphite, a company registered in Alabama, entered into a Mining Lease Agreement and Option with Eugenia W. Dean (since 2014 the estate of Eugenia W. Dean), Birmingham, Alabama pursuant to which it: (a) leased the mineral rights in respect to an area with the potential for graphite comprising 14,020.86 acres (approximately 5,674 ha) in township 22N, range 17E, Coosa County, Alabama; and (b) received an option of first refusal to lease the mineral rights to adjacent areas comprising 30,756.52 acres (12,447 ha). On November 5, 2012, Alabama Graphite exercised the option and leased an additional 27,944.02 acres (approximately 11,308 ha) of the remaining available acres under the same terms as in the initial agreement. The total property under lease is now 41,964.88 acres (approximately 16,982 ha).

 

On April 23, 2018, Westwater acquired a 100% interest in Alabama Graphite as part of a strategic decision to refocus the Company to supply battery manufacturers with low-cost, high-quality, and high-margin natural graphite products. As a result of that business transaction, Westwater became the owner of the Coosa Graphite Project, which was the principal asset of Alabama Graphite.

 

5.2Exploration and Development History

 

5.2.1The Alabama Graphite Belt

 

The following sections describe the history of graphite mining and exploration in the Alabama Graphite Belt and is provided for background information on the regional setting of the Coosa Project. The information is taken from published sources as summarized by Pallister and Thoenen (1948) and Durgin (2013). These are not necessarily an indication of the mineralization that occurs on the Coosa Project.

 

The Alabama Graphite Belt is a 70 mi long, northeast-trending belt in Clay, Coosa, and Chilton Counties. Most of the historical mines were in the northeast segment around Ashland, Clay County (Area A of Pallister and Thoenen, 1948), approximately 18 mi long, separated by an 11 mi gap from the 40 mi long, southwest segment extending from Goodwater, Coosa County, to Verbena, Chilton County (Areas B and C). The geology of the graphite deposits at Ashland was described by Brown (1925). The Coosa Project occurs beside the historic Fixico Mine in the southwestern part of the belt (Area C).

 

 

5-1

 

 

 

Westwater Resources, Inc. | Coosa Graphite Project

S-K 1300 Report 

December 11, 2023

SLR Project No.: 138.20527.00002

 

The presence of graphitic schists in Alabama was recognized by M. Tuomey before the Civil War (1861-1865; Jones, 1929). Dr. Gessner, employed by the Confederate Government to recover sulfur from the pyrite deposit at Pyriton, is credited with the first discovery of flake graphite in Alabama (Clemmer et al., 1941). The first attempt at development was in 1888, however, an experimental mill using water for flotation was unsuccessful. The first commercial graphite operation dates back to 1899 when the Allen Graphite Company built a mill near the Quenelda deposits in Clay County using a patented oil flotation process and produced the first refined graphite in Alabama.

 

The Fixico Mine in Coosa County, adjacent to the Project, and the Dixie Mine in Chilton County began operations in the early 1900s. By 1906, there were several mines in operation and by 1913, the graphite industry was well established in central Alabama. World War I caused the disruption of foreign graphite imports, leading to significantly higher prices and the Alabama graphite industry boomed. By 1918, there were 25 flotation plants operating in the district with a total production in 1918 of 7.8 million pounds of graphite (Pallister and Thoenen, 1948).

 

The end of the war and the resumption of foreign imports depressed prices and the Alabama graphite industry dwindled to seven operating plants in 1920. In 1929, the last two mines in the district, the Ceylon Graphite Company in Coosa County and the Superior Flake Plant in Clay County, were closed.

 

At the start of World War II in 1939, C. J. Johnson rebuilt the mill at the Ceylon Mine and began production of flake graphite on a small scale. In 1940, as a result of the interruption of graphite imports from Madagascar, the US Bureau of Mines made a preliminary survey of the Alabama graphite deposits to determine the viability of resumption of mining, with a report by Clemmer et al. (1941). As the demand for graphite rose, the War Production Board, the Metals Reserve Company, and the Reconstruction Finance Corporation (all federally funded) turned their attention to the district, and a detailed study of the district was carried out between 1942 and 1944 which resulted in a report by Pallister and Thoenen (1948). Based on this report, the graphitic deposits were found to contain significant amounts of green vanadium-bearing mica (roscoelite). A total of 11 mining areas including 49 graphite deposits were mapped and studied in detail for graphite and vanadium. More than nine miles of access roads were built; 17,930 ft of bulldozer trenches, 2,670 ft of power scoop trenches, 5,234 ft of hand trenches, and 3,279 ft of existing trenches were dug and sampled. Diamond drilling totaled 5,453 ft in 84 holes (Pallister and Thoenen, 1948).

 

A field laboratory was established in Ashland with the capacity for pilot crushing-milling-flotation testing and graphite analyses. In 1943, the Crucible Flake Mill of Haile Mines, Inc. and the Alabama Flake Graphite Co. plant (Gisler, 1943) began to produce. The three plants produced 8.1 Mlb of graphite, with Alabama again ranking first in graphite production in the US. The Crucible Flake Mill was closed at the end of 1943, leaving only two producers in the district.

 

After World War II, production declined rapidly due to the resumption of imports and subsequent decline in prices. By 1950, only the Pocahontas Mine near Ashland and the Bama Mine in Chilton County were still in production, and they closed in 1953. The Alabama graphite industry has been idle since that time. The processing plants have all been dismantled, burned down, or overgrown, and the graphite workings are hidden under more than 60 years’ vegetation. With the current resurgence of interest in graphite deposits, attention is being turned again to the central Alabama Graphite District.

 

 5-2  

 

 

Westwater Resources, Inc. | Coosa Graphite Project

S-K 1300 Report 

December 11, 2023

SLR Project No.: 138.20527.00002

 

Mineable grade graphite bodies were greatly elongated along strike and were referred to as “leads”, and often included selvages of waste rock. Cameron and Weiss (1960, p. 263) described the leads as follows:

 

The total length of some of the larger leads may be measurable in miles, but the full length of a lead is not necessarily ore, for there is much variation in graphite content both along and across strike. A typical section shows alternating layers of rocks of low graphite content, of high graphite content, and of intermediate graphite content. The individual layers range from fractions of an inch (<1 cm) to 10 feet (3 m) in thickness, with aggregate thickness in some cases greater than 100 feet (30 m). Exposures outside the mine workings are poor and none of the individual leads Is exposed. The Pocahontas lead was traced by trenching along strike for approximately 4,000 feet (1,220 m) and Brown (1925) reported that he was able to trace a lead on the Griesemer property for a like distance.

 

Two good examples of mines in the Ashland area are the Quenelda Mine and the Pocahontas Mine. At Quenelda, there were seven pits spaced along the strike of the leads for approximately 2,000 ft (610 m). The pits were almost entirely in weathered mineralization along two leads 20 ft to 40 ft (6 m to 12 m) apart. The southeast lead was 40 ft to 65 ft thick, and the northwest lead was 50 ft to 80 ft (15 m to 25 m) thick, with a strike of 55° to 75° to the northeast and a dip of 55° to 85° to the southeast. Graphite grades averaged approximately 3.0%.

 

The Pocahontas Mine of the Alabama Flake Graphite Company was one of the last operating mines in Alabama. The workings comprised three parallel open cuts in the leads that were approximately 50 ft wide and several hundred feet long. The depth of weathering could exceed 80 ft (25 m). Pallister and Thoenen (1948) indicated that the lead was shown to extend for another 2,400 ft (731 m) southwest from the third cut. The grade was reported to average 4.0% to 5.0% graphite in later years.

 

The two most significant mines in the southwestern portion of the Alabama Graphite Belt were the Ceylon and Bama mines. The Ceylon deposit is located approximately eight miles west of the town of Goodwater. One of the largest mines in the district, it operated from 1916 to 1929 and from 1939 to 1947. The principal working developed during the later period was 925 ft long, up to 300 ft wide, and up to 70 ft deep on a series of leads striking 45° to the northeast and dipping 55° to the southeast. The grade ranged from 2.0% to 6.0% graphite and averaged 3%.

 

The Bama Mine in Chilton County near the southwest end of the graphite belt operated from 1925 to 1930 when the mill burned down. The main pit was 625 ft long, 150 ft wide, and 40 ft to 80 ft deep. Two smaller pits approximately 200 ft long were mined along strike between the main pit and the mill. The deposits trended 20° to 25° to the northwest and dipped 50° to 60° to the south, due to the presence of a large fold.

 

5.2.2Coosa

 

The Fixico Mine is located approximately 0.5 mi southeast of the Coosa Main Grid area and is a former producer that operated from 1902 to 1908. There is no record of the amount of graphite and grade produced. Westwater geologists have located the old pits and the old wooden dam, described below. The mine was described by Pallister and Thoenen (1948, pp. 72-73):

 

The Fixico graphite mine, named for the Indian chief Fixico, who lived near the mine. It is in the southern part of sec. 8, T. 22 N., R. 17 E., 11 miles west of Rockford. C. F. Whoolock, who first used a “flotation” process to separate graphite in 1898 at the A. A. Allen plant in Clay County, operated the Fixico mine with his son Kennard. About 1902, they built a log dam, which is still intact, a mill, and houses for their employees and operated the mine until about 1908. It is thus probably the oldest mine in Coosa County.

 

 5-3  

 

 

Westwater Resources, Inc. | Coosa Graphite Project

S-K 1300 Report 

December 11, 2023

SLR Project No.: 138.20527.00002

 

The graphitic schist that was mined is exposed on the western slope of a tributary of Hatchett Creek, the backwater of which, caused by the Mitchell Dam, is not far from the property. The western slope rises for over 100 ft above the creek level, and the pits open off a small cross valley. Mine pits were opened at various levels and running at angles from northeast through west to southwest. The largest pit is about 10 ft above the creek and extends northeast for a distance of 150 ft. It is 75 ft wide and 50 ft deep at the face. A short distance to the northwest are two parallel pits each 100 ft long, 25 ft to 30 ft wide, and 30 ft deep with a narrow “horse” between them. The floor of these pits is 40 feet higher than the floor of the largest pit. Four additional pits cut across the top of the slope towards the west, and two more extend southwest at a lower level opposite the northeast pits.

 

The schist has a general N45°E strike and 45°SE dip. The beds of graphitic schist extend for 150 ft to 200 ft in thickness, with barren layers between the schist beds. The country to the northeast rises for 400 ft to 500 ft before it drops off, giving room for large possible reserves.

 

From 2012 to 2018, exploration on the Project was carried out by AGC’s subsidiary Alabama Graphite and included channel sampling, trenching, airborne and ground geophysical surveys, and drilling. Further details for Alabama Graphite’s exploration are provided in Section 7 of this TRS.

 

5.3Historical Resource Estimates

 

A thorough review was made of all the known graphite producing areas in the Alabama Graphite Belt district in 1942-1944 (Pallister and Thoenen, 1948), which resulted in a historical mineral resource estimate of 25,910,000 st in all classes. This included 11,059,000 st of “measured weathered ore reserves”, 3,351,000 st of “Inferred weathered ore”, and 11,500,000 st of “unweathered ore” in “Measured”, “Indicated” and “Inferred” categories, with an average recoverable grade in the “Measured weathered ore” estimated at 3.0% graphite (Pallister and Thoenen, 1948, p. 77).

 

These estimates are considered historical in nature as they predate the introduction of the SEC standards and S-K 1300 and are quoted for information purposes only and should not be relied upon. These are mineral resource estimates rather than mineral reserve estimates. The assumptions, parameters, and methods used to make these estimates are not stated in the original publication. The historical resources include multiple deposits throughout the Alabama Graphite District. They were made to evaluate the potential of the whole district. A QP has not completed sufficient work to classify the historical estimate as current Mineral Resources or Mineral Reserves, and Westwater is not treating the historical resource estimate as current Mineral Resources or Mineral Reserves.

 

5.4Past Production

 

There is no record of the amount of graphite and grade produced from the Fixico Mine area and no production has taken place on other parts of the Project.

 

There has been historical production from the Alabama Graphite Belt, however, the records are not complete. In 1899, the Allen Graphite Company “was able to produce several hundred tons of graphite” (Jones, 1929). In 1917-1919 Alabama ranked first in production of flake graphite in the USA, and again in 1943 (Pallister and Thoenen, 1948). Between 1913 and 1920, approximately 35.5 Mlb of graphite were produced, with the greatest number of producers in 1918.

 

In 1929, three mills produced 3.5 Mlb of graphite, but all were closed by 1930. In 1943, a total of 8.1 Mlb were produced, and two mills continued to produce until 1953. Production statistics are unavailable.

 

 5-4  

 

 

 

Westwater Resources, Inc. | Coosa Graphite Project

S-K 1300 Report 

December 11, 2023

SLR Project No.: 138.20527.00002

 

6.0Geological Setting, Mineralization, and Deposit

 

6.1Regional Geology

 

The Project is located at the southern end of the Appalachian Mountain range, a northeast trending belt of folded and metamorphosed rocks of Neoproterozoic to Lower Paleozoic age. These are covered by the onlap Coastal Plain Sediments of Cretaceous and younger age in the southern half of Alabama. The geology of Alabama is shown in Figure 6-1. The rocks of the southwestern end of the Appalachians are generally separated into four physiographic and geologic provinces which are, from northwest to southeast: the Interior Low Plateau province, the Appalachian Plateau province, the Valley and Ridge province, and the Piedmont province. The Alabama Graphite Belt is located in the Northern Piedmont.

 

The regional geology is described by Raymond et al. (1988) in “Alabama Stratigraphy”. The Interior Low Plateau is a Paleozoic limestone plateau of moderate relief. The Appalachian Plateau is underlain by a thick series of carbonates overlain by sandstones and shales of Cambrian to Pennsylvanian age. The rocks have open folding and are moderately dissected resulting in sandstone and shale synclinal plateaus and, in the eastern part, three linear anticlinal limestone valleys. The Valley and Ridge Province is a fold-thrust belt, with east dipping thrusts, of carbonates, sandstones, and shales of Cambrian to Pennsylvanian age, similar to the stratigraphy of the Appalachian and Interior Low Plateaus. It is separated from the Appalachian Plateau by a large scale east dipping thrust fault and consists of a series of subparallel ridges and valleys.

 

The Piedmont Province is formed of Neoproterozoic to early Paleozoic metamorphic rocks. The metamorphic grade increases across the Piedmont from lower greenschist facies in the northwest to high grade migmatite facies in the southeast. It is divided into three lithotectonic provinces which are, from northwest to southeast: the Northern Piedmont, Inner Piedmont, and Southern Piedmont, each bounded by major faults. The physiography of the Northern Piedmont is characterized by prominent ridges with peaks up to 2,407 ft, becoming lower to the southeast. The Inner and Southern Piedmont provinces have much more subdued topography.

 

The Northern Piedmont has three structural blocks:

 

·The Talladega Block on the northwestern side with low grade greenschist facies metasedimentary and metavolcanic rocks (marble, phyllite, sandstone, chert, quartzite, greenstones);

 

·The central Coosa Block with high grade, upper greenschist to kyanite and sillimanite grade metamorphic rocks (phyllite, schist, graphite schist, gneiss, migmatitic gneiss, quartzite, amphibolites), including the Alabama Graphite Belt, and abundant pegmatite and small granitoid bodies;

 

·The Tallapoosa Block on the southeastern side of high grade, middle to upper amphibolite facies metasedimentary rocks (phyllite, gneiss), metavolcanic (amphibolite) and metamorphosed ultramafic and mafic rocks (pyroxenite, gabbro), with large areas of quartz diorite to granitic plutonic rocks.

 

The Coosa Block is thrust over the younger, lower-greenschist facies metamorphic rocks of the Talladega Block along the Hollins Line Fault, located three miles northeast of the Coosa graphite deposit.

 

 6-1  

 

 

Westwater Resources, Inc. | Coosa Graphite Project

S-K 1300 Report 

December 11, 2023

SLR Project No.: 138.20527.00002

 

The Inner Piedmont includes two groups of high grade metamorphic rocks, including schists, gneisses, and amphibolites: the Dadeville (schist, amphibolite, gneiss, granitic gneiss) and Opelika (schist, gneiss) complexes, with pyroxenite lenses and deformed granites.

 

The Southern Piedmont occupies the southeastern corner of the region. It is also underlain by high grade metamorphic rocks of the Pine Mountain Block and the Wacoochee and Uchee complexes. The Pine Mountain Block contains quartzite, quartzitic schists, and dolomitic marble. The Wacoochee Complex is largely granitic gneiss and feldspathic muscovite-biotite schist. The Uchee Complex contains a dioritic gneiss and a leucocratic quartz diorite. Folding is much less evident there.

 

Regionally, the Coosa Block is interpreted to be part of the Eastern Blue Ridge terrane which formed on the rifted margin of Laurentia on the breakup of the Rodinia super-continent in the Neoproterozoic, and consists of rifted margin metasedimentary and rift-related volcanic rocks (Hatcher, 2010). The southern part underwent metamorphism to upper amphibolite facies in the Taconian orogeny at 460 to 455 Ma (Upper Ordovician) and is bounded on the west side by the Taconian suture (Hollins Line Fault) which can be traced for the length of the Appalachians, with different names. The Western Blue Ridge terrane including the Talladega belt is a Laurentian margin terrane of Neoproterozoic to Lower Carboniferous (Mississippian) age which was deformed and accreted in the Devonian to Mississippian Neoacadian orogeny (Hatcher, 2010).

 

 6-2  

 

 

Westwater Resources, Inc. | Coosa Graphite Project

S-K 1300 Report 

December 11, 2023

SLR Project No.: 138.20527.00002

 

Figure 6-1:    Regional Geology

 

 

 6-3  

 

 

Westwater Resources, Inc. | Coosa Graphite Project

S-K 1300 Report 

December 11, 2023

SLR Project No.: 138.20527.00002

 

6.2Local Geology

 

Information on local geology is based on an internal memorandum by David Greenan, Consulting Geologist, Westwater (Greenan, 2022) and other documentation provided to SLR by Westwater.

 

The Coosa graphite deposit is hosted in high grade metamorphic rocks. Graphitic carbon (Cg) material is present in two types of schist of an uncertain age ranging from Precambrian to Paleozoic, a quartz-graphite schist, which generally has grades greater than 1% Cg, and a quartz-biotite-graphite schist, which has grades generally less than 1% Cg.

 

The host schists exhibit both regional and local folding as well as local-scale low and high angle faulting. Foliations within the mineralized intervals display a variety of dips, ranging from low angle to steeply dipping features. A strong and well developed weathering profile is present in the mineralized units throughout the Project area, with a strongly weathered zone (“saprolite”) exposed at the surface and locally extending to a depth of up to 100 ft (31 m). The strongly weathered units overlie a “transition zone” of mixed oxidized and unoxidized material, which in turn, overlies an unoxidized (unweathered or reduced) zone. While the strongly weathered graphitic schist is the primary target of Westwater’s exploration and development evaluation, strong flake graphite mineralization is present in the transition and unweathered zones as well. Graphite mineralization is widespread throughout Westwater’s surface and mineral property holdings, however, the focus of previous exploration has been centered upon the so-called Main Grid area deposit, and its northeastern and southwestern extensions and only portions of the HS-North, HS-South, and Fixico Mine target areas have been tested.

 

6.3Property Geology

 

Information on property geology is based on an internal memorandum by David Greenan, Consulting Geologist, Westwater (Greenan, 2022) and other documentation provided to SLR by Westwater.

 

The host of the Project is the Higgins Ferry Formation in the Wedowee Group of the Coosa Block (Figure 6-2). The Higgins Ferry Formation is defined as an interbedded sequence of three major lithologic units, from top to bottom:

 

1Quartz-graphite schist (QGS)

 

2Mixed QGS-quartz-muscovite-biotite-graphite schist (QMBGS) unit called INT or intermediate unit

 

3Quart muscovite biotite graphite schist (QMBGS)

 

4Quartz-biotite-garnet schist (QBGS)

 

QGS grades downward into INT, then into QMBGS, which in turn grades downward into QBGS. QMBGS is more highly metamorphosed than QGS and less metamorphosed than QBGS. In most places, the mixed QGS-QMBGS unit (INT) consists of interlayers of finer grained QGS with QMBGS layers containing medium to large muscovites and biotites, reflecting a gradual increase in metamorphic grade from the QGS to the QMBGS (Greenan, 2022).

 

 6-4  

 

 

Westwater Resources, Inc. | Coosa Graphite Project

S-K 1300 Report 

December 11, 2023

SLR Project No.: 138.20527.00002

 

Figure 6-2:    Stratigraphic Column

 

 

 6-5  

 

 

Westwater Resources, Inc. | Coosa Graphite Project

S-K 1300 Report 

December 11, 2023

SLR Project No.: 138.20527.00002

 

In some places, QGS grades downward into QMBGS without interlayering of the two units. The contact between these two units is somewhat arbitrary and is taken as where the muscovites and biotites become much larger and more common than in the QGS and where the rock has larger, coarser foliations. This change is reflected in the Cg assays, with the QMBGS generally having much lower Cg grades than the QGS.

 

In some of the drill core, the transformation from QGS to QMBGS appears to have been caused by the introduction of a large number of pegmatites emplaced very close together. The heat from this process caused recrystallization and regrowth of the muscovites and biotites. The heat also caused remobilization and growth of the Cg flakes, giving rise to medium to very large Cg flakes in many of these zones. Cg grades are sometimes lower due to the pegmatites, while the flake size is larger.

 

Overall, metamorphism increases with depth. This may be caused by the depth of a lithological unit and/or regional metamorphism, or by a buried heat source below the QBGS (contact metamorphism). Near the bottom of some of the holes, the QBGS has gneissic intervals. These are suggested to be fingers/sills of a gneissic intrusive that may have caused the different metamorphic grades.

 

Metamorphic grade can also increase laterally, with a transition from QGS to INT to QMBGS. Changes such as these appear to be evidence of a contact metamorphic aureole, possibly from a buried amphibolite or other intrusive body. These types of changes, along with thrust faulting, help explain the apparent lack of horizontal and/or vertical continuity of the various lithologies in the cross sections. Increasing metamorphic grade from QGS to QMBGS also generally correlates with lower Cg values, indicating that the Cg was driven off by the metamorphism. In general, metamorphic grades increase from east to west in the Main Grid area. Kyanite and sillimanite increase closer to the large amphibolite intrusive that occurs to the east of the Main Grid area. These also increase closer to a postulated buried granitic intrusive that occurs on the southeast end of Line 05 in the Main Grid area (Figure 6-3).

 

There is no definitive correlation between the different iron oxides (jarosite, goethite, and hematite) and Cg mineralization. However, areas with more jarosite ± goethite generally occur above more pyritic unoxidized QGS. Quartz veins/veinlets that cut the foliations usually have more hematite than jarosite or goethite. Hematite is most common in and close to amphibolite sills and intrusives.

 

There appears to be at least two distinct generations of quartz veins.

 

1White to light gray quartz veins 2 in. to 12 in. thick emplaced mostly along and parallel to foliations without causing contortion of the foliations. Since they mimic the foliations, in the Main Grid area they usually occur at low angles.

 

2White, more massive quartz veins 2 in. to 24 in. thick cutting across the foliations at high angles, often with hematite on the selvages. These often cause contortions of the foliations and often appear to cause small-scale offsets in what appears to be a normal-fault sense of movement. These types of veins appear to be more common in proximity to the various amphibolite intrusives and cut both the amphibolites and the metasediments.

 

In addition to the quartz veins, there are two types of pegmatites found on the Project:

 

1Fine to medium grained quartz-albite to albite-quartz pegmatites, sometimes with possible remobilized vanadium giving them a greenish color. This type of pegmatite generally occurs along foliations.

 

 6-6  

 

 

Westwater Resources, Inc. | Coosa Graphite Project

S-K 1300 Report 

December 11, 2023

SLR Project No.: 138.20527.00002

 

2Medium to coarse grained albite-quartz pegmatites that are often argillically altered and occur in the upper plate of a postulated thrust fault. These pegmatites often cut across the foliations at a shallow to fairly steep angle. Thrusting is evidenced by slickensides along, or at a low angle to, foliations.

 

Larger Cg flakes often appear to be from remobilized carbon/graphite and are generally associated with/found in:

 

1Fractures in quartz veins and pegmatites.

 

2The margins of granitic sills, quartz veins, and pegmatites.

 

3In the QMBGS unit near the QGS contact in and along the margins of the large muscovites and biotites, especially in areas with larger quantities of pegmatites.

 

4In microfractures in the QGS in the sulfide zone.

 

In addition to larger Cg flakes occurring in the QMBGS unit, larger, coarser grained Cg flakes appear to occur more often in areas that have been more fractured, with the Cg occupying the fractures and microfractures, in particular in the QGS, INT, and QMBGS units. Quartz veins and pegmatites that have been fractured also often have larger Cg flakes occupying the fractures, including what looks like veinlets of graphite, some of which may be amorphous. Larger Cg flakes can also often occur on the edges of the pegmatites and quartz veins, providing more evidence of remobilization of the Cg. Further evidence of remobilized graphite is observed in the sulfidic portions of some of the core, where Cg flakes can be seen cutting across and/or causing embayments in pyrite. Good examples of this occur in drill hole AGC-F04 at 79.5 ft (24.2 m).

 

Granitic sills appear to have been one of the earliest episodes of intrusives and are sometimes cut by later pegmatites. The granitic sills appear to have been emplaced in thermal equilibrium with the metasediments as there are no visible alteration haloes on the selvages of the granitic sills. Granitic sills can range from 0.5 in. up to 12 in. thick. Based on the relogging of the AGC holes, there appears to be a granitic body beneath the drill holes in the Main Grid area in the vicinity of holes AGC-H05, I06, and J05, continuing southwest close to drill hole AGC-I04 (Figure 6-3). In many cases, these are associated with increased Cg flake size and increased fracturing of the host rock. However, the granitic sills themselves are rarely cut by Cg veinlets or have Cg flakes in fractures.

 

In the Main Grid area, foliations generally strike 20˚ to 35˚ to the northeast, dipping at 10˚ to 45˚ to the southeast. The foliations generally flatten with depth. Steeper foliations appear to be related to a northwest directed thrust fault or, more accurately, zone of thrusting. The presence of steeper foliations on and near surface in the trenches and drill holes in the Main Grid, NX, SW Extension, Fixico Mine, HS-North, and HS-South areas also points to a thrust fault. In general, foliations flatten with depth, especially in the finer grained QGS layers.

 

This thrust fault extends from the SW Extension area through the Main Grid area and continues through the NX area, trends approximately 20˚ northeast from just west of hole AGC-15-L006 on its southwest end up to just west of AGC-15-G20 on the northeast end. This thrust is evidenced by fault/fracture zones in the drill holes near this proposed fault, along with highly contorted foliations and slickensides along the foliations. Much of the core exhibits slickensides along the foliations (which in outcrop often have shallow dips to the southeast), indicating subhorizontal (probably thrust-fault related) movement. These occur in the QGS in roscoelite-rich layers, and in Cg-rich and pyrite-rich layers. These often occur in multiple foliations close together, which indicates that the units slid over each other like a deck of cards, with large quantities of small movement in many layers. In spite of the large books of muscovite and biotite, slickensides in the QMBGS unit have not been observed.

 

 6-7  

 

 

Westwater Resources, Inc. | Coosa Graphite Project

S-K 1300 Report 

December 11, 2023

SLR Project No.: 138.20527.00002

 

Highly contorted foliations furnish further evidence of thrusting. These occur more often in and near layers with slickensides, especially in areas with granitic sills, pegmatites, and quartz veins. The contortion of the foliations would help to take up the strain of thrusting. The siliceous nature of the various intrusives would prevent slipping, forcing them to contort in order to take up the strain of thrusting. Several of the drill pad cuts have highly contorted foliations that appear to indicate west-northwest directed thrusting. This occurs in areas where amounts of remobilized graphite along the contacts of the sills or veins with the country rock are not large.

 

The granitic sills, pegmatites, and the early generation of quartz veins extend parallel with and along the foliations and generally do not cut the foliations, except possibly at low angles. If the foliations are contorted, the quartz veins, pegmatites, and granitic sills are also contorted. These indicate that the granitic sills, pegmatites, and early generation quartz veins were emplaced before the deformation and contortions of the foliations occurred. If the contorted foliations are related to thrust faulting, that means that the early quartz veins, pegmatites, and granitic sills were emplaced before thrust faulting occurred. Due to their brittle nature, only the quartz veins are shattered where they are highly contorted.

 

Pegmatites in the southeast part of the Main Grid area and in the Fixico Mine area are often of a different nature than those that occur to the north and west. This may partly be due to these occurring in the upper plate of the thrust fault, which may have encountered a different intrusive environment before thrusting occurred. These pegmatites are often larger/thicker, coarser grained, and often have clasts of the country rock (usually QGS) within them. They are also generally argillically altered and cut across the foliations of the QGS at shallow to moderately steep angles. These all indicate a more dynamic emplacement environment, possibly closer to an igneous source. Similar to the granitic sills, there is no visible evidence of thermal alteration along the contacts of the pegmatites with the country rock, indicating that they were in thermal equilibrium when the pegmatites were emplaced.

 

In the geologic literature, the graphite in the lithologic units at Coosa is believed to be stratabound and stratiform (Greenan, 2022). Near and within areas of thrust faulting at Coosa, the Cg appears to cut across the strata, but this may be due to the offsetting and stacking of the layers by thrusting.

 

Cg grades in the QGS are generally higher than in the INT, which usually has higher Cg grades than QMBGS, with almost no Cg in the QBGS, due to much higher temperatures driving off the graphite. Cg grades also appear to be higher in the NX, SW Extension, Fixico Mine, and HS areas than in the Main Grid area. These higher Cg grades correlate well with higher V-rich muscovite content but are not always related to each other. Note that most of the Main Grid area appears to be in the lower plate, underneath the thrust fault.

 

Grain size/coarseness of the QGS unit is usually larger in the upper plate of the thrust fault. V-rich mica grains/clots are also larger in the upper plate of the thrust. This may be related to the original protolith being coarser grained, and/or related to the depositional environment, wherein the upper plate portion of the QGS was deposited in an area with more vanadium in solution. Deformation within the QGS is also much more pronounced in the upper plate of the thrust fault, indicating that above the main thrust plane there is a zone of thrusting, with multiple layers stacked over each other. In the eastern portion of the Man Grid area and in the NX, SW Extension, Fixico, and HS areas, a generally larger graphite flake size is coincident with the larger grain size.

 

In addition to graphite, vanadium may be able to be recovered from the schists at the Project. Vanadium occurs in a V-rich mica called roscoelite. This is somewhat of a “field term” at Coosa, where the “roscoelite” does not necessarily have a sufficiently high concentration of vanadium to be “true” roscoelite. Roscoelite occurs in the QGS, INT, and QMBGS units, with lower to much lower amounts in the QMBGS unit. There is an approximately 50% correlation between the V and Cg grades, but higher Cg does not necessarily mean higher V, and vice versa. This may be due to vanadium being carried in solution under oxidizing conditions and deposited in anoxic environments where the graphite and graphite precursors would occur. Breaking out the different lithologies and oxidized versus reduced might show a higher V:Cg correlation in the reduced portions. The oxidized portions might be more problematic due to mobility of vanadium in oxidized environments, with the amount of remobilization/leaching of vanadium possibly dependent on the amount/strength of oxidation, the size of the V-rich muscovite flakes, and the type of (iron) oxides involved.

 

 6-8  

 

 

Westwater Resources, Inc. | Coosa Graphite Project

S-K 1300 Report 

December 11, 2023

SLR Project No.: 138.20527.00002

 

Although there does not appear to be a correlation between iron oxides and graphite grades, there does appear to be an inverse relationship between the amount of the various iron oxides and the amount of roscoelite. Areas with higher amounts of jarosite, goethite, and/or hematite often have lower amounts of roscoelite and/or the roscoelite has leached edges. This could be due to vanadium being very mobile in an oxidizing environment, with oxidation of pyrite ± pyrrhotite causing acidic groundwater that caused the vanadium to go into solution. This leaching of vanadium from oxidized schists at Coosa may partly be responsible for the V: Cg correlation being not higher than approximately 50%.

 

In the QMBGS, the roscoelite is often metamorphosed and remobilized into light to medium green glassy clots/layers (in the AGC logs, this was noted as “possible nephrite”). Westwater indicates that Harold Stowell of the University of Alabama and his students are working on thin sections that include this type of material to provide a definite identification of its mineralogy.

 

Some of the white clays that occur in the upper portions of the drill holes in zones with high Cg may be weathered and/or altered roscoelite. These white clays often have Cg in or on their margins. None of the other clays have this type of association. Harold Stowell and his students are examining thin section samples of some of this material to provide a more definitive identification.

 

There is a large amphibolite body in the northeast part of the NX area, near drill holes AGC-007, AGC-008, and AGC-009 and underlying proposed drill holes CD-3, CD-4, and NX-17. In general, this amphibolite appears to mimic the resistivity high on the airborne geophysical map. It should be noted that core recovery from some of these holes is not good and the few pieces of core in the boxes appear to be weathered, oxidized amphibolite, and some pieces are weakly magnetic. Figure 6-4 and Figure 6-5, below, show the conductivity low associated with the amphibolite and the outline of the amphibolite based on core photos, core, and reconnaissance surface mapping, respectively. Another amphibolite, possibly part of the same one mentioned above, occurs to the east, on the north side of the HS area, and forms outcrops along the county road.

 

The upper portion of hole AGC-15-K20 appears to be weathered amphibolite, often intruding into the QBGS, grading downward into highly contorted QBGS, often with gneissic textures. Hole AGC-009 begins in what appears to be weathered amphibolite, with an inverted stratigraphy below it, going from QBGS downward into mixed QMBGS-QGS (INT) and then into QGS. This inverted stratigraphy, coupled with the approximately 45° dips of the foliations on the surface caused by the thrust fault, may be the reasons that Alabama Graphite interpreted high angle tight isoclinal folds with repetition of beds in the geology of this area. A more plausible explanation of the geology is that the amphibolite in the area outlined on Figure 6-6 was originally much thicker and occurs as a sill or cap over the metamorphic package. This served as a heat engine to metamorphose the sediments, causing higher metamorphic grades near the contact, including kyanite and sillimanite, with decreasing in metamorphic grade away from the amphibolite. Note that this only applies to the metasediments underneath the amphibolite, as those on and near the lateral margins do not show a high degree of metamorphism. This may be due to the near vertical contact, which would have allowed heat to quickly escape and prevented higher grade metamorphism of the country rock.

 

 6-9  

 

 

Westwater Resources, Inc. | Coosa Graphite Project

S-K 1300 Report 

December 11, 2023

SLR Project No.: 138.20527.00002

 

The increasing metamorphic grade with depth may be an indication of a larger amphibolite or other intrusive body (possibly gneissic) at depth. The amphibolite exposed on the surface may be a plug or apophysis off of this intrusive. Mapping of the road cuts of the areas surrounding the amphibolite, working outward from the margins, to see if the metamorphic grade of the metasediments decreases away from the amphibolite, may help confirm this suggestion.

 

The intrusion of the amphibolite appears to have occurred after thrusting, as the QGS on the surface has quartz veins at or near the contact and is often clay altered on the margins of the amphibolite. Further away from the margins of the amphibolite, weak to strong acid leaching of the QGS occurs, with sometimes mostly silica and Cg remaining in the QGS (as seen in hole AGC-15-J11). This may have been caused by the oxidation of pyrite in reduced QGS, coupled with the high iron content of the amphibolite, forming sulfuric acid and leaching the QGS. This acid leaching is very subtle in outcrop and float and would require detailed surface mapping to try to define it on the surface.

 

In general, the amphibolite appears to have intruded into the QGS unit parallel with the foliations, following zones of weakness, and very rarely appearing to cut the foliations. In many cases, the amphibolite sills occur adjacent to/in contact with granitic sills and/or pegmatites. Larger bodies of amphibolite often have quartz veins within them and/or on their edges. Sills of the amphibolite within the QGS, as exposed in the cut for the pad for hole NX-17, do not appear to have been offset or deformed by thrusting, also indicating that the amphibolite was intruded after thrusting occurred.

 

There is very little to no thermal metamorphism in the QGS along the contacts with the amphibolite sills, granitic sills, or pegmatite sills. This indicates that these were all in thermal equilibrium when they intruded the metasediments. While this may sound contradictory compared to the proposed contact metamorphism related to the amphibolite mentioned above, the lack of alteration may be due to the relatively quick emplacement of the sills.

 

Besides the change in metamorphic grade from the QGS to QMBGS to QBGS, the most common evidence of metamorphism is conversion of roscoelite to kyanite or sillimanite. This can occur in the QGS, INT, and QMBGS units. In some places, the roscoelite appears to have been remobilized into thicker layers up to one to three inches thick with a somewhat porcelaneous to glassy texture. In some places, the change from mica to kyanite or sillimanite occurs in highly contorted foliations in or near proposed thrust planes, indicating that this change may be more related to local pressure and temperature changes than regional metamorphism. Increased sillimanite and/or kyanite are also associated with lower Cg grades.

 

 6-10  

 

 

Westwater Resources, Inc. | Coosa Graphite Project

S-K 1300 Report 

December 11, 2023

SLR Project No.: 138.20527.00002

 

Figure 6-3:    Main Grid Area Showing Postulated Granitic Body

 

 

 6-11  

 

 

Westwater Resources, Inc. | Coosa Graphite Project

S-K 1300 Report 

December 11, 2023

SLR Project No.: 138.20527.00002

 

Figure 6-4:   Main Grid Area with Conductivity Overlay

 

 

 6-12  

 

 

Westwater Resources, Inc. | Coosa Graphite Project

S-K 1300 Report 

December 11, 2023

SLR Project No.: 138.20527.00002

 

Figure 6-5:    Main Grid Area with Conductivity Overlay and Amphibolite Outline

 

 

 6-13  

 

 

Westwater Resources, Inc. | Coosa Graphite Project

S-K 1300 Report 

December 11, 2023

SLR Project No.: 138.20527.00002

 

Figure 6-6:    Conceptual Amphibolite Cross Section

 

 

 6-14  

 

 

Westwater Resources, Inc. | Coosa Graphite Project

S-K 1300 Report 

December 11, 2023

SLR Project No.: 138.20527.00002

 

6.4Mineralization

 

Graphite flakes occur as part of the rock forming minerals in the schists. They are often associated with disseminated pyrrhotite and minor pyrite. In places, the green vanadium bearing muscovite, roscoelite, also occurs. Minor late stage, straight-sided veinlets of cubic pyrite up to 10 mm wide with smectite clay cross cut the schistosity and pegmatites.

 

Graphite ores mined historically were almost entirely from the weathered zone (60 ft to 100 ft), partly because weathering is deep in this area and partly because the weathered rock could be gently crushed without blasting, liberating the graphite without significantly reducing the size of the larger flakes.

 

The oxide and transition zones were logged in core and modelled for resource estimation. The oxide zone is defined as the zone of total oxidation of sulfides to give an orange-red-brown color to core, and a much softer rock. The base of the oxide zone is often sharp and occurs over an interval of less than one foot. The transition zone is defined as the zone of partial oxidation of sulfides and the rock is significantly crumblier than the underlying reduced or sulfide zone. The top of the transition zone is marked by the first appearance of sulfides downhole, and the base is marked by the disappearance of iron oxides, and a marked increase in hardness. Generally, there is more oxidation on fractures and veins in this zone.

 

The main schist compositions and logging units defined by Westwater geologists (Figure 6-2) in drill core are as follows:

 

Quartz-graphite schist (QGS): This schist is both finer grained and better laminated than the QMBGS unit. The color varies from dark gray to black. Contorted foliation and pegmatites are less common. Pyrite and pyrrhotite are both finer grained and more abundant than in the QMBGS unit and form laminae parallel to foliation. Graphite is more abundant in this unit, with grades higher than 1% Cg.

 

Mixed QMBGS/QGS (INT): The QMBGS and QGS are commonly interbedded at a centimeter scale forming a mixed unit with graphite grades higher than 1% Cg.

 

Quartz-muscovite-biotite-graphite schist (QMBGS): This schist is medium to coarse grained in texture and is characterized by large porphyroblasts of muscovite. The color varies from medium gray to dark gray-green. It is moderately foliated and commonly contorted, with lenticular pegmatites parallel to foliation. Pyrite and pyrrhotite are common accessory minerals and occur as large, disseminated grains. Sillimanite fibers have been observed. Graphite flakes are generally coarse in this unit, although the average carbon content is generally less than 1% Cg.

 

Quartz-biotite-garnet schist (QBGS): This unit is subordinate to both the QMBGS and QGS units. It is medium grained and medium to dark gray-green in color. The garnets are usually fine grained with a diameter of about one millimeter, but in places are up to 5 mm to 10 mm. The garnets are light pink in color, suggesting a high manganese (spessartine) content. Foliation is irregular with abundant pegmatites. Pyrite is sparse. Graphite is sparse and grades are less than 1% Cg.

 

6.5Deposit Types

 

Graphite deposits occur in three forms: flake graphite, vein graphite, and amorphous graphite. These are described by Mitchell (1993):

 

·Graphite generally occurs as a result of metamorphism (regional or contact) of organic matter in sediments. Flake graphite is assumed to be derived from fine grained sediments rich in organic matter. As metamorphic grade increases, carbonaceous material converts to “amorphous” graphite. Flake graphite forms from its amorphous precursor at or beyond amphibolite grade metamorphism (Landis, 1971). Vein graphite is assumed to form by partial volatilization of graphite and subsequent recrystallization during regional granulite and/or charnockite facies metamorphism. Amorphous graphite is generally considered to have originated by thermal or regional metamorphism of coal or carbonaceous sediments.

 

 6-15  

 

 

Westwater Resources, Inc. | Coosa Graphite Project

S-K 1300 Report 

December 11, 2023

SLR Project No.: 138.20527.00002

 

·Positive vanadium and nickel anomalies and negative boron anomalies are possible signatures for graphite if geochemical survey data are available. The presence of sulphides and trace amounts of uranium may be an indicator.

 

Landis (1971) tentatively concluded that graphite formation is primarily dependent on metamorphic temperature and forms above 750°F (400°C), with pressure and variation in starting material constituting secondary controls.

 

The Coosa graphite deposits are flake graphite deposits in high grade metamorphic rocks. They are associated with anomalous vanadium, including the vanadium-mica roscoellite, and nickel, as well as other elements.

 

 6-16  

 

 

Westwater Resources, Inc. | Coosa Graphite Project

S-K 1300 Report 

December 11, 2023

SLR Project No.: 138.20527.00002

 

7.0Exploration

 

7.1Exploration

 

Prior to Westwater acquiring the property in 2018, Alabama Graphite conducted several surface exploration campaigns between 2012 to 2015. Due to the lack of outcrop and dense vegetation, the exploration techniques used were rock sampling in channels mainly along road cuttings, trenching, geophysics, and drilling. Westwater has conducted additional in-fill/delineation diamond drilling (DD) in the Project area during 2021 and 2022. The Company has also conducted a geochemical sampling program using available core and trench material to determine the presence and intensity of vanadium mineralization at the Project.

 

7.1.1Channel Sampling

 

Channel sampling was carried out initially by Alabama Graphite close to the Coosa target and later over a large area around it. A total of 1,025 channel samples were reported taken at 328 locations in 2012 to 2014, as shown in Figure 7-1. This comprised 115 samples in 2012 (a further 113 samples had unreliable analyses and the results were discarded), 268 samples in 2013, and 642 samples in 2014. One to sixteen samples would be taken at each sample locality, with an average of 3.125 samples per locality. The distribution of sample locations was not systematic due to the lack of rock outcrop and dense vegetation. Samples were typically collected along road cuts where bedrock was exposed. Small trenches were excavated by hand with a pickaxe and shovel, and ranged from two to three inches in depth and 5 ft to 35 ft in length. The trenches were typically cut perpendicular to the bedrock foliation to provide a representative sample of the outcrop and expose structural features such as foliation.

 

Before the sample was collected, a global positioning system (GPS) was used to record the location of the start of the trench and all measurements were recorded in a field notebook and later tabulated into a Microsoft (MS) Excel database. Material collected from the trench was placed in a sample bag and labeled.

 

 7-1  

 

 

Westwater Resources, Inc. | Coosa Graphite Project

S-K 1300 Report 

December 11, 2023

SLR Project No.: 138.20527.00002

 

Figure 7-1:    Alabama Graphite 2012-2013 Channel Sample Location

 

 

 7-2  

 

 

Westwater Resources, Inc. | Coosa Graphite Project

S-K 1300 Report 

December 11, 2023

SLR Project No.: 138.20527.00002

 

7.1.2Trenching

 

A program of mechanical trenching was carried by Alabama Graphite in the winter of 2014 using an excavator. A total of 30 trenches were dug with a total length of 10,790 ft (3,289 m). Of these, nine trenches with a total length of 3,600 ft were dug in the Coosa resource estimate area and used in the database for the resource estimate, and another 21 trenches with a total length of 7,190 ft were dug on exploration targets.

 

The objective was to cut long trenches across the strike of the graphite mineralization in the grid area to infill between DD holes and demonstrate continuity of near surface mineralization. Trenches were also dug on geophysical exploration targets away from the drill grid. The average depth of the trenches was 4 ft to 5 ft with a maximum depth of 8 ft (2.4 m). The trenches were backfilled and revegetated as soon as they had been sampled.

 

The trenches were treated as low angle drill holes for surveying, sampling, logging, and the database. The starting point (collar) of the trench was surveyed by GPS, and measurements of azimuth and inclination were taken by compass and tape at 25 ft (7.6 m). These were treated as downhole directional surveys to plot the trench. Samples were surveyed by compass and tape to give length, azimuth, and inclination. Samples were taken continuously in 5 ft lengths from the base of the wall of the trench using a geological hammer and a plastic core box as a receptacle. A 20 lb to 25 lb bulk composite sample was also collected on 25 ft (7.6 m) lengths for metallurgical test work.

 

7.1.3Geophysics

 

7.1.3.1Surface

 

Alabama Graphite carried out two trial ground geophysical surveys in 2014. A GEM2 ground frequency domain EM survey was carried out using a GEM2 instrument along roads and had a depth of penetration of 50 ft (15.2 m). In addition, a ground time-domain electromagnetic (TDEM) survey was tested but not found to be useful due to the high contrast in the EM response between the oxide and reduced (unweathered) zones.

 

7.1.3.2Airborne

 

A helicopter borne magnetic, radiometric, and TDEM survey was carried out by the contractor Prospectair (Québec) in March 2014 over exploration areas surrounding the Coosa resource estimate area (Figure 7-2). Data processing and interpretation were completed by Dubé & Desaulniers Geoscience (Québec) and are described in a report by Dubé (2014).

 

The survey covered two areas named Coosa North, centered on the Coosa Main Grid area, and Coosa South, over the Bama project in Chilton County, which is not described further in this TRS. A total of 554 line miles were flown on Coosa North on lines oriented 126° with a 328 ft line spacing, and perpendicular control lines spaced at 3,280 ft (999 m). The average height above the ground of the helicopter was 291 ft (88.7 m). Graphite targets were defined based on high conductivity from the TDEM survey (graphite and/or sulfides) combined with magnetic lows (no pyrrhotite), as shown in Figure 7-2. A number of these targets were followed up by channel sampling, trenching and, in some cases, drilling.

 

 7-3  

 

 

Westwater Resources, Inc. | Coosa Graphite Project

S-K 1300 Report 

December 11, 2023

SLR Project No.: 138.20527.00002

 

Figure 7-2:    TDEM Contour Map Showing Conductive Highs

 

 

Note: High = Pink and Orange, Low=Blue and White

 

 7-4  

 

 

Westwater Resources, Inc. | Coosa Graphite Project

S-K 1300 Report 

December 11, 2023

SLR Project No.: 138.20527.00002

 

7.1.4Vanadium

 

In early 2018, Westwater’s technical staff carried out a review of historical data and geologic information derived from previous graphite exploration drilling and surface trenching programs at the Project to determine the potential for the presence of substantial vanadium mineralization. This work identified significant potential for the discovery of vanadium mineralization in the Project area.

 

In late 2018, Company personnel carried out an extensive geochemical sampling program, collecting nearly 2,000 samples from many previously completed drill holes and trenches, to determine the presence and intensity of vanadium mineralization at the Project. The laboratory analytical results of this sampling program outlined widespread and strong vanadium mineralization in very close association with flake graphite mineralization at numerous localities within the Project area.

 

The vanadium mineralization at the Project occurs principally as the mineral roscoelite, a medium to dark green mica mineral that has been a global source for vanadium for more than one hundred years. In addition to the presence of widespread vanadium mineralization in drill hole and trench samples, impressive zones of vanadium mineralization have been outlined in surface exposures at several locations within the Project area.

 

7.2Exploration Target

 

In late 2018, Westwater personnel carried out an extensive geochemical sampling program, collecting nearly 2,000 samples from many previously completed drill holes and trenches, to determine the presence and intensity of vanadium mineralization at the Project. The laboratory analytical results of this sampling program outlined widespread and strong vanadium mineralization in very close association with flake graphite mineralization at numerous localities within the Project area.

 

Due to the limited number of assays collected and wide-spaced drilling between holes sampled for vanadium, all the vanadium pentoxide (V2O5) is considered to be exploration potential. Vanadium potential tonnage and grade are currently estimated to range from 21.0 Mst to 67.0 Mst and 0.19% V2O5 to 0.13% V2O5, respectively. SLR notes that the potential quantity and grade are conceptual in nature, there has been insufficient exploration to define a Mineral Resource, and it is uncertain if further exploration will result in the exploration target being delineated as a Mineral Resource. Westwater currently has no exploration plans or programs as of this TRS to further evaluate the exploration potential of vanadium mineralization.

 

7.3Drilling

 

Core DD on the property is the principal method of exploration and delineation of graphite mineralization after initial targeting using rock sampling and geophysical surveys. Drilling can generally be conducted year-round on the Project.

 

As of the effective date of this TRS, Westwater and its predecessor companies have completed 45,715 ft of drilling in 236 holes (181 DD = 33,117 ft, 24 Sonic = 1,303 ft, 31 Trenches = 11,295 ft) over the Project, as summarized in Table 7-1 and illustrated in Figure 7-3.

 

 7-5  

 

 

Westwater Resources, Inc. | Coosa Graphite Project

S-K 1300 Report 

December 11, 2023

SLR Project No.: 138.20527.00002

 

Table 7-1: Summary of Drilling Parameters 2012-2022

  

Owner Year Drill Hole
Type
Target
Area
Number of
Drill Holes
Total Depth
Drilled (ft)
Alabama Graphite 2012 DD NX 6 3,002
      Main 5 2,513
      SW 1 500
  2012 Total     12 6,015
           
  2013 DD Main 57 14,415
  2013 Total     57 14,415
           
  2014 DD Main 1 47
    SONIC NX 5 253
      Main 1 47
      SW 2 120
      HS-South 3 168
      HS-North 5 257
      (blank) 8 458
    TRENCH NX 4 2,475
      Main 4 1,025
      SW 2 400
      HS-South 3 800
      HS-North 5 1,645
      (blank) 10 3,600
      FIXICO 3 1,350
  2014 Total     56 12,645
           
  2015 DD NX 19 2,839
      Main 6 895
      SW 12 1,600
      HS-South 6 855
      FIXICO 3 900
  2015 Total     46 7,089
Alabama Graphite Total       171 40,164
           

 

 7-6 

 

 

Westwater Resources, Inc. | Coosa Graphite Project

S-K 1300 Report 

December 11, 2023

SLR Project No.: 138.20527.00002

 

Owner Year Drill Hole
Type
Target
Area
Number of
Drill Holes
Total Depth
Drilled (ft)
Westwater Resources 2021 DD NX 16 1,305
      Main 20 1,562
      SW 7 639
      HS-South 1 102
      HS-North 2 219
      FIXICO 8 736
  2021 Total     54 4,563
           
  2022 DD Main 1 87
      HS-South 7 629
      HS-North 1 102
      FIXICO 2 170
  2022 Total     11 988
Westwater Resources Total       65 5,551
           
Grand Total       236 45,715

 

 7-7 

 

 

Westwater Resources, Inc. | Coosa Graphite Project

S-K 1300 Report 

December 11, 2023

SLR Project No.: 138.20527.00002

 

Figure 7-3:Drilling Location Map

 

 

 7-8 

 

 

Westwater Resources, Inc. | Coosa Graphite Project

S-K 1300 Report 

December 11, 2023

SLR Project No.: 138.20527.00002

 

Six drilling campaigns have been carried out by Westwater and its predecessor AGC at the Project from 2012 to 2022. Drilling focused in the NX and Main Grid areas, however, exploration drilling has also been completed on the remaining three areas. Between 2012 and 2015, 171 drill holes totaling 40,164 ft were completed by Alabama Graphite. From 2021 to March 15, 2022, Westwater completed 65 DD holes totalling 5,551 ft (1,692 m).

  

In 2021, all drill core, including core previously collected by Alabama Graphite, was transported from drill sites and from Alabama Graphite’s prior office in Sylacauga to the Westwater core facility located in Kellyton, Alabama, via pick-up. Core was logged, photographed, sampled, and stored in core racks at the core logging facility.

 

Of the 236, 205 holes totaling 39,434 ft were drilled in the Coosa target area and are used in the database for the Mineral Resource estimate. The remaining 31 holes totaling 6,281 ft, exploration holes drilled in the HS-North area (13) or isolated single holes (18) outside the Coosa block model boundaries, were excluded from the resource estimation.

 

7.3.1Alabama Graphite

 

Alabama Graphite conducted four drilling programs at the Project between 2012 and 2015 comprising 171 drill holes totaling 40,164 ft (12,242 m).

 

7.3.1.12012 Diamond Drilling (Stratigraphic Lines)

 

The first program of diamond drilling was carried out between September 27, 2012, and October 23, 2012, and consisted of two northwesterly trending fences of six holes each for a total of 6,003 ft (holes AGC-001 through AGC-012). All fence holes were drilled at an inclination of -50° perpendicular to the stratified graphite horizons to gain information regarding the stratigraphy and graphite distribution. The two fences were approximately 3,000 ft to 3,800 ft apart, with hole spacing averaging 500 ft (152.4 m). The fence holes were core holes of HQ (2.5 in.) diameter and were drilled to a nominal depth of 500 ft (152.4 m).

 

7.3.1.22012 Diamond and Sonic Drilling (Resource Grid)

 

The second drilling program was carried out between October 23, 2012, and December 21, 2012, and consisted of 57 vertical holes drilled on a 200 ft x 200 ft grid in the Main Grid area for a total of 14,415 ft (4,394 m). The holes were numbered by the grid location and included holes AGC-A04 to AGC-J09. The grid drilling was a combination of sonic core and HQ core. Diamond drilling gave low core recovery (<50%) in the upper weathered zone so a sonic drill was used to drill core through the weathered zone and set casing for the HQ diamond core drill. This method proved to be very effective due to the approximately 100% core recovery from the sonic drill, however, in some holes there is a gap of up to 10 ft in sampling between the end of the sonic core and the start of the diamond core.

 

7.3.1.32014 Sonic Drilling for Exploration

 

Twenty-four sonic holes were drilled in summer 2014 for a total of 1,303 ft numbered AGC-10S, AGC-12S, AGC-14-K03S, and AGC-14-01S to AGC-14-21S. The core diameter was HQ.

 

Eleven of these holes were located in the Coosa resource area and are included in the database for the Mineral Resource estimate. Of these eleven, holes AGC-14-010S and AGC-14-012S were re-drilled in the upper parts of diamond drill holes AGC-010 and AGC-012, but are treated as separate drill holes as they were not pre-collars; three holes (AGC-14-13S, AGC-14-18S, and AGC-14-20S) were deepened by diamond drilling in 2015 (respectively holes AGC-15-H14, AGC-15-I19, and ACG-15-I21); and one hole was not deepened and is only a sonic hole (AGC-14-K03S).

 

 7-9 

 

 

Westwater Resources, Inc. | Coosa Graphite Project

S-K 1300 Report 

December 11, 2023

SLR Project No.: 138.20527.00002

  

The other 13 sonic holes drilled in 2014 were exploration holes to test geophysical anomalies away from the Coosa resource area and were not used in the database for the Mineral Resource estimate.

 

7.3.1.42015 Diamond Drilling Program

 

The 2015 drilling program was designed to extend the Main Grid and resource to the north and south, with the emphasis on the oxide and transition zones. A different drill contractor was used, Dycus Diamond Drilling LLC (3D Drilling) of Wytheville, Virginia, with two truck mounted Longyear 38 drill rigs. The contractor was chosen for their ability to achieve high core recoveries of almost 100% in the oxide and transition zones by drilling at a slower rate with less weight on the bit. The core diameter was HQ. The three deeper exploration holes were reduced to NQ (1.9 in.) diameter at 150 ft depth.

 

A total of 37 diamond drill holes for 5,333.5 ft were drilled on the Coosa resource grid in 2015, of which three holes totaling 142.0 ft were pre-collared by sonic drilling in 2014. The holes were numbered by the year and grid location and are AGC-15-E003 to AGC-15-O006.

 

In addition, nine holes for 1,755 ft were drilled on two exploration targets in 2015, Fixico Mine (holes AGC-15-FIX01 to AGC-15-FIX03) and Holy Schist (holes AGC-15-HS01 to AGC-15-HS06). One of these was pre-collared by sonic drilling in 2014. These holes were not used in the database for the Coosa Mineral Resource estimate.

 

Downhole surveys of the diamond drill holes were taken by the drilling company with a Reflex Instruments EZ Shot Survey tool (all 2012 holes, 22 of the 2015 holes) or a Multishot tool (24 of the 2015 holes). The instruments were adjusted for the local magnetic declination of 3.5° west and recorded the azimuths relative to grid north. Measurements were made at the end of the hole and, in the deeper holes, at a midway depth. Downhole surveys were not carried out on the sonic drill holes as they were short and vertical, and most were pre-collars for diamond drill holes.

 

Drill collars are capped by plastic pipe with a cap and cemented in place. Collar locations were surveyed with a high precision 2005 Trimble GeoXM GPS unit with submeter accuracy. The collars of the 2014 sonic holes were surveyed with a handheld Garmin GPS unit with lower accuracy 3 m to 5 m (10 ft to 16 ft). The datum used was NAD83 UTM Zone 16N in meters.

 

7.3.2Westwater Resources Inc.

 

7.3.2.12021-2022 Diamond Drilling Program

 

From late May 2021 to mid-March 2022, Westwater completed 5,551 ft of drilling in 65 drill holes. More than 95% of the footage drilled was NQ. The drilling campaign had three main objectives: confirmation of historic drilling results, infill drilling to test the continuity of the Cg mineralization, and collection of drill core for vanadium geochemical assessment.

 

No downhole surveys were completed due to the shallow depth of drilling, with an average depth of 85 ft (25.9 m).

 

 7-10 

 

 

Westwater Resources, Inc. | Coosa Graphite Project

S-K 1300 Report 

December 11, 2023

SLR Project No.: 138.20527.00002

 

7.4Conclusions

   

The SLR QP is of the opinion that the drilling and sampling procedures at Coosa are consistent with generally recognized industry best practices. The resultant drilling pattern is sufficiently dense to interpret the geometry and the boundaries of graphite mineralization with confidence. The core samples were collected by trained personnel using procedures meeting generally accepted industry best practices. The process was conducted or supervised by suitably qualified geologists.

 

No detailed hydrogeological or geotechnical studies have been conducted to date.

 

The SLR QP is of the opinion that the samples are representative of the source materials, and there is no evidence that the sampling process introduced a bias. Accordingly, there are no known sampling or recovery factors that could materially impact the accuracy and reliability of drilling results.

 

 7-11 

 

 

Westwater Resources, Inc. | Coosa Graphite Project

S-K 1300 Report 

December 11, 2023

SLR Project No.: 138.20527.00002

  

8.0Sample Preparation, Analyses, and Security

  

8.1Sample Preparation and Analysis

 

Information in the following sections contained in this TRS have been derived, and in some instances extracted, from the subsequent drilling programs discussed above and documentation and standard operating procedures (SOP) supplied to SLR by Westwater for review.

 

8.1.1AGC Channel Samples 2012 Preparation and Analysis

 

AGC initially used Mineral Labs, Inc. (Mineral Labs) of Salyersville, Kentucky (not accredited) and Société Générale de Surveillance (SGS) at Lakefield, Ontario (ISO/IEC 17025:2005 certified) for sample preparation and carbon analyses of channel samples taken in 2012 and for the first drill hole, AGC-001C. Both laboratories are independent of AGC.

 

The first batch of 113 channel samples was prepared by Mineral Labs at their laboratory in Birmingham, Alabama, and analyzed for carbon by the loss on ignition (LOI) method at their laboratory in Salyersville. These results were subsequently found to be erroneous and too high and were discarded.

 

The second batch of 115 channel samples was prepared and analyzed for carbon by the LECO method by SGS Lakefield and were shown to be reliable by secondary check analyses at ALS Minerals in Elko, Nevada (ISO/IEC 17025:2005 certified/accredited). The sample pulps were also analyzed at Mineral Labs, and comparison with the other laboratories showed that the Mineral Labs assays were unreliable.

 

Core from the first drill hole, AGC-001C, was submitted to SGS at their laboratory in Birmingham, Alabama for preparation. The pulps were sent to SGS Lakefield for carbon analysis. The marble blank samples were reported to contain greater than 11% Cg because of inadequate acid removal of carbonate carbon prior to the LECO analysis. In addition, it was found that the sample preparation laboratory in Birmingham had only prepared a few pieces of core from each bag instead of the entire sample. The SGS analyses of hole AGC-001C were not used. After these failed results, the unprepared samples, rejects, and pulps were retrieved from the two SGS laboratories, recombined by AGC, and submitted to ALS Minerals for preparation and analysis.

 

8.1.2AGC 2012–2015 Preparation

 

All further sampling from 2012 through 2015 samples was prepared and analyzed either by ALS Minerals in Elko, Nevada and Vancouver, British Columbia (ISO 9000:2008 registered and ISO 17025 accredited in North America) or by Activation Laboratories Ltd. (Actlabs) in Ancaster, Ontario (ISO 9000:2008 registered and ISO 17025 accredited, as well as accredited to CAN-P-1579, which is specific to mineral analysis laboratories). All three laboratories are independent of AGC and Westwater. ALS Minerals was used as the primary laboratory for the 2012 and 2013 drill programs and Actlabs as the secondary laboratory; this was reversed for the 2014 and 2015 drilling, trenching, and sampling programs.

 

8.1.2.1ALS Minerals

 

Samples were prepared by ALS Minerals at their laboratory in Elko, Nevada. The sample preparation procedure was to log the samples into the tracking system and add a bar code label (procedure code LOG-22), weight the samples (code WEI-21), dry them at high temperature of up to 120°C (code DRY-21), fine crush by jaw crusher to greater than 70% passing -2 mm (code CRU-31), split off 1,000 g using a riffle splitter (code SPL-21), and pulverize the 1,000 g split to greater than 85% passing 75 microns (200 mesh) in a ring and puck style grinding mill (code PUL-32). The entire sample preparation method is referred to by ALS Minerals as code PREP-31B.

 

 8-1 

 

 

Westwater Resources, Inc. | Coosa Graphite Project

S-K 1300 Report 

December 11, 2023

SLR Project No.: 138.20527.00002

  

8.1.2.2Actlabs

 

Samples were prepared by Actlabs at their laboratory in Ancaster, Ontario. The sample preparation procedure was to log the samples into the tracking system and add a bar code label, weight the samples, dry them at 60°C, crush the entire sample by jaw crusher to greater than 90% passing 10 mesh (1.7 mm), split off 250 g using a riffle splitter, and pulverize the split to greater than 95% passing 150 mesh (105 microns) in a mild steel ring and puck style grinding mill. The sample preparation method is referred to by Actlabs as code RX1.

 

8.1.3AGC 2012–2015 Analysis

 

8.1.3.1ALS Minerals

 

ALS Minerals shipped the sample pulps from Elko, Nevada, to their laboratory in Vancouver, British Columbia for analysis. A 1 g subsample of the sample pulp was analyzed for total carbon by sample combustion in a LECO induction furnace at high temperature which generates carbon dioxide. This is quantitatively detected by infrared spectroscopy and reported as percent carbon, with a range of detection of 0.01% to 50% C (code C-IR07). Inorganic carbon (carbonate) was analyzed by carbon dioxide (CO2) coulometry, with a range of detection of 0.2% to 15% CO2 (code C-GAS05). The procedure is to acidify the sample with perchloric acid (HClO4) in a heated reaction vessel to evolve free carbon dioxide. This is subsequently transferred to a CO2 coulometer using a carbon-free gas, where the CO2 is quantitatively absorbed and reacts with monoethanolamine in the presence of an indicator that fades in color with increasing CO2 concentration. The color change is detected by a photo-cell and is used to determine the amount of CO2 in the sample. Carbon is calculated from carbon dioxide and the results are rounded to two decimal points and one decimal point respectively. Check calculations often show variation of ±0.01% carbon due to rounding.

 

The sample weight and results for C (C-IR07), C (C-GAS05) and CO2 (C-GAS05) were reported to AGC on MS Excel spreadsheets and in Certificates of Analysis in secure Adobe Acrobat file format, transmitted by email and available on a secure internet sample tracking site called Webtrieve™.

 

Graphite carbon was calculated by AGC by subtracting inorganic carbon from total carbon. This assumes that the only other form of carbon present in the samples, other than graphite carbon, is contained within carbonates.

 

Multi-element analysis was carried out for one entire drill hole (AGC-010) by ALS Minerals at their Reno, Nevada laboratory. The samples were analyzed for 53 elements by aqua regia digestion and inductively coupled plasma mass spectrometry (ICP-MS) analysis (method code ME-MS41L).

 

 8-2 

 

 

Westwater Resources, Inc. | Coosa Graphite Project

S-K 1300 Report 

December 11, 2023

SLR Project No.: 138.20527.00002

 

8.1.3.2Actlabs

 

Actlabs analyzed graphitic carbon on 0.5 g samples in an Eltra resistance or induction furnace with measurement by infrared spectrometer (method code 5D-C Graphitic Infrared). The samples were subjected to a multistage furnace treatment to remove all forms of carbon with the exception of graphitic carbon, with no acid digestion required. The samples were heated to 1,000°C in nitrogen in a resistance or induction furnace to burn off CO2 in carbonate and any organic carbon, leaving graphite carbon behind. The residue was then combusted in an oxygen environment to oxidize the graphite to determine the graphite content. The laboratory report graphite carbon (C-Graph) with a lower limit of detection of 0.05%. The sample weight and results for Cg were reported to AGC on MS Excel spreadsheets and in Certificates of Analysis in Adobe Acrobat file format.

 

8.1.4Westwater 2021-2022 Analysis

 

During 2021 and 2022 drilling programs, Westwater continued to use Actlabs as its primary laboratory with secondary checks being completed by SGS.

 

8.1.4.1Actlabs

 

Samples were prepared by Actlabs at their laboratory in Ancaster, Ontario. The sample preparation procedure was to log the samples into the tracking system and add a bar code label, weigh the samples, dry them at 60°C, crush the entire sample by jaw crusher to greater than 90% passing 10 mesh (1.7 mm), split off 250 g using a riffle splitter, and pulverize the split to greater than 95% passing 150 mesh (105 microns) in a mild steel ring and puck style grinding mill. The sample preparation method is referred to by Actlabs as code RX1.

 

8.1.4.2SGS

 

Analysis for graphitic carbon was carried out by SGS in accordance with its procedure for graphitic carbon determination in ores, concentrates, and metallurgical test products by hydrochloric acid leach and combustion infrared (IR) detection.

 

A weighed sample is roasted in oven at 500 C for one hour to remove all organic carbon. Carbonate carbon is then leached/evolved using HCl. The sample is then dried to remove the chlorides. The residue is mixed with metal accelerators and placed in the LECO IR combustion system. The residual carbon is taken as graphitic carbon. With high grade carbon, samples are wetted with methanol prior to acid addition.

 

Samples higher than 30% graphitic carbon are analyzed on the SC632 instrument. The SC632 uses high temperature combustion followed by IR detection to determine concentrated carbon content in a wide variety of organic materials as well as some inorganic materials such as soil, cement, and limestone.

 

8.2Bulk Density

 

A total of 263 specific gravity measurements were carried out by ALS Minerals at their laboratory in Elko, Nevada, in 2013 on three-inch to five-inch (7.6 cm to 12.7 cm) samples of split core provided by AGC from several holes from the 2012 program. The holes were selected to ensure representability of different rock types. A further 12 determinations were made by ALS Minerals in 2015 on samples from the oxide and transition zones in the 2015 drill program. Seven check specific gravity determinations were made by Actlabs in September 2015.

 

During the 2021-2022 Westwater drilling campaign an additional 121 bulk density measurements were sent to Actlabs with 89 of the measurements taken within the oxide horizon (Table 8-1).

 

 8-3 

 

 

Westwater Resources, Inc. | Coosa Graphite Project

S-K 1300 Report 

December 11, 2023

SLR Project No.: 138.20527.00002

 

At ALS Minerals, bulk density was determined after wax coating the sample (ALS Minerals method OA-GRA08n) while at Actlabs the specific gravity was determined without wax coating (code Specific Gravity Core).

   

Table 8-1:Bulk Density Measurements

 

Year Redox
Boundary
Rock Type Number of
Bulk
Density
Assays
Average
Density
(ft3/st)
Average
Density
(g/cm3)
Average
Density
(st/ft3)
2013 ox QGS 1 13.52 2.37 0.0740
  rd PEG 33 12.09 2.65 0.0827
    QGS 59 11.84 2.71 0.0845
    INT 100 11.83 2.71 0.0846
    QMBGS 53 11.90 2.69 0.0841
    QBGS 17 11.16 2.87 0.0897
2013 Total     263 11.84 2.71 0.0845
             
2015 ox QGS 6 13.93 2.31 0.0721
  tr QGS 5 12.47 2.57 0.0803
    QMBGS 1 12.71 2.52 0.0787
2015 Total     12 13.22 2.44 0.0761
             
2021 ox QAL 1 11.78 2.72 0.0849
    PEG 3 15.19 2.18 0.0682
    QGS 83 12.99 2.50 0.0781
    QMBGS 2 14.16 2.27 0.0707
  tr QGS 15 11.93 2.69 0.0840
    INT 2 11.71 2.74 0.0854
  rd QGS 8 12.67 2.54 0.0794
    INT 1 14.18 2.26 0.0705
    QMBGS 5 12.94 2.48 0.0775
    QBGS 1 11.24 2.85 0.0890
2021 Total     121 12.87 2.52 0.0787
             
Grand Total     396 12.20 2.64 0.0825

 

Notes: Redox Boundaries include oxidized (ox), transitional (tr), and reduced/unweathered (rd).

 

 8-4 

 

 

Westwater Resources, Inc. | Coosa Graphite Project

S-K 1300 Report 

December 11, 2023

SLR Project No.: 138.20527.00002

 

8.3Quality Assurance and Quality Control

 

Quality assurance (QA) consists of evidence to demonstrate that the assay data has precision and accuracy within generally accepted limits for the sampling and analytical method(s) used in order to have confidence in a resource estimate. Quality control (QC) consists of procedures used to ensure that an adequate level of quality is maintained in the process of collecting, preparing, and assaying the exploration drilling samples. In general, QA/QC programs are designed to prevent or detect contamination and allow assaying (analytical), precision (repeatability), and accuracy to be quantified. In addition, a QA/QC program can disclose the overall sampling-assaying variability of the sampling method itself.

 

8.3.1AGC 2012–2015 Drilling

 

Between 2012 and 2015, AGC had a comprehensive QA/QC program for trench and drill core samples that met the best practices guidelines within industry standards. QA/QC samples were not inserted in the channel samples as these are not used for resource estimation.

 

AGC inserted one coarse blank in every 20 samples and took one field (core) duplicate in every 20 samples, giving approximately 10% QC samples. No certified reference materials (CRM) were available commercially for graphite carbon for the 2012 to 2014 programs. For the 2012 drill programs, AGC monitored the laboratory’s internal standard data.

 

In 2015 AGC, established the use of two CRM and inserted one CRM in every 20 samples in the 2015 drill program.

 

After the individual drill programs were complete, a replicate (check) analyses were made of approximately 10% of all samples at the second laboratory.

 

8.3.2Westwater Resources 2021–2022 Drilling

 

Since acquiring the property in 2018, Westwater has developed a comprehensive QA/QC program for drill core sample. The program continues the procedures previously established by AGC and meets the best practices guidelines currently used within the industry.

 

Westwater geologists insert at least one CRM and one duplicate for each hole, even if they are less than 100 ft (30.5 m) deep (industry standard of 5% would mean one standard or one blank, and one duplicate per 100 ft (30.5 m), using a five foot sample interval).

 

The core samples are placed in plastic bags that are wire-tied shut, with five samples put into a rice bag, which are then put into wooden shipping boxes. The standards and blanks are also placed into plastic bags, similar to the core samples, but each standard and blank will be double bagged before being put into the rice bags with the other samples in order to help prevent confusion at the laboratory as to placement of the standards and blanks in the sample stream.

 

8.3.2.1Certified Reference Materials (CRM)

 

The insertion of CRM, as mentioned above, will be randomized as to which standard is used and when they are inserted in the sample stream. To increase randomization and checks on the laboratory, standards will occasionally be inserted after blanks in the sample stream. Exceptions to the randomization include:

 

·Occasionally standards will be inserted after visually high grade samples to provide a further check on the laboratory.

 

·A standard close to the mining cut-off grade of 2% Cg will be inserted after some of the samples that visually appear to contain approximately 2% Cg.

 

·Drill hole numbers were removed from corresponding sample numbers which provided another quality control check on the laboratories.

 

 8-5 

 

 

Westwater Resources, Inc. | Coosa Graphite Project

S-K 1300 Report 

December 11, 2023

SLR Project No.: 138.20527.00002

 

8.3.2.2Blanks

 

The drill holes will be cut and sampled in the order that they were drilled. Because all of the planned holes at Coosa are less than 120 ft (36.6 m), multiple holes will be submitted to the laboratory at the same time. One blank of 50 g (two envelopes) will be inserted into the sample stream at the beginning of each hole, and one blank will be inserted at the end of the group of holes to be submitted at the same time. Other blanks (at least one per hole) will be inserted after a randomly selected visually high grade interval.

 

8.3.2.3Duplicates

 

Duplicates should be taken in a more orderly fashion, at least one every ten samples, or at least one per hole even for holes less than 50 ft (15.2 m) deep. These should include both visually high-grade and near cut-off grade samples to provide more certainty as to the assay results.

 

8.3.3Certified Reference Materials

 

Results of the regular submission of CRMs are used to identify issues with specific sample batches, and biases associated with the laboratory. Results of the CRM sample analyses are plotted monthly in control charts with upper and lower limits of the acceptable values and the certified value.

 

8.3.3.1AGC 2012 Drill Program

 

No CRMs were available commercially for graphite in order to maintain an independent control. Instead, the internal standards used by the laboratory, ALS Minerals, were plotted. Four standards, with a range of carbon grades, were used routinely. The recommended values and upper and lower limits (defined as two standard deviations from the recommended value or the 95% confidence limits (P95)), as supplied by ALS Minerals, are listed in Table 8-2. These samples were manufactured by CANMET Mining and Mineral Services Laboratories, Ottawa, Canada as part of the Canadian Certified Reference Materials Project (CCRMP). These samples are certified for other elements and carbon is uncertified and is given as an “informational value”, “provisional value” or “approximate value”. Plots of the results of total carbon analyses by sample are shown in Figure 8-1 through Figure 8-4. The results are within the upper and lower confidence limits and show no trends or drift with time, thus indicating that the analyses have good precision and accuracy.

 

 8-6 

 

 

Westwater Resources, Inc. | Coosa Graphite Project

S-K 1300 Report 

December 11, 2023

SLR Project No.: 138.20527.00002

 

Table 8-2: List of CANMET CRM Used for Carbon by ALS Minerals 2012

  

Standard Ct % Value Ct % P95 Lower Limit Ct % P95 Upper Limit
NBM-1 0.79 0.75 0.83
MA-1b 2.44 2.34 2.54
DS-1 3.13 3.01 3.25
STSD-3 8.4 8.09 8.71

 

Notes:

 

1.Ct % - Total Carbon %

 

2.Rec – Recommended Standard Ct % Value

 

3.LL – Lower P95 Confidence Limit

 

4.UL – Upper P95 Confidence Limit

 

Figure 8-1:CRM NBM-1 2012

 

 

Source: Westwater, 2022

 

 8-7 

 

 

Westwater Resources, Inc. | Coosa Graphite Project

S-K 1300 Report 

December 11, 2023

SLR Project No.: 138.20527.00002

 

Figure 8-2 : CRM MA-1b 2012

 

 

Source: Westwater, 2022

 

 8-8 

 

 

Westwater Resources, Inc. | Coosa Graphite Project

S-K 1300 Report 

December 11, 2023

SLR Project No.: 138.20527.00002

 

Figure 8-3 : CRM DS-1 2012

 

 

Source: Westwater, 2022

 

 8-9 

 

 

Westwater Resources, Inc. | Coosa Graphite Project

S-K 1300 Report 

December 11, 2023

SLR Project No.: 138.20527.00002

 

Figure 8-4: CRM STSD-3 2012

 

 

Source: Westwater, 2022

 
8.3.3.2AGC 2015 Drill Program

 

AGC had two CRMs made by Actlabs in 2015 using coarse rejects of oxidized graphite schist from Coosa trench samples. The samples were pulverized, mixed, and homogenized, and 10 samples of each were analyzed at four laboratories (Actlabs, SGS, ALS Minerals, and Acme), from which the mean and standard deviation were calculated (the Acme data was not used as they use a different assaying method and digestion which gave a different mean and standard deviation). The recommended values are shown in Table 8-3.

 

The CRM results are monitored using control charts which are graphs with sample number or time on the x-axis and values on the y-axis. There are horizontal lines for the recommended mean value (green), and ±2 (yellow) and ±3 (red) standard deviations (SD). CRM values within ± 2SD are accepted; an isolated sample above ± 2SD but below ± 3SD is acceptable but is a warning; two consecutive samples above ± 2SD are rejected; and any sample above ± 3SD is rejected.

 

Zscore plots of the results of the Cg analyses by sample (time) is shown in Figure 8-5. The results are acceptable and show no trends or drift with time and indicate that the analyses have good precision and accuracy.

 

 8-10 

 

 

Westwater Resources, Inc. | Coosa Graphite Project

S-K 1300 Report 

December 11, 2023

SLR Project No.: 138.20527.00002

  

Table 8-3: AGC Coosa CRM Recommended Values 2015

  

CSRM Cg % Value Standard Deviation Cg%
Standard A 2.47 0.0395
Standard B 4.07 0.1403

 

Figure 8-5: Zscore Plot of CRM Standard A and Standard B 2015

 

 

Source: SLR, 2022

 

 8-11 

 

 

Westwater Resources, Inc. | Coosa Graphite Project

S-K 1300 Report 

December 11, 2023

SLR Project No.: 138.20527.00002

 

8.3.3.3Westwater 2021-2022 Drill Program

 

Westwater obtained four CRMs certified for carbon and one blank from CDN Resource Laboratories, Ltd. (CDN), located in Langley, British Columbia, Canada to account for different grade ranges (Table 8-4).

 

Table 8-4:Westwater Coosa CSRM Values 2021-2022

  

STD
Name
CSRM Cg %
Value
SD ±2SD Mean-
2SD
Mean+2S
D
Mean-
3SD
Mean+3S
D
Std 1 CDN-GR-1 3.12 0.0550 0.1100 3.01 3.23 2.96 3.29
Std 2 CDN-GR-2 1.93 0.1050 0.2100 1.72 2.14 1.62 2.25
Std 3 CDN-GR-3 2.39 0.0550 0.1100 2.28 2.50 2.23 2.56
Std 4 CDN-GR-4 1.01 0.0450 0.0900 0.92 1.10 0.88 1.15
Blank CDN-BL-10 0            

 

A total of 113 CRMs were inserted in the 2021-2022 sampling analysis, representing an insertion ratio of 10.0% considering all the samples. SLR received the CRM results, prepared control charts, and analyzed temporal and grade trends. Figure 8-6 presents the results for the Std 1 through Std 4 CRMs and indicates moderately good precision of the laboratory for STD 2, STD 3, and STD 4 and only small low bias in some cases. However, approximately 56% of STD 1 are outside the lower and upper limits of ±2SD. One sample from STD 2 is outside ±2SD.

 

Westwater did not rerun any additional checks on the failed batches and the cause of the STD 1 failures is suspected to be poor homogeneity in the standard sample quality. SLR is of the opinion that the STD 1 results are not materially impacting the Mineral Resource estimate or have relevance for this TRS but recommends that Westwater check and/or remove STD 1 for future assay analysis.

 

 8-12 

 

 

Westwater Resources, Inc. | Coosa Graphite Project

S-K 1300 Report 

December 11, 2023

SLR Project No.: 138.20527.00002

 

Figure 8-6:Zscore Plot of CSRM Std 1 through Std 4 2021

 

 

Source: SLR, 2022

 

8.3.4Blanks

 

Blank material is used to assess contamination or sample-cross contamination during sample preparation and to identify sample numbering errors.

 

8.3.4.1AGC 2012 Drill Program

 

Coarse blanks were inserted in the drill and trench samples at approximately one every 100 ft (30.5 m), which equals one in every twentieth sample (approximately 5%).

 

Local marble was initially used as a blank but reported high C in LECO analyses because of problems with incomplete dissolution of carbonate. The blank was then changed to diorite in the form of coarse rock chips of 1 in. to 2 in. (2.5 cm to 5.1 cm) size bought as landscape rock from a local hardware store. Neither of these samples were analyzed previously for carbon or other elements. The diorite blank was introduced together with the marble blank from hole AGC-002C, and diorite was used exclusively from hole AGC-007C onwards. A total of 18 marble blanks and 221 diorite blanks were analyzed out of a total of 3,856 unknown drill samples in the 2012 drill programs (6.2% total blanks including 5.7% diorite blanks; note that the total unknown samples analyzed was higher and some have been eliminated from the database due to overlap between core samples and sonic samples). The diorite blanks are plotted in Figure 8-7 with reference lines at the lower limit of detection (0.01%), and five and ten times the lower limit of detection (LLD), 0.05% and 0.10%, respectively. Eleven samples (5% of the blanks) are greater than 0.10%, including four samples (1.8%) above 0.20% Cg, with values of 0.23%, 0.37%, 1.35%, and 1.91% Cg, which may be due to contamination, sample switches, or mislabeling.

 

 8-13 

 

 

Westwater Resources, Inc. | Coosa Graphite Project

S-K 1300 Report 

December 11, 2023

SLR Project No.: 138.20527.00002

 

The diorite blanks from the 2014 trenching program are shown in a scatter plot in Figure 8-8, which indicates that all but two samples were below the detection limit.

 

Figure 8-7:Scatter Plot of Coarse Diorite Blanks 2012

 

 

Source: Westwater, 2022

 

 8-14 

 

 

Westwater Resources, Inc. | Coosa Graphite Project

S-K 1300 Report 

December 11, 2023

SLR Project No.: 138.20527.00002

 

Figure 8-8:Scatter Plot of Coarse Diorite Blanks 2014 Trenching Program

 

 

Source: Westwater, 2022

 

 8-15 

 

 

Westwater Resources, Inc. | Coosa Graphite Project

S-K 1300 Report 

December 11, 2023

SLR Project No.: 138.20527.00002

 

8.3.4.2AGC 2015 Drill Program

 

The diorite blanks from the 2015 drilling program are shown in a scatter plot in Figure 8-9 which shows that all samples were below the detection limit.

 

Figure 8-9:Scatter Plot of Coarse Diorite Blanks 2015

 

 

Source: SLR, 2022

 

Note: Samples below detection limit were replaced by half of the detection limit

 

8.3.4.3Westwater 2021–2022 Drill Program

 

Westwater uses a certified blank material (BL-10) sourced at CDN which consists of blank granitic material. Blank material was inserted at a rate of 8.0% in 2021-2022. SLR prepared charts of the blank sample results against the recommended upper limit, set at five times the lower detection limit of the analytical method.

 

Results of the blank analysis are presented in Figure 8-10, and indicate few samples with contamination, with no failures (i.e., results above the recommended upper limit).

 

 8-16 

 

 

Westwater Resources, Inc. | Coosa Graphite Project

S-K 1300 Report 

December 11, 2023

SLR Project No.: 138.20527.00002

 

Figure 8-10:Scatter Plot of Granite Material Blanks 2021-2022

 

 

Source: SLR, 2022

 

Note: Samples below detection limit were replaced by half of the detection limit

 

8.3.5Duplicates

 

Duplicate samples are used to monitor preparation, assay precision, and grade variability as a function of sample homogeneity and laboratory error.

 

8.3.5.1AGC 2012 Drill Program

 

One field (core or trench) duplicate was collected approximately every 100 ft (30.5 m), which equals one in every twentieth sample (approximately 5%).

 

Core duplicates were taken by cutting the normal half core sample lengthwise to give two one-quarter core samples which were submitted for analysis as original and subsequent duplicate. These samples are half of the weight of normal half-core samples, which may thus introduce greater inhomogeneity than average. Trench duplicates were made by taking another sample along the same channel as the original.

 

A total of 160 pairs of field duplicates were analyzed out of a total of 3,856 unknown drill samples (4.1%) from the 2012 drill programs. The results are shown in a scatter plot in Figure 8-11 and in a plot of relative difference versus original value in Figure 8-12. These show that 91% of the duplicates are within ±20% of the average. The overall correlation is close to unity with scatter distributed evenly on either side, interpreted as geological heterogeneity, and there is no systematic bias. The average of the original samples is 1.86% Cg, and the duplicates is 1.86% Cg, with a relative difference of -0.23%.

 

 8-17 

 

 

Westwater Resources, Inc. | Coosa Graphite Project

S-K 1300 Report 

December 11, 2023

SLR Project No.: 138.20527.00002

 

Figure 8-13 presents the results of the analyses for the 39 pairs of field (trench channel) duplicates from the 2014 trenching program included in the Resource Estimate. This shows that 87% of the duplicates are within ±20% of the average. This is slightly lower than the core samples and is a function of greater sample variability in trench channels. The overall correlation is close to unity with scatter distributed evenly on either side, interpreted as geological heterogeneity, and there is no systematic bias. The average of the original samples is 2.26% Cg, and the duplicates is 2.31% Cg, with a relative difference of 2.26%.

 

Figure 8-11:Scatter Plot of Field Core Duplicates 2012

 

 

Source: Westwater, 2022

 

 8-18 

 

 

Westwater Resources, Inc. | Coosa Graphite Project

S-K 1300 Report 

December 11, 2023

SLR Project No.: 138.20527.00002

 

Figure 8-12:Plot of Field Core Duplicate Mean versus Relative Difference 2012

 

 

Source: Westwater, 2022

 

 8-19 

 

 

Westwater Resources, Inc. | Coosa Graphite Project

S-K 1300 Report 

December 11, 2023

SLR Project No.: 138.20527.00002

 

Figure 8-13:Scatter Plot of Field Core Duplicates 2014 Trenching Program

 

 

Source: Westwater, 2022

 

8.3.5.2AGC 2015 Drill Program

 

A total of 61 pairs of field duplicates were analyzed out of a total of 1,404 drill samples (4.3%) from the 2015 drill program. The results are shown in a scatter plot in Figure 8-14 and in a plot of relative difference versus original analysis in Figure 8-15. This shows that 95% of the duplicates are within ±20% of the original, with three outliers. The overall correlation is close to unity with scatter distributed evenly on either side, interpreted as geological heterogeneity, and again there is no systematic bias. The average of the original samples is 2.57% Cg, and the duplicates is 2.61% Cg, with a relative difference of 1.5%.

 

SLR concludes that the duplicate core samples show geological variability but there is no systematic bias, and the relative difference of the average grade of all originals and duplicates is very low, i.e., the average values are almost identical.

 

 8-20 

 

 

Westwater Resources, Inc. | Coosa Graphite Project

S-K 1300 Report 

December 11, 2023

SLR Project No.: 138.20527.00002

 

Figure 8-14:Scatter Plot of Field Core Duplicates 2015

 

 

Source: SLR, 2022

 

 8-21 

 

 

Westwater Resources, Inc. | Coosa Graphite Project

S-K 1300 Report 

December 11, 2023

SLR Project No.: 138.20527.00002

 

Figure 8-15:Plot of Field Core Duplicate Mean versus Relative Difference 2015

 

 

Source: SLR, 2022

 

8.3.5.3Westwater 2021-2022 Drill Program

 

A total of 114 pairs of field duplicates were analyzed out of a total of 1,144 drill samples (10.0%) from the 2021-2022 drill program. The results are shown in a scatter plot in Figure 8-16 and in a plot of relative difference versus original analysis in Figure 8-17. These show that 90% of the duplicates are within ±20% of the original, with 11 outliers. The overall correlation is close to unity with scatter distributed evenly on either side, interpreted as geological heterogeneity, and again there is no systematic bias. The average of the original samples is 2.94% Cg, and the duplicates is 2.96% Cg, with a relative difference of 0.90%.

 

 8-22 

 

 

Westwater Resources, Inc. | Coosa Graphite Project

S-K 1300 Report 

December 11, 2023

SLR Project No.: 138.20527.00002

 

It is concluded that the duplicate core samples show geological variability but there is no systematic bias, and the relative difference of the average grade of all originals and duplicates is very low, i.e., the average values are almost identical.

 

Figure 8-16:Scatter Plot of Field Core Duplicates 2021

 

 

Source: SLR, 2022

 

 8-23 

 

 

 

Westwater Resources, Inc. | Coosa Graphite Project

S-K 1300 Report 

December 11, 2023

SLR Project No.: 138.20527.00002

 

Figure 8-17:Plot of Field Core Duplicate Mean versus Relative Difference 2021

 

 

Source: SLR, 2022

 

8.3.6Secondary Laboratory Check

 

8.3.6.1AGC 2012–2015

 

AGC carried out replicate analyses of a complete drill hole, AGC-03C, early in the drill program, and of 11.4% of samples from all drill holes after drilling had been completed.

 

 8-24 

 

 

Westwater Resources, Inc. | Coosa Graphite Project

S-K 1300 Report 

December 11, 2023

SLR Project No.: 138.20527.00002

 

AGC reanalyzed all samples from hole AGC-03C at a second laboratory in the early stages of the drill program. The preparation was carried out by a local laboratory which split the sample pulp into two, hence these are replicate analyses (same pulp). One pulp was sent to the prime laboratory, ALS Minerals, and the second sent to the second laboratory, Actlabs. A scatter plot of the two sets of analyses is shown in Figure 8-18 and shows a good correlation, with some scatter about the mean above 1% Cg. The average grade of the original analyses is 1.03% Cg versus the 1.01% for the replicate analyses, a difference of 0.02% Cg, and a relative difference of 1.9%.

 

Figure 8-18:Scatter Plot of Replicate Analyses of Hole AGC-03C

 

 

Source: Westwater, 2022

 

AGC sent 438 sample pulps from the whole drill program to Actlabs for replicate analyses. Samples were selected by taking every tenth sample. This represents 11.3% of the total of 3,856 unknown drill samples. One replicate sample was a marble blank which had originally given an unreliable analysis and so it was eliminated, leaving 437 samples to plot. A scatter plot of the original and replicate analyses is shown in Figure 8-19 and shows a close correlation between the two laboratories, with some scatter in the 1% to 2% range, and a possible slight high bias at Actlabs above 2.0% Cg. The average grade of the original analyses is 1.85% Cg and the average grade of the replicate analyses is 1.86%, with a relative difference of -0.8%.

 

 8-25 

 

 

Westwater Resources, Inc. | Coosa Graphite Project

S-K 1300 Report 

December 11, 2023

SLR Project No.: 138.20527.00002

 

A plot of the mean versus relative difference is shown in Figure 8-20. This plot shows that the majority of the samples (95.0%) have less than ±20% relative difference, i.e., the reproducibility is very good. Samples with a high relative difference along the x-axis are a data artifact close to or below the LLD: Actlabs has a LLD of 0.05% Cg, with eight samples below this which were converted to half of the LLD to plot, whereas ALS has a lower LLD of 0.01% with two samples below the LLD. The plot also shows a slight trend for the original ALS analyses to be higher and with more scatter than the replicates for samples below 1.5% Cg, whereas the Actlabs analyses are slightly higher than the originals for samples above 3% Cg. These slight systematic differences are interpreted to be inter-laboratory differences which may be due to differences such as analytical procedure, reagents used, and instrument calibration. The small differences are not considered to be significant and no adjustments to the original data are recommended. Overall, the data shows very good reproducibility.

 

Figure 8-19:Scatter Plot of Replicate Analyses of Cg for Whole Drill Program

 

 

Source: Westwater, 2022

 

 8-26 

 

 

Westwater Resources, Inc. | Coosa Graphite Project

S-K 1300 Report 

December 11, 2023

SLR Project No.: 138.20527.00002

 

Figure 8-20:Plot of Mean vs. Relative Difference of % Cg for Replicate Samples

 

 

Source: Westwater, 2022

 

8.3.6.2Westwater 2021–2022

 

During the 2021-2022 drilling programs, Westwater sent 221 sample pulps from the whole drill program to SGS for replicate analyses. This represents 16.9% of the total of 1,305 drill samples. A scatter plot of the original and replicate analyses in Figure 8-21 shows a close correlation between the two laboratories, with some scatter in the 1% to 2% range, and a possible slight high bias at SGS above 2.0% Cg. The average grade of the original analyses is 2.48% Cg and the average grade of the replicate analyses is 2.59%.

 

A plot of the mean versus relative difference is shown in Figure 8-22. This plot shows that most of the samples (97.0%) have less than ±20% relative difference, i.e., the reproducibility is very good. The plot also shows the original ALS analyses to be lower and with similar scatter to the replicates for samples above 2.0% Cg. These slight systematic differences are interpreted to be inter-laboratory differences which may be due to differences such as analytical procedure, reagents used, and instrument calibration, and should be revisited with future drilling. The differences are not considered to be significant and no adjustments to the original data are recommended. Overall, the data shows good reproducibility and will have negligible impact on the Mineral Resource estimate.

 

 8-27 

 

 

Westwater Resources, Inc. | Coosa Graphite Project

S-K 1300 Report 

December 11, 2023

SLR Project No.: 138.20527.00002

 

Figure 8-21:2021 External Duplicate Sample Results for U3O8% (SGS vs. Actlabs)

 

 

 

Source: SLR, 2022

 

 8-28 

 

 

Westwater Resources, Inc. | Coosa Graphite Project

S-K 1300 Report 

December 11, 2023

SLR Project No.: 138.20527.00002

 

Figure 8-22:Mean vs. Relative Difference (SGS vs. Actlabs)

 

 

 

Source: SLR, 2022

 

8.4Sample Security

 

Core and samples are stored in a secure warehouse owned by Westwater in Kellyton, Alabama 35 miles to the east of the project that also has facilities for the field office, core logging, core cutting and core sampling. Core is stored in waxed card boxes on wooden pallets by hole number and wrapped with shrink wrap. Sonic core is stored in long plastic boxes. Pallets are moved by forklift truck.

 

 8-29 

 

 

Westwater Resources, Inc. | Coosa Graphite Project

S-K 1300 Report

December 11, 2023

SLR Project No.: 138.20527.00002

 

Core is collected from the drill rig by Westwater geologist and brought to the warehouse by an Westwater truck, where it is logged, photographed and sampled. Diamond core is cut lengthwise by diamond saw in the warehouse, and one-half core is put in a plastic or cloth bag with a consecutive sample number tag, sample number in indelible marker, and sealed with a cable tie. The remaining half-core is returned to the core box and stored in the warehouse for reference. The sample number is marked in the core box by a sample number tag. Sonic core is cut lengthwise with a knife and sampled, numbered and stored in the same way as diamond core.

 

Samples are put in wooden crates on a pallet for shipping, each holding approximately 1,000 lb (454 kg). The sample crates are covered but not sealed. They are transported by a UPS courier truck to the Actlabs laboratory in Elko, Nevada, or to the Activation Laboratories Ltd. (Actlabs) laboratory in Ancaster, Ontario, for sample preparation and analysis. The coarse sample rejects and pulps are back-shipped in the same crates by UPS to the warehouse in Sylacauga for storage.

 

8.5Conclusions

 

In the SLR QP’s opinion, the QA/QC program as designed and implemented by Westwater and its predecessor AGC meet current industry standard practice and the assay results within the database are suitable for use in a Mineral Resource estimate.

 

In the SLR QP’s opinion, the sample preparation, analysis, and security procedures at Coosa Graphite are adequate for use in the estimation of Mineral Resources.

 

 8-30 

 

 

Westwater Resources, Inc. | Coosa Graphite Project

S-K 1300 Report

December 11, 2023

SLR Project No.: 138.20527.00002

 

9.0Data Verification

 

Data verification is the process of confirming that data has been generated with proper procedures, is transcribed accurately from its original source into the Project database, and is suitable for use in Mineral Resource estimation.

 

The SLR QP, visited the Project on April 23, 2022, accompanied by David Greenan (Consulting Geologist) of Westwater. During the site visit, the SLR QP was given an overview of the ongoing exploration drilling activities and a surface Project tour. The SLR QP also reviewed core handling, logging, sampling, and storage procedures.

 

As part of the data verification procedure, drill data was spot checked and audited by SLR for completeness and validity using standard database validation tests using tools provided within the Leapfrog Geo and Vulcan software programs and MS Excel to check for potential issues including:

 

·Sample length and overlap issues

 

·Maximum and minimum lengths and assay grades

 

·Negative assay values

 

·Drill hole deviations

 

·Overlapping and/or duplicate entries

 

·Gaps in assays/unsampled intervals

 

·Assay outliers

 

·AGC previously contracted Perry Remote Sensing, LLC (PRS) to purchase a precision digital elevation model (DEM) data for 56.5 mi2 (91 km2) of the Project area. The DEM data was used to make a triangulation surface in Vulcan which was used to register drill hole collars to this surface.

 

In addition, SLR reviewed the QA/QC methods and results, verified assay certificates against the database assay table, and reviewed drill core. No limitations were placed on SLR’s data verification process. The review of the QA/QC program and results is presented in Section 8, Sample Preparation, Analyses and Security. No independent samples were taken as part of this TRS.

 

No significant database issues were identified and the SLR QP is of the opinion that the database verification procedures for Coosa comply with industry standards and are adequate for the purposes of Mineral Resource estimation.

 

 9-1 

 

 

Westwater Resources, Inc. | Coosa Graphite Project

S-K 1300 Report

December 11, 2023

SLR Project No.: 138.20527.00002

 

10.0Mineral Processing and Metallurgical Testing

 

10.1Introduction

 

Bench-scale metallurgical test work programs on samples from the Coosa deposit commenced at the independent SGS Minerals laboratories in Lakefield, Ontario, Canada (SGS Lakefield) in April 2013 and culminated in a full flowsheet development program in August 2015. This work focused on the grindability and flotation responses of the various samples. A summary of results from the various test programs is provided chronologically in the following sections and is largely based on the 2015 Preliminary Economic Assessment by AGP Mining Consultants Inc. (AGP, 2015).

 

10.22013 Metallurgical Test Work

 

Three different samples weighing approximately 20 kg each were received at the SGS Lakefield site in April 2013. The three samples were obtained from the surface and drill core covering a depth from 0 to 270 ft. The sample AGC-H045 0-34 was from the oxidized zone and the other samples were from the reduced zone (Table 10-1).

 

10.2.1Sample Preparation and Head Characterization

 

Each sample was stage crushed to -6 mesh, homogenized, and subsampled for chemical analysis. The balance of the material was rotary split into two kilogram test charges. A summary of the head assay results is presented in Table 10-1. The graphitic carbon ranged between 2.92% Cg and 3.71% Cg. The total organic carbon (TOC) content was below the detection limit of 0.05% TOC for the two composites from a greater depth and 0.17% TOC for the AGC-H045 0-34 composite, which was collected from the surface of the deposit. This composite looked different in that it showed typical signs of a weathered and oxidized ore. The carbonate carbon concentrations were generally low with up to 2.90% CO3. The sulfur concentrations were 1.75% S to 2.09% S in the two composites from the lower sections of the deposit. The low grade of 0.04% S in the composite from the surface of the deposit confirms the weathered occurrence of the sample. The overall ratio of sulfide to carbonate concentration suggests that a desulphurization stage will likely be required to generate non-acid-generating tailings. The inductively coupled plasma optical emission spectrometry (ICP-OES) results reveal low concentrations of deleterious elements and no potential metal by-products.

 

Table 10-1:    Head Assays for 2013 Coosa Deposit Metallurgical Samples

 

Sample ID Ct % Cg % TOC
(LECO)%
CO3% S %
AGC-011C-190-220 3.43 3.53 <0.05 1.55 2.09
AGC-H045 0-34 3.74 3.71 0.17 0.65 0.04
AGC-G04C 240-270 2.95 2.92 <0.05 2.90 1.75

 

 10-1 

 

 

Westwater Resources, Inc. | Coosa Graphite Project

S-K 1300 Report

December 11, 2023

SLR Project No.: 138.20527.00002

 

10.2.2Cleaner Flotation Testing

 

A single batch cleaner flotation test was carried out on each sample. The test conditions were determined by the metallurgist based on observations made during the tests. The overall flowsheet was kept almost the same in all tests and is depicted in Figure 10-1. In only one test, AGC-H045 0-34, the primary grind and the rougher stage were bypassed as any remaining graphite flakes after flash flotation were very fine and locked with quartz, thus requiring more intensive grinding conditions. Consequently, a short primary grind would not have achieved the necessary mineral liberation.

 

Figure 10-1:    Open Circuit Flowsheet for April 2013 Coosa Deposit Samples

 

 

 

Source: AGP, 2015

 

The open circuit metallurgical performance of the three tests is presented in Figure 10-2 in the form of total carbon grade versus total carbon recovery. The two samples from greater depth (AGC-011C 190-220 and AGC-G-04C 240-270) outperformed the shallow sample (AGC- H045 0-34) in terms of carbon recovery. The two deeper samples achieved open circuit carbon recoveries of 93.5% and 97.7% compared to only 80.2% for the shallow sample. However, the shallow sample produced the highest concentrate grade of 91.1% total carbon compared to 80.8% and 88.3% total carbon for the deeper samples. It is postulated that the liberation properties were improved for the shallow sample due to weathering.

 

It should be noted that these tests were carried out as scoping level tests only, with the primary objective of evaluating the amenability of the Coosa mineralization to standard graphite processing technology.

 

 10-2 

 

 

Westwater Resources, Inc. | Coosa Graphite Project

S-K 1300 Report

December 11, 2023

SLR Project No.: 138.20527.00002

 

A secondary objective of this work was to develop an understanding of the flake size distribution in a flotation concentrate. The mass recovery into different size fractions of the flotation concentrate is depicted in Figure 10-3. The results suggest that the flake size distribution of the shallow sample was significantly finer compared to the other two samples.

 

Figure 10-2:    Total Carbon Grade Versus Total Carbon Recovery - 2013 Coosa Deposit Samples

 

 

 

Source: AGP, 2015

 

 10-3 

 

 

Westwater Resources, Inc. | Coosa Graphite Project

S-K 1300 Report

December 11, 2023

SLR Project No.: 138.20527.00002

 

Figure 10-3:    Mass Recovery into Different Flake Sizes - 2013 Coosa Deposit Samples

 

 

Source: AGP, 2015

 

10.32014 Metallurgical Test Work

 

A second scoping level metallurgical test program was completed at SGS Lakefield on four samples originating from the Coosa deposit. The primary objective of the test program was to evaluate the metallurgical response of the four graphite samples to support the identification of the most promising mineral zone for flowsheet development purposes.

 

10.3.1Sample Preparation and Head Characterisation

 

Four samples, weighing between 1.2 kg and 3.7 kg each, were received at SGS Lakefield in April 2014. Each sample was stage-crushed to -6 mesh and split into two kilogram and one kilogram test charges. A representative head sample of the four samples was submitted for chemical analysis and the pertinent results are presented in Table 10-2. The head grades of the four samples ranged between 1.79% Cg and 4.42% Cg.

 

 10-4 

 

 

Westwater Resources, Inc. | Coosa Graphite Project

S-K 1300 Report

December 11, 2023

SLR Project No.: 138.20527.00002

 

Table 10-2:    Carbon Speciation and Sulphur Analysis of Coosa Deposit Samples

 

Sample ID Ct % Cg % TOC % CO2 % S %
C5-155 A-k 1.86 1.79 0.12 < 0.05 0.02
AGC-10c 70-80 4.67 4.42 0.46 1.28 2.10
Hole E-09 85-90, Hole 10330-335, Sample 132962 3.30 3.21 0.34 0.26 2.25
J030-30 3.05 2.87 0.47 2.75 0.02

 

10.3.2Batch Cleaner Flotation

 

In order to preserve the graphite flakes, a two-stage grinding approach was chosen for the flotation. One batch cleaner flotation test was carried out on each of the four samples. The conditions of the tests such as flotation times, grinding and polishing times, and reagent dosages were established during the tests by evaluating the intermediate concentrate and tailings products in a binocular microscope. Due to the significant amount of liberated entrained gangue minerals for the C5-155-A-K sample, this test included a pre-cleaner prior to polishing and three stages of cleaning of the polishing mill discharge. The remaining three tests subjected the combined flash and rougher concentrate to polishing grinding followed by four stages of cleaning.

 

The carbon grade versus carbon recovery curves of the four tests are presented in Figure 10-4. While the top three samples, AGC-10c, Hole E-09, and J030-30, produced somewhat comparable grade-recovery curves, sample C5-155-A-K yielded the lowest carbon recovery of 51.8% into the graphite concentrate. While this number is expected to increase in closed circuit operation, the difference in metallurgical response compared to the other samples is notable. The top three samples produced concentrates grading between 83.7% Ct and 90.0% Ct. While the AGC-10c 70-80 sample yielded the highest head grade of 4.42% Cg, it produced the lowest 4th cleaner concentrate grade of 83.7% Ct.

 

The carbon grade and mass recoveries into the different size fractions in the final concentrates are presented in Figure 10-5 and Figure 10-6, respectively.

 

The sample consisting of Hole E-09 85-90, Hole 10 330-335, and 132962 and the J03 0-30 sample were the best-performing samples when considering both the flake size distribution and concentrate grades in the various size fractions. The flake size distribution of the C5-155-A-K sample was fine at 80% passing 106 microns (150 mesh). Only 1.6% of the concentrate mass reported to the plus 80 mesh products compared to 12.3% to 28.4% for the other three samples.

 

The C5-155 A-K and J03 0-30 samples were characterized by a very low sulfur grade of 0.02% S, which almost certainly will render the tailings streams of these three samples non-acid generating. However, this would have to be verified with environmental tests such as acid base accounting (ABA) or net acid generation (NAG) tests. The J03 0-20 sample also contained carbonates that would neutralize any small quantities of acid that may develop.

 

 10-5 

 

 

Westwater Resources, Inc. | Coosa Graphite Project

S-K 1300 Report

December 11, 2023

SLR Project No.: 138.20527.00002

 

Figure 10-4:    Carbon Grade Versus Carbon Recovery Curves

 

 

Source: AGP, 2015

 

 10-6 

 

 

Westwater Resources, Inc. | Coosa Graphite Project

S-K 1300 Report

December 11, 2023

SLR Project No.: 138.20527.00002

 

Figure 10-5:    Carbon Grades of Concentrate Size Fractions

 

 

Source: AGP, 2015

 

 10-7 

 

 

Westwater Resources, Inc. | Coosa Graphite Project

S-K 1300 Report

December 11, 2023

SLR Project No.: 138.20527.00002

 

Figure 10-6:    Mass Recovery into Concentrate Size Fractions

 

 

Source: AGP, 2015

 

The following recommendations were made for the next phase of metallurgical testing focusing on the most encouraging zone(s) within the samples tested to date:

 

·Basic comminution testing;

 

·Flowsheet development program to achieve a flowsheet that maximizes concentrate grade and carbon recovery, while minimizing the degradation of flakes, and

 

·Preliminary environmental testing to identify any major deleterious elements that may be present in the feed material and to quantify the acid-generating potential of the Coosa mineralization.

 

10.42014-2015 Metallurgical Test Work

 

The subsequent metallurgical program was completed at SGS Lakefield from April 2014 to July 2015 and comprised scoping level testing on twelve samples, including basic comminution testing on two samples and cleaner flotation testing on ten samples.

 

 10-8 

 

 

Westwater Resources, Inc. | Coosa Graphite Project

S-K 1300 Report

December 11, 2023

SLR Project No.: 138.20527.00002

 

10.4.1Sample Preparation and Head Characterization

 

Ten samples, including two samples from depths 0 to 8 ft and 300 ft to 325 ft and eight trench samples, were stage-crushed to -6 mesh and rotary split into two kilogram test charges. Each sample was processed separately and no blending of different samples was performed. The results of the head analysis of the ten samples are presented in Table 10-3 and Table 10-4. Only total carbon and graphitic carbon analysis was carried out for the eight trench samples. The grades of the ten samples ranged between 2.55% Cg for the TR05 sample and 4.42% graphitic carbon for the AGC-12A (0-8’) sample.

 

Table 10-3:    Carbon Speciation and Sulphur Analysis of Two Coosa Deposit Samples

 

Sample ID Ct % Cg % TOC % CO3 % S %
AGC-12A (0-8') 4.48 4.42 0.18 < 0.05 0.04
AGC-09C (300-325) 3.35 3.35 0.05 < 0.05 1.92

 

Table 10-4:    Total Carbon and Graphitic Carbon Grades for Eight Trench Samples

 

Sample ID Ct % Cg %
TR07B 3.11 3.12
TR08 3.50 3.34
TR01A 3.17 3.17
TR19 3.03 2.95
TR05 2.55 2.55
TR03A 3.16 3.05
TR14D 3.85 3.71
TR12 3.21 3.09

 

10.4.2Comminution Testing

 

One sample originating from between 0 and 8 ft below surface and another sample from 100 ft to 150 ft below surface were subjected to a Bond ball mill grindability test to develop a preliminary understanding of the hardness of the Coosa deposit. The results of the two tests are presented in Table 13-5.

 

Table 10-5:    Bond Ball Mill Work Index Results - AGC-12B (0-8) and AGC-10C (100-150) Samples

 

Sample Bond Ball Mill Work Index
BWi Metric (kWh/t) BWi Imperial (kWh/t)
AGC-12B (0-8) 5.3 4.8
AGC-10C (100-150) 15.0 13.6

 

 10-9 

 

 

Westwater Resources, Inc. | Coosa Graphite Project

S-K 1300 Report

December 11, 2023

SLR Project No.: 138.20527.00002

 

The near surface sample AGC-12B (0-8) yielded a very low Bond ball mill work index (BWI) of 5.3 kWh/t. The sample originating from 100 ft to 150 ft below surface produced a substantially higher BWI of 15.0 kWh/t, which is comparable with many base metal ores.

 

10.4.3Cleaner Flotation Tests on AGC-12A and AGC-09CSampIes

 

The AGC-09C sample from a depth between 300 ft and 350 ft and the near surface sample AGC-12A from a depth between 0 and 8 ft were the first samples to be subjected to more than a single scoping level cleaner flotation test. Five tests were completed with the two samples to evaluate the impact of polishing time on the cleaner performance and combined concentrate product quality.

 

The grinding time in the polishing mill treating the pre-cleaner concentrate was varied between eight minutes and 25 minutes. All other flotation conditions were kept the same. The total carbon grade versus recovery curves for the five tests are provided in Figure 10-7.

 

The low rougher carbon recovery of the AGC-09C sample is believed to be linked to the fact that this material was much harder compared to all other samples tested to date and the grind time of three minutes proved insufficient to achieve a satisfactory liberation prior to rougher flotation. The cleaner stage-recovery for the AGC-09C sample was very high in all three tests, suggesting that the graphite originating from deeper levels within the deposit displays superior flotation kinetics.

 

Figure 10-7:    Total Carbon Grade versus Recovery Curves - AGC-09C and AGC-12A Samples

 

 

Source: AGP, 2015

 

 10-10 

 

 

Westwater Resources, Inc. | Coosa Graphite Project

S-K 1300 Report

December 11, 2023

SLR Project No.: 138.20527.00002

 

The mass recoveries into the different size fractions in the final concentrates and the corresponding carbon grades are presented in Figure 10-8 and Figure 10-9, respectively.

 

The impact of polishing time on the flake size distribution is evidenced in Figure 10-8. As the polishing time is increased, the mass recovery into the coarser flake size category is reduced. The increase from 15 to 25 minutes was most pronounced. Both samples displayed a similar response to the changes in polishing times.

 

As the polishing time increased, the concentrate grades improved for all size fractions with the exception of the -48/+65 mesh product for the AGC-12A sample. With longer polishing times, the probability of removing impurities attached to the graphite flakes increases. These results were expected and are consistent with other graphite deposits.

 

Figure 10-8:    Mass Recovery into Size Fractions - AGC-09C and AGC-12A Samples

 

 

Source: AGP, 2015

 

 10-11 

 

 

Westwater Resources, Inc. | Coosa Graphite Project

S-K 1300 Report

December 11, 2023

SLR Project No.: 138.20527.00002

 

Figure 10-9:    Carbon Grades of Concentrate Size Fractions - AGC-09C and AGC-12A Samples

 

 

Source: AGP, 2015

 

10.4.4Cleaner Flotation Tests on Eight Trench Samples

 

Eight trench samples were subjected to batch cleaner tests using the same conditions to facilitate a direct comparison of the metallurgical response of the eight samples. A grind time for the flash tailings of three minutes, a pre-cleaner, and a polishing time of 15 minutes were chosen for these tests based on the experience from the previous tests conducted on Coosa samples.

 

The total carbon grade recovery curves for the eight tests are presented in Figure 10-10. The combined flash and rougher carbon recovery ranged between 87.8% for the TR-01A sample and 98.1% for the TR14D sample. The rougher P80 ranged between 195 microns for the TR05 sample and 313 microns for the TR03A sample and did not appear to have an immediate impact on the flash and rougher carbon recovery.

 

The pre-cleaner losses were much higher in all eight tests compared to previous cleaner tests and ranged between 5.8% for the TR14D sample and 15.2% for the TR08 sample. It was concluded that this was not a function of the samples, but rather the pre-cleaner flotation conditions. It is postulated that these elevated pre-cleaner tailings losses can be reduced substantially with higher reagent dosages and longer flotation times.

 

 10-12 

 

 

Westwater Resources, Inc. | Coosa Graphite Project

S-K 1300 Report

December 11, 2023

SLR Project No.: 138.20527.00002

 

Figure 10-10:    Total Carbon Grade versus Recovery Curves - Trench Samples

 

 

 

Source: AGP, 2015

 

The mass recoveries into the different size fractions in the final concentrates and the corresponding carbon grades are presented in Figure 10-11 and Figure 10-12. The flake size distribution varied noticeably for the eight samples. The mass recovery into the plus 80 mesh size fractions ranged between 9.2% for the TR08 sample and 33.9% for the TR19 sample.

 

With regard to concentrate grades, the TR03A sample produced the best results with a combined concentrate grade of 94.1% total carbon using the reconciled size fraction analysis results. The TR01, TR14D, and TR19 samples yielded the lowest combined concentrate grades between 83.2% and 86.8% total carbon in the size fraction analysis.

 

 10-13 

 

 

Westwater Resources, Inc. | Coosa Graphite Project

S-K 1300 Report

December 11, 2023

SLR Project No.: 138.20527.00002

 

Figure 10-11:    Mass Recovery into Size Fractions - Trench Samples

 

 

 

Source: AGP, 2015

 

 10-14 

 

 

Westwater Resources, Inc. | Coosa Graphite Project

S-K 1300 Report

December 11, 2023

SLR Project No.: 138.20527.00002

 

Figure 10-12:    Carbon Grades of Concentrate Size Fractions - Trench Samples

 

 

Source: AGP, 2015

 

10.52015 Metallurgical Test Work

 

A full flowsheet development program was initiated by AGC at SGS Lakefield in August 2015 and the program was completed within one month.

 

10.5.1Sample Preparation and Head Characterization

 

Six samples from the Coosa mineralization were shipped to SGS Lakefield in August 2015. The six samples were collected from three sections of the deposit named Coosa, Roscoe Ridge, and Holy Schist zones, two samples per section.

 

Each sample was stage crushed to -6 mesh and homogenized before subsamples were extracted for chemical analysis and a Master composite. The Master composite was generated by extracting 10 kg from each of the individual samples. The six samples and one composite were split into test charges for flotation testing.

 

A summary of chemical analysis results is presented in Table 10-6. The head grades ranged between 2.73% Cg in the Coosa Transition sample and 3.85% Cg in the Roscoe Ridge #2 sample. The concentration of sulfur was generally low at 0.04% or less except for the Coosa Transition sample at 1.46% S, which caused the elevated value in the Master composite.

 

 10-15 

 

 

Westwater Resources, Inc. | Coosa Graphite Project

S-K 1300 Report

December 11, 2023

SLR Project No.: 138.20527.00002

 

Table 10-6:    Carbon Speciation and Sulphur Analysis of Flowsheet Development Samples and Composite

 

Comp ID Assays, %
Ct Cg TOC CO3 S
Master Comp Aug 15 3.32 3.24 < 0.05 1.00 0.23
Roscoe Ridge #1 3.22 3.09 < 0.05 0.20 0.04
Roscoe Ridge #2 3.85 3.85 < 0.05 1.35 0.02
Coosa Oxide 3.27 3.12 < 0.05 1.05 0.01
Coosa Transition 2.81 2.73 < 0.05 2.65 1.46
Holy Schist #1 3.35 3.22 < 0.05 0.10 0.03
Holy Schist #2 3.32 3.27 < 0.05 0.30 0.02

 

10.5.2Rougher Flotation Testing

 

A total of three rougher kinetics tests were carried out to establish the grind size requirements to achieve a satisfactory graphite recovery. Each test consisted of a flash flotation stage treating the -6 mesh test charges followed by grinding of the flash flotation tailings and performing rougher flotation on the ground mill product. The grind times were varied between 1.5 minutes in test F1 and five minutes in test F3. The results of the three tests are summarized in Figure 10-13 , which shows the relationship between the total carbon recovery from the combined flash and rougher concentrates, and the particle size distribution of the rougher tailings. Test F1 with a rougher tailings P80 of 328 microns yielded a very high total carbon recovery of 99.1%, thus suggesting that a grind size of P80 = 325 microns should be targeted.

 

 10-16 

 

 

Westwater Resources, Inc. | Coosa Graphite Project

S-K 1300 Report

December 11, 2023

SLR Project No.: 138.20527.00002

 

Figure 10-13:    Total Carbon Recovery as a Function of Grind Size

 

 

Source: AGP, 2015

 

10.5.3Cleaner Flotation Testing

 

A total of ten open circuit cleaner tests were carried out on the Master composite to develop the full cleaning circuit flowsheet.

 

The first four cleaner tests evaluated the impact of primary polishing of the combined flash and rougher concentrate using ceramic media. Since some samples in the scoping level test programs produced a significant amount of entrained gangue minerals in the combined flash and rougher concentrate, a pre-cleaner flotation stage was incorporated prior to the polishing mill. The polishing times were varied between 10 minutes in test F5 and 28 minutes in test F7.

 

The total carbon recovery did not appear to be affected by the polishing times and ranged between 94.7% for a polishing time of 22 minutes and 95.9% for a polishing time of 28 minutes. Although test F4 with polishing time of 15 minutes yielded a recovery into the final concentrate of only 89.4%, the source of the elevated losses was the flash and rougher stage rather than the cleaning circuit. The graphitic carbon losses into the rougher tailings of this test were 7.1% compared to only 2.1% to 2.7% in the other three tests. The reason for the elevated carbon losses is not understood as the flash and rougher conditions were identical in all four tests.

 

 10-17 

 

 

Westwater Resources, Inc. | Coosa Graphite Project

S-K 1300 Report

December 11, 2023

SLR Project No.: 138.20527.00002

 

In order to evaluate the impact of the different polishing times on the cleaner performance, the 3rd cleaner concentrates of the four tests were subjected to a size fraction analysis. The mass recovery into the various size fractions and corresponding total carbon grades are depicted in Figure 10-14 and Figure 10-15, respectively. As expected, the flake size distribution gradually became finer as the polishing time was increased. The test with the shortest polishing time was a slight outlier with regard to mass recovery into the size fractions, but fell in line with regard to total carbon grades of the various size fractions.

 

The total carbon grades of the size fractions improved with longer polishing times. However, all size fractions, with the exception of the +48 mesh size fraction of the test using the longest polishing time of 28 minutes, failed to reach the minimum grade target of 95.0% total carbon. These results reveal the necessity of a secondary cleaning circuit to achieve acceptable concentrate grades. These secondary cleaning circuits are generally required for graphite ores with the exception of very few deposits. Since the impact of the polishing time on the flake size distribution was relatively small and the improvement of concentrate grades in the finer size fractions was pronounced, a decision was made to proceed with a primary polishing time of 30 minutes in the remaining cleaner tests.

 

Figure 10-14:    Mass Recovery into Size Fractions - Cleaner Tests F4 to F7

 

 

Source: AGP, 2015

 

 10-18 

 

 

Westwater Resources, Inc. | Coosa Graphite Project

S-K 1300 Report

December 11, 2023

SLR Project No.: 138.20527.00002

 

Figure 10-15:    Total Carbon Grades of Size Fractions - Cleaner Tests F4 to F7

 

 

Source: AGP, 2015

 

While the flake sizes larger than 100 mesh (150 microns) yielded grades of 92.6% total carbon in the test with the longest polishing time of 28 minutes, the finer size fractions fell significantly short of the minimum grade target of 95% total carbon. Hence, a decision was made to classify the intermediate concentrate at 100 mesh and process the screen oversize and undersize in separate cleaning circuits. This approach is commonly taken for graphite projects if liberation properties are a function of the flake size. The screen oversize was subjected to conventional polishing grinding with ceramic media, while the screen undersize was also treated with alternative grinding technologies with different liberation mechanisms.

 

Four batch cleaner flotation tests were conducted to evaluate the best configuration of the secondary cleaning circuit. In addition to the conventional polishing with ceramic media, the minus 100 mesh material was processed in a pebble mill with 6 mm steel media and an attrition scrubber with 2 mm ceramic media.

 

The two concentrates of each test were submitted for a size fraction analysis. The mass recovery into the various size fractions and corresponding total carbon grades are depicted in Figure 10-16 and Figure 10-17, respectively. The mass recovery into the plus 100 mesh size fractions only changed marginally as the polishing time was increased from 10 minutes in test F8 to 25 minutes in test F11. Since the differences in mass recovery into the four size fractions were small and did not reveal a trend, it is concluded that they are mainly test-to-test variances and that the polishing time did not have an impact on the mass recovery into the coarser size fractions. The average grade improvement as a result of the secondary cleaning circuit for the plus 100 mesh material was 1.5% from 93.9% total carbon to 95.4% total carbon.

 

 10-19 

 

 

Westwater Resources, Inc. | Coosa Graphite Project

S-K 1300 Report

December 11, 2023

SLR Project No.: 138.20527.00002

 

The concentrate grades of the plus 100 mesh size fractions trended to lower grades as the polishing time was increased. While this differs with expectations, it is postulated that some of the impurities that were initially liberated from the flakes were activated by graphite smearing during the longer polishing times. Hence, a short polishing grind of 10 minutes was established for the secondary cleaning circuit processing the plus 100 mesh intermediate concentrate.

 

With regard to the cleaning circuit for the minus 100 mesh product, only the test using the attrition scrubber achieved the minimum acceptable concentrate grade. In this test, the minus 100 mesh product was upgraded by 10.5% from 86.2% Ct to 96.7% Ct. The other three tests employing ceramic media in a polishing mill and steel media in a pin mill produced concentrate grades ranging between 92.5% and 93.4% total carbon. Despite the significantly higher concentrate grade obtained in the test with the attrition scrubber, the flake size distribution was the coarsest for this test with a P80 of the combined minus 100 mesh concentrate of 109 microns compared to 103 to 105 microns for the other three tests. Although differences in size distribution were relatively small, they are evidenced in Figure 10-17. Consequently, the attrition scrubber was chosen as the grinding technology for the secondary cleaning circuit.

 

Figure 10-16:    Mass Recovery into Size Fractions - Cleaner Tests F8 to F11

 

 

Source: AGP, 2015

 

 10-20 

 

 

Westwater Resources, Inc. | Coosa Graphite Project

S-K 1300 Report

December 11, 2023

SLR Project No.: 138.20527.00002

 

Figure 10-17:    Total Carbon Grades of Size Fractions - Cleaner Tests F8 to F11

 

 

Source: AGP, 2015

 

The last two cleaner tests employed the optimized conditions based on the results of the cleaner tests F4 to F11. The difference between the two tests was the elimination of the pre- cleaner in test F12 and the inclusion in test F12A. The average combined flash and rougher concentrate grade of the two tests was 26.3% Ct at 12.2% mass recovery. The pre-cleaner stage in test F12A increased the intermediate concentrate grade to 39.9% Ct and reduced the mass recovery to 7.8%. The carbon losses to the pre-cleaner tailings were 0.7% (0.6% to 1.0% in all eight batch cleaner tests with pre-cleaner stage) and these losses typically occur as very small graphite particles locked with gangue minerals. A visual inspection of the pre-cleaner tails did not identify any liberated and larger graphite flakes.

 

The combined concentrate grade using the average values between direct and reconstituted grades using the size fraction analysis results yielded 97.3% total carbon in both tests. Test F12 without the pre-cleaner stage produced a slightly higher carbon recovery of 94.2% compared to 91.9% in the test with pre-cleaning. However, the majority of these higher losses were linked to the minus 100 mesh cleaning circuit rather than the pre-cleaning stage, which only contributed with 0.7% to the increased losses.

 

Based on these results, a decision was made to include the pre-cleaner flotation stage in the proposed flowsheet as earlier scoping level tests included samples displaying a gangue entrainment problem that could be mitigated with the incorporation of a pre-cleaner flotation stage. While gangue entrainment was not identified as a major concern for the flowsheet development composite, including the pre-cleaner stage provides a more robust flowsheet. Further, the mass recovery into the primary polishing mill was reduced significantly by 37%, thus resulting in capital and operating cost savings.

 

 10-21 

 

 

Westwater Resources, Inc. | Coosa Graphite Project

S-K 1300 Report

December 11, 2023

SLR Project No.: 138.20527.00002

 

10.6Proposed Flowsheet

 

The flowsheet development program culminated in the flowsheet that is depicted in Figure 10-18.

 

Figure 10-18:    Proposed Coosa Deposit Flowsheet with Pre-cleaning

 

 

Source: AGP, 2015

 

 10-22 

 

 

Westwater Resources, Inc. | Coosa Graphite Project

S-K 1300 Report

December 11, 2023

SLR Project No.: 138.20527.00002

 

10.7Performance and Recovery Estimates

 

10.7.1Flotation

 

The proposed flowsheet for the processing plant consists of a conventional two stage milling circuit at P80 of 1,000 microns in the flash flotation stage and 325 microns in the graphite rougher circuit. It is projected that Coosa mineralization will produce a flotation concentrate grading 95% Ct at 92% recovery. This projection is based primarily on the test results of the August 2015 flowsheet development program as previous programs were preliminary in nature.

 

The average grade of the last six cleaner tests in the August 2015 program was 96.0% Ct with an open circuit carbon recovery of 93.3%. However, given the fact that these results were obtained using a master composite consisting of a limited number of small samples from different areas within the Coosa deposit, Westwater has elected to use more conservative projections for the IA. Further, locked cycle tests were not completed to simulate the closed circuit performance.

 

The projected flake size distribution is shown in Figure 10-19 and is based on the average values of the last batch cleaner tests of the flowsheet development program using the optimized flotation conditions.

 

Figure 10-19:    Projected Flake Size Distribution

 

 

Source: AGP, 2015

 

 10-23 

 

 

 

Westwater Resources, Inc. | Coosa Graphite Project

S-K 1300 Report 

December 11, 2023

SLR Project No.: 138.20527.00002

 

10.8Qualified Person’s Opinion

 

It is the QP’s opinion that the metallurgical testing performed in support of this Initial Assessment of the Coosa Graphite Project is sufficient to provide preliminary design criteria for this level of study. More detailed sampling and metallurgical studies will be undertaken during subsequent stages of Project development.

 

 10-24 

 

 

Westwater Resources, Inc. | Coosa Graphite Project

S-K 1300 Report 

December 11, 2023

SLR Project No.: 138.20527.00002

 

11.0Mineral Resource Estimates

 

11.1Summary

 

Mineral Resources have been classified in accordance with the definitions for Mineral Resources in S-K 1300. Mineral Resources estimated by SLR used all drill results available as of March 17, 2022. Graphitic carbon (Cg) material is present in two types of schist of an uncertain age ranging from Precambrian to Paleozoic, a quartz-graphite schist that generally has grades greater than 1% Cg and a quartz-biotite-graphite-schist that has grades generally less than 1% Cg and are often associated with disseminated pyrrhotite and minor pyrite along with the green vanadium-bearing muscovite and roscoelite mineralization.

 

The Mineral Resource estimate was completed using a conventional block modeling approach. The general workflow performed by SLR included the construction of a geological or stratigraphic model representing the Higgins Ferry Group Graphitic Schist sequence in Seequent’s Leapfrog Geo (Leapfrog Geo) from mapping, drill hole logging, and sampling data, which was used to define discrete domains and surfaces representing the upper contact of each unit. The geologic model was then used to constrain resource estimation. The resource estimate used regularized block models, the inverse distance squared (ID2) methodology, and length-weighted, 10 ft, uncapped composites to estimate the Cg and V in a three-search pass approach, using hard boundaries between subunits, ellipsoidal search ranges, and search ellipse orientation informed by geology. Average density values were assigned by lithological unit.

 

Estimates were validated using standard industry techniques including statistical comparisons with composite samples and parallel nearest neighbor (NN) estimates, swath plots, and visual reviews in cross-section and plan. A visual review comparing blocks to drill holes was completed after the block modeling work was performed to ensure general lithologic and analytical conformance and was peer reviewed prior to finalization.

 

Table 11-1 summarizes Cg Mineral Resources at a 1.98% Cg cut-off grade envisaging an open pit mining scenario. At the effective date of November 30, 2022, Indicated Mineral Resources total 26.0 Mst at an average grade of 2.89% Cg for a total of 754,000 st Cg. Inferred Mineral Resources total 97.0 Mst at an average grade of 3.08% Cg for a total of 3.0 Mst Cg. There has been no additional drilling since November 30, 2022 and the Mineral Resource estimate remains current.

 

Table 11-1: Summary of Carbon Graphite Mineral Resources – Effective November 30, 2022

 

Classification Tonnage
(Mst)
Grade Cg
(%)
Contained Cg
(Mlb)
Contained Cg
(000 st)
Recovery
(%)
Indicated 26 2.89 1,509 754 87.4
Inferred 97 3.08 5,996 2,998 87.4

 

Notes:

 

1.The S-K 1300 definitions were followed for Mineral Resources.
   
2.Mineral Resources are constrained within a Whittle pit shell using a cut-off grade of 1.98% Cg.
   
3.Mineral Resources are estimated using a long-term graphite price of US$1,100/st.
   
4.Bulk density ranges from 1.68 t/m3 to 3.03 t/m3 (0.05 st/ft3 to 0.09 st/ft3).
   
5.Mining dilution equals 5.0%.

 

 11-1 

 

 

Westwater Resources, Inc. | Coosa Graphite Project

S-K 1300 Report 

December 11, 2023

SLR Project No.: 138.20527.00002

 

6.Mineral Resources that are not Mineral Reserves do not have demonstrated economic viability.
   
7.Numbers may not add due to rounding.
   
8.Mineral Resources are 100% attributable to Westwater.

 

To ensure that all Mineral Resource statements satisfy the “reasonable prospects for economic extraction” (RPEE) requirement, factors significant to technical feasibility and potential economic viability were considered. Mineral Resources were defined and constrained within an open pit shell that was prepared by SLR and based on a US$1,100/st graphite value.

 

The SLR QP is of the opinion that with consideration of the recommendations summarized in Sections 1 and 23 of this TRS, any issues relating to all relevant technical and economic factors likely to influence the prospect of economic extraction can be resolved with further work. There are no other known legal, social, or other factors that would affect the development of the Mineral Resources.

 

While the estimate of Mineral Resources is based on the QP's judgment that there are reasonable prospects for eventual economic extraction, no assurance can be given that Mineral Resources will eventually convert to Mineral Reserves.

 

11.2Resource Database

 

Westwater maintains a property wide drill hole database in a series of MS Excel spreadsheets. The Coosa resource database, dated March 17, 2022, includes drill hole collar locations (including dip and azimuth), assay, alteration, geochemical, and lithology data from 236 drill holes totaling 45,715 ft (13,934 m) of drilling completed from 2012 through spring of 2022. The database contains information from diamond drilling (DD), sonic drilling, and trenches. Of the 236 drill holes completed, 205 drill holes totaling 39,434 ft (12,019 m) were used in the resource estimation. The remaining 31 holes totaling 6,281 ft (1,914 m) are exploration holes drilled in the HS-North area (13) or are isolated single holes (18) outside the Coosa block model boundaries and were excluded from the resource estimation. A summary of the drill hole database used for resource estimation is provided in Table 11-2.

 

Table 11-2: Resource Drill Hole Database

 

Attribute Number of Records Total Length (ft)
DD 181 33,117
Sonic 24 1,303
Trench 31 11,295
Survey 722  
Lithology 7,136  
Geotechnical 3,683  
Density 396  
Assay Cg 8,772  
Assay V 1,070  

 

Geological logs for holes and trenches were used to aid interpretation of mineralized domains. The drill hole database includes both vertical and inclined holes ranging from 45o to 70° to the southeast, approximately perpendicular to the general mineralization and lithological trends.

 

 11-2 

 

 

Westwater Resources, Inc. | Coosa Graphite Project

S-K 1300 Report 

December 11, 2023

SLR Project No.: 138.20527.00002

 

Drilling holes completed by AGC generally were downhole surveyed with a single shot Reflex EZ Shot tool. Angled fence holes were surveyed at a midway depth of 250 ft (76.2 m) and again at the end of the hole (approximately 500 ft/152.4 m) while the vertical grid holes were only surveyed at the end. Westwater did not conduct any downhole surveys due to the shallow depth of drilling (generally less than 100 ft (30.5 m)). The SLR QP considers that the drill hole paths have been defined with sufficient accuracy for Mineral Resource estimation.

 

11.3Geological Interpretation

 

SLR geologists constructed geologic models for the Project in Leapfrog Geo software using topographic surfaces and drill hole lithology logs and cross sections supplied by Westwater. The four main mineralized geologic units modelled include QGS, INT, QMBGS, and QBGS. The SLR QP reviewed the sectional interpretations in section and on plan and is of the opinion that the cross sections reasonably honor the lithologic data.

 

In addition, the SLR QP also constructed geological models for the oxidized, transitional, and reduced (unweathered) zones. The geologic and weathering models at Coosa Graphite are illustrated in Figure 11-1 and Figure 11-2. Westwater geologists completed 23 cross sections on generally 200 ft (61 m) spacing oriented northwest-southeast across the Property. A relogging of previous drill core along with newly acquired core resulted in the identification of 20 thrust fault planes controlling lithologic boundaries. The relogging also updated the identification of amphibolite and pegmatite material showing interbedded lower grade mineralization within the QGS. The cross sections were digitized into Leapfrog Geo to aid in the resource estimation.

 

 11-3 

 

  

Westwater Resources, Inc. | Coosa Graphite Project

S-K 1300 Report 

December 11, 2023

SLR Project No.: 138.20527.00002

 

Figure 11-1: Plan View of Coosa Geologic Model

 

 

 11-4 

 

 

Westwater Resources, Inc. | Coosa Graphite Project

S-K 1300 Report 

December 11, 2023

SLR Project No.: 138.20527.00002

 

Figure 11-2: Plan View of Coosa Weathering Model

 

 

 11-5 

 

 

Westwater Resources, Inc. | Coosa Graphite Project

S-K 1300 Report 

December 11, 2023

SLR Project No.: 138.20527.00002

 

11.4Statistical Analysis

  

The geologic model was used to code the drill hole database and to identify samples within the mineralized zones. These samples were extracted from the database on a group-by-group basis, subjected to statistical analyses for their respective domains, and then analyzed by means of histograms and probability plots. A total of 9,198 graphitic carbon and 1,594 vanadium samples were contained within the mineralized wireframes. Statistics are summarized in Table 11-3 and the graphite grade histogram is illustrated in Figure 11-3.

 

Table 11-3: Descriptive Statistics of Resource Assay Grades and Lengths

 

Variable Lithology Count Length
(ft)
Mean
(%)
Min
(%)
Max
(%)
SD
(%)
CV Variance
Graphitic Carbon
(Cg)
AMPHIBOLITE 7 261 0.423 0.210 1.220 0.248 0.586 0.061
  QAL 104 601 1.558 0.000 5.490 1.228 0.788 1.509
  INT 1,022 4,867 1.926 0.000 6.120 1.053 0.547 1.109
  QGS 4,702 22,726 2.576 0.000 9.450 1.166 0.453 1.359
  QMBGS 1,556 7,407 1.045 0.000 5.140 0.678 0.649 0.460
  QBGS 198 958 0.308 0.001 2.000 0.429 1.393 0.184
Total Cg   9,198 44,657 2.111 0.000 9.450 1.237 0.586 1.531
Vanadium (V) AMPHIBOLITE 1 5 0.1 0.078 0.078      
  QAL 74 370 0.082 0.012 0.234 0.056 0.682 0.003
  INT 38 176 0.069 0.016 0.211 0.051 0.741 0.003
  QGS 1,409 6,870 0.093 0.000 0.425 0.072 0.766 0.005
  QMBGS 65 310 0.037 0.006 0.134 0.024 0.648 0.001
  QBGS 4 17 0.063 0.031 0.083 0.028 0.444 0.001
Total V   1,594 7,753 0.090 0.000 0.425 0.070 0.778 0.005

 

 11-6 

 

 

Westwater Resources, Inc. | Coosa Graphite Project

S-K 1300 Report 

December 11, 2023

SLR Project No.: 138.20527.00002

 

Figure 11-3: Grade % Cg Histogram by Lithology

 

 

 

11.4.1Capping Levels

 

Where the assay distribution is skewed positively or approaches log-normal, erratic high grade assay values can have a disproportionate effect on the average grade of a deposit. One method of treating these outliers to reduce their influence on the average grade is to cut or cap them at a specific grade level.

 

The SLR QP employed a number of statistical analytical methods to determine an appropriate capping value, including preparation of frequency histograms, probability plots, decile analyses, and capping curves. Using these methodologies, SLR examined selected capping values for the mineralized zones for the Project and found that the assay grade distributions are reasonably uniform throughout the deposit. As a result, no capping was required for estimating a Mineral Resource.

 

 11-7 

 

 

Westwater Resources, Inc. | Coosa Graphite Project

S-K 1300 Report 

December 11, 2023

SLR Project No.: 138.20527.00002

 

11.5Compositing

 

Composites were created from the uncapped, raw assay values using the downhole compositing function in the Leapfrog Geo modelling software package. The composite lengths used during interpolation were chosen considering the predominant sampling length, the minimum mining width, style of mineralization, and continuity of grade. Sample lengths ranged from 1.0 ft to 70.0 ft (0.31 m to 21.4 m) within the wireframe models, with 97% of the samples taken at 5.0 ft (1.52 m) intervals (Figure 11-4). Given this distribution, and considering the width of the mineralization, SLR chose to composite to 10.0 ft (3.1 m) lengths.

 

 11-8 

 

 

Westwater Resources, Inc. | Coosa Graphite Project

S-K 1300 Report 

December 11, 2023

SLR Project No.: 138.20527.00002

 

Figure 11-4: Assay Length Histogram

 

 

Assays within the lithology domains were composited starting at the first lithology boundary from the collar and resetting at each new lithology boundary. Residual composites were maintained in the dataset. The composite statistics by lithology are summarized in Table 11-4.

 

 11-9 

 

 

Westwater Resources, Inc. | Coosa Graphite Project

S-K 1300 Report 

December 11, 2023

SLR Project No.: 138.20527.00002

 

Table 11-4: Descriptive Statistics of Composite Assay Grades and Lengths

 

Variable Lithology Count Length
(ft)
Mean
(%)
Min
(%)
Max
(%)
SD
(%)
CV Variance
Graphitic Carbon
(Cg)
AMPHIBOLITE 31 261 0.423 0.210 1.220 0.222 0.526 0.049
  QAL 113 601 1.558 0.000 5.490 1.188 0.762 1.412
  QGS 5,005 22,740 2.576 0.000 7.180 1.069 0.415 1.142
  INT 1,066 4,867 1.926 0.000 4.808 0.955 0.496 0.912
  QMBGS 1,639 7,410 1.045 0.000 3.790 0.618 0.591 0.382
  QBGS 238 958 0.308 0.001 1.800 0.391 1.269 0.153
Total Cg   8,092 36,836 2.091 0.000 7.180 1.185 0.567 1.405
Vanadium (V) AMPHIBOLITE 1 5 0.078 0.078 0.078      
  QAL 74 370 0.082 0.012 0.218 0.055 0.669 0.003
  QGS 1,501 7,182 0.094 0.002 0.335 0.069 0.735 0.005
  INT 38 176 0.069 0.024 0.178 0.048 0.694 0.002
  QMBGS 69 325 0.037 0.010 0.134 0.021 0.567 0.000
  QBGS 5 17 0.063 0.057 0.073 0.009 0.136 0.000
Total V   1,688 8,075 0.090 0.002 0.335 0.067 0.748 0.005

 

11.6Variography

 

SLR generated downhole and directional variograms using the Cg composite values located within the QGS mineralized domain within the Main Grid area. The variograms were used to support search ellipsoid anisotropy, linear trends observed in the data, and Mineral Resource classification decisions. The downhole variograms suggest a relative low nugget effect of approximately 0.13%. Long range directional variograms were focused in the primary plane of mineralization, which generally strikes N30oE and is dipping 25o to the southeast.

 

Most of the variance occurs within the first 200 ft (61 m) and is not represented by many sample pairs with the current drill hole spacing.

 

 11-10 

 

 

Westwater Resources, Inc. | Coosa Graphite Project

S-K 1300 Report 

December 11, 2023

SLR Project No.: 138.20527.00002

 

Figure 11-5: Variograms for QGS Main Grid

 

 

11.7Bulk Density

 

A total of 396 bulk density measurements were available within the resource density sample database. Density reported as a tonnage factor, ft3/st, were not modified by capping. Block density values were assigned based on rock type and redox boundary categories (Table 8-1).

 

 11-11 

 

 

Westwater Resources, Inc. | Coosa Graphite Project

S-K 1300 Report 

December 11, 2023

SLR Project No.: 138.20527.00002

 

11.8Block Models

 

A regularized whole block approach was used whereby the block was assigned to the domain where its centroid was located. The block model was constructed using Leapfrog Edge version 2022.1 software oriented with an azimuth of 30o, dip of 0.0°, and a plunge of 0.0° to align with the overall strike of the mineralization with a parent cell size of 40 ft by 40 ft (12.2 m by 12.2 m) in the X (along strike) and Y (across strike) directions and 20 ft (6.1 m) in the Z (vertical or bench height) direction, honoring modeled geological surfaces.

 

The model fully enclosed the modeled lithologic wireframes, with the model origin (lower-left corner at lowest elevation) at State Plane 1927 - Alabama East FIPS 0101 (US feet) coordinates 321,000 E, 876,000 N, and 200 fasl (61 masl). A summary of the block model extents is provided in Table 11-5.

 

Table 11-5: Block Model Definition

 

  X Y Z
Base Point 321,000 876,000 800
Block Size (m) 40 40 20
Number of Blocks 205 193 30
Boundary Size (m) 8,200 7,720 600
Rotation (°) 30    

 

11.9Search Strategy and Grade Interpolation Parameters

 

The key element variables, C_graph and V_final, were interpolated using the ID2 methodology. Estimation of grades was controlled by mineralized geologic zones and target area boundaries. Hard boundaries were used to limit the use of composites between different mineralization domains for both graphite and vanadium interpolation.

 

The interpolation strategy involved setting up search parameters in three nested estimation runs. Most search ellipse dimensions were 100 ft x 100 ft x 25 ft (30.5 x 30.5 m x 7.6 m) for a 4:4:1 anisotropic ratio in the first pass, 250 ft x 250 ft x 25 ft (76.2 m x 76.2 m x 7.6 m) for a 10:10:1 anisotropic ratio in the second, and 500 ft x 500 ft x 25 ft (152.4 m x 152.4 m x 7.6 m) for a 20:20:1 anisotropic ratio for the third pass. Interpolation parameters for the Project Mineral Resource domains are listed in Table 11-6.

 

Table 11-6: Interpolation Parameters

 

Parameter Pass 1 Pass 2 Pass 3
Search Ranges: X, Y, Z (ft) 100, 100,25 250, 250, 25 500, 500, 25
Min number composites 2 4 8
Max number composites 6 10 12
Max composites per hole 2 2 2
Orientation of the search Variable Variable Variable

 

 11-12 

 

 

Westwater Resources, Inc. | Coosa Graphite Project

S-K 1300 Report 

December 11, 2023

SLR Project No.: 138.20527.00002

 

11.10Cut-off Grade and Whittle Parameters

 

Metal prices used for reserves are based on consensus, long term forecasts from banks, financial institutions, and other sources. For resources, metal prices used are slightly higher than those for reserves.

 

The Coosa Mineral Resource was constrained to a Whittle optimized pit shell to demonstrate RPEE. The block model was exported from Leapfrog Edge into Vulcan by SLR engineers and then imported into Whittle. Input parameters for the Whittle pit optimization are provided in Table 11-7 and were based on available graphite project costs ($1,190/t at +80 mesh, 94% to 95% C) provided by Westwater based on the August 2022 Benchmark Mineral Intelligence Graphite Price Assessment. Applying these factors resulted in a COG of 1.98% Cg.

 

Table 11-7: Resource Pit Parameters

 

Parameter Unit Value
Graphite Price $/st 1,100
Graphite Sales, Insurance, Legal and Social   0.00
Royalties   0.00
Total Selling Cost   0.00
     
Processing Graphite Recovery % 87.4%
Payable Graphite % 100%
     
Mining Dilution % 1.05
Mining Cost $/st 7.00
Processing Cost $/st 8.9
Rehandling Cost $/st 0.00
Operational Support (G&A) $/st 2.26
Total $/st 18.60
Graphite Cut-off Grade % 1.98%

 

11.11Classification

 

Definitions for resource categories used in this TRS are those defined by SEC in S-K 1300. Mineral Resources are classified into Measured, Indicated, and Inferred categories.

 

A Mineral Resource is defined as a concentration or occurrence of material of economic interest in or on the Earth’s crust in such form, grade or quality, and quantity that there are reasonable prospects for economic extraction. A mineral resource is a reasonable estimate of mineralization, considering relevant factors such as cut-off grade, likely mining dimensions, location, or continuity, that with the assumed and justifiable technical and economic conditions, is likely to, in whole or in part, become economically extractable. It is not merely an inventory of all mineralization drilled or sampled.

 

Based on this definition of Mineral Resources, the Mineral Resources estimated in this TRS have been classified according to the definitions below based on geology, grade continuity, and drill hole spacing.

 

 11-13 

 

 

Westwater Resources, Inc. | Coosa Graphite Project

S-K 1300 Report 

December 11, 2023

SLR Project No.: 138.20527.00002

 

Measured Mineral Resource is that part of a mineral resource for which quantity and grade or quality are estimated on the basis of conclusive geological evidence and sampling. The level of geological certainty associated with a measured mineral resource is sufficient to allow a qualified person to apply modifying factors, as defined in this section, in sufficient detail to support detailed mine planning and final evaluation of the economic viability of the deposit. Because a measured mineral resource has a higher level of confidence than the level of confidence of either an indicated mineral resource or an inferred mineral resource, a measured mineral resource may be converted to a proven mineral reserve or to a probable mineral reserve.

 

Indicated Mineral Resource is that part of a mineral resource for which quantity and grade or quality are estimated on the basis of adequate geological evidence and sampling. The level of geological certainty associated with an indicated mineral resource is sufficient to allow a qualified person to apply modifying factors in sufficient detail to support mine planning and evaluation of the economic viability of the deposit. Because an indicated mineral resource has a lower level of confidence than the level of confidence of a measured mineral resource, an indicated mineral resource may only be converted to a probable mineral reserve.

 

Inferred Mineral Resource is that part of a mineral resource for which quantity and grade or quality are estimated on the basis of limited geological evidence and sampling. The level of geological uncertainty associated with an inferred mineral resource is too high to apply relevant technical and economic factors likely to influence the prospects of economic extraction in a manner useful for evaluation of economic viability. Because an inferred mineral resource has the lowest level of geological confidence of all mineral resources, which prevents the application of the modifying factors in a manner useful for evaluation of economic viability, an inferred mineral resource may not be considered when assessing the economic viability of a mining project and may not be converted to a mineral reserve.

 

The SLR QP has considered the following factors that can affect the uncertainty associated with each classification of Mineral Resources: reliability of sampling data, confidence in interpretation and modelling of geological and estimation domains, and confidence in block grade estimates. The SLR QP offers the following conclusions related to each of these factors:

 

·Reliability of sampling data:

 

oDrilling, sampling, sample preparation, and assay procedures follow industry standards.

 

oData verification and validation work confirm drill hole sample databases are reliable.

 

oNo significant biases were observed in the QA/QC analysis results.

 

·Confidence in interpretation and modeling of geological and estimation domains:

 

oMineralization domains are interpreted manually in cross-sections and refined in longitudinal sections by an experienced resource geologist.

 

oThere is good agreement between the drill holes and mineralization wireframe shapes.

 

oThe mineralization wireframe shapes are well defined by sample data in areas classified as Indicated.

 

·Confidence in block grade estimates:

 

 11-14 

 

 

Westwater Resources, Inc. | Coosa Graphite Project

S-K 1300 Report 

December 11, 2023

SLR Project No.: 138.20527.00002

 

oIndicated block grades correlate well, spatially and statistically, with composite data, both locally and globally.

 

Blocks were classified as Indicated or Inferred based on drill hole spacing, confidence in the geological interpretation, and apparent continuity of mineralization. All blocks supported by drill hole spacings up to 200 ft were classified as Indicated. All remaining blocks were assigned an Inferred category. SLR recommends drilling additional holes down dip and reviewing the classification criteria as more data become available.

 

11.12Block Model Validation

 

Blocks were validated using industry standard techniques including:

 

·Swath plots (Figure 11-6 to Figure 11-8).

 

·Visual inspection of assays and composites versus block grades (Figure 11-9).

 

·Statistical comparison (Table 11-8).

 

SLR found grade continuity to be reasonable and confirmed that the block grades were reasonably consistent with local drill hole composite grades.

 

11.12.1Swath Plots

 

The block model grades and nearest neighbor (NN) grades were compared by swath plots, examples of which are shown in Figure 11-6 to Figure 11-8. The swath plots show that there is good spatial correlation between the NN grades and block model grades, with both being slightly lower than the composite grade, indicating the block model results may be slightly conservative and underestimating the resource. SLR is of the opinion that this correlation could improve with additional deeper drilling across the property.

 

 11-15 

 

 

Westwater Resources, Inc. | Coosa Graphite Project

S-K 1300 Report 

December 11, 2023

SLR Project No.: 138.20527.00002

 

Figure 11-6: QGS Swath Plot in X Direction

 

 

 11-16 

 

 

Westwater Resources, Inc. | Coosa Graphite Project

S-K 1300 Report 

December 11, 2023

SLR Project No.: 138.20527.00002

 

Figure 11-7: QGS Swath Plot in Y Direction

 

 

 11-17 

 

 

Westwater Resources, Inc. | Coosa Graphite Project

S-K 1300 Report 

December 11, 2023

SLR Project No.: 138.20527.00002

 

Figure 11-8: QGS Swath Plot in Z Direction

 

 

 

11.12.2Visual Comparison

 

Block grades were visually compared with drill hole composites on cross-sections, longitudinal sections, and plan views. The block grades and composite grades correlate very well visually, as presented in Figure 11-9.

 

 11-18 

 

 

 

Westwater Resources, Inc. | Coosa Graphite Project

S-K 1300 Report 

December 11, 2023

SLR Project No.: 138.20527.00002

 

Figure 11-9: Cross Section Showing Block Grades and Composite Grades

 

 

 11-19 

 

 

Westwater Resources, Inc. | Coosa Graphite Project

S-K 1300 Report 

December 11, 2023

SLR Project No.: 138.20527.00002

 

11.12.3Statistical Comparison

 

Statistics of the block grades are compared with statistics of composite grades in Table 11-8 for all blocks and composites within the Coosa Project.

 

Table 11-8: Comparison of Block and Composite Graphite and Vanadium Grades

 

Graphitic Carbon (Cg)   Vanadium (V)
Lithology QAL QGS INT QMBGS QBGS   Lithology QAL QGS INT QMBGS QBGS
Composites   Composites
Count 113 4,897 1,066 1,639 238   Count 74 1,498 38 69 5
Mean (%) 1.558 2.578 1.926 1.045 0.308   Mean (%) 0.082 0.094 0.069 0.037 0.063
Min (%) 0.000 0.000 0.000 0.000 0.001   Min (%) 0.012 0.002 0.024 0.010 0.057
Max (%) 5.490 7.180 4.808 3.790 1.800   Max (%) 0.218 0.335 0.178 0.134 0.073
SD (%) 1.188 1.074 0.955 0.618 0.391   SD (%) 0.055 0.069 0.048 0.021 0.009
CV 0.762 0.416 0.496 0.591 1.269   CV 0.669 0.734 0.694 0.567 0.136
Block Model   Block Model
Block Count 1,145 82,782 12,484 32,231 2,745   Block Count 1,980 119,522 18,929 60,074 32,157
Mean (%) 1.897 2.536 1.701 1.009 0.618   Mean (%) 0.046 0.040 0.003 0.002 0.000
Min (%) 0.000 0.000 0.000 0.000 0.013   Min (%) 0.000 0.000 0.000 0.000 0.000
Max (%) 7.057 7.057 4.704 6.419 3.533   Max (%) 0.330 0.335 0.221 0.276 0.112
SD 1.149 0.870 0.694 0.489 0.527   SD 0.066 0.058 0.013 0.012 0.003
CV 0.606 0.343 0.408 0.485 0.853   CV 1.429 1.461 4.317 5.243 20.872

 

11.13Grade-Tonnage Sensitivity

 

Table 11-9 shows the block model sensitivity to cut-off grade. Figure 11-10 shows the grade-tonnage curve.

 

Table 11-9: Carbon Graphite Block Model Sensitivity to Cut-Off Grade (% Cg)

 

Cut-Off Grade
(% Cg)
Tonnage
(st)
Grade Cg
(%)
Contained Cg
(lb)
Contained Cg
(st)
1.00 181,040,740 2.73 9,887,228,559 4,943,614
1.10 179,011,390 2.75 9,844,661,240 4,922,331
1.20 177,184,923 2.77 9,802,686,996 4,901,343
1.30 174,766,080 2.79 9,742,289,491 4,871,145
1.40 172,658,435 2.80 9,685,384,716 4,842,692
1.50 169,888,299 2.83 9,604,968,559 4,802,484
1.60 167,098,614 2.85 9,518,454,093 4,759,227

 

 11-20 

 

 

Westwater Resources, Inc. | Coosa Graphite Project

S-K 1300 Report 

December 11, 2023

SLR Project No.: 138.20527.00002

 

Cut-Off Grade
(% Cg)
Tonnage
(st)
Grade Cg
(%)
Contained Cg
(lb)
Contained Cg
(st)
1.70 164,023,176 2.87 9,416,836,127 4,708,418
1.80 159,608,731 2.90 9,262,205,074 4,631,103
1.90 154,596,672 2.94 9,076,474,380 4,538,237
2.00 149,883,668 2.97 8,892,469,383 4,446,235
2.10 144,491,158 3.00 8,671,330,679 4,335,665
2.20 137,809,309 3.04 8,383,956,244 4,191,978

 

Figure 11-10: Grade Tonnage Curve for Coosa Graphite

 

 

 

 11-21 

 

 

Westwater Resources, Inc. | Coosa Graphite Project

S-K 1300 Report 

December 11, 2023

SLR Project No.: 138.20527.00002

 

11.14Mineral Resource Reporting

 

A summary of the Coosa Graphite Carbon Graphite Mineral Resources is presented in Table 11-10.

 

The SLR QP is of the opinion that, with consideration of the recommendations summarized in Section 1 and Section 23, any issues relating to all relevant technical and economic factors likely to influence the prospect of economic extraction can be resolved with further work.

 

The SLR QP is not aware of any environmental, permitting, legal, title, taxation, socio-economic, marketing, political, or other relevant factors that could materially affect the Mineral Resource estimate.

 

Table 11-10: Summary of Carbon Graphite Mineral Resources – Effective November 30, 2022

 

Classification Redox Boundary Tonnage
(Mst)
Grade Cg
(%)
Contained Cg
(Mlb)
Contained Cg
(000 st)
Recovery
(%)
Indicated Oxide 9 2.96 555 278  
Transition 2 2.81 88 44  
Reduced 15 2.85 866 433  
Total Indicated   26 2.89 1,509 754 87.4
Inferred Oxide 15 3.07 951 475  
Transition 4 3.13 254 127  
Reduced 78 3.08 4,792 2,396  
Total Inferred   97 3.08 5,996 2,998 87.4

 

Notes:

 

1.The S-K 1300 definitions were followed for Mineral Resources.

 

2.Mineral Resources are constrained within a Whittle pit shell using a cut-off grade of 1.98% Cg.

 

3.Mineral Resources are estimated using a long-term graphite price of US$1,100/st.

 

4.Bulk density ranges from 1.68 t/m3 to 3.03 t/m3 (0.05 st/ft3 to 0.09 st/ft3).

 

5.Mining dilution equals 5.0%.

 

6.Mineral Resources that are not Mineral Reserves do not have demonstrated economic viability.

 

7.Numbers may not add due to rounding.

 

8.Mineral Resources are 100% attributable to Westwater.

 

 11-22 

 

 

Westwater Resources, Inc. | Coosa Graphite Project

S-K 1300 Report 

December 11, 2023

SLR Project No.: 138.20527.00002

 

12.0Mineral Reserve Estimates

 

There are no current Mineral Reserves at the Project.

 

 12-1 

 

 

Westwater Resources, Inc. | Coosa Graphite Project

S-K 1300 Report 

December 11, 2023

SLR Project No.: 138.20527.00002

 

13.0Mining Methods

 

The Coosa Project is proposed to be operated as a conventional open pit mine with 20 ft bench heights, using drilling and blasting for rock breakage, and excavator and trucks for material handling.

 

Production from the mines is planned to be fed to the nearby processing plant with a nominal capacity of 3.33 Mstpa (approximately 3.0 Mtpa).

 

13.1Mine Design, Mining Method

 

The Coosa Project is divided into five phases. The mineralized material inventory of the Coosa deposit is derived from both Indicated and Inferred Mineral Resources, above a cut-off grade of 2.1365% Cg, contained between the current surveyed topographic surface and the generated Pit Shells.

 

A high-level production schedule was developed by SLR for the Coosa deposit based on an open pit mining method. Mining is planned to be undertaken using conventional truck and loader equipment.

 

The mine plan for the open pit project has been developed with a potential maximum production of approximately 3.3 Mstpa of potential mill feed. Project production will range between 3.1 Mstpa and 4.9 Mstpa (ore+waste) over a 22 year mine life.

 

13.2Geomechanics, Ground Support

 

No detailed hydrogeological or geotechnical studies have been conducted to date. For open pit optimization purposes, an overall slope angle (OSA) of 45º has been used.

 

13.3Dilution and Extraction

 

The Coosa Project block model used is a regularized block model of 40 ft * 40 ft * 20 ft constructed using Leapfrog Edge and imported into Vulcan version 2022.2 software oriented with a bearing of 120o, dip of 0.0°, and a plunge of 0.0°. An additional 5% dilution was added during the optimization process and a 100% mining recovery was applied.

 

13.4Cut-off Grade

 

A marginal cut-off grade of 2.1365% Cg was calculated based on a US$806/st graphite concentrate price (Table 13-1). The marginal cut-off grade excludes mining costs, and by-product credits for vanadium sales.

 

The base graphite price is $1,007/st ($1,110/tonne). With the pit shell selection described in Section 13.5, a revenue factor of 0.8 is chosen, resulting in a graphite price of $806/st as used in the cut-off calculations in Table 13-1.

 

 13-1 

 

 

Westwater Resources, Inc. | Coosa Graphite Project

S-K 1300 Report 

December 11, 2023

SLR Project No.: 138.20527.00002

 

Table 13-1: Economic and Technical Parameters Used in Pit Optimization

 

Parameter Unit Value
Graphite Price $/st 806
     
Total Selling Cost   0
     
Processing Graphite Recovery % 92.0%
Payable Graphite % 100%
Mining Dilution % 1.05
     
Processing Cost $/st 12.63
Rehandling Cost $/st 0
Operational Support (G&A) $/st 2.45
Total $/st 15.08
     
Graphite Cut-off Grade % 2.1365%
     
Average Mining Cost $/st 4.69
     
Overall Slope Angle (OSA) degrees 45

 

13.5Pit Optimization

 

Pit optimization was conducted in Whittle software utilizing the Pseudoflow algorithm to generate a pit shell based on the mineral resource block model and a set of input economic and technical parameters summarized in Table 13-1. The pit shell generated serves as a guidance for the pit design, which includes design of mineable benches, with berms and ramps incorporated into the design. The pit shell generated utilizing the input parameters is shown in Figure 13-1 along with a pit-by-pit graph in Figure 13-2.

 

Whittle uses the Pseudoflow algorithm to define the blocks that can be mined at a profit and creates an economic shell (LG shell) based on the following information:

 

·Initial topography;

 

·Overall slope angles by geotechnical zone;

 

·Metallurgical recoveries by mineralization and rock type;

 

·Geologic grade model with gold and silver grades, density, lithology, and mineral types;

 

·Process and mining costs;

 

·Incremental vertical bench mining costs;

 

 13-2 

 

 

Westwater Resources, Inc. | Coosa Graphite Project

S-K 1300 Report 

December 11, 2023

SLR Project No.: 138.20527.00002

 

·Downstream costs, such as gold refining, royalties, freight, and marketing;

 

·Sustaining capital for future equipment replacement or refurbishment;

 

·Mining dilution and recovery.

 

The primary objective of the pit optimization process is to identify the Net Present Value (NPV) from a project by defining the limits of mining and the extraction sequence. An iterative methodology of pit design and pit optimization incorporates and applies critical economic measures and physical constraints that affect the ultimate economics of the project.

 

The pit-by-pit graph in Figure 13-2 generates the best, worst, and specified case discounted values, based on the economic inputs, and allows to make informed strategic decisions for the Project.

 

·Best Case: In this scenario, the pit shells are mined one after another from the innermost to the outermost shells. This scenario is rarely possible to achieve, given the mining width constraints of the equipment. However, it serves to outline the upper limit to the achievable NPV.

 

·Worst Case: In this case, the pit shells are mined bench by bench starting at the top. This case is feasible, and also sets the lower limit to the achievable NPV.

 

·Specified Case: In this scenario, a mid path is chosen between the best and worst cases, given the mining equipment and sequence, and generates a higher NPV than the worst case.

 

Considering the size of the five pit phases, shown in Figure 13-1, with pit phases 2 to 5 being small and pit depths varying from 60 m to 112 m in each of the phases, there is limited opportunity for dividing them further into smaller mineable cutbacks, thereby leading to the choice of the worst case scenario.

 

Pit 23 at a revenue factor of 0.80 in Figure 13-2 captures the maximum discounted cash flow achieved by the worst case mining scenario. This Pit 23 was chosen to generate the conceptual production schedule discussed in Section 13.6. Choosing a revenue factor of 0.80 essentially means that the base case graphite price has been scaled down, resulting in a smaller pit shell, which means that lower mineralization tonnages at higher grades are mined, leading to an improved NPV.

 

Once the Project progresses to a PFS study, further investigation of the specified case scenario is required for the generation of an updated production schedule.

 

Cost estimates for mining and processing were sourced from Infomine 2021 Edition based on estimates used for similar sized projects and a two-product floatation process. These unit rates were escalated to March 2023 costs based on the Mining Cost Service (MCS) indexes provided by Infomine April 2023 edition.

 

Inputs for metallurgical recovery and general administration costs were provided by the client and escalated to March 2023 values for use in the optimization process and economic analysis.

 

 13-3 

 

 

Westwater Resources, Inc. | Coosa Graphite Project

S-K 1300 Report 

December 11, 2023

SLR Project No.: 138.20527.00002

 

Figure 13-1: Whittle Optimization – Pit Shell Phases Layout

 

 

 13-4 

 

 

Westwater Resources, Inc. | Coosa Graphite Project

S-K 1300 Report 

December 11, 2023

SLR Project No.: 138.20527.00002

 

Figure 13-2: Coosa Project Pit-by-Pit Graph

 

 

Notes:

 

1.The conceptual mine plan is based on the highlighted Pit Shell 23 in the above figure.

 

2.The Pit Shell 23 is evaluated in Vulcan software and scheduled using Xpac software.

 

3.The numbers attributed to Pit 23 in above graph vary from the numbers reported in the Life of Mine Plan below.

 

 13-5 

 

 

Westwater Resources, Inc. | Coosa Graphite Project

S-K 1300 Report 

December 11, 2023

SLR Project No.: 138.20527.00002

 

Pit 23 chosen above in the cleaned-up pit phases in Figure 13-2 results in a mineralized material inventory for the Coosa Project of 72.7 Mst at a grade of 3.21% Cg.

 

13.6Life of Mine Plan

 

The conceptual production schedule for the Coosa Project shows completion of open pit mining by the end of year 22 from the start of production. The production schedule is presented in Table 13-2.

 

The conceptual production schedule is based on the engineering and economic analysis described in this TRS. Changes in the following factors and assumptions may affect the conceptual schedule:

 

·Graphite prices.

 

·Interpretations of mineralization geometry and continuity of mineralization zones.

 

·Geotechnical assumptions.

 

·Ability of the mining operation to meet the annual production rate.

 

·Operating cost assumptions.

 

·Mining and processing plant recoveries.

 

·Land ownership for the disturbance area.

 

·Ability to meet and maintain permitting and environmental license conditions.

 

·The ability to maintain the social license to operate.

 

 13-6 

 

 

Westwater Resources, Inc. | Coosa Graphite Project

S-K 1300 Report 

December 11, 2023

SLR Project No.: 138.20527.00002

 

Table 13-2: Coosa Project Conceptual Production Schedule

 

Years 1 to 11

 

Parameter Unit Total Yr-1 Yr-2 Yr-3 Yr-4 Yr-5 Yr-6 Yr-7 Yr-8 Yr-9 Yr-10 Yr-11
Total Ore -CG 000 st 72,665 3,333 3,333 3,333 3,333 3,333 3,333 3,333 3,333 3,333 3,333 3,333
Graphite Grade % 3.21 3.33 3.35 3.33 3.36 3.29 3.21 3.17 3.09 3.09 3.10 3.04
Contained Graphite 000 st 2,333 111 112 111 112 110 107 106 103 103 103 101
Recovered Graphite 000 st 2,146 102 103 102 103 101 98 97 95 95 95 93
Waste Rock 000 st 14,901 1,067 735 667 417 396 854 1,438 1,267 967 158 867
Total Mined 000 st 87,566 4,400 4,069 4,000 3,750 3,730 4,187 4,772 4,600 4,300 3,491 4,200
Stripping Ratio W:O 0.21 0.32 0.22 0.20 0.12 0.12 0.26 0.43 0.38 0.29 0.05 0.26

 

Years 12 to 22

 

Parameter Unit Total Yr-12 Yr-13 Yr-14 Yr-15 Yr-16 Yr-17 Yr-18 Yr-19 Yr-20 Yr-21 Yr-22
Total Ore -CG 000 st 72,665 3,333 3,333 3,333 3,333 3,333 3,333 3,333 3,333 3,333 3,333 2,665
Graphite Grade % 3.21 3.14 3.09 3.21 3.27 3.25 3.22 3.20 3.23 3.27 3.23 3.18
Contained Graphite 000 st 2,333 105 103 107 109 108 107 107 108 109 108 85
Recovered Graphite 000 st 2,146 96 95 99 100 100 99 98 99 100 99 78
Waste Rock 000 st 14,901 261 704 1,583 782 611 456 350 306 379 169 469
Total Mined 000 st 87,566 3,594 4,038 4,917 4,115 3,945 3,789 3,684 3,639 3,712 3,502 3,133
Stripping Ratio W:O 0.21 0.08 0.21 0.48 0.23 0.18 0.14 0.11 0.09 0.11 0.05 0.18

 

 13-7 

 

 

Westwater Resources, Inc. | Coosa Graphite Project

S-K 1300 Report 

December 11, 2023

SLR Project No.: 138.20527.00002

 

13.7Mine Equipment

  

The proposed primary mine equipment fleet consists of an all-diesel powered fleet of hydraulic shovel, front-end loader, blasthole drills, and rigid frame haul trucks. Table 13-3 summarizes the primary mine equipment fleet planned to be used in the operations.

 

Table 13-3: Coosa Project – Primary Mine Equipment Planned

 

Primary Mine Equipment Capacity Count
Production Blasthole Drill Up to 200 mm dia. hole 2
Hydraulic Shovel 4 yd³ to 4.5 yd³ bucket 1
Front-End Loader 4 yd³ to 4.5 yd³ bucket 1
Rear Dump Trucks Payload : 50 st to 60 st 5
Dozers 63 kW 3
Grader 115 kW 1

 

 13-8 

 

 

Westwater Resources, Inc. | Coosa Graphite Project

S-K 1300 Report 

December 11, 2023

SLR Project No.: 138.20527.00002

 

14.0Processing and Recovery Methods

 

14.1Introduction

 

The proposed method of graphite recovery from the Coosa deposit consists of conventional crushing and milling, followed by rougher and cleaner froth flotation. This section describes the flowsheet, design criteria, and process description to produce 99,207 stpa (90,000 tonnes per year) of flotation concentrate product grading 95% Cg. Note that the process plant capital cost presented in Section 18 includes this throughput.

 

14.2Process Flowsheet

 

From the test work conducted, a flowsheet was developed consisting of two-stage crushing, rod and ball mill grinding, froth flotation, concentrate dewatering, and tailings thickening. A schematic of the proposed flowsheet is presented in Figure 14-1.

 

14.3Design Criteria

 

Based on the available data, a set of preliminary plant design criteria was developed which provides all the specific unit operation process details required for equipment sizing and selection. A summary of some of the key criteria is presented in Table 14-1.

 

 14-1 

 

 

Westwater Resources, Inc. | Coosa Graphite Project

S-K 1300 Report 

December 11, 2023

SLR Project No.: 138.20527.00002

 

Figure 14-1: Flowsheet for the Coosa Processing Plant

 

 

Source. AGP, 2015.

 

 14-2 

 

 

Westwater Resources, Inc. | Coosa Graphite Project

S-K 1300 Report 

December 11, 2023

SLR Project No.: 138.20527.00002

 

Table 14-1: Summary of Process Design Criteria

 

Parameter Design Data
Graphite Head Grade 3.2%
Plant Throughput 3,201 Mstpa (2,904 million tonnes per year)
Plant Throughput 8,771 stpd (7,957 tonnes per day)
Concentrate Production (95% Cg) 99,207 stpd (90,000 tonnes per day)
Crushing Circuit Availability 86.0%
Grind/Float Circuit Availability 92.0%
Rod Mill Feed Size, F80 14 mm
Rod Mill Transfer Size, T100 1.68 mm
Ball Mill Grind size, P80 450 mm
Rougher Flotation Time 8 min
Mass Recovery to Rougher Concentrate 6.0 %
Pre-Cleaner Flotation Time 8 min
1st Cleaner Column Flux 2 t/hr/m2
1't Cleaner Mass Recovery 70%
1't Cleaner Concentrate +177mm 45%
Mass Recovery to Final Flotation Concentrate 3.1%
Cg Recovery to Final Flotation Concentrate 92.0%
Cg Grade of Final Flotation Concentrate 95.0%
Tailings Moisture Content 18.0 %
Process Plant Fresh Water Consumption 7.0 ft3/t
Process Plant Power Consumption 23.2 kWh/t

 

14.4Process Description - Concentrator

 

This section describes the parameters used to design a graphite concentrator for the Coosa Project. The fundamental design criteria for the processes described below have been developed from the metallurgical testing program.

 

14.4.1Process Summary

 

The Coosa concentrator plant was designed for a nominal 3.201 Mstpa, or 8,771 stpd, of run of mine (ROM) feed.

 

Mine haul trucks will tip into a surge bin feeding a primary jaw crusher designed for 86% availability. The primary crushed mill feed will be conveyed to a 5/8 in. (15 mm) sizing screen, with the oversize reporting to the secondary crusher and the undersize fed forward to the rod mill circuit.

 

 14-3 

 

 

Westwater Resources, Inc. | Coosa Graphite Project

S-K 1300 Report 

December 11, 2023

SLR Project No.: 138.20527.00002

 

A 150 ton fine feed bin will provide surge capacity for the grinding circuit, to ensure a constant feed rate to the rod mill. The rod mill will operate in closed circuit with a 10 mesh scalping screen. Undersize from the screen will be fed to a flash flotation cell, with the flash cell tailing pulp gravitating to the ball mill classification screen. The screen separates at a P80 of 450 μm, with the oversize reporting to the mill and the undersize going to the rougher flotation feed box.

 

The rougher flotation stage will consist of a bank of six conventional (“trough”) cells in series. Each cell will have independent airflow control. The rougher concentrate is combined with the flash concentrate and pumped to a pre-cleaner flotation circuit consisting of a bank of five trough cells in series.

 

The pre-cleaner concentrate will be dewatered using a vibrating screen with 230 mesh openings, with the screen oversize reporting to the first of two polishing scrubbers. The scrubber discharge is combined with the screen undersize (solution) to serve as feed to the first cleaner column flotation cell. Two stages of conventional scavenger flotation cells are used to recover Cg from the first cleaner tail, returning Cg concentrate to the 1st cleaner column feed and 1st polishing scrubber feed screen, respectively.

 

First cleaner flotation concentrate will be screened at 80 mesh (177 μm) by the 2nd polishing scrubber feed screen, with the oversize reporting to the 2nd polishing scrubber ahead of 2nd column flotation cells. The screen undersize will be thickened prior to attrition scrubbing and column flotation in a 3rd set of column flotation cells. Final cleaner concentrate from both the 2nd and 3rd flotation column circuits are combined, thickened and filtered in filter presses comprising the final concentrate product.

 

The slurry from the rougher and pre-cleaner circuits will be pumped to the filtration facility near the tailings management facility. At the filtration plant, the slurry will be thickened, filtered, and transported to the tailings management facility.

 

Reagents will be stored, mixed, and distributed from a central reagents area. Frother, collector, and lime will be pumped from the reagents area to the flotation section using peristaltic reagent pumps to accurately dose the process.

 

14.4.2Crushing

 

The information gathered from ongoing pilot work suggests that ROM material from the Coosa deposit will be extremely friable and will contain large quantities of fine material. However, for the purposes of this preliminary study, Westwater has elected to include a more conservative design that includes a jaw crusher for oversized material.

 

Ore will be delivered to the primary tip by 20 ton haul trucks at a frequency averaging 20 to 25 trucks per hour. Feed is discharged directly into a rail-lined, 30 ton surge bin.

 

A vibrating grizzly feeder at the bottom of the surge bin discharges +60 mm oversize into the primary crusher feed chute. Grizzly undersize drops onto the classification screen feed conveyor. The primary crusher consists of a jaw crusher with a closed side setting of 50 mm, and can accept a top size of 400 mm. Crushed feed discharges onto a sacrificial conveyor, which in turn discharges onto the classification screen feed conveyor. The screen feed conveyor is equipped with an overhead magnet for removing tramp metal ahead of the secondary crusher.

 

A vibrating inclined screen is used to classify the primary crushed feed and close the circuit around the secondary crusher. The screen deck consists of ¾ in. (19 mm) slots with the screen undersize chute feeding the fine feed bin conveyor. The fine feed bin conveyor is equipped with a weight-o-meter for recording crushing circuit production. Oversize from the classification screen is fed by a lined chute into the secondary crusher.

 

 14-4 

 

 

Westwater Resources, Inc. | Coosa Graphite Project

S-K 1300 Report 

December 11, 2023

SLR Project No.: 138.20527.00002

 

The secondary crusher consists of a standard roll crusher with a closed side setting of 15 mm. Crushed product discharges via a chute onto the recycle conveyor which returns the material to the classification screen feed conveyor.

 

The crushing circuit is expected to run at 86% availability, seven days per week. A dust collection system is included in the classification screen and secondary crushing area.

 

14.4.3Grinding

 

The milling circuit and all subsequent areas of the plant operate at 92% availability on a 24/7 schedule. Crushed run of mine material is stored in a 150 ton fine feed bin. An overflow chute at the top of the bin allows overflow to a stockpile with an additional six hours of capacity. The stockpile material can be reclaimed to the fine feed bin conveyor by front end loader, as needed.

 

A vibrating pan feeder draws material from the bottom of the fine feed bin onto the mill feed conveyor. The conveyor is equipped with a weight-o-meter to measure mass flow and allow for control of the mill feed rate.

 

The primary grinding mill consists of a long overflow discharge rod mill with a 1,400 kW drive. The discharge end of the mill is fitted with a trommel screen with 10 mm openings. Oversize tramp material, woodchips, etc. drop through a chute into a drum or skip. The material passing through the trommel is collected in a chute and fed to the screen pump feed box.

 

The mill discharge is diluted with process water and is then pumped to a vibrating, inclined classification screen with 10# (1.68 mm) openings. The screen oversize is returned to the rod mill feed chute, whereas the undersize is pumped forward to the flash flotation step.

 

Flash flotation consists of eight trough flotation cells in series. Concentrate from the flash circuit combines with the rougher concentrate as feed to the pre-cleaner circuit. Flash tails are fed by gravity to the discharge pump box in the ball mill circuit.

 

The secondary grinding stage consists of an overflow discharge ball mill with a 1,100 kW drive. The discharge end of the mill is fitted with a trommel screen with 6 mm openings. Oversize tramp material, woodchips, etc. drop through a chute into a drum or skip. The material passing through the trommel is collected in a chute and fed to the screen pump feed box.

 

Ball mill discharge and flash tailings are pumped to an inclined classification screen with 595μm (30#) openings. The oversize gravitates to the feed chute of the ball mill, whereas the undersize is pumped to the feed box in the rougher flotation circuit.

 

Spillage contained in the grinding area is pumped to the mill discharge sump for re- treatment. Ball mill grinding media is delivered to the plant in bulk and is stored in the ball mill ball bunker. The ball bunker is serviced by a crawl and electric hoist arrangement allowing balls to be lifted into a kibble using the ball loading magnet and tipped into the mill via a ball loading chute.

 

14.4.4Rougher and Pre-Cleaner Flotation

 

Ball mill classification screen underflow is pumped to the feed box of a bank of six rougher flotation cells with a combined residence time of just over ten minutes. Flotation air to each cell is supplied by flotation blowers via a low pressure manifold and is manually controlled. Pulp level is maintained by modulating dart valves.

 

 14-5 

 

 

Westwater Resources, Inc. | Coosa Graphite Project

S-K 1300 Report 

December 11, 2023

SLR Project No.: 138.20527.00002

 

Rougher concentrate is collected in a common launder and flows by gravity to the rougher concentrate froth pump, which pumps to the pre-cleaner feed box. The pre-cleaner float bank consists of five flotation cells with twelve minutes of residence time. The concentrate collected from the pre-cleaner float is collected in a common launder and flows by gravity to the same froth pump as the flash concentrate to be pumped to the cleaner circuit. Rougher and pre-cleaner tailings are the final tailings from the flotation circuit and report to the tailings pump feed box and are then pumped to the tailings dewatering circuit.

 

Spillage in the rougher section is collected in a common sump and pumped back into the first rougher cell using a submersible spillage pump.

 

14.4.5Cleaner Flotation

 

Feed to the cleaner flotation circuit, in the form of pre-cleaner concentrate, is fed to a vibrating dewatering screen with 230 mesh (63 μm) panels. Dewatered solids from screen deck fed to polishing scrubber #1, a tire-mounted drum scrubber with a 15 kW drive. The scrubber discharge combines with dewatering screen underflow to serve as feed to the first of three cleaner flotation columns. Each column is 3 ft in diameter by 20 ft high with PLC level control and froth washing.

 

Concentrate from the first cleaner column is pumped to an 80-mesh (177 μm) sizing screen. The screen oversize gravitates to a second polishing scrubber in the +80-mesh cleaning circuit. Tailings from the first cleaner column go to a conventional scavenging circuit consisting of four DR18 trough cells in series. The concentrate from the first two scavenging cells is returned to the column feed, whereas the concentrate from the last two cells reports to the dewatering screen.

 

The +80 mesh cleaning circuit has the same flowsheet as the first cleaner circuit, except there is no dewatering screen. All of the classification screen oversize is fed to the second polishing scrubber ahead of the +80 mesh cleaning column. The +80 mesh cleaner column concentrate is pumped to the concentrate thickener, while the column tails report to the scavenger circuit, with concentrates returned to the column feed and scrubber feed.

 

The -80 mesh cleaning circuit has the same flowsheet as the first cleaner circuit, except that there is a thickener in place of the dewatering screen. Thickener underflow is fed to an attrition scrubber ahead of the -80 mesh cleaning column. The -80 mesh cleaner column concentrate is combined with the +80 mesh concentrate and pumped to the concentrate thickener, while the column tails report to the scavenger circuit, with scavenger concentrates returned to the thickener feed and scrubber feed.

 

Cleaner scavenger tailings are pumped to the rougher circuit, or the tailings thickener. The cleaner area spillage is collected in bermed areas and directed into the cleaner area spillage pump, which pumps back to the first cleaner feed box.

 

14.4.6Concentrate Dewatering

 

Final graphite concentrate is pumped to the concentrate thickener sampling box and sampler before entering the concentrate thickener for dewatering. The thickener is equipped with rake lift, bed level detection, and bed mass monitoring. Thickener overflow gravitates to the spray water tank for recycling, while the thickener underflow is withdrawn from the cone by a centrifugal underflow pump and pumped forward to the concentrate storage tank, or recycled to the thickener feed if of insufficient density.

 

 14-6 

 

 

Westwater Resources, Inc. | Coosa Graphite Project

S-K 1300 Report 

December 11, 2023

SLR Project No.: 138.20527.00002

 

The concentrate is pumped from the mechanically agitated storage tank to a horizontal pressure filter for dewatering. Filtrate from the press is recycled back to the concentrate thickener feed launder.

 

Concentrate filter cake is discharged from the press via two cake discharge chutes onto the cake transfer belt which transfers the cake to the concentrate storage shed where it is stored prior to purification. Concentrate dewatering area spillage is recovered by pumping back to the concentrate thickener.

 

14.4.7Tailings Dewatering

 

The combined rougher/pre-cleaner tailings pumped from the flotation area discharge into a sampling launder on top of a high-rate thickener. The thickener is equipped with a rake lift, bed level detection, and bed mass monitoring. Thickener overflow gravitates to the process water tank, while the thickener underflow is withdrawn from the cone by a centrifugal underflow pump and pumped forward to the tailings filter.

 

The tailings filter consists of a continuously operated vacuum belt filter that produces a tailings product at 18% moisture. Filtrate is returned to the feed launder of the tailings thickener. The filter cake discharges from the press via a chute onto the tailings conveyor which transfers the tailings to a storage pile within a three-sided concrete walled shed. A front-end loader is used to load a 30 ton dump truck to transport the tailings to the FTSF area.

 

14.4.8Services

 

Process water is stored in a 200 m3 tank and is distributed to the plant by a process water pump. Plant hosing/flushing water is provided by the hose-down water supply pumps.

 

The process water tank is also used to feed the diesel powered fire water pump from a separate (lower) offtake, thus guaranteeing availability.

 

Clean water is piped into the plant from wells and stored in the plant's clean water tank. From the storage tank, water is pumped around the plant for use as reagent mixing water, slurry pump gland seal water, and as required for mill lubrication system cooling.

 

Plant and instrument air is provided by two compressors. Air quality is maintained by a filter. Instrument air is dried using a refrigeration drier. An air receiver is provided for compressed and instrument air lines, to allow for surges in demand.

 

Low-pressure air is supplied to the flotation plant by two separate blowers. The blowers are fixed speed, with manifold pressure controlled by a modulating valve on an exhaust line.

 

14.4.8.1Power

 

Electrical power for the site will be supplied by electrical grid power brought to the site. Access to the Alabama Power transmission line is possible with a 3.75 mile line connecting to the west of the Project. At full capacity, the plant will have a connected load of 12.7 MW with an operating load of 11.6 MW. The plant operating power requirement will be 23.2 kWh/t ore. The mill will be serviced with a main substation and electrical power distributed by a combination of cable ducts and aerial lines.

 

 14-7 

 

 

Westwater Resources, Inc. | Coosa Graphite Project

S-K 1300 Report 

December 11, 2023

SLR Project No.: 138.20527.00002

 

14.4.8.2Water

 

Approximately 460,000 gal/d of fresh water will be required to satisfy water demand for the process plant. This will come from water collection in the settling pond below the FTSF as well as from a series of water wells.

 

14.4.9Reagents

 

14.4.9.1pH Modifier — Calcium Hydroxide

 

Lime (calcium hydroxide) is delivered to the plant in one ton bulk bags and loaded into the lime hopper. Dry lime is metered from the hopper into the agitated mixing tank by a screw feeder and mixing plate. Mixed lime slurry at 10% solids is pumped into an agitated dosing tank. A circulation pump supplies lime to the flotation circuit via a ring main.

 

14.4.9.2Collector — Fuel Oil

 

Diesel fuel is delivered to the plant storage tank in bulk. Peristaltic hose pumps meter the reagent directly from the storage tank to several additional points throughout the plant.

 

14.4.9.3Frother - MIBC

 

Liquid Methyl Isobutyl Carbinol (MIBC) is delivered to the site in 1 m3 totes. As delivered (100% strength) MIBC is pumped directly to the dosing points by dedicated peristaltic pumps.

 

14.4.9.4Flocculant — Magnafloc 10

 

Flocculant powder is delivered to the site in one ton bags and stored in the reagent storage area. Bags are lifted by the reagent area crane and added to the flocculant powder hopper. The powder is withdrawn by the flocculant screw feeder and blown through a venturi to a wetting head located on top of the mechanically agitated mixing tank.

 

From the mixing tank, mixed flocculant can be fed forward to the storage tanks or recycled back into the mixing tank to aid mixing. From the storage tank, the flocculant is pumped directly to the tailings and concentrate thickeners.

 

Reagent spillage is pumped to the tailings thickener, or stored in totes for disposal.

 

14.4.10Operating Personnel

 

The process plant will be operating 24 hours per day, 7 days per week with a total plant operating availability of 92%. The plant will be operated on 12 hour shifts divided into four crews by a total of 26 operating personnel, and 25 salaried personnel for a total of 48 personnel.

 

 14-8 

 

 

Westwater Resources, Inc. | Coosa Graphite Project

S-K 1300 Report 

December 11, 2023

SLR Project No.: 138.20527.00002

 

15.0Infrastructure

 

The Project infrastructure consists of the following:

 

·Open pits

 

·Process plant, mobile equipment, and maintenance shops

 

·Office/administration area

 

·Co-mingled waste rock and Filtered Tailings Storage Facility (FTSF)

 

·Electrical substation

 

This infrastructure is required to support the final facility generating approximately 99,000 stpa concentrate.

 

Office and dry facilities will be portable offices located near the mill. The general arrangement schematic is presented in Figure 15-1.

 

15.1Access Roads

 

The site access road is approximately 3.4 miles from Coosa County Road 29. It will be upgraded to allow truck traffic to carry the flake concentrate from the mine to the purification plant. This road will be maintained as a gravel road with the proper ditches and culverts for surface drainage.

 

15.2Power

 

Electrical power for the site will be supplied by electrical grid power brought to the site. Access to the Alabama Power transmission line is possible with a 3.75 mile line connecting to the west of the Project. The power line would follow existing roads to facilitate easy installation and periodic checks.

 

At full capacity, the plant will have a connected load of 12.7 MW with an operating load of 11.6 MW. The plant operating power requirement will be 23.2 kWh/t ore. The mill will be serviced with a main substation and electrical power distributed by a combination of cable ducts and aerial lines.

 

15.3Water

 

Approximately 460,000 gal/d of fresh water will be required to satisfy water demand for the process plant. This will come from water collection in the settling pond below the FTSF as well as from a series of water wells.

 

15.4Accommodation Camp

 

There will be no camp for mine operations as it is expected that employees will be sourced from nearby communities.

 

 15-1 

 

 

Westwater Resources, Inc. | Coosa Graphite Project

S-K 1300 Report 

December 11, 2023

SLR Project No.: 138.20527.00002

 

Figure 15-1: Infrastructure Layout General Schematic

 

 

 15-2 

 

 

Westwater Resources, Inc. | Coosa Graphite Project

S-K 1300 Report 

December 11, 2023

SLR Project No.: 138.20527.00002

 

15.5Tailings Facility

 

The Project will consist of a series of open pit mines, with crushing facilities, a processing plant, and an FTSF. Slurried tailings will be pumped from the plant to a filter plant near the FTSF. After filtration, the filtered tailings will either be trucked or conveyed to the FTSF and compacted in place. The FTSF will be a comingled facility in which filtered tailings will be comingled with waste rock.

 

Constraints in locating the FTSF include the following:

 

·Coosa Wildlife Management Area to the south of the processing plant site area;

 

·Mine pits and future mining areas to the west and north of the processing plant site area;

 

·Westwater’s preference to avoid or minimize catchment area upstream of the facility and simplify water management for operation and closure.

 

SLR identified a site that could be sized to contain the ultimate FTSF design capacity, which is located in a drainage area approximately two miles to the east of the processing plant site. A conceptual FTSF layout was developed that assumed that the geotechnical and hydrogeological conditions were suitable to support the FTSF, and was comprised of the following:

 

·Storage for approximately 73 Mst (66 million tonnes) of filtered tailings and 15 Mst (13.5 million tonnes) of waste material, for a total capacity of 88 Mst (79.5 million tonnes);

 

·An average annual milling rate of 3.3 Mstpa (3 million tonnes per year), resulting in a project life of approximately 21 years;

 

·An overall four horizontal to one vertical (4H:1V) tailings slope;

 

·Tailings containment from a High Density Polyethylene (HDPE) geomembrane, over a total area of approximately 400 acres;

 

·Construction of the FTSF will be completed in five stages, typically in four-year increments, to reduce initial capital.

 

A typical cross section of the FTSF is shown in Figure 15-2 along Section Line A-A’.

 

 15-3 

 

 

Westwater Resources, Inc. | Coosa Graphite Project

S-K 1300 Report 

December 11, 2023

SLR Project No.: 138.20527.00002

 

Figure 15-2: Filtered Tailings Storage Facility Cross Section

 

 

Note. See Figure 15-1 for section location.

 

Using the basis and assumptions presented in this TRS, SLR calculated a total conceptual capital cost of US$178.5 million, which includes US$94.9 million for the FTSF construction, US$20.0 million for closure, US$40.7 million for contingency, and US$23.3 million in indirect costs. This cost estimate corresponds to a Class 5 cost estimate classification per American Association of Costing Engineers (AACE).

 

The scoping FTSF layout was based on very limited site-specific data, and assumptions were made regarding foundation conditions, borrow material characterization, tailings and mine waste properties, and geochemistry characterization. As the Project advances, site-specific design criteria and field programs should be developed, data collected, and analysis performed that can be incorporated into the design and reduce the uncertainties associated with the Project.

 

 15-4 

 

 

Westwater Resources, Inc. | Coosa Graphite Project

S-K 1300 Report 

December 11, 2023

SLR Project No.: 138.20527.00002

 

16.0Market Studies

 

16.1Markets

 

This section was taken from Benchmark Mineral Intelligence Ltd. (BMI, 2023).

 

As there is currently nominal supply of natural flake graphite in North America (8,000 tonnes in 2022) and a relatively small market with bi-lateral contracts making pricing opaque, the North American pricing model is derived on a collective reasonable judgement of the locations-based premium factors that include but are not limited to:

 

The collective North America premia (government support, ESG, and localized supply chain marketability, etc.,) are forecast to begin at a low level due to the qualification and scaling required, and grow gradually towards the end of the decade as the wider battery supply chain becomes more established.

 

Shipping costs are forecast to remain more elevated in the long run from the pre-pandemic levels – current futures quotes for 2024 and 2025 are approximately 10% and 20% higher than the forecast 2023 full year average price.

 

Figure 16-1 shows the long term pricing BMI forecast for natural flake graphite (North America Cost, Insurance, and Freight (CIF), 94-95% C, Real USD basis). For this TRS, the QP has used a constant basket price of US$1,100 per tonne (US$998 per ton) delivered to Westwater’s Kellyton, AL plant for the economic analysis as it represents a conservative approach to pricing trends.

 

 16-1 

 

 

Westwater Resources, Inc. | Coosa Graphite Project

S-K 1300 Report 

December 11, 2023

SLR Project No.: 138.20527.00002

 

Figure 16-1: Long Term Natural Flake Pricing Forecast

 

 

Source: BMI, 2023

 

16.2Contracts

 

No contracts have been awarded to date as this Project is still at an advanced exploration stage.

 

 16-2 

Westwater Resources, Inc. | Coosa Graphite Project

S-K 1300 Report 

December 11, 2023

SLR Project No.: 138.20527.00002

 

 

17.0Environmental Studies, Permitting, and Plans, Negotiations, or Agreements with Local Individuals or Groups

 

17.1Summary

 

The Project is located on 2,667 acres located in Coosa County, Alabama, approximately eight miles west of Rockford, Alabama. The Project area is forested with unpaved roads throughout and the current land use is silviculture and recreational hunting. The southern border of the Project area is shared with the Coosa Wildlife Management Area (WMA), and the Coosa WMA Shooting Range is located approximately one mile east.

 

The Project area is located within the Mobile Bay watershed and the Coosa River water basin and includes multiple small tributaries to the Coosa River and Weogufka Creek.

 

17.2Environmental Studies

 

Baseline environmental studies will be required to support mine planning and permitting efforts. These studies include, but are not limited to:

 

·Jurisdictional delineations of Waters of the United States (WOTUS) and wetlands

 

·Floodplain delineation

 

·Archaeological and cultural survey

 

·Biological surveys related to T&E species and critical habitat

 

·Air quality modeling

 

·Hydrologic modeling

 

·Hydrogeologic modeling

 

·Surface water quality

 

·Geochemistry and groundwater quality

 

·Water balance

 

17.3Environmental Permits

 

The United States Army Corps of Engineers (USACOE) will be required, as part of issuing a 404 permit, to comply with the National Environmental Policy Act (NEPA), which may include preparing/issuing either an Environmental Impact Statement (EIS) or an environmental assessment (EA).In addition to federal permitting, a Surface Mining of Non-fuel Minerals Permit and Plan of Reclamation will also be required, issued by the Alabama Department of Labor. Other permits will also likely be required related to water management, generation of hazardous waste, storage of fuel, etc. A short list of potentially required permits are provided in Table 17-1.

 

 17-1 

Westwater Resources, Inc. | Coosa Graphite Project

S-K 1300 Report 

December 11, 2023

SLR Project No.: 138.20527.00002

 

 

Table 17-1: Required or Potentially Required Environmental Permits

 

Agency Permit* Comment
Unted States Army Corps of
Engineers (USACOE)
404 Individual Permit TSF, Pits, Ingress and Egress
USACOE Plan of Operations (PoO) –
Record of Decision (ROD)
All Mining Operations
Alabama Department of
Environmental Management (ADEM)
National Pollutant Discharge
Elimination System (NPDES)
Water Treatment/Individual
Outfall of Process Solution
ADEM Multi-Sector General Permit
(MSGP) – Stormwater
All contact water discharge
locations
ADEM Air Quality Permit Fugitive Dust and Emissions
Alabama Department of Labor Surface Mining of Non-fuel
Minerals Permit and Plan of
Reclamation
All Mining Operations
Bureau of Alcohol, Tobacco,
Firearms and Explosives
Explosives Permit Blasting
United States Environmental
Protection Agency (EPA)
Hazardous Waste Generator All Mining Operations

 

Note: * Permits listed are for the mining operations and exclude short-term construction permits

 

17.4Closure

 

A comprehensive closure plan and Reclamation Cost Estimate (RCE) will be required for the Surface Mining of Non-fuel Minerals Permit and Plan of Reclamation issued by the Alabama Department of Labor for the state mine permit and for the PoO and NEPA. Bonding will be required for both the state and USACOE, which is typically one bond held by the state in accordance with a memorandum of understanding between the agencies. The post-closure land use is yet to be determined; however, reclamation will include slope stabilization and revegetation to result in a self-sustaining ecosystem based on pre-miming conditions. Post-closure land use may include beneficial use such as recreation, industry and wildlife habitat.

 

17.5Conclusions and Recommendations

 

The primary permits for the Project will include permits issued by the USACOE and by the Alabama Department of Labor. Baseline studies will be required to support these and other permitting efforts. Baseline activities are currently in the planning stages for the Project which will provide direction for further definition of the Project and environmental permits required for construction, operation, and closure. Stakeholder engagement, including regulatory agencies, tribal entities and the community will also be required to support the permitting efforts. Westwater has begun engagement with state regulators at a high level. Potential obstacles for the Project are as follows:

 

1Presence of T&E species and critical habitat,

 

2USACOE 404 permitting and mitigation,

 

3The Project being adjacent to the Coosa WMA, and

 

4State regulatory statute limitations for a chemical processing operation like the Project and lack of state regulatory experience permitting a chemical processing operation.

 

 17-2 

Westwater Resources, Inc. | Coosa Graphite Project

S-K 1300 Report 

December 11, 2023

SLR Project No.: 138.20527.00002

 

 

18.0Capital and Operating Costs

 

The capital and operating cost estimates for the Project are based on factored costs from other operations, the SLR QP’s judgment, and analogy. The change in the cost basis for this TRS, due to the proposed increase in Cg production rates and the requirement for cost escalation, makes the accuracy, in the SLR QP’s opinion, an American Association of Cost Engineers (AACE) International Class 5 cost estimate with an accuracy range of -20% to -50% to +30% to +100%.

 

18.1Capital Costs

 

Table 18-1 summarizes the life of mine (LOM) capital cost estimate for the 95,000 stpa to 105,000 stpa (86,000 to 95,000 tonnes per year) concentrate production schedule.

 

Table 18-1:      Base Case LOM Capital Cost Estimate Summary

 

Area (US$000)
Mining 13,231
Processing 89,230
Infrastructure 17,180
Tailings Facility 31,919
Total Development Capital 151,559
Mining 22,284
Processing/ Infrastructure 6,786
Tailings Facility 112,636
Total Sustaining Capital 141,706
Mine/Plant Closure/Reclamation 8,736
FTSF Closure/Reclamation 33,975
Total Closure/Reclamation 42,711
Grand Total 335,977

 

Exclusions from the capital cost estimate include, but are not limited to, the following:

 

·Project financing and interest charges

 

·Escalation during construction

 

18.1.1Development Capital

 

18.1.1.1Mining

 

The 2015 initial capital cost estimate of $1.9 million for mining supported a production rate of 4,600 stpa of Cg concentrate. In this TRS, the production rate has been increased to 95,000 stpa to 105,000 stpa (86,000 to 95,000 tonnes per year). To scale the 2015 capital cost estimate of $1.9 million to reflect the currently envisioned larger scale operation, the SLR QP used the 0.6 capital cost rule as follows:

 

 

 

 18-1 

Westwater Resources, Inc. | Coosa Graphite Project

S-K 1300 Report 

December 11, 2023

SLR Project No.: 138.20527.00002

 

 

Thus, the scaled 2015 capital cost estimate of $9.2 million for the larger 95,000 stpa to 105,000 stpa (86,000 to 95,000 tonnes per year) operation.

 

The SLR QP subsequently escalated the adjusted 2015 capital cost estimate of $9.3 million to a Q2 2023 US dollar basis using subscription-based Mineral Cost Service (MCS) cost indexes dated July 2023. The escalation effect on capital costs from 2015 to Q2 2023 is estimated to be 43%, or $13.2 million, over the scaled 2015 capital costs at the 95,000 stpa to 105,000 stpa (86,000 to 95,000 tonnes per year) production schedule.

 

The scaling and escalation modifications completed to achieve the $13.2 million mining capital cost are reflected in Table 18-2.

 

Table 18-2:      Mining Initial Capital Cost Estimate

 

Area Units 2015
Estimate
Scaled
2015
Estimate
2015
Index
March 
2023
Index
Factor Q2 2023
Estimate
Cg Production Target ktpa 4.6 90.0       90.0
Mining US$(000) 1,900 9,281 92.1 131.3 1.426 13,231
% Variance     388%       43%

 

18.1.1.2Process Plant

 

SLR developed a factored scoping study estimate and Basis of Estimate for this report. The estimate was compiled in the form of a Class 5 Capital Cost estimate in line with AACE recommended practice 47R-11 Cost Estimate Classification System as Applied in the Mining and Mineral Processing Industries.

 

The estimate pricing for equipment was based on the Zenith quotation from September 2023 provided included in Appendix 1. To establish the indicative capital cost, a capacity factor or equipment factor estimating approach including allowances for some components of the Project was utilized to form the estimate. The cost estimate was prepared using a project cost Work Breakdown Structure (WBS) to define the process areas and associated indirect costs. The WBS for this estimate was directly related and linked to the areas noted in the Zenith quotation. A table showing the translation of the Zenith equipment costs to SLR’s fully loaded estimate is included in Appendix 1.

 

The factored methodology was based on the application of ratios against the mechanical equipment supply cost to determine both the direct costs for labor and material as well as generally expected and associated indirect costs. An appropriate level of contingency was included.

 

The estimated discipline cost was further detailed to establish the supply cost of bulk materials and the associated installation cost for each discipline.

 

Unit rates, based on benchmark data from other regions and from the estimating team experience with similar projects, were then used to back calculate and estimate the associated bulk quantities. A ratio was applied to the equipment list to account for equipment purchased in the United States versus Chinese quoted equipment.

 

 18-2 

Westwater Resources, Inc. | Coosa Graphite Project

S-K 1300 Report 

December 11, 2023

SLR Project No.: 138.20527.00002

 

 

Indirect costs associated with the Project were applied as factors of direct costs and included aspects such as construction indirects, Engineering, Procurement, and Construction Management (EPCM), Freight, Owner’s Cost, first fills, third party vendor support, etc. The total development capital estimate for the 95,000 stpa to 105,000 stpa (86,000 to 95,000 tonnes per year) concentrator is shown in Table 18-3.

 

Table 18-3: Process Plant Initial Capital Cost Estimate

 

Area Sub-area Sum of Total
Processing Plant Crushing 6,681
  Dewatering Concentrate 2,000
  Dewatering Tailings 9,552
  Flotation 8,022
  Grinding 18,560
  Adjustment for Non-Chinese Cost 2,884
Processing Plant Total   47,699
Construction Indirects Total   715
Project Indirects Camp & Catering -
  Construction Power 1,431
  EPCM 8,109
  Freight 4,672
  Temp Construction Facilities 715
  Transport -
  Vendor Support & Commissioning 2,385
  Spares & First Fills 566
Project Indirects Total   17,878
Owner's Cost Total   7,393
Provisions Total   15,544
Grand Total   89,230

 

18.1.1.3Infrastructure

 

Infrastructure capital costs were modified the same way as was the mining capital, namely scaling the 2015 cost estimate from 4,600 stpa to 95,000-105,000 stpa using the 0.6 capital cost rule and escalating from 2015 to Q2 2023 cost basis.

 

The scaling and escalation modifications completed to obtain the $17.2 million infrastructure capital cost are reflected in Table 18-4.

 

 18-3 

Westwater Resources, Inc. | Coosa Graphite Project

S-K 1300 Report 

December 11, 2023

SLR Project No.: 138.20527.00002

 

 

Table 18-4: Infrastructure Initial Capital Cost Estimate

 

Area Units 2015
Estimate
Scaled
2015
Estimate
2015
Index
Q2 2023
Index
Factor Q2 2023
Estimate
Cg Production Target ktpa 4.6 90.0       90.0
Infrastructure US$ (000) 2,900 11,645 89.0 131.3 1.475 17,180
% Variance     388%       43%

 

18.1.1.4FTSF

 

This cost estimate for the FTSF corresponds to a AACE Class 5 cost estimate classification per the scope described in Section 15.5. The capital estimate of $31.9 million for the initial starter dam is shown in Table 18-5.

 

Table 18-5: FTSF Initial Capital Cost Estimate

 

Item US$000
Stage 1
Year -1
Site Preparation  
Mobilization and demobilization 1,479
Clearing and grubbing 484
Topsoil stockpiling 1,277
Stormwater management 649
   
Earthworks  
Unsuitable material over-excavation 1,702
Embankment 284
Regrading (Cut and Fill balance) 1,41
Liner Bedding Material 1,773
Anchor Trench 126
Diversion Channels 840
   
Geosynthetics  
80 Mil Textured HDPE Primary Liner - supply and install 3,830
   

 

 18-4 

Westwater Resources, Inc. | Coosa Graphite Project

S-K 1300 Report 

December 11, 2023

SLR Project No.: 138.20527.00002

 

 

Item US$000
   
Overliner and Drainage Layer  
Overliner and Drainage Layer 6,241
   
Downstream Collection Pond  
Downstream Collection Pond  
  1,000
Instrumentation  
Survey Monitors and Wells 32
   
Subtotal Construction Direct Costs 21,135
Weighted Contingency 6,557
Contractor Indirect Costs 2,114
Owner Indirect Costs 2,114
Total Construction Costs 31,919

 

18.1.2Sustaining Capital

 

18.1.2.1Mining

 

A periodic allowance of $7.4 million for mine fleet replacements every six years was used totaling $22.3 million over the LOM.

 

18.1.2.1Process Plant/Infrastructure

 

An annual allowance of $424,000 starting in year 6 of the LOM was derived from factoring 0.25% of the processing plant initial capital cost and approximately 1% of infrastructure initial capital cost totaling $6.8 million over the LOM.

 

18.1.2.2FTSF

 

As well as estimating the capital cost of the initial starter dam for the FTSF, SLR also estimated the sustaining capital requirements and timing to keep the proposed FTSF capable of receiving material from the plant during the LOM. These estimates are presented in Table 18-6 totaling $112.6 million over the LOM.

 

 18-5 

Westwater Resources, Inc. | Coosa Graphite Project

S-K 1300 Report 

December 11, 2023

SLR Project No.: 138.20527.00002

 

 

Table 18-6: FTSF Sustaining Capital Cost Estimate

 

Item LOM Total Cost by Stage (US$000)
2 3 4 5
Year 3 Year 7 Year 11 Year 15
Construction Direct Costs 73,749 13,996 14,485 16,777 28,491
Weighted Contingency 24,137 4,576 4,749 5,505 9,307
Contractor Indirect Costs 7,375 1,400 1,448 1,678 2,849
Owner Indirect Costs 7,375 1,400 1,448 1,678 2,849
Total Construction Costs 112,636 21,372 22,131 25,637 43,496

 

18.1.3Final Closure and Reclamation

 

For final closure and reclamation of the proposed mine area and processing plant, SLR used an allowance of $0.10/st mined over the LOM. The unit rate is based on benchmark data from western U.S. projects and SLR’s experience with similar projects. Based on a total of 87.6 Mst mined during the LOM, the total closure/reclamation cost is estimated at $8.7 million.

 

As part of the capital estimate exercise for development and sustaining capital for the FTSF, a closure cost estimate of $34 million was calculated as shown in Table 18-7.

 

Table 18-7: FTSF Closure/Reclamation Cost Estimate

 

Item US$000
Closure  
Subsoil 10,855
Soil Cover 8,141
Revegetation 989
Subtotal Closure Costs 19,985
Contingency 9,993
Contractor Indirect Costs 1,999
Owner Indirect Costs 1,999
Total Closure Costs 33,975

 

18.1.4Working Capital

 

Working capital adjustments were estimated using 30 days outstanding for accounts receivable (A/R), accounts payable (A/P), and consumables inventories. The Project will have a $6.3 million upfront requirement in Year 1 of production, which will be recovered by the end of LOM.

 

18.2Operating Costs

 

The operating cost estimates in this TRS were derived from MCS cost guides, a subscription-based cost database, that total $15.41/st mill feed ($16.99/tonne mill feed) as follows:

 

·Mining: $5.21/st mill feed, $4.33/st mined; ($5.75/tonne mill feed, $4.77/tonne mined)

 

 18-6 

Westwater Resources, Inc. | Coosa Graphite Project

S-K 1300 Report 

December 11, 2023

SLR Project No.: 138.20527.00002

 

 

·Processing: $8.80/st mill feed; ($9.70/tonne mill feed)

 

·G&A: $1.40/st mill feed; ($1.54/tonne mill feed)

 

·Total: $15.41/st mill feed ($16.99/tonne mill feed)

 

18.2.1Mining

 

A unit rate of $4.33/st mined or $5.21/st mill feed ($4.77/tonne mined or $5.51/tonne mill feed) was used to estimate mining costs and averages $17.3 million per year over the LOM. This unit rate was sourced from the MCS guide for 10,000 tonne per day mine operation with 1:1 stripping ratio with the following breakdown as shown in Table 18-8.

 

Table 18-8:    Mine Operating Cost Estimate Summary

 

Area % of Total US$/st mined
Supplies 12% 0.52
Hourly Labor 38% 1.65
Equipment Operation 27% 1.17
Salaried Labor 14% 0.61
Miscellaneous 9% 0.39
Total 100% 4.33

 

18.2.2Processing

 

A unit rate of $8.80/st ($9.70/tonne) milled was used to estimate processing costs which includes pumping to the FTSF and averages $29.3 million per year over the LOM. This unit rate was sourced from the MCS guide for 10,000 tonne per day flotation mill (two products) with the following breakdown as shown in Table 18-9.

 

Table 18-9: Process Operating Cost Estimate Summary

 

Area % of Total US$/st mill feed
Equipment Operation 19% 1.67
Supplies 41% 3.61
Labor 21% 1.85
Administration 10% 0.88
Sundry 9% 0.79
Total 100% 8.80

 

 18-7 

Westwater Resources, Inc. | Coosa Graphite Project

S-K 1300 Report 

December 11, 2023

SLR Project No.: 138.20527.00002

 

 

18.2.3General and Administrative

 

G&A was calculated using an industry rule of thumb of 10% of direct site operating costs (mining + processing) that resulted in $1.40/st mill feed ($1.54/tonne mill feed) or $4.7 million per year over the LOM.

 

18.2.4Personnel

 

Estimated headcounts were derived from MCS guidelines for a 11,000 stpd mining operation (10,000 tonne a day) and are presented in Table 18-10.

 

Table 18-10:     Project Headcount Estimate

 

Area Hourly Salary Total
Mining (including Admin) 59 23 82
Processing 23 25 48
Total Headcount 82 48 130

 

 18-8 

Westwater Resources, Inc. | Coosa Graphite Project

S-K 1300 Report 

December 11, 2023

SLR Project No.: 138.20527.00002

 

 

19.0Economic Analysis

  

The economic analysis contained in this Initial Assessment summarized in this TRS is preliminary in nature and is based, in part, on Inferred Mineral Resources that are considered too speculative geologically to have modifying factors applied to them that would enable them to be categorized as Mineral Reserves. There is no certainty that economic forecasts on which this Initial Assessment is based will be realized.

 

19.1Base Case (Indicated and Inferred Mineral Resources)

 

The Project base case cash flow is based on Indicated and Inferred Mineral Resources (the latter being 89% of the total).

 

19.1.1Economic Criteria

 

An after-tax Cash Flow Projection has been generated from the LOM production schedule and capital and operating cost estimates and is summarized in Table 19-1. A summary of the key criteria is provided below.

 

19.1.1.1Revenue

 

·Mineralized Material Inventory used for LOM planning: 72.7 Mst at 3.21% Cg with 2.33 Mst of contained Cg (65.9 million tonnes at 3.21% Cg with 2.11 million tonnes contained Cg), 100% attributable to Westwater.

 

·An average of 9,100 st (8,200 tonnes) mill feed per day mining from open pit for 4 Mst (3 million tonnes) per year.

 

·Mill recovery averaging 92%.

 

·95% C concentrate grade at 100% payable.

 

·Average annual Cg concentrate sales: 103,000 stpa (93,000 tonnes per year)

 

·Graphite price (CIF Kellyton Plant): US$998/st ($1,100/tonne).

 

·Transport to Kellyton Plant (CIF): $10.69/st ($11.90/tonne) derived from 70 mile round trip at $0.17/ton -mile

 

19.1.1.2Costs

 

·Pre-production period: 24 months

 

·Mine life: 22 years.

 

·LOM production plan as summarized in Table 13-2.

 

·Mine life capital totals $293 million, including $142 million of sustaining capital.

 

·Final end of mine reclamation and closure costs: $43 million

 

·Average operating cost over the mine life is $15.41/st milled ($16.99/tonne milled).

 

19.1.1.3Taxation and Royalties

 

·Royalties: Merchant 0.5% NSR up to a maximum of $150,000; Lessor 2% NSR.

 

·Coosa County Severance Tax: $5/st concentrate ($5.51/tonne)

 

 19-1 

Westwater Resources, Inc. | Coosa Graphite Project

S-K 1300 Report 

December 11, 2023

SLR Project No.: 138.20527.00002

 

 

·10 year Modified Accelerated Cost Recovery System (MACRS) depreciation method was used with total allowance of $286.3 million taken during the LOM

 

·Percentage depletion method (14% for graphite) was used with total allowance of $305.4 million taken during the LOM

 

·Loss Carry Forwards - Income tax losses may be carried forward indefinitely but may not be used for prior tax years

 

·Federal tax rate of 21%, Alabama state income tax rate of 6.5%

 

19.1.2Cash Flow Analysis

 

Table 19-1 presents a summary of the Project Base Case economics at an Cg price of $998/st ($1,110/tonne). The full annual cash flow model is presented in Appendix 2 of this TRS. On a pre-tax basis, the undiscounted cash flow totals $714.1 million over the mine life. The pre-tax net present value (NPV) at an 8% discount rate is $229.2 million and pre-tax Internal Rate of Return (IRR) is 26.7%. On an after-tax basis for the base case, the undiscounted cash flow totals $608.2 million over the mine life. The after-tax NPV at an 8% discount rate is $190.2 million and the after-tax IRR is 24.2%.

 

 19-2 

Westwater Resources, Inc. | Coosa Graphite Project

S-K 1300 Report 

December 11, 2023

SLR Project No.: 138.20527.00002

 

 

Table 19-1: After-Tax Base Case Cash Flow Summary

 

Item Unit Value
Cg Price $/st 998
Cg Concentrate Sales Mst 2.26
Total Gross Revenue US$ M 2,254
Mining Costs US$ M (379)
Processing Costs US$ M (639)
G&A Costs US$ M (102)
Product Transport to Kellyton Plant Cost US$ M (28)
Production Taxes/Royalties US$ M (56)
Total Operating Costs US$ M (1,204)
Operating Margin US$ M 1,050
Operating Margin US$ M 48%
Corporate Income Tax US$ M (139)
Operating Cash Flow US$ M 911
Development Capital US$ M (152)
Sustaining Capital US$ M (142)
Final Closure/Reclamation US$ M (43)
Total Capital US$ M (336)
     
Pre-tax Free Cash Flow US$ M 714.1
Pre-tax NPV @ 8% US$ M 229.2
Pre-tax IRR % 26.7
     
After-tax Free Cash Flow US$ M 608.2
After-tax NPV @ 8% US$ M 190.2
After-tax IRR % 24.2

 

 19-3 

Westwater Resources, Inc. | Coosa Graphite Project

S-K 1300 Report 

December 11, 2023

SLR Project No.: 138.20527.00002

 

 

19.1.3Sensitivity Analysis

 

Project risks can be identified in both economic and non-economic terms. Key economic risks were examined by running cash flow sensitivities:

 

·Head grade

 

·Mill recovery

 

·Cg price

 

·Operating costs

 

·Capital costs

 

Pre-tax IRR sensitivity over the base case has been calculated for -20% to +20% variations. The sensitivities are shown in Table 19-2 and Figure 19-1 and Figure 19-2. The Project is most sensitive to head grade, graphite price, and recovery, and only slightly less sensitive to operating cost and capital cost. The sensitivities to metallurgical recovery, head grade, and metal price are nearly identical.

 

Table 19-2: After-Tax Sensitivity Analyses

 

Variance Head Grade
(% Cg)
NPV at 8%
(US$ millions)
IRR
80% 2.57% 48 12.9%
90% 2.89% 119 18.9%
100% 3.21% 190 24.2%
110% 3.53% 261 29.1%
120% 3.85% 332 33.8%
Variance Recovery
(%)
NPV at 8%
(US$ millions)
IRR
90% 82.8% 119 18.9%
95% 87.4% 155 21.6%
100% 92.0% 190 24.2%
105% 96.6% 226 26.7%
108% 99.4% 247 28.2%
Variance Metal Prices
(US$/st Cg Concentrate)
NPV at 8%
(US$ millions)
IRR
80% $798 46 12.6%
90% $898 118 18.8%
100% $998 190 24.2%
110% $1,097 262 29.2%
120% $1,197 335 34.0%

 

 19-4 

Westwater Resources, Inc. | Coosa Graphite Project

S-K 1300 Report 

December 11, 2023

SLR Project No.: 138.20527.00002

 

 

Variance Operating Costs
(US$/st)
NPV at 8%
(US$ millions)
IRR
90% 14.40 226 26.7%
95% 15.18 208 25.5%
100% 15.96 190 24.2%
115% 18.29 136 20.2%
130% 20.63 83 15.9%
Variance Capital Costs
(US$ M)
NPV at 8%
(US$ M)
IRR
90% 302 209 27.3%
95% 286 219 29.1%
100% 336 190 24.2%
115% 386 161 20.4%
130% 437 132 17.3%
       

 

Figure 19-1: After-Tax NPV Sensitivity Analysis

 

 

 19-5 

Westwater Resources, Inc. | Coosa Graphite Project

S-K 1300 Report 

December 11, 2023

SLR Project No.: 138.20527.00002

 

 

Figure 19-2: After-Tax IRR Sensitivity Analysis

 

 

19.2Alternate Case (Indicated Mineral Resources Only)

 

Only 7 million tons or 11% of the 72.7 million tons in the base case production schedule are Indicated Mineral Resources. The QP has determined that a stand alone alternative case with only Indicated resource tonnage is not economic using the assumptions and inputs outlined in the base case.

 

 19-6 

Westwater Resources, Inc. | Coosa Graphite Project

S-K 1300 Report 

December 11, 2023

SLR Project No.: 138.20527.00002

 

 

20.0Adjacent Properties

 

This section is not applicable.

 

 20-1 

Westwater Resources, Inc. | Coosa Graphite Project

S-K 1300 Report 

December 11, 2023

SLR Project No.: 138.20527.00002

 

 

21.0Other Relevant Data and Information

 

No additional information or explanation is necessary to make this TRS understandable and not misleading.

 

In late November 2018, Westwater announced the discovery of significant concentrations of vanadium-bearing micas at several locations, hosted in the graphitic schists at Coosa. Westwater subsequently commenced the first phase of a four-phase exploration program designed to determine the extent, character, and quality of the vanadium mineralization at Coosa. As announced by the Company on February 19, 2019, the first phase demonstrated widespread positive values for vanadium that extended beyond the Coosa graphite deposit.

 

 21-1 

Westwater Resources, Inc. | Coosa Graphite Project

S-K 1300 Report 

December 11, 2023

SLR Project No.: 138.20527.00002

 

 

22.0 Interpretation and Conclusions 

 

SLR offers the following interpretations and conclusions on the Project:

 

22.1Geology and Mineral Resources

 

·Graphite generally occurs as a result of metamorphism (regional or contact) of organic matter in sediments. Flake graphite is assumed to be derived from fine-grained sediments rich in organic matter.

 

·Graphite ores mined historically were almost entirely from the weathered zone (60 ft to 100 ft), partly because weathering is deep in this area and partly because the weathered rock could be gently crushed without blasting.

 

·The sample preparation, analysis, and security procedures at Coosa are adequate for use in the estimation of Mineral Resources.

 

·The QA/QC programs as designed and implemented by Westwater and its predecessor AGC meet current industry standard practice and the assay results within the database are suitable for use in a Mineral Resource estimate.

 

·No significant database issues were identified and the SLR QP is of the opinion that the database verification procedures for the Project comply with industry standards and are adequate for the purposes of Mineral Resource estimation.

 

·Relogging of previously drilled holes in conjunction with new drilling information allowed for more accurate interpretation and separation of lithologic units and improved understanding of the geologic environment resulting in:

 

oImproved geologic model correlation to the 2014 Airborne Magnetic survey.

 

oIdentifying widespread and strong vanadium (roscoelite) mineralization in very close association with flake graphite mineralization.

 

·The Company has carried out an extensive geochemical sampling program to determine the presence and intensity of vanadium mineralization at the Project. Vanadium potential tonnage and grade are currently estimated to be 21.0 Mst to 67.0 Mst and 0.19% V2O5 to 0.13% V2O5, respectively. SLR notes that the potential quantity and grade are conceptual in nature, there has been insufficient exploration to define a Mineral Resource, and it is uncertain if further exploration will result in the target being delineated as a Mineral Resource.

 

22.2Mining

 

·There are no current Mineral Reserves at the Project.

 

·Open pit shovel and truck mining method is proposed for operations.

 

·A marginal cut-off grade of 2.1365% Cg is calculated based on a US$806/st graphite concentrate price that results from applying a revenue factor of 0.8 to the Whittle pit shell parameters.

 

·The open pit optimization final pit selection is representative of a scenario that maximizes NPV.

 

 22-1 

Westwater Resources, Inc. | Coosa Graphite Project

S-K 1300 Report 

December 11, 2023

SLR Project No.: 138.20527.00002

 

 

Selecting a revenue factor of 0.80 essentially means that the base case graphite price has been scaled down, resulting in a smaller pit shell, which means that lower mineralization tonnages at higher grades are mined, leading to an improved NPV.

 

·Total mineralized material inventory for the Coosa Project is 72.7 Mst at a grade of 3.21% Cg.

 

·A conceptual production schedule based on optimized pit shells is developed with an annual ore production of 3.33 Mst over a 22 year period with a waste to ore (W:O) stripping ratio of 0.21:1.

 

·Mining costs and equipment are based on Infomine 2021 Edition for similar capacity surface mines, and escalated based on the MCS indexes provided by Infomine April 2023 edition.

 

22.3Mineral Processing and Metallurgical Testing

 

·The Coosa graphite concentrator facilities are designed to process a nominal 3.201 Mstpa, or 8,771 stpd of ROM Cg ore to produce an average of 99,207 stpa (90,000 tonnes per year) of flotation concentrate product grading 95% Cg. The projected recovery of Cg to concentrate is 92% into a concentrate mass of 3.1% of the feed tonnage.

 

·The proposed processing plant flowsheet consists of conventional crushing, rod milling and ball milling, flash flotation, conventional rougher flotation, and two stages of polishing grinding, cleaner column and conventional scavenger flotation circuits. The critical stages to achieve the required high concentrate grades and coarse flake sizes are the multistage polishing and cleaning flotation operations.

 

22.4Environmental Studies, Permitting, and Plans, Negotiations, or Agreements with Local Individuals or Groups

 

·The primary permits anticipated for the Project are a PoO and associated ROD issued by the USACOE and the Surface Mining of Non-fuel Minerals Permit and Plan of Reclamation issued by the Alabama Department of Labor. Baseline studies will be required to support these and other permitting efforts.

 

·Stakeholder engagement, including regulatory agencies, tribal entities, and the community will also be required to support the permitting efforts.

 

 22-2 

Westwater Resources, Inc. | Coosa Graphite Project

S-K 1300 Report 

December 11, 2023

SLR Project No.: 138.20527.00002

 

 

23.0Recommendations

 

Westwater is considering a program to advance the Project, which includes an initial budget estimate of approximately US$1,600,000, as presented in Table 23-1. SLR concurs with this program. The program consists of two consecutive phases: (1) updating Mineral Resources following completion of the proposed delineation drilling programs, and (2) carrying out engineering studies to advance the Project to a PFS level. The PFS will cover the following activities:

 

·mine planning

 

·metallurgical test work, pilot plant, product testing

 

·preliminary environmental testing to identify any major deleterious elements and quantify the acid-generating potential of the Coosa mineralization.

 

·geotechnical and hydrogeological studies

 

·condemnation drilling

 

·tailings management facility design, material characterization and site geotechnical

 

·permitting

 

·environmental management studies and data collection

 

·capital and operating cost estimation

 

·infrastructure evaluation and costing

 

·financial evaluation

 

·project management and administration

 

23.1Exploration Drilling

 

1Complete six-phase infill/delineation drilling activities in the NX, Fixico Mine, SW, Main Grid, Main Grid/Fixico Mine and HS South areas of the Project to convert Inferred oxide resources to the Indicated Mineral Resources category. This work is expected to require approximately 115 drill holes and 1,700 assays. The phased drilling programs are independent of each other and can be conducted simultaneously or on an individual basis. The estimated cost to complete the program is $936,000.

 

2Drill additional holes down dip and review the classification criteria as more data become available.

 

23.2Advancement of Coosa Graphite Mineral Resources

 

1Complete a PFS of the Project and update the S-K 1300 TRS accordingly after completion of the exploration drilling program.

 

2Revisit and update mining and processing costs and recalculate cut-off grade.

 

3Revisit and update the Whittle pit with new cost parameters.

 

 23-1 

Westwater Resources, Inc. | Coosa Graphite Project

S-K 1300 Report 

December 11, 2023

SLR Project No.: 138.20527.00002

 

 

Table 23-1: 2024 Proposed Drilling Budget

 

Category Item Number of Drill
Holes/Assay
Total Feet
Drilled
Unit Cost
(US$/ft)
Budget
(US$)
Delineation Drilling Phase 1 - NX Area 25 1,600 100 160,000
  Phase 2 - Fixico Mine Area 35 2,300 100 230,000
  Phase 3 - SWX Area 15 1,200 100 120,000
  Phase 4 - Main Grid Area 15 1,200 100 120,000
  Phase 5 - Main Grid/Fixico Mine Area 15 1,300 100 130,000
  Phase 6 - HS South Area 10 700 100 70,000
Laboratory Assay ActLabs (primary - 5ft interval) 1,600   50 80,000
  SGS Labs (secondary - 25% primary) 400   65 26,000
Total Delineation Drilling         936,000
Advance Project PFS       600,000
Grand Total         1,536,000

 

23.3Environmental Studies, Permitting, and Plans, Negotiations, or Agreements with Local Individuals or Groups

 

1.Complete baseline studies required for the permitting of the Project.

 

2.Engage stakeholders including federal, state and local regulatory agencies as well as non-regulatory stakeholders such as adjacent property owners, tribal entities and local communities.

 

 23-2 

Westwater Resources, Inc. | Coosa Graphite Project

S-K 1300 Report 

December 11, 2023

SLR Project No.: 138.20527.00002

 

 

24.0References

 

AACE International, 2012. Cost Estimate Classification System – As Applied in the Mining and Mineral Processing Industries, AACE International Recommended Practice No. 47R-11, 17 p.

 

AGP Mining Consultants Inc., 2015, Alabama Graphite Corp. Coosa Graphite Project, Alabama, USA. Preliminary Economic Assessment, Effective and Issue Date November 27, 2015, 267 p.

 

Benchmark Mineral Intelligence Limited, 2023, Westwater Basket Pricing Scenarios – North America.

 

Brown, J.S., 1925, Graphite Deposits of Ashland, Alabama. Economic geology, Vol. 20, pp. 208-248.

 

Cameron, E. N., and Weiss, P. L., 1960, Strategic Graphite Survey. US Geological Survey Bulletin No. 1082E.

 

Clemmer, J. B., Smith, R. W., Clemmons, B. H., and Stacy, R. H., 1941, Flotation of Weathered Alabama Graphite Schists for Crucible Flake. Alabama Geological Survey, Bulletin No. 49, 101 p.

 

Dubé, J., 2014, Technical Report: Heliborne Magnetic, Spectrometric and TDEM Survey, Coosa Project, Coosa and Chilton Counties, Alabama, 2014. Report by Dubé & Desaulniers Geoscience, Ottawa, Ontario for Alabama Graphite Corp., April 2014, 97 p.

 

Durgin, D., 2013, Updated Technical Report, Coosa Graphite Project, Coosa County, Alabama, USA. NI 43-101 Technical Report for Alabama Graphite Corp., February 25, 2013, 54 p.

 

Landres Management Consultants, 2021, Preliminary Title Review dated May 2021 and prepared by Deborah L. S. Goetz for Sections 3, 4, 5, 7, 8 and 9, Township 22 N, range 17 E.

 

Greenan, D., 2022, Coosa project geologic observations to date, NX, Main Grid, SW Extension, Fixico, and HS areas, internal memorandum, April 20, 2022, 10 p.

 

Hatcher, R.D., Jr., 2010, The Appalachian orogen: A brief summary. In: Tollo, R.P., Bartholomew, M.J., Hibbard, J.P., and Karabinos, P.M., eds. From Rodinia to Pangea: The Lithotectonic Record of the Appalachian Region. Geological Society of America Memoir 206, pp. 1-19.

 

Jones, W. B., 1929, Summary Report on Graphite in Alabama. Alabama Geological Survey, Circular No. 9.

 

Landis, C. A., 1971. Graphitization of dispersed carbonaceous material in metamorphic rocks. Contributions to Mineralogy and Petrology, Vol. 30, pp. 34-45.

 

Goetz, D. L. S., 2021, Preliminary Title Review, Alabama Graphite, Coosa County, Alabama prepared for Westwater Resources, Inc. (WWR), Landres Management Consultants, May 23, 2021, 291p.

 

Mining Cost Service, 2021, Cost Models, InfoMine USA, Inc. Flotation – Two Products, p. CM 149.

 

Mining Cost Service, 2021, Cost Models, InfoMine USA, Inc. Surface Mine, p. CM 13.

 

 24-1 

Westwater Resources, Inc. | Coosa Graphite Project

S-K 1300 Report 

December 11, 2023

SLR Project No.: 138.20527.00002

 

 

Mitchell, D. J., 1993. Industrial Minerals Laboratory Manual: Flake Graphite. British Geological Survey Technical Report No. WG/92/30, 35 p.

 

Osborne, W.E., Szabo, E.W., Copeland, C.W., Jr., and Neathery, T.L., 1992, Geologic Map of Alabama, Geological Society of Alabama, Special Map 232, 1:1,000,000, web image

 

Pallister, H. D., and Thoenen, J. R., 1948. Flake Graphite and Vanadium Investigations in Clay, Coosa and Chilton Counties, Alabama. US Bureau of Mines, Report of Investigations No. 4366, 84 p.

 

Raymond, D. E., Osborne, W. E., Copeland, C. W., and Neathery, T. L., 1988, Alabama Stratigraphy. Geological Survey of Alabama, Circular No. 140, 97 p.

 

US Securities and Exchange Commission, 2018: Regulation S-K, Subpart 229.1300, Item 1300 Disclosure by Registrants Engaged in Mining Operations and Item 601 (b)(96) Technical Report Summary.

 

 24-2 

Westwater Resources, Inc. | Coosa Graphite Project

S-K 1300 Report 

December 11, 2023

SLR Project No.: 138.20527.00002

 

 

25.0Reliance on Information Provided by the Registrant

 

This TRS has been prepared by SLR for Westwater. The information, conclusions, opinions, and estimates contained herein are based on:

 

·Information available to SLR at the time of preparation of this TRS.

 

·Assumptions, conditions, and qualifications as set forth in this TRS.

 

·Data, reports, and other information supplied by Westwater and other third party sources.

 

For the purpose of this TRS, SLR has relied on ownership information provided by Westwater in a legal opinion by Landres Management Consultants dated May 23, 2021, entitled Preliminary Title Review, Alabama Graphite, Coosa County, Alabama (Goetz, 2021). SLR has relied on this information in Section 3 and SLR has not researched property title or mineral rights for the Coosa Project as we consider it reasonable to rely on Westwater’s legal counsel who is responsible for maintaining this information.

 

The Qualified Persons have taken all appropriate steps, in their professional opinion, to ensure that the above information from Westwater is sound.

 

Except as provided by applicable laws, any use of this TRS by any third party is at that party’s sole risk.

 

 25-1 

Westwater Resources, Inc. | Coosa Graphite Project

S-K 1300 Report 

December 11, 2023

SLR Project No.: 138.20527.00002

 

 

26.0Date and Signature Page

 

This report titled “Technical Report Summary on the Coosa Project, Coosa County, Alabama, USA” with an effective date of September 30, 2023 was prepared and signed by:

 

Signed SLR International Corporation
   
Dated at Lakewood, CO
December 11, 2023
SLR International Corporation

 

 26-1 

Westwater Resources, Inc. | Coosa Graphite Project

S-K 1300 Report 

December 11, 2023

SLR Project No.: 138.20527.00002

 

 

27.0Appendix 1

 

27.1Zenith Quotation for 500 tph Graphite Line

 

 27-1 

Westwater Resources, Inc. | Coosa Graphite Project

S-K 1300 Report 

December 11, 2023

SLR Project No.: 138.20527.00002

 

 

 

 

GRAPHIC

SHANGHAI ZENITH COMPANY MINING & CONSTRUCTION MACHINERY EXPERT Quote by: Hellen Xu Attn: Westwater Resources Customer ID: ZE230904k DATE: September 4th, 2023 Type: 500TPH Complete Graphite process plant ZENITH QUOTATION Location: U.S.A SHANGHAI ZENITH COMPANY MINING & CONSTRUCTION MACHINERY EXPERT Quote by: Hellen Xu Attn: Westwater Resources Customer ID: ZE230904k DATE: September 4th, 2023 Type: 500TPH Complete Graphite process plant ZENITH QUOTATION Location: U.S.A

GRAPHIC

1 3 4 5 6 7 Note: Total FOB Shanghai Price(sum of the above) $14,143,722 Fourteen Million One Hundred Forty-Three Thousand Seven Hundred Twenty-Two Dollars The crushing Machines Price $1,788,537 QUOTATION OF GRAPHITE BENEFICIATION PLANT $12,075,708 Total Amount (USD) $279,477 Shanghai ZENITH Mineral Co., Ltd. Add˖No.1688,East Gaoke Rd. Shanghai, China Tel/whatsapp˖0086-13818318895 Fax˖0086-21-58385887 Quotation of 500TPH Graphite process plant 2.Descriptions on above equipments: 1.The above quote include the main units and auxiliary facilities including motor, motor base, v-belt,rail,bolts,etc. All equipments with rustproff paint. Detailed Commercial Terms Specification of the Crushing Machinery 2. Capacity of the Plant: 500 tons per hour Background: The Plant is designed on the following basis: 1. Material: Graphite 3. Type of Plant: Stationary Steel Structure for crushing polant price (Optional) The above goods passed CE certificate and follow ISO9001 standard; Motors for crushing units and belt conveyors are Siemens Brand, the Components of Control Systems are Siemens or ABB brand, Bearings(American Timken Brand); The steel of the main structure is the Q345B (UK standard is 4360-40B(C), and USA K02502), the steel is from Chinese biggest and best steel company Bao Steel ( http://www.baosteel.com). We accept the buyer's inspection or the Third Part inspection( SGS, AI,COTECNA) 3.The Quotation doesn't include the Diesel generator Set and cables. 1 3 4 5 6 7 Note: Fourteen Million One Hundred Forty-Three Thousand Seven Hundred Twenty-Two Dollars Total Amount (USD) Shanghai ZENITH Mineral Co., Ltd. Add˖No.1688,East Gaoke Rd. Shanghai, China Tel/whatsapp˖0086-13818318895 Fax˖0086-21-58385887 Quotation of 500TPH Graphite process plant 2.Descriptions on above equipments: 1.The above quote include the main units and auxiliary facilities including motor, motor base, v-belt,rail,bolts,etc. All equipments with rustproff paint. 2. Capacity of the Plant: 500 tons per hour Background: The Plant is designed on the following basis: 1. Material: Graphite 3. Type of Plant: Stationary The above goods passed CE certificate and follow ISO9001 standard; Motors for crushing units and belt conveyors are Siemens Brand, the Components of Control Systems are Siemens or ABB brand, Bearings(American Timken Brand); The steel of the main structure is the Q345B (U Specification of the Crushing Machinery Detailed Commercial Terms Total FOB Shanghai Price(sum of the above) $14,143,722 QUOTATION OF GRAPHITE BENEFICIATION PLANT $12,075,708 Steel Structure for crushing polant price (Optional) $279,477 The crushing Machines Price $1,788,537 K standard is 4360-40B(C), and USA K02502), the steel is from Chinese biggest and best steel company Bao Steel ( http://www.baosteel.com). We accept the buyer's inspection or the Third Part inspection( SGS, AI,COTECNA) 3.The Quotation doesn't include the Diesel generator Set and cables.

GRAPHIC

Power Unit Price Qty Sum Price (KW) (USD) (SET) (USD) C-2 Hopper(optional) 100m³ / $25,675 1 $25,675 C-1 Hopper(optional) LC6x6M(11 tons) / $25,675 1 $25,675 A-1 Vibrating Feeder F5X1360 30 $34,947 1 $34,947 A-2 Jaw Crusher C6X125 160 $183,436 1 $183,436 A-3 Vibrating Screen SP1220 1.2x2 $4,422 2 $8,844 A-4 Cone Crusher HST250(S1) 220 $229,651 1 $229,651 A-5 Cone Crusher HPT500 400 $346,787 2 $693,575 A-6 Belt feeder B1000x5m 7.5 $10,698 2 $21,396 A-7 Vibrating Screen S5X3072-2 37 $59,410 3 $178,229 A-8 Metal Separator RCYD-12 3 $10,070 1 $10,070 B-1 1# Belt Conveyor B1200×30M 22 $21,681 1 $21,681 B-2 2# Belt Conveyor B1200×(25+30)M 18.5+22 $40,653 1 $40,653 B-3 3# Belt Conveyor B1200×35M 37 $38,513 1 $38,513 B-4 4# Belt Conveyor B1200×35M 37 $38,513 2 $77,026 B-5 5# Belt Conveyor B1200×(20+45+15)M 15+45+15 $93,715 1 $93,715 B-6 6# Belt Conveyor B1200×(20+40)M 15+45 $68,895 1 $68,895 1657.1 $36,557 1 $36,557 $1,788,537 Add˖No.1688 East Gaoke Rd., Shanghai, China Tel/whatsapp˖0086-13818318895 Fax˖0086-21-58385887 Total FOB Shanghai Price Control Cabinet Quotation of crushing plant price Shanghai ZENITH Mineral Co., Ltd. No. Item Model C-2 C-1 A-1 A-2 A-3 A-4 A-5 A-6 A-7 A-8 B-1 B-2 B-3 B-4 B-5 B-6 Add˖No.1688 East Gaoke Rd., Shanghai, China Tel/whatsapp˖0086-13818318895 Fax˖0086-21-58385887 Total FOB Shanghai Price Control Cabinet Quotation of crushing plant price Shanghai ZENITH Mineral Co., Ltd. No. $1,788,537 1657.1 $36,557 1 $36,557 6# Belt Conveyor B1200×(20+40)M 15+45 $68,895 1 $68,895 5# Belt Conveyor B1200×(20+45+15)M 15+45+15 $93,715 1 $93,715 4# Belt Conveyor B1200×35M 37 $38,513 2 $77,026 3# Belt Conveyor B1200×35M 37 $38,513 1 $38,513 2# Belt Conveyor B1200×(25+30)M 18.5+22 $40,653 1 $40,653 1# Belt Conveyor B1200×30M 22 $21,681 1 $21,681 Metal Separator RCYD-12 3 $10,070 1 $10,070 Vibrating Screen S5X3072-2 37 $59,410 3 $178,229 Belt feeder B1000x5m 7.5 $10,698 2 $21,396 Cone Crusher HPT500 400 $346,787 2 $693,575 Cone Crusher HST250(S1) 220 $229,651 1 $229,651 Vibrating Screen SP1220 1.2x2 $4,422 2 $8,844 Jaw Crusher C6X125 160 $183,436 1 $183,436 Vibrating Feeder F5X1360 30 $34,947 1 $34,947 Hopper(optional) LC6x6M(11 tons) / $25,675 1 $25,675 Hopper(optional) 100m³ / $25,675 1 $25,675 (USD) (SET) (USD) Power (KW) Item Qty Sum Price Unit Model Price

GRAPHIC

Qty (Set) Maintaining Platform 1 Ladder and railing 1 Strengthen Side Plate 1 main supporting frame 1 Feeding Chute 1 Feeding Hopper 1 Discharge Chute 1 main supporting frame 1 Maintaining Platform 1 Discharge Chute 1 Ladder and railing 1 main supporting frame 2 Maintaining Platform 2 Discharge Chute 2 Ladder and railing 2 4 A set of steel structures 2 Maintaining Platform 3 main supporting frame 3 Feeding Chute 3 Ladder and railing 3 Discharge Chute 3 $43,219 $279,477 $108,118 $86,991 $31,759 Notes: The above prices are for steel structure parts for the steel structure foundation, it includes maintaining platform, ladder, feeding hopper, discharge chutes, railings, main supporting frame. 5 Vibrating Screen S5X3072-2 Cone Crusher HST250(S1) $9,390 Total FOB Shanghai Price(Optional) 3 Cone Crusher HPT500 High storage steel frame No. 1 2 Vibrating Feeder F5X1360 Jaw Crusher C6X125 Shanghai ZENITH Mineral Co., Ltd. Add˖No.1688 East Gaoke Rd., Shanghai, China Tel/whatsapp˖0086-13818318895 Fax˖0086-21-58385887 Quotation of crushing plant steel structure (Optional) (Usd) Total price Model Item 4 Notes: The above prices are for steel structure parts for the steel structure foundation, it includes maintaining platform, ladder, feeding hopper, discharge chutes, railings, main supporting frame. 5 Total FOB Shanghai Price(Optional) 3 No. 1 2 Shanghai ZENITH Mineral Co., Ltd. Add˖No.1688 East Gaoke Rd., Shanghai, China Tel/whatsapp˖0086-13818318895 Fax˖0086-21-58385887 Quotation of crushing plant steel structure (Optional) $279,477 $108,118 3 Maintaining Platform main supporting frame Feeding Chute Ladder and railing Discharge Chute Vibrating Screen S5X3072-2 3 3 3 3 A set of steel structures 2 $86,991 High storage steel frame $31,759 2 main supporting frame Maintaining Platform Discharge Chute Ladder and railing Cone Crusher HPT500 2 2 2 $9,390 1 main supporting frame Maintaining Platform Discharge Chute Ladder and railing Cone Crusher HST250(S1) 1 1 1 $43,219 1 Maintaining Platform Ladder and railing Strengthen Side Plate main supporting frame Feeding Chute Feeding Hopper Discharge Chute Vibrating Feeder F5X1360 Jaw Crusher C6X125 1 1 1 1 1 1 (Usd) Qty (Set) Total price Model Item

GRAPHIC

No. Equipment Model Power (kw) Qty Unit Price (USD) Total Price (USD) Remarks ONE 1 Vibration feeder 4 $8,120 $32,480 two working, two standby 2 Feed conveyor TD75-1000 L=20M 15 2 $18,000 $36,000 3 Belt scale B=1000 2 $3,360 $6,720 4 Overflow rod mill MBY-4060 1400 2 $1,360,000 $2,720,000 5 Slurry pump Q=750m³/h H=35m 132 4 $37,100 $148,400 two working, two standby 6 Dewatering screen ZX-4373 75 2 $153,000 $306,000 10 mesh size 7 Flash flotation machine KYF-16 30 8 $19,000 $152,000 2 series 8 Overflow ball mill MQY-3645 1100 2 $1,066,000 $2,132,000 9 Slurry pump Q=600m³/h H=35m 110 4 $28,900 $115,600 10 Dewatering screen ZX-3073 45 2 $111,000 $222,000 30 mesh size 11 Submerged pump 65PV-SP 7.5 2 $3,480 $6,960 $5,878,160 QUOTATION OF GRAPHITE BENEFICIATION PLANT Tel/whatsapp˖0086-13818318895 Fax˖0086-21-58385887 Add˖No.1688 East Gaoke Rd., Shanghai, China Shanghai ZENITH Mineral Co., Ltd. Grinding section & Flash flotation Part one total price No. Equipment Model Power (kw) Qty Unit Price (USD) Total Price (USD) Remarks ONE 1 Vibration feeder 4 $8,120 $32,480 two working, two standby 2 Feed conveyor TD75-1000 L=20M 15 2 $18,000 $36,000 3 Belt scale B=1000 2 $3,360 $6,720 4 Overflow rod mill MBY-4060 1400 2 $1,360,000 $2,720,000 5 Slurry pump Q=750m³/h H=35m 132 4 $37,100 $148,400 two working, two standby 6 Dewatering screen ZX-4373 75 2 $153,000 $306,000 10 mesh size 7 Flash flotation machine KYF-16 30 8 $19,000 $152,000 2 series 8 Overflow ball mill MQY-3645 1100 2 $1,066,000 $2,132,000 9 Slurry pump Q=600m³/h H=35m 110 4 $28,900 $115,600 10 Dewatering screen ZX-3073 45 2 $111,000 $222,000 30 mesh size 11 Submerged pump 65PV-SP 7.5 2 $3,480 $6,960 $5,878,160 QUOTATION OF GRAPHITE BENEFICIATION PLANT Tel/whatsapp˖0086-13818318895 Fax˖0086-21-58385887 Add˖No.1688 East Gaoke Rd., Shanghai, China Shanghai ZENITH Mineral Co., Ltd. Grinding section & Flash flotation Part one total price

GRAPHIC

No. Equipment Model Power (kw) Qty Unit Price (USD) Total Price (USD) Remarks TWO 1 Rougher flotation circuit XCF/KYF-30 55/45 6 $35,290 $211,740 2 Pre-cleaner flotation circuit XCF/KYF-16 37/30 5 $19,000 $95,000 3 Slurry pump for concentrate Q=120m³/h H=30m 30 2 $9,275 $18,550 Pumping the concentrate from rougher and pre-cleaner flotation 4 Slurry pump for tailings Q=600m³/h H=35m 110 3 $28,900 $86,700 Two using, one standby Pumping the tailings from flotation to thickener 5 Dewatering screen VD1536 2*3 1 $20,000 $20,000 230 mesh size 6 Multistage centrifugal fan Q=350m³/min P34.3KPa 355 3 $73,100 $219,300 two working,one standy. For flotation using 7 Polish scrubber 1 $120,000 $120,000 8 First of cleaner flotation column ʔϯΎϳ͘ 75 1 $282,000 $282,000 contains automatic control & circulating pump 9 First of cleaner-scavenger flotation circuit XCF/KYF-16 37/30 6 $19,000 $114,000 twice scavenger 10 Slurry pump Q=100m³/h H=30m 30 2 $3,130 $6,260 first scavenger to flotation column 11 Slurry pump Q=100m³/h H=30m 30 2 $3,130 $6,260 second scavnger to polish scrubber 12 Linear screen VD1536 2*3 1 $20,000 $20,000 Part two price˄1˅ $1,199,810 Flotation section Shanghai ZENITH Mineral Co., Ltd. Add˖No.1688 East Gaoke Rd., Shanghai, China QUOTATION OF GRAPHITE BENEFICIATION PLANT Tel/whatsapp˖0086-13818318895 Fax˖0086-21-58385887 No. TWO 1 2 3 4 5 6 7 8 9 10 11 12 Part two price˄ Linear screen VD1536 2*3 1 $20,000 $20,000 second scavnger to polish scrubber 30 2 $3,130 $6,260 Q=100m³/h H=30m Slurry pump first scavenger to flotation column 30 2 $3,130 $6,260 Q=100m³/h H=30m Slurry pump XCF/KYF-16 37/30 6 $19,000 $114,000 twice scavenger First of cleaner-scavenger flotation circuit contains automatic control & circulating pump ʔϯΎϳ͘ 75 1 $282,000 $282,000 First of cleaner flotation column Polish scrubber 1 $120,000 $120,000 two working,one standy. For flotation using 355 3 $73,100 $219,300 Q=350m³/min P34.3KPa Multistage centrifugal fan VD1536 2*3 1 $20,000 $20,000 230 mesh size Dewatering screen Two using, one standby Pumping the tailings from flotation to thickener 110 3 $28,900 $86,700 Q=600m³/h H=35m Slurry pump for tailings Pumping the concentrate from rougher and pre-cleaner flotation 30 2 $9,275 $18,550 Q=120m³/h H=30m Slurry pump for concentrate XCF/KYF-16 37/30 5 $19,000 $95,000 Pre-cleaner flotation circuit XCF/KYF-30 55/45 6 $35,290 $211,740 Rougher flotation circuit Remarks Total Price (USD) Unit Price (USD) Qty Power (kw) Equipment Model 1˅ $1,199,810 Flotation section Shanghai ZENITH Mineral Co., Ltd. Add˖No.1688 East Gaoke Rd., Shanghai, China QUOTATION OF GRAPHITE BENEFICIATION PLANT Tel/whatsapp˖0086-13818318895 Fax˖0086-21-58385887

GRAPHIC

No. Equipment Model Power (kw) Qty Unit Price (USD) Total Price (USD) Remarks 13 Thickener NXZ-18 5.5 1 $238,840 $238,840 includes steel supporting structure 14 Attrition scrubber 1 $120,000 $120,000 15 Second of cleaner floation column ʔϯΎϳ͘ 75 1 $282,000 $282,000 Products of minus 80mesh 16 Second of cleaner-scavenger flotation circuit XCF/KYF-16 37/30 6 $19,000 $114,000 twice scavenger 17 Slurry pump Q=60m³/h H=30m 22 2 $5,565 $11,130 first scavenger to flotation column 18 Slurry pump Q=60m³/h H=30m 22 2 $5,565 $11,130 second scavnger to thickener 19 Polish scrubber 1 $120,000 $120,000 20 Second of cleaner floation column ʔϯΎϳ͘ 75 1 $282,000 $282,000 Products of +80mesh 21 Second of cleaner-scavenger flotation circuit XCF/KYF-16 6 $19,000 $114,000 twice scavenger 22 Slurry pump Q=60m³/h H=30m 22 2 $5,565 $11,130 first scavenger to flotation column 23 Slurry pump Q=60m³ /h,H=30m 22 2 $5,565 $11,130 second scavnger to polish scrubber 24 Slurry pump Q=120m³/h H=30m 30 2 $9,275 $18,550 Tailings of scavenger flotation to rougher flotation 25 Submerged pump 65PV-SP 7.5 2 $3,480 $6,960 QUOTATION OF GRAPHITE BENEFICIATION PLANT $1,340,870 Add˖No.1688, East Gaoke Rd., Shanghai, China Tel/whatsapp˖0086-13818318895 Fax˖0086-21-58385887 Part two price ˄2˅ Shanghai ZENITH Mineral Co., Ltd. No. Equipment Model Power (kw) Qty Unit Price (USD) Total Price (USD) Remarks 13 14 15 16 17 18 19 20 21 22 23 24 25 QUOTATION OF GRAPHITE BENEFICIATION PLANT $1,340, 65PV-SP 7.5 2 $3,480 $6,960 Submerged pump Tailings of scavenger flotation to rougher flotation 30 2 $9,275 $18,550 Q=120m³/h H=30m Slurry pump second scavnger to polish scrubber 22 2 $5,565 $11,130 Q=60m³ /h,H=30m Slurry pump first scavenger to flotation column 22 2 $5,565 $11,130 Q=60m³/h H=30m Slurry pump XCF/KYF-16 6 $19,000 $114,000 twice scavenger Second of cleaner-scavenger flotation circuit ʔϯΎϳ͘ 75 1 $282,000 $282,000 Products of +80mesh Second of cleaner floation column Polish scrubber 1 $120,000 $120,000 second scavnger to thickener 22 2 $5,565 $11,130 Q=60m³/h H=30m Slurry pump first scavenger to flotation column 22 2 $5,565 $11,130 Q=60m³/h H=30m Slurry pump XCF/KYF-16 37/30 6 $19,000 $114,000 twice scavenger Second of cleaner-scavenger flotation circuit Products of minus 80mesh ʔϯΎϳ͘ 75 1 $282,000 $282,000 Second of cleaner floation column Attrition scrubber 1 $120,000 $120,000 includes steel supporting structure Thickener NXZ-18 5.5 1 $238,840 $238,840 870 Add˖No.1688, East Gaoke Rd., Shanghai, China Tel/whatsapp˖0086-13818318895 Fax˖0086-21-58385887 Part two price ˄2˅ Shanghai ZENITH Mineral Co., Ltd.

GRAPHIC

No. Equipment Model Power (kw) Qty Unit Price (USD) Total Price (USD) Remarks THREE 1 Agitation tank RJ-2500 7.5 1 $5,800 $5,800 2 Thickener NZ-18 5.5 1 $238,840 $238,840 includes steel supporting structure 3 High concentration agitation tank GBJ-3000 30 1 $12,520 $12,520 4 Slurry pump Q=55m³/h H=60m 45 4 $12,000 $48,000 feeding to press filter 5 Press filter XMZG250- 1500 5.5 3 $98,800 $296,400 two working,one standy 6 Belt conveyor TD75-1000 L=35M 22 1 $23,188 $23,188 7 Submerged pump 65PV-SP 7.5 2 $3,480 $6,960 Part three total price $631,708 Dewatering of concentrate Add˖No.1688 East Gaoke Rd, Shanghai, China Tel/whatsapp˖0086-13611828824 Fax˖0086-21-58385887 QUOTATION OF GRAPHITE BENEFICIATION PLANT Shanghai ZENITH Mineral Co., Ltd. No. Equipment THREE 1 2 3 4 5 6 7 Part three total price Add˖No.1688 East Gaoke Rd, Shanghai, China Tel/whatsapp˖0086-13611828824 Fax˖0086-21-58385887 QUOTATION OF GRAPHITE BENEFICIATION PLANT $631,708 Submerged pump 65PV-SP 7.5 2 $3,480 $6,960 22 1 $23,188 $23,188 TD75-1000 L=35M Belt conveyor two working,one standy 5.5 3 $98,800 $296,400 XMZG250- 1500 Press filter 45 4 $12,000 $48,000 feeding to press filter Q=55m³/h H=60m Slurry pump GBJ-3000 30 1 $12,520 $12,520 High concentration agitation tank includes steel supporting structure Thickener NZ-18 5.5 1 $238,840 $238,840 Agitation tank RJ-2500 7.5 1 $5,800 $5,800 Dewatering of concentrate Remarks Total Price (USD) Unit Price (USD) Qty Power (kw) Model Shanghai ZENITH Mineral Co., Ltd.

GRAPHIC

No. Equipment Model Power (kw) Qty Unit Price (USD) Total Price (USD) Remarks FOUR 1 Thickener NXZ-45 15 1 $190,160 $190,160 Shell body and supporting structure are built by concrete 2 Flocculant feeding device RDX-2000 1 $23,120 $23,120 3 Agitation tank SJ4500*4500 7.5 1 $18,800 $18,800 4 Slurry pump Q=350m³/h H=30m 75 4 $22,030 $88,120 two working, two standby. Thickener to press filter 5 Press filter DU-140 400 5 $528,000 $2,640,000 four working, one standby 6 Belt conveyor TD75-1000 L=40M 22 2 $29,000 $58,000 7 Submerged pump 65PV-SP 7.5 2 $3,480 $6,960 Part four total price $3,025,160 Total FOB Shanghai Price $12,075,708 Shanghai ZENITH Mineral Co., Ltd. Add˖No.1688 East Gaoke Rd., Shanghai, China Tel/whatsapp˖0086-13818318895 QUOTATION OF GRAPHITE BENEFICIATION PLANT Dewatering of tailings No. FOUR 1 2 3 4 5 6 7 Part four total price Total FOB Shanghai Price Shanghai ZENITH Mineral Co., Ltd. Add˖No.1688 East Gaoke Rd., Shanghai, China Tel/whatsapp˖0086-13818318895 QUOTATION OF GRAPHITE BENEFICIATION PLANT $12,075,708 $3,025,160 Submerged pump 65PV-SP 7.5 2 $3,480 $6,960 22 2 $29,000 $58,000 TD75-1000 L=40M Belt conveyor four working, one standby Press filter DU-140 400 5 $528,000 $2,640,000 two working, two standby. Thickener to press filter 75 4 $22,030 $88,120 Q=350m³/h H=30m Slurry pump Agitation tank SJ4500*4500 7.5 1 $18,800 $18,800 RDX-2000 1 $23,120 $23,120 Flocculant feeding device Shell body and supporting structure are built by concrete Thickener NXZ-45 15 1 $190,160 $190,160 Dewate Remarks Total Price (USD) Unit Price (USD) Qty Power (kw) Equipment Model ring of tailings

GRAPHIC

5. Payment: 30% deposit of total amount to be paid as deposit, the balance to be paid by T/T or at sight irrevocable L/C. 6. Installation: If required, we will send the engineer to guide your workers to install the machine, take trial run; the buyer should prepare the materials and tools needed, and offer necessary assistance. The actual expenses incurred for accommodation, to and fro travel for the engineer, and insurance, should be borne by the buyer. In addition, the buyer should pay USD 140 dollars to the technician(s) per person per day as salary in the first 60 days; USD 200 dollars for the rest days. Detailed Commercial Terms Add˖No.1688 East Gaoke Rd., Shanghai, China Tel/whatsapp˖0086-13818318895 Fax˖0086-21-58385887 Shanghai ZENITH Mineral Co., Ltd. 7. Warranty: 100% brand new when leaving the factory. The seller guarantee quality of the machines (excluding wearing parts)for a period of one year from the date of trial run finish, but not to exceed 15 months from date on which machine leaves the factory. 8. Valid time: This quotation will be effective within 30 days after issuing 9. Bank Information: BENEFICIARY: SHANGHAI ZENITH MINERAL CO.,LTD BANK NAME˖SHANGHAI PUDONG DEVELOPMENT BANK, SHANGHAI (NANHUI SUBˉ BRANCH) ACCOUNT NO˖9810 1454 7400 00726 SWIFT CODE˖SPDBCNSHXXX BANK ADDRESS˖3388 RENMIN DONG ROADˈHUINAN COUNTYˈPUDONG NEWAREAˈ SHANGHAIˈP.R.C. 1. Manufacturing Period: The production will be finished within 45 working days. The Seller shall not be liable for failure or delay of the delivery in consequence of any Force Majeure incidents or any serious anthropic factor caused by the buyer. 2. Price terms: Total FOB Shanghai Price 3. Delivery Period: The shipment will be done within 15 working days after receive the payment of the balance. The seller will do the inspection, commissioning, disassembly and packing balance in these days. 4. Packing: The products should be processed to be rustproof and moisture proof before delivery. The small parts are packed into wooden crates; the big parts are wrapped by plastic sheeting. 5. Payment: 30% deposit of total amount to be paid as deposit, the balance to be paid by T/T or at sight irrevocable L/C. 6. Installation: If required, we will send the engineer to guide your workers to install the machine, take trial run; the buyer should prepare the materials and tools needed, and offer necessary assistance. The actual expenses incurred for accommodation, to and fro travel for the engineer, and insurance, should be borne by the buyer. In addition, the buyer should pay USD 140 dollars to the technician(s) per person per day as salary in the first 60 days; USD 200 dollars for the rest days. Detailed Commercial Terms Add˖No.1688 East Gaoke Rd., Shanghai, China Tel/whatsapp˖0086-13818318895 Fax˖0086-21-58385887 Shanghai ZENITH Mineral Co., Ltd. 7. Warranty: 100% brand new when leaving the factory. The seller guarantee quality of the machines (excluding wearing parts)for a period of one year from the date of trial run finish, but not to exceed 15 months from date on which machine leaves the factory. 8. Valid time: This quotation will be effective within 30 days after issuing 9. Bank Information: BENEFICIARY: SHANGHAI ZENITH MINERAL CO.,LTD BANK NAME˖SHANGHAI PUDONG DEVELOPMENT BANK, SHANGHAI (NANHUI SUBˉ BRANCH) ACCOUNT NO˖9810 1454 7400 00726 SWIFT CODE˖SPDBCNSHXXX BANK ADDRESS˖3388 RENMIN DONG ROADˈHUINAN COUNTYˈPUDONG NEWAREAˈ SHANGHAIˈP.R.C. 1. Manufacturing Period: The production will be finished within 45 working days. The Seller shall not be liable for failure or delay of the delivery in consequence of any Force Majeure incidents or any serious anthropic factor caused by the buyer. 2. Price terms: Total FOB Shanghai Price 3. Delivery Period: The shipment will be done within 15 working days after receive the payment of the balance. The seller will do the inspection, commissioning, disassembly and packing balance in these days. 4. Packing: The products should be processed to be rustproof and moisture proof before delivery. The small parts are packed into wooden crates; the big parts are wrapped by plastic sheeting.

GRAPHIC

GRAPHIC

GRAPHIC

GRAPHIC

GRAPHIC

VIBRATING FEEDER Specifications MODEL F5X1360 SIZE OF FUNNEL MAX FEEDING SIZE OVERALL DIMENSION WEIGHT CAPACITY ROTATING SPEED MOTOR GRIZZLY BAR GAP 1300x6000MM 900MM 6195x1960x1680MM 8.35TONS 600TONS PER HOUR 1000 (500-1000) R/MIN YVF2-200L-4-30<t 80-200mm OPTIONAL SCREEN MESH 10~30mm FRAME Q345 SIDE PLATE Q355B BACK PLATE ABRASION-RESISTANT STEEL NM400 GRIZZLY BAR ABRASION-RESISTANT STEEL NM400 SPRING COMPOUND SPRING Main Structure 1. Frame 6. Front Spring 2. Rear Spring 7. Motor 3. Rear Support 8. Motor Shock Absorber 4. Vibrator 9. Front Support 5. V-belt Advantages 1. Bigger capacity and high pressure resistance. 2. Lower operating tempreture due to open type oil lubrication. 3. Optional frequency controller for wider applications. 4. Continuous feeding and starting with load. VIBRATING FEEDER Specifications MODEL F5X1360 SIZE OF FUNNEL MAX FEEDING SIZE OVERALL DIMENSION WEIGHT CAPACITY ROTATING SPEED MOTOR GRIZZLY BAR GAP 1300x6000MM 900MM 6195x1960x1680MM 8.35TONS 600TONS PER HOUR 1000 (500-1000) R/MIN YVF2-200L-4-30<t 80-200mm OPTIONAL SCREEN MESH 10~30mm FRAME Q345 SIDE PLATE Q355B 3. Optional frequency controller for wider applications. 4. Continuous feeding and starting with load. BACK PLATE ABRASION-RESISTANT STEEL NM400 GRIZZLY BAR ABRASION-RESISTANT STEEL NM400 SPRING COMPOUND SPRING 2. Rear Spring 7. Motor 3. Rear Support 8. Motor Shock Absorber 4. Vibrator 9. Front Support 5. V-belt Advantages 1. Bigger capacity and high pressure resistance. 2. Lower operating tempreture due to open type oil lubrication. Main Structure 1. Frame 6. Front Spring

GRAPHIC

Heavy-duty Structure Design Oil bath-type Lubrication FV Vibrator Various Designs for Different Working Conditions High Strength Torsion Shear Bolts Connect Body and Side Plates Pin Type Bearing structure Compound Spring Rotating Shaft Type Motor Shock-absorber Modular Design High bearing capacity, long lifespan, stable operation, low noise, small impact on the ground . Stable & Reliable Operation Prolong lifespan of motor Built-in rubber plug of rotating shaft is durable up to 6 years. · Fast Manufacture · More Generalization · Easy Maintenance · One-deck plate · One-deck grizzly bar · Two-deck grizzly bar · Screen under feeder · Tensile stress is 900 Mpa · More tightly jointing. · Easy replacement. · No welding on side plate, no crack risk. Easy adjustment of installation angel. (Adjustable range 0-10°, standard 5°.) Technical Features · Pressure resistance allows heavy hopper Standard hopper 26-45m³, max hopper 80m³ · Big Tolerance of impact force · Strong Structure Heat exchange of bearing and gear, aluminum alloy shell(Good heat dissipation, like car engine), lifespan of lubrication oil up to 1500 hrs · Easy replacement of bearing within 1 hr · Bigger Vibration: World-class technology of FV Vibrator. Bigger processing capacity. · Reliable Mechanical Structure · Three seal structures (oil seal ring, double tip oil seal, and labyrinth seal). Heavy-duty Structure Design Oil bath-type Lubrication FV Vibrator Various Designs for Different Working Conditions High Strength Torsion Shear Bolts Connect Body and Side Plates Pin Type Bearing structure Compound Spring Rotating Shaft Type Motor Shock-absorber Modular Design High bearing capacity, long lifespan, stable operation, low noise, small impact on the ground . Stable & Reliable Operation Prolong lifespan of motor Built-in rubber plug of rotating shaft is durable up to 6 years. · Fast Manufacture · More Generalization · Easy Maintenance · One-deck plate · One-deck grizzly bar · Two-deck grizzly bar · Screen under feeder · Tensile stress is 900 Mpa · More tightly jointing. · Easy replacement. · No welding on side plate, no crack risk. Easy adjustment of installation angel. (Adjustable range 0-10°, standard 5°.) Technical Features · Pressure resistance allows heavy hopper Standard hopper 26-45m³, max hopper 80m³ · Big Tolerance of impact force · Strong Structure Heat exchange of bearing and gear, aluminum alloy shell(Good heat dissipation, like car engine), lifespan of lubrication oil up to 1500 hrs · Easy replacement of bearing within 1 hr · Bigger Vibration: World-class technology of FV Vibrator. Bigger processing capacity. · Reliable Mechanical Structure · Three seal structures (oil seal ring, double tip oil seal, and labyrinth seal).

GRAPHIC

JAW CRUSHER Specifications MODEL C6X125 FEED OPENING 950×1250MM MAX FEEDING SIZE 800MM SETTING ADJUSTMENT 100-250MM OVERALL DIMENSION 4100×2750×2780MM TYPE SINGLE TOGGLE CAPACITY 230-760TONS PER HOUR MOTOR POWER 160KW-4P FRAME Q345 MOVABLE PLATE HIGH MANGANESE STEEL FIXED PLATE HIGH MANGANESE STEEL TOGGLE PLATE CAST STEEL SIDE PLATE HIGH MANGANESE STEEL SPRING ROD CARBON STEEL SPRING SPRING STEEL SHIM CARBON STEEL Main Structure 1. Flywheel 7. Lower Lining Plate 2. Upper Lining Plate 8. Movable Jaw 3. Movable Jaw 9. Toggle Plate 4. Movable Jaw Plate 10. Adjustment Device 5. Fixed Jaw Plate 11. Tension Rod 6. Frame 12. Spring Advantages 1. Detachable frame -Higher strength 2. Upgraded cavity -Higher crushing efficiency 3. Integrated design -Smaller installation space 4. Elastic damping anchors -Decreasing equipment impact. 5. Flexible switching between fixed and mobile operations. JAW CRUSHER Specifications MODEL C6X125 FEED OPENING 950×1250MM MAX FEEDING SIZE 800MM SETTING ADJUSTMENT 100-250MM OVERALL DIMENSION 4100×2750×2780MM TYPE SINGLE TOGGLE CAPACITY 230-760TONS PER HOUR MOTOR POWER 160KW-4P FRAME Q345 MOVABLE PLATE HIGH MANGANESE STEEL FIXED PLATE HIGH MANGANESE STEEL TOGGLE PLATE CAST STEEL SIDE PLATE HIGH MANGANESE STEEL SPRING ROD CARBON STEEL SPRING SPRING STEEL SHIM CARBON STEEL Plate Device Advantages 1. Detachable frame -Higher strength 2. Upgraded cavity -Higher crushing efficiency 3. Integrated design -Smaller installation space 4. Elastic damping anchors -Decreasing equipment impact. 5. Flexible switching between fixed and mobile operations. Main Structure 1. Flywheel 7. Lower Lining P 2. Upper Lining Plate 8. Movable Jaw 3. Movable Jaw 9. Toggle Plate 4. Movable Jaw Plate 10. Adjustment 5. Fixed Jaw Plate 11. Tension Rod 6. Frame 12. Spring

GRAPHIC

VIBRATING FEEDER Specifications MODEL SP1220 MAX FEEDING SIZE 400MM OVERALL DIMENSION 2217×1597×1548MM CAPACITY 400 500 TONS PER HOUR MOTOR 1.2KWX2 Double Amplitude 3 4mm Rotating Speed 1470r/min MOTOR MODEL MVE25000/15 MOTOR BRAND OLI WOLONG FRAME Q235 SPRING SPRING STEEL Main Structure 1.feeding box 2.lifting device 3. Electromagnetic Vibration Exciter R VIBRATING FEEDER Specifications MODEL SP1220 MAX FEEDING SIZE 400MM OVERALL DIMENSION 2217×1597×1548MM CAPACITY 400 500 TONS PER HOUR MOTOR 1.2KWX2 Double Amplitude 3 4mm Rotating Speed 1470r/min MOTOR MODEL MVE25000/15 MOTOR BRAND OLI WOLONG FRAME Q235 SPRING SPRING STEEL Main Structure 1.feeding box 2. lifting device 3. Electromagnetic Vibration Exciter

GRAPHIC

KEZh,Z ƉĞĐŝĨŝĐĂƚŝŽŶƐ DK ,d s/dz D /hD Zs/dz K / dd/E'KWE/E'DD Dy& /E'DDϬ D/E/DhD /,Z'/E'DD KsZ /DE/KEDD ϮϭϬϬпϮϯϮϬпϰϬϵϲ W/dzdͬ, ϮΕϲϬ WKtZ<t ϮϮϬ D/E&ZD ,/', dZE'd,dd KEsΘDEd ,/',DE'Ed D/E,&dKzdϰϬƌEŝDŽ EdZ/h,/E' ,/', dZE'd,dd KZ/ hZ/d/KEK/dd/KEϭhE/d /ZKKZϭhE/d K/,dZϭhE/d͕K/dE< ,z Zh/dd/KEϭd KEdZKzdDϭd DĂŝŶƚƌƵĐƚƵƌĞ ϭ͘dŽƉĞĂƌŝŶŐĂƉ ϭϬ͘ ƵƐƚƉƌŽŽĨĞĂůŝŶŐZŝŶŐ Ϯ͘dŽƉĞĂƌŝŶŐ ϭϭ͘WŝŶŝŽŶ ͘ŽĐŬŶƵƚ ϭϮ͘dƌĂŵƐŵŝƐƐŝŽŶŚĂĨƚ ͘DĂŶƚůĞ ϭϯ͘WƵůůĞLJ ͘DŽǀĂďůĞŽŶĞ ϭϰ͘ŽǁĞƌ&ƌĂŵĞ ϲ͘DĂŝŶŚĂĨƚ ϭ͘ŝŐ'ĞĂƌ ϳ͘hƉƉĞƌ&ƌĂŵĞ ϭϲ͘ĐĐĞŶƚƌŝĐƵƐŚ ϴ͘ŽŶĐĂǀĞŽĐŬďŽůƚ ϭϳ͘dŚƌƵƐƚĞĂƌŝŶŐ ϵ͘ŽŶĐĂǀĞ ϭϴ͘,LJĚƌĂƵůŝĐLJůŝŶĚĞƌ ĚǀĂŶƚĂŐĞƐ ͘DƵůƚŝƉůĞĐĂǀŝƚŝĞƐĨŽƌǀĂƌŝŽƵƐƉƌŽĐĞƐƐŝŶŐƌĞƋƵŝƌĞŵĞŶƚƐ͘ ϭ͘'ŽŽĚƉĞƌĨŽƌŵĂŶĐĞΘŐƌĞĂƚĐĂƉĂĐŝƚLJ͘ Ϯ͘ŽǁĞƌŽƉĞƌĂƚŝŶŐĐŽƐƚΘůŽŶŐĞƌůŝĨĞĐLJĐůĞ ͘&ƵůůĂƵƚŽŵĂƚŝĐĐŽŶƚƌŽů KEZh,Z ƉĞĐŝĨŝĐĂƚŝŽŶƐ DK ,d s/dz D /hD Zs/dz K / dd/E'KWE/E'DD Dy& /E'DDϬ D/E/DhD /,Z'/E'DD KsZ /DE/KEDD ϮϭϬϬпϮϯϮϬпϰϬϵϲ W/dzdͬ, ϮΕϲϬ WKtZ<t ϮϮϬ D/E&ZD ,/', dZE'd,dd KEsΘDEd ,/',DE'Ed D/E,&dKzdϰϬƌEŝDŽ EdZ/h,/E' ,/', dZE'd,dd KZ/ hZ/d/KEK/dd/KEϭhE/d /ZKKZϭhE/d K/,dZϭhE/d͕K/dE< ,z Zh/dd/KEϭd KEdZKzdDϭ d DĂŝŶ ƚƌƵĐƚƵƌĞ ϭ͘dŽƉĞĂƌŝŶŐĂƉ ϭϬ͘ ƵƐƚƉƌŽŽĨĞĂůŝŶŐZŝŶŐ Ϯ͘dŽƉĞĂƌŝŶŐ ϭϭ͘WŝŶŝŽŶ ͘ŽĐŬŶƵƚ ϭϮ͘ dƌĂŵƐŵŝƐƐŝŽŶŚĂĨƚ ͘DĂŶƚůĞ ϭϯ͘WƵůůĞLJ ͘DŽǀĂďůĞŽŶĞ ϭϰ͘ŽǁĞƌ&ƌĂŵĞ ϲ͘DĂŝŶŚĂĨƚ ϭ͘ŝŐ'ĞĂƌ ϳ͘hƉƉĞƌ&ƌĂŵĞ ϭϲ͘ĐĐĞŶƚƌŝĐƵƐŚ ϴ͘ŽŶĐĂǀĞŽĐŬďŽůƚ ϭϳ͘dŚƌƵƐƚĞĂƌŝŶŐ ϵ͘ŽŶĐĂǀĞ ϭϴ͘,LJĚƌĂƵůŝĐLJůŝŶĚĞƌ ĚǀĂŶƚĂŐĞƐ ͘DƵůƚŝƉůĞĐĂǀŝƚŝĞƐĨŽƌǀĂƌŝŽƵƐƉƌŽĐĞƐƐŝŶŐƌĞƋƵŝƌĞŵĞŶƚƐ͘ ϭ͘'ŽŽĚƉĞƌĨŽƌŵĂŶĐĞΘŐƌĞĂƚĐĂƉĂĐŝƚLJ͘ Ϯ͘ŽǁĞƌŽƉĞƌĂƚŝŶŐĐŽƐƚΘůŽŶŐĞƌůŝĨĞĐLJĐůĞ ͘&Ƶůů ĂƵƚŽŵĂƚŝĐ ĐŽŶƚƌŽů

GRAPHIC

ͼdƌĂŶƐŵŝƐƐŝŽŶďLJƉŝƌĂů ĞǀĞů'ĞĂƌ ͼƉĞĐŝĂů&ŝdžĂƚŝŽŶŽĨ ŝŶĞƌWůĂƚĞ LJƵƐŝŶŐƐƉŝƌĂůďĞǀĞůŐĞĂƌ͕ƚŚĞĚƌŝǀĞ ƐLJƐƚĞŵĞŶƐƵƌĞƐĂŐƌĞĂƚĞƌĐŽŵƉƌĞƐƐŝǀĞ ĐĂƉĂĐŝƚLJ͕ĂƐƚĂďůĞƚƌĂŶƐŵŝƐƐŝŽŶĂŶĚůŽǁĞƌŶŽŝƐĞ͘ ĚǀĂŶĐĞĚĨŝdžĂƚŝŽŶŽĨůŝŶĞƌƉůĂƚĞŵĂŬĞƐƚŚĞůŝŶĞƌƉůĂƚĞŵŽƌĞƌĞůŝĂďůĞ͕ŶŽŶĞĞĚ ŽĨĨŝůůŝŶŐŵĂƚĞƌŝĂů͕ůŽǁĞƌƌĞƉůĂĐĞŵĞŶƚĐŽƐƚĂŶĚƐŝŵƉůĞƌŽƉĞƌĂƚŝŽŶ͘ ͼ,LJĚƌĂƵůŝĐLJƐƚĞŵ ƚĂďůĞƌƵŶŶŝŶŐ͕ĞĂƐLJ ŵĂŝŶƚĞŶĂŶĐ͕ƐŝŵƉůĞ ŽƉĞƌĂƚŝŽŶĂŶĚƐŚŽƌƚ ďƌĞĂŬ ĚŽǁŶƚŝŵĞ͘ ͼƵďƌŝĐĂƚŝŽŶLJƐƚĞŵ &ƌŝĐƚŝŽŶŚĞĂƚĚŝƐƐŝƉĂƚĞĚ͕ ůĞƐƐĨƌŝĐƚŝŽŶĂŶĚ ĐŽŶƐƵŵƉƚŝŽŶ͕ůŽŶŐĞƌ ǁŽƌŬŝŶŐůŝĨĞ͘ ͼƌƵƐŚŝŶŐƌĞĂ ĞƐŝŐŶ DŽƌĞĨŝŶĞƐŝnjĞŽƵƚƉƵƚ͕ ůŽŶŐǁŽƌŬŝŶŐůŝĨĞĂŶĚ ůŽǁĞƌƌƵŶŶŝŶŐĐŽƐƚ͘ ͼdžĐĞůůĞŶƚĞĂůŝŶŐ ĞƐŝŐŶ ZĞůŝĂďůĞĂŶĚĞĨĨĞĐƚŝǀĞ ĚƵƐƚƉƌŽŽĨĨŽƌ ůƵďƌŝĐĂƚŝŶŐŽŝůĂŶĚ ƉƌŽůŽŶŐŝŶŐƐĞƌǀŝĐĞůŝĨĞ ŽĨůƵďƌŝĐĂŶƚƐĂŶĚ ŵĂĐŚŝŶĞƉĂƌƚƐ͘ ͼŽŶƚƌŽůLJƐƚĞŵ ŚŽǁŝŶŐĐƵƐƚŽŵĞƌƚŚĞ ŽƉĞƌĂƚŝŶŐƉĂƌĂŵĞƚĞƌƚŽ ƌĞƉůĂĐĞƚŚĞǁĞĂƌŝŶŐ ƉĂƌƚƐĂŶĚĚŽƚŚĞ ŵĂŝŶƚĞŶĂŶĐĞŝŶƚŝŵĞ͘ ͼŽƉƉĞƌƵƐŚŝŶŐ ĞƐŝŐŶ ZĞƐŽŶĂďůĞĚĞƐŝŐŶĂŶĚ ŵĂŶƵĨĂĐƚƵƌŝŶŐƉƌŽĐĞƐƐ ŵĂŬĞƐƵƌĞůŽŶŐǁŽƌŬŝŶŐ ůŝĨĞŽĨĐŽƉƉĞƌďƵƐŚŝŶŐ͘ WĐŽŶƚƌŽůƐLJƐƚĞŵ ƵƚŽŵĂƚŝĐĐŽŶƚƌŽůŽĨĚŝƐĐŚĂƌŐĞŽƉĞŶŝŶŐ ĂƌŐĞďĞĂƌŝŶŐĂƌĞĂ &ƵůůĐŽŶƚĂĐƚ ĨƚĞƌƚĞƐƚƌƵŶŶŝŶŐĐŚĞĐŬ ,ĂƌĚǁĞĂƌŝŶŐƐƉĂƌĞƉĂƌƚƐ WŽƐŝƚŝǀĞƉƌĞƐƐƵƌĞĚƵƐƚƉƌŽŽĨĚĞƐŝŐŶ ŝŐŐĞƌĂŝƌƉƌĞƐƐƵƌĞ ŽŶŐĞƌǁŽƌŬŝŶŐůŝĨĞŽĨďĞĂƌŝŶŐ DĂŶƵĂůĐŽŶƚƌŽůƐLJƐƚĞŵ /ŶƚĞŐƌĂƚĞĚŚLJĚƌĂƵůŝĐůƵďƌŝĐĂƚŝŽŶƐLJƐƚĞŵ ĞŶƚƌĂůŝnjĞĚůƵďƌŝĐĂƚŝŽŶƐLJƐƚĞŵ ŝƌ ĐŽŽůŝŶŐƐLJƐƚĞŵ /ŶƚĞƌ ƉĂƌƚŝĐůĞĐƌƵƐŚŝŶŐĚĞƐŝŐŶ ,ŝŐŚƌƵŶŶŝŶŐƐƉĞĞĚ dĞĐŚŶŝĐĂů&ĞĂƚƵƌĞƐ ,LJĚƌĂƵůŝĐĐůĞĂƌŝŶŐŽĨĐĂǀŝƚLJ dƌĂŵƉŝƌŽŶƉĂƐƐŝŶŐƉƌŽƚĞĐƚŝŽŶ ,LJĚƌĂƵůŝĐĂĚũƵƐƚŵĞŶƚŽĨ͘͘ƐĞƚƚŝŶŐ 'XVW &OHDQ$LU ͼdƌĂŶƐŵŝƐƐŝŽŶďLJƉŝƌĂů ĞǀĞů'ĞĂƌ ͼƉĞĐŝĂů&ŝdžĂƚŝŽŶŽĨ ŝŶĞƌWůĂƚĞ LJƵƐŝŶŐƐƉŝƌĂů ďĞǀĞů ŐĞĂƌ͕ƚŚĞĚƌŝǀĞ ƐLJƐƚĞŵĞŶƐƵƌĞƐĂŐƌĞĂƚĞƌĐŽŵƉƌĞƐƐŝǀĞ ĐĂƉĂĐŝƚLJ͕ĂƐƚĂďůĞƚƌĂŶƐŵŝƐƐŝŽŶĂŶĚůŽǁĞƌŶŽ ĚǀĂŶĐĞĚĨŝdžĂƚŝŽŶŽĨůŝŶĞƌƉůĂƚĞŵĂŬĞƐƚŚĞůŝŶĞƌƉůĂƚĞŵŽƌĞƌĞůŝĂďůĞ͕ŶŽŶĞĞĚ ŽĨĨŝůůŝŶŐŵĂƚĞƌŝĂů͕ůŽǁĞƌƌĞƉůĂĐĞŵĞŶƚĐŽƐƚĂŶĚƐŝŵƉůĞƌŽƉĞƌĂƚŝŽŶ͘ ͼ,LJĚƌĂƵůŝĐLJƐƚĞŵ ƚĂďůĞƌƵŶŶŝŶŐ͕ĞĂƐLJ ŵĂŝŶƚĞŶĂŶĐ͕ƐŝŵƉůĞ ŽƉĞƌĂƚŝŽŶĂŶĚƐŚŽƌƚ ďƌĞĂŬ ĚŽǁŶƚŝŵĞ͘ ͼƵďƌŝĐĂƚŝŽŶLJƐƚĞŵ &ƌŝĐƚŝŽŶŚĞĂƚĚŝƐƐŝƉĂƚĞĚ͕ ůĞƐƐĨƌŝĐƚŝŽŶĂŶĚ ĐŽŶƐƵŵƉƚŝŽŶ͕ůŽŶŐĞƌ ǁŽƌŬŝŶŐůŝĨĞ͘ ͼƌƵƐŚŝŶŐƌĞĂ ĞƐŝŐŶ DŽƌĞĨŝŶĞƐŝnjĞŽƵƚƉƵƚ͕ ůŽŶŐǁŽƌŬŝŶŐůŝĨĞĂŶĚ ůŽǁĞƌƌƵŶŶŝŶŐĐŽƐƚ͘ ͼdžĐĞůůĞŶƚĞĂůŝŶŐ ĞƐŝŐŶ ZĞůŝĂďůĞ ĂŶĚ ĞĨĨĞĐƚŝǀĞ ĚƵƐƚƉƌŽŽĨĨŽƌ ůƵďƌŝĐĂƚŝŶŐ Žŝů ĂŶĚ ƉƌŽůŽŶŐŝŶŐƐĞƌǀŝĐĞůŝĨĞ ŽĨůƵďƌŝĐĂŶƚƐ ĂŶĚ ŵĂĐŚŝŶĞƉĂƌƚƐ͘ ͼŽŶƚƌŽůLJƐƚĞŵ ŚŽǁŝŶŐĐƵƐƚŽŵĞƌƚŚĞ ŽƉĞƌĂƚŝŶŐƉĂƌĂŵĞƚĞƌƚŽ ƌĞƉůĂĐĞƚŚĞǁĞĂƌŝŶŐ ƉĂƌƚƐĂŶĚĚŽƚŚĞ ŵĂŝŶƚĞŶĂŶĐĞŝŶƚŝŵĞ͘ ͼŽƉƉĞƌƵƐŚŝŶŐ ĞƐŝŐŶ ZĞƐŽŶĂďůĞĚĞƐŝŐŶĂŶĚ ŵĂŶƵĨĂĐƚƵƌŝŶŐƉƌŽĐĞƐƐ ŵĂŬĞƐƵƌĞůŽŶŐǁŽƌŬŝŶŐ ůŝĨĞŽĨĐŽƉƉĞƌďƵƐŚŝŶŐ͘ WĐŽŶƚƌŽůƐLJƐƚĞŵ ƵƚŽŵĂƚŝĐĐŽŶƚƌŽůŽĨĚŝƐĐŚĂƌŐĞŽƉĞŶŝŶŐ ĂƌŐĞďĞĂƌŝŶŐĂƌĞĂ &Ƶůů ĐŽŶƚĂĐƚ ĨƚĞƌƚĞƐƚƌƵŶŶŝŶŐĐŚĞĐŬ ,ĂƌĚǁĞĂƌŝŶŐƐƉĂƌĞƉĂƌƚƐ WŽƐŝƚŝǀĞƉƌĞƐƐƵƌĞĚƵƐƚƉƌŽŽĨĚĞƐŝŐŶ ŝŐŐĞƌĂŝƌƉƌĞƐƐƵƌĞ ŽŶŐĞƌǁŽƌŬŝŶŐůŝĨĞŽĨďĞĂƌŝŶŐ DĂŶƵĂůĐŽŶƚƌŽůƐLJƐƚĞŵ /ŶƚĞŐƌĂƚĞĚŚLJĚƌĂƵůŝĐůƵďƌŝĐĂƚŝŽŶƐLJƐƚĞŵ ĞŶƚƌĂůŝnjĞĚůƵďƌŝĐĂƚŝŽŶƐLJƐƚĞŵ ŝƌ ĐŽŽůŝŶŐƐLJƐƚĞŵ /ŶƚĞƌ ƉĂƌƚŝĐůĞĐƌƵƐŚŝŶŐĚĞƐŝŐŶ ,ŝŐŚƌƵŶŶŝŶŐƐƉĞĞĚ dĞĐŚŶŝĐĂů&ĞĂƚƵƌĞƐ ,LJĚƌĂƵůŝĐĐůĞĂƌŝŶŐŽĨĐĂǀŝƚLJ dƌĂŵƉŝƌŽŶƉĂƐƐŝŶŐƉƌŽƚĞĐƚŝŽŶ ,LJĚƌĂƵůŝĐĂĚũƵƐƚŵĞŶƚŽĨ͘͘ƐĞƚƚŝŶŐ 'XVW &OHDQ$LU

GRAPHIC

KEZh,Z ƉĞĐŝĨŝĐĂƚŝŽŶƐ DK ,WdϬϬD s/dz D /hD Dy& /E' ϮϭϬDD K / dd/E'D/E͘ ϮϮDD W/dzϯϬ ϲϬdKEWZ,KhZ KsZ /DE/KE ϮϴϬϬпϯϰϴϬпϰϬϬDD t/',dϮdKE DKdKZWKtZ ϬϬ<t ůŽǁǀŽůƚĂŐĞŵŽƚŽƌ͗ϰϬϬsнͬ ϭϬй͕Ϭ,nj DKdKZZE ŝĞŵĞŶƐD /E,/E Z/E'dzW ƌĂƐƐƵƐŚŝŶŐ Z/E'ZE ŚŝŶĞƐĞĨĂŵŽƵƐďƌĂŶĚ D/E&ZD ,/', dZE'd,dd KEsΘDEd ,/',DE'Ed & Wd ,/', 'ZKzdZhdhZd KZ/ hZ/d/KEK/dd/KEϭhE/d /ZKKZϭhE/d K/,dZϭhE/d͕K/dE< ,z Zh/dd/KEϭd KEdZKzdDϭd DĂŝŶƚƌƵĐƚƵƌĞ ϭ͘ ,ŽƉƉĞƌ ϭϭ͘ DĂŶƚůĞ Ϯ͘ĚũƵƐƚŝŶŐĂƉ ϭϮ͘ WƌŽƚĞĐƚŝǀĞLJůŝŶĚĞƌ ͘ ,LJĚƌĂƵůŝĐĚũƵƐƚŵĞŶƚ ĞǀŝĐĞ ϭϯ͘DĂŝŶ&ƌĂŵĞ ͘ ŽŶĐĂǀĞ ϭϰ͘ ŝŐ'ĞĂƌ ͘ ŽŶĞŚĞĂĚ ϭ͘ ĐĐĞŶƚƌŝĐƵƐŚ ϲ͘ĚũƵƐƚŝŶŐZŝŶŐ ϭϲ͘ DĂŝŶŚĂĨƚ ϳ͘ ŽĐŬŝŶŐLJůŝŶĚĞƌ ϭϳ͘ ĂůĂŶĐĞZŝŶŐ ϴ͘ ƵƉƉŽƌƚŝŶŐƵƐŚ ϭϴ͘ WŝŶŝŽŶ ϵ͘ ŽĐŬĞƚĞĂƌŝŶŐ ϭϵ͘ dƌĂŶƐŵŝƐƐŝŽŶŚĂĨƚ ϭϬ͘ DŽǀĂďůĞŽŶĞ ϮϬ͘ WƵůůĞLJ ĚǀĂŶƚĂŐĞƐ ϭ͘ KƉƚŝŵŝnjĞĚƐƚƌƵĐƚƵƌĞĨŽƌŚŝŐŚĞƌƉƌŽĚƵĐƚŝŽŶĞĨĨŝĐŝĞŶĐLJ͘ Ϯ͘ &ƵůůŚLJĚƌĂƵůŝĐĐŽŶƚƌŽůĨŽƌŵŽƌĞĐŽŶǀĞŶŝĞŶĐĞĂŶĚ ƌĞůŝĂďŝůŝƚLJ͘ ͘ /ŶƚĞŐƌĂƚĞĚŚLJĚƌĂƵůŝĐůƵďƌŝĐĂƚŝŽŶƐLJƐƚĞŵ͘ ͘ /ŶƚĞƌ ƉĂƌƚŝĐůĞĐƌƵƐŚŝŶŐĨŽƌďĞƚƚĞƌƉƌŽĚƵĐƚƋƵĂůŝƚLJ͘ ͘ DƵůƚŝƉůĞĐĂǀŝƚŝĞƐƐĂƚŝƐŝĨLJǀĂƌŝŽƵƐƉƌŽĚƵĐƚŝŽŶĂƉƉůŝĐĂƚŝŽŶƐ͘ KEZh,Z ƉĞĐŝĨŝĐĂƚŝŽŶƐ DK ,WdϬϬD s/dz D /hD Dy& /E' ϮϭϬ DD K / dd/E'D/E͘ ϮϮDD W/dzϯϬ ϲϬ dKEWZ,KhZ KsZ /DE/KE ϮϴϬϬпϯϰϴϬпϰϬϬDD t/',dϮdKE DKdKZWKtZ ϬϬ<t ůŽǁǀŽůƚĂŐĞŵŽƚŽƌ͗ϰϬϬsнͬ ϭϬй͕Ϭ,nj DKdKZZE ŝĞŵĞŶƐD /E,/E Z/E'dzW ƌĂƐƐƵƐŚŝŶŐ Z/E'ZE ŚŝŶĞƐĞĨĂŵŽƵƐ ďƌĂŶĚ D/E&ZD ,/', dZE'd,dd KEsΘDEd ,/',DE'Ed & Wd ,/', 'ZKzdZhdhZ d KZ/ hZ/d/KEK/dd/KEϭhE/d /ZKKZϭhE/d K/,dZϭhE/d͕ K/dE< ,z Zh/dd/KEϭd KEdZKzdDϭd LJůŝŶĚĞƌ ŵĞ ͘ ŽŶĐĂǀĞ ϭϰ͘ ŝŐ 'ĞĂƌ ͘ ŽŶĞ ŚĞĂĚ ϭ͘ ĐĐĞŶƚƌŝĐƵƐŚ ϲ͘ĚũƵƐƚŝŶŐZŝŶŐ ϭϲ͘ DĂŝŶŚĂĨƚ ϳ͘ ŽĐŬŝŶŐLJůŝŶĚĞƌ ϭϳ͘ ĂůĂŶĐĞZŝŶŐ ϴ͘ ƵƉƉŽƌƚŝŶŐƵƐŚ ϭϴ͘ WŝŶŝŽŶ ϵ͘ ŽĐŬĞƚĞĂƌŝŶŐ ϭϵ͘ dƌĂŶƐŵŝƐƐŝŽŶŚĂĨƚ ϭϬ͘ DŽǀĂďůĞŽŶĞ ϮϬ͘ WƵůůĞLJ ĚǀĂŶƚĂŐĞƐ ϭ͘ KƉƚŝŵŝnjĞĚƐƚƌƵĐƚƵƌĞĨŽƌŚŝŐŚĞƌƉƌŽĚƵĐƚŝŽŶĞĨĨŝĐŝĞŶĐLJ͘ Ϯ͘ &ƵůůŚLJĚƌĂƵůŝĐĐŽŶƚƌŽůĨŽƌŵŽƌĞĐŽŶǀĞŶŝĞŶĐĞĂŶĚ ƌĞůŝĂďŝůŝƚLJ͘ ͘ /ŶƚĞŐƌĂƚĞĚŚLJĚƌĂƵůŝĐůƵďƌŝĐĂƚŝŽŶƐLJƐƚĞŵ͘ ͘ /ŶƚĞƌ ƉĂƌƚŝĐůĞĐƌƵƐŚŝŶŐĨŽƌďĞƚƚĞƌƉƌŽĚƵĐƚƋƵĂůŝƚLJ͘ ͘ DƵůƚŝƉůĞĐĂǀŝƚŝĞƐƐĂƚŝƐŝĨLJǀĂƌŝŽƵƐƉƌŽĚƵĐƚŝŽŶĂƉƉůŝĐĂƚŝŽŶƐ͘

GRAPHIC

dĞĐŚŶŝĐĂů&ĞĂƚƵƌĞƐ ͼ ,LJĚƌĂƵůŝĐĂĨĞƚLJĂŶĚůĞĂƌŝŶŐ ŶƐƵƌŝŶŐƐƚĂďůĞƌƵŶŶŝŶŐĂŶĚ ĞĂƐLJŽƉĞƌĂƚŝŽŶ͖ ŚŽƌƚĞŶďƌĞĂŬĚŽǁŶƚŝŵĞ͘ ,LJĚƌĂƵůŝĐĐůĞĂƌŝŶŐŽĨĐĂǀŝƚLJ dƌĂŵƉŝƌŽŶƉĂƐƐŝŶŐƉƌŽƚĞĐƚŝŽŶ ,LJĚƌĂƵůŝĐĂĚũƵƐƚŵĞŶƚŽĨ͘͘ƐĞƚƚŝŶŐ ,LJĚƌĂƵůŝĐůŽĐŬŝŶŐ ͼ ƵďƌŝĐĂƚŝŽŶƐLJƐƚĞŵ ĞdžĐĞůůĞŶƚůƵďƌŝĐĂƚŝŽŶ ĐĂƌƌLJŝŶŐŽĨĨĨƌŝĐƚŝŽŶŚĞĂƚ͕ ƐĂǀŝŶŐĐŽŶƐƵŵƉƚŝŽŶĂŶĚ ƉƌŽůŽŶŐŝŶŐƚŚĞǁŽƌŬŝŶŐůŝĨĞ͘ /ŶƚĞŐƌĂƚĞĚŚLJĚƌĂƵůŝĐůƵďƌŝĐĂƚŝŽŶƐLJƐƚĞŵ ĞŶƚƌĂůŝnjĞĚůƵďƌŝĐĂƚŝŽŶƐLJƐƚĞŵ ŝƌ ĐŽŽůŝŶŐƐLJƐƚĞŵ ͼ ƌƵƐŚŝŶŐƌĞĂ ĞƐŝŐŶ DŽƌĞĐƵďŝĐƐŚĂƉĞŽƵƚƉƵƚƐ &ŽƌŵŝŶŐĂůĂLJĞƌŽĨƉƌŽƚĞĐƚŝŽŶƚŽ ƌĞĚƵĐĞƚŚĞǁĞĂƌŝŶŐƉĂƌƚƐ ĐŽŶƐƵŵƉƚŝŽŶ ůŽǁĞƌƌƵŶŶŝŶŐ /ŶƚĞƌ ƉĂƌƚŝĐůĞĐƌƵƐŚŝŶŐĚĞƐŝŐŶ ,ŝŐŚƌƵŶŶŝŶŐƐƉĞĞĚ ŶĚƵƌĂďůĞǁĞĂƌŝŶŐƉĂƌƚƐ ͼ DƵůƚŝĞĂůWƌŽƚĞĐƚŝŽŶ ZĞůŝĂďůĞĂŶĚĞĨĨĞĐƚŝǀĞĚƵƐƚƉƌŽŽĨ ĨŽƌůƵďƌŝĐĂƚŝŶŐŽŝůĂŶĚ ƉƌŽůŽŶŐŝŶŐƐĞƌǀŝĐĞůŝĨĞŽĨ ůƵďƌŝĐĂŶƚƐĂŶĚŵĂĐŚŝŶĞƉĂƌƚƐ͘ WŽƐŝƚŝǀĞƉƌĞƐƐƵƌĞĚƵƐƚƉƌŽŽĨĚĞƐŝŐŶ ƉŚĞƌŝĐĂůĨůŽĂƚŝŶŐƐĞĂůďĂƐĞĚŽŶd hƐĞĂů ,ĞĂǀLJƉƌĞƐƐƵƌĞƐĞĂůƐĨŽƌŚLJĚƌĂƵůŝĐƐĞƚ ͼ ŽŶƚƌŽůLJƐƚĞŵ ŚŽǁŝŶŐĐƵƐƚŽŵĞƌƚŚĞ ŽƉĞƌĂƚŝŶŐƉĂƌĂŵĞƚĞƌƚŽƌĞƉůĂĐĞ ƚŚĞǁĞĂƌŝŶŐƉĂƌƚƐĂŶĚĚŽƚŚĞ ŵĂŝŶƚĞŶĂŶĐĞŝŶƚŝŵĞ͘ DĂŶƵĂůĐŽŶƚƌŽůƐLJƐƚĞŵ WĐŽŶƚƌŽůƐLJƐƚĞŵ ƵƚŽŵĂƚŝĐĐŽŶƚƌŽůŽĨĚŝƐĐŚĂƌŐĞŽƉĞŶŝŶŐ ͼ ŽƉƉĞƌƵƐŚŝŶŐ ĞƐŝŐŶ ZĞƐŽŶĂďůĞĚĞƐŝŐŶĂŶĚ ŵĂŶƵĨĂĐƚƵƌŝŶŐƉƌŽĐĞƐƐŵĂŬĞ ƐƵƌĞůŽŶŐǁŽƌŬŝŶŐůŝĨĞŽĨĐŽƉƉĞƌ ďƵƐŚŝŶŐ͘ ĂƌŐĞďĞĂƌŝŶŐĂƌĞĂ &ƵůůĐŽŶƚĂĐƚ ĨƚĞƌƚĞƐƚƌƵŶŶŝŶŐĐŚĞĐŬ ͼ dƌĂŶƐŵŝƐƐŝŽŶďLJƉŝƌĂůĞǀĞů 'ĞĂƌ LJƵƐŝŶŐƐƉŝƌĂůďĞǀĞůŐĞĂƌ͕ƚŚĞĚƌŝǀĞƐLJƐƚĞŵ ĞŶƐƵƌĞƐĂŐƌĞĂƚĞƌĐŽŵƉƌĞƐƐŝǀĞĐĂƉĂĐŝƚLJ͕ĂƐƚĂďůĞ ƚƌĂŶƐŵŝƐƐŝŽŶĂŶĚůŽǁĞƌŶŽŝƐĞ ͼ &ƌŝĞŶĚůLJ ĞƐŝŐŶŽĨWƌĞƐƐƵƌĞ 'ĂƵŐĞĂŶĚKŝůdĞŵƉĞƌĂƚƵƌĞ DĞƚĞƌ dŚĞWƌĞƐƐƵƌĞŐĂƵŐĞĂŶĚŽŝůƚĞŵƉĞƌĂƚƵƌĞŵĞƚĞƌ ĂƌĞĞƋƵŝƉƉĞĚŽŶƚŚĞƐƵƌĨĂĐĞŽĨƚŚĞŵĂĐŚŝŶĞ ďŽĚLJ͘hƐĞƌƐĐĂŶĞĂƐŝůLJĨŝŶĚƚŚĞŵƚŽĐŚĞĐŬƚŚĞ ůƵďƌŝĐĂƚŝŽŶƉƌĞƐƐƵƌĞ͕ĂŶĚŽŝůƚĞŵƉĞƌĂƚƵƌĞ͘ ͼ ƉĞĐŝĂů&ŝdžĂƚŝŽŶŽĨŝŶĞƌWůĂƚĞĚǀĂŶĐĞĚĨŝdžĂƚŝŽŶŽĨůŝŶĞƌƉůĂƚĞŵĂŬĞƐƚŚĞůŝŶĞƌƉůĂƚĞŵŽƌĞƌĞůŝĂďůĞ͕ŶŽŶĞĞĚŽĨ ĨŝůůŝŶŐŵĂƚĞƌŝĂů͕ůŽǁĞƌƌĞƉůĂĐĞŵĞŶƚĐŽƐƚĂŶĚƐŝŵƉůĞƌŽƉĞƌĂƚŝŽŶ͘ dĞĐŚŶŝĐĂů &ĞĂƚƵƌĞƐ ͼ ,LJĚƌĂƵůŝĐĂĨĞƚLJĂŶĚůĞĂƌŝŶŐ ŶƐƵƌŝŶŐƐƚĂďůĞƌƵŶŶŝŶŐĂŶĚ ĞĂƐLJŽƉĞƌĂƚŝŽŶ͖ ŚŽƌƚĞŶďƌĞĂŬ ĚŽǁŶƚŝŵĞ͘ ,LJĚƌĂƵůŝĐĐůĞĂƌŝŶŐŽĨĐĂǀŝƚLJ dƌĂŵƉŝƌŽŶƉĂƐƐŝŶŐƉƌŽƚĞĐƚŝŽŶ ,LJĚƌĂƵůŝĐĂĚũƵƐƚŵĞŶƚŽĨ͘͘ƐĞƚƚŝŶŐ ,LJĚƌĂƵůŝĐůŽĐŬŝŶŐ ͼ ƵďƌŝĐĂƚŝŽŶƐLJƐƚĞŵ ĞdžĐĞůůĞŶƚ ůƵďƌŝĐĂƚŝŽŶ ĐĂƌƌLJŝŶŐŽĨĨĨƌŝĐƚŝŽŶŚĞĂƚ͕ ƐĂǀŝŶŐĐŽŶƐƵŵƉƚŝŽŶĂŶĚ ƉƌŽůŽŶŐŝŶŐƚŚĞǁŽƌŬŝŶŐůŝĨĞ͘ /ŶƚĞŐƌĂƚĞĚŚLJĚƌĂƵůŝĐůƵďƌŝĐĂƚŝŽŶƐLJƐƚĞŵ ĞŶƚƌĂůŝnjĞĚůƵďƌŝĐĂƚŝŽŶƐLJƐƚĞŵ ŝƌ ĐŽŽůŝŶŐƐLJƐƚĞŵ ͼ ƌƵƐŚŝŶŐƌĞĂ ĞƐŝŐŶ DŽƌĞĐƵďŝĐƐŚĂƉĞŽƵƚƉƵƚƐ &ŽƌŵŝŶŐĂůĂLJĞƌŽĨƉƌŽƚĞĐƚŝŽŶƚŽ ƌĞĚƵĐĞƚŚĞǁĞĂƌŝŶŐƉĂƌƚƐ ĐŽŶƐƵŵƉƚŝŽŶ ůŽǁĞƌƌƵŶŶŝŶŐ /ŶƚĞƌ ƉĂƌƚŝĐůĞĐƌƵƐŚŝŶŐ ĚĞƐŝŐŶ ,ŝŐŚ ƌƵŶŶŝŶŐƐƉĞĞĚ ŶĚƵƌĂďůĞǁĞĂƌŝŶŐƉĂƌƚƐ ͼ DƵůƚŝĞĂůWƌŽƚĞĐƚŝŽŶ ZĞůŝĂďůĞĂŶĚĞĨĨĞĐƚŝǀĞĚƵƐƚƉƌŽŽĨ ĨŽƌůƵďƌŝĐĂƚŝŶŐŽŝůĂŶĚ ƉƌŽůŽŶŐŝŶŐƐĞƌǀŝĐĞůŝĨĞŽĨ ůƵďƌŝĐĂŶƚƐĂŶĚŵĂĐŚŝŶĞƉĂƌƚƐ͘ WŽƐŝƚŝǀĞƉƌĞƐƐƵƌĞĚƵƐƚƉƌŽŽĨĚĞƐŝŐŶ ƉŚĞƌŝĐĂůĨůŽĂƚŝŶŐƐĞĂůďĂƐĞĚŽŶd hƐĞĂů ,ĞĂǀLJƉƌĞƐƐƵƌĞƐĞĂůƐĨŽƌŚLJĚƌĂƵůŝĐƐĞƚ ͼ ŽŶƚƌŽůLJƐƚĞŵ ŚŽǁŝŶŐĐƵƐƚŽŵĞƌƚŚĞ ŽƉĞƌĂƚŝŶŐƉĂƌĂŵĞƚĞƌƚŽƌĞƉůĂĐĞ ƚŚĞǁĞĂƌŝŶŐƉĂƌƚƐĂŶĚĚŽƚŚĞ ŵĂŝŶƚĞŶĂŶĐĞ ŝŶƚŝŵĞ͘ DĂŶƵĂůĐŽŶƚƌŽůƐLJƐƚĞŵ WĐŽŶƚƌŽůƐLJƐƚĞŵ ƵƚŽŵĂƚŝĐĐŽŶƚƌŽůŽĨĚŝƐĐŚĂƌŐĞŽƉĞŶŝŶŐ ͼ ŽƉƉĞƌƵƐŚŝŶŐ ĞƐŝŐŶ ZĞƐŽŶĂďůĞĚĞƐŝŐŶĂŶĚ ŵĂŶƵĨĂĐƚƵƌŝŶŐƉƌŽĐĞƐƐŵĂŬĞ ƐƵƌĞůŽŶŐǁŽƌŬŝŶŐůŝĨĞŽĨĐŽƉƉĞƌ ďƵƐŚŝŶŐ͘ ĂƌŐĞďĞĂƌŝŶŐĂƌĞĂ &Ƶůů ĐŽŶƚĂĐƚ ĨƚĞƌƚĞƐƚƌƵŶŶŝŶŐĐŚĞĐŬ ͼ dƌĂŶƐŵŝƐƐŝŽŶďLJƉŝƌĂůĞǀĞů 'ĞĂƌ LJƵƐŝŶŐƐƉŝƌĂů ďĞǀĞů ŐĞĂƌ͕ƚŚĞĚƌŝǀĞƐLJƐƚĞŵ ĞŶƐƵƌĞƐĂŐƌĞĂƚĞƌĐŽŵƉƌĞƐƐŝǀĞĐĂƉĂĐŝƚLJ͕ĂƐƚĂďůĞ ƚƌĂŶƐŵŝƐƐŝŽŶ ĂŶĚ ůŽǁĞƌŶŽŝƐĞ ͼ &ƌŝĞŶĚůLJ ĞƐŝŐŶŽĨWƌĞƐƐƵƌĞ 'ĂƵŐĞĂŶĚKŝůdĞŵƉĞƌĂƚƵƌĞ DĞƚĞƌ dŚĞWƌĞƐƐƵƌĞŐĂƵŐĞĂŶĚŽŝůƚĞŵƉĞƌĂƚƵƌĞŵĞƚĞƌ ĂƌĞĞƋƵŝƉƉĞĚŽŶƚŚĞƐƵƌĨĂĐĞŽĨƚŚĞŵĂĐŚŝŶĞ ďŽĚLJ͘hƐĞƌƐĐĂŶĞĂƐŝůLJĨŝŶĚƚŚĞŵƚŽĐŚĞĐŬƚŚĞ ůƵďƌŝĐĂƚŝŽŶƉƌĞƐƐƵƌĞ͕ĂŶĚŽŝůƚĞŵƉĞƌĂƚƵƌĞ͘ ͼ ƉĞĐŝĂů&ŝdžĂƚŝŽŶŽĨŝŶĞƌWůĂƚĞĚǀĂŶĐĞĚĨŝdžĂƚŝŽŶŽĨůŝŶĞƌƉůĂƚĞŵĂŬĞƐƚŚĞůŝŶĞƌƉůĂƚĞŵŽƌĞƌĞůŝĂďůĞ͕ŶŽŶĞĞĚŽĨ ĨŝůůŝŶŐŵĂƚĞƌŝĂů͕ůŽǁĞƌƌĞƉůĂĐĞŵĞŶƚĐŽƐƚĂŶĚƐŝŵƉůĞƌŽƉĞƌĂƚŝŽŶ͘

GRAPHIC

VIBRATING SCREEN Specifications MODEL S5X3072-2 SCREEN SPEC.(m²) 3000X7200MM NO. OF LAYERS 2 SCREEN MESH SIZE 2-70MM FEED SIZE İ200 MM DOUBLE AMPLITUDE 7-11 MM VIBRATING FREQUENCY 800-900 R/M OVERALL DIMENSION 7277x4820x4038MM CAPACITY 150-1200T/H WEIGHT 35T MOTOR 37KW FRAME Q345 SIDE PLATE Q355B SCREEN MESH 60SIMN SPRING RUBBER SPRING Main Structure 1. Screen box 5. Driving Device 2. Spring 6. Motor 3. Bracket 7. Transmission Support 4. Vibrator Advantages 1. Bigger capacity and high pressure resistance. 2. Lower operating tempreture due to open type oil lubrication. 3. Optional frequency controller for wider applications. 4. Continuous feeding and starting with load. VIBRATING SCREEN Specifications MODEL S5X3072-2 SCREEN SPEC.(m²) 3000X7200MM NO. OF LAYERS 2 SCREEN MESH SIZE 2-70MM FEED SIZE İ200 MM DOUBLE AMPLITUDE 7-11 MM VIBRATING FREQUENCY 800-900 R/M OVERALL DIMENSION 7277x4820x4038MM CAPACITY 150-1200T/H WEIGHT 35T MOTOR 37KW FRAME Q345 SIDE PLATE Q355B SCREEN MESH 60SIMN SPRING RUBBER SPRING 1. Screen box 5. Driving Device 2. Spring 6. Motor 3. Bracket 7. Transmission Support 4. Vibrator Advantages 1. Bigger capacity and high pressure resistance. 2. Lower operating tempreture due to open type oil lubrication. 3. Optional frequency controller for wider applications. 4. Continuous feeding and starting with load. Main Structure

GRAPHIC

SV Modular Vibrator Flexible Drive CNC Automatic Laser Cutting High G-force and Good Performance The Ideal Bearing Load Rubber Liners Extra Deck Protection with Wear-resistant Steel Modular Design - more efficient, less cost, convenient maintenance Each S5X screen is equipped with two sets of SV vibrators and four sets of special bearings, realising bigger load with longer service life. S5X screen is equipped with feed box and rubber liner to increase the effective screening area and meanwhile take the function of buffering and anti-abrasion. To protect the beams, S5X screen are configured with beam protective wrappers, which can protect the hollow beam against material erosion and abrasion to utter-most extent and prolong the service life of the whole screen. · Modular beam frame realizes more reasonable intensive strength of screen box · Modular vibrtor can be installed and replaced as one unit. · The modular tension clamp, pressure strip, and upport strip of screen media, etc., can match all the models of S5X screen. · The large space between decks is much convenient for maintenance and replacement of screen media. · Overall disassembly design · Longer bearing service life · Super power · Easy stroke adjustment · Grease lubrication system · Motor drives transmission bearing seat which drives the screen, rather than direct drives the screen, greatly protecting the motor from vibrating harm. · A felexible shaft joint is taken to connect the motor and vibrator, and it makes the screen run smoothly without shaking force from the motor. The side plate of S5X screen adopts CNC laser cutting, including all small holes. The cut surfaces are fairly smooth with no seams with better shape and more accurate than drilling on hand drawing. The advanced design and manufacturing technology brings better performance. Technical Features SV Modular Vibrator Flexible Drive CNC Automatic Laser Cutting High G-force and Good Performance The Ideal Bearing Load Rubber Liners Extra Deck Protection with Wear-resistant Steel Modular Design - more efficient, less cost, convenient maintenance Each S5X screen is equipped with two sets of SV vibrators and four sets of special bearings, realising bigger load with longer service life. S5X screen is equipped with feed box and rubber liner to increase the effective screening area and meanwhile take the function of buffering and anti-abrasion. To protect the beams, S5X screen are configured with beam protective wrappers, which can protect the hollow beam against material erosion and abrasion to utter-most extent and prolong the service life of the whole screen. · Modular beam frame realizes more reasonable intensive strength of screen box · Modular vibrtor can be installed and replaced as one unit. · The modular tension clamp, pressure strip, and upport strip of screen media, etc., can match all the models of S5X screen. · The large space between decks is much convenient for maintenance and replacement of screen media. · Overall disassembly design · Longer bearing service life · Super power · Easy stroke adjustment · Grease lubrication system · Motor drives transmission bearing seat which drives the screen, rather than direct drives the screen, greatly protecting the motor from vibrating harm. · A felexible shaft joint is taken to connect the motor and vibrator, and it makes the screen run smoothly without shaking force from the motor. The side plate of S5X screen adopts CNC laser cutting, including all small holes. The cut surfaces are fairly smooth with no seams with better shape and more accurate than drilling on hand drawing. The advanced design and manufacturing technology brings better performance. Technical Features

GRAPHIC

ZENITH IN CHINA Shanghai ZENITH Mineral Co., Ltd has been one of the biggest manufacturers and top exporter of crushing and grinding equipment in China for 35 years with 170 countries' sales converge, with factory area of 1200,000 square meters. Since 2010, according to the statistics by Chinese Customs Authority, ZENITH group has been the No. 1China Exporter of crushing and grinding machines. We have thousands of plants runn ing in 170 countries in the world. Shanghai ZENITH Mineral Co., Ltd has been one of the biggest manufacturers and top exporter of crushing and grinding equipment in China for 35 years with 170 countries' sales converge, with factory area of 1200,000 square meters. Since 2010, according to the statistics by Chinese Customs Authority, ZENITH group has been the No. 1China Exporter of crushing and grinding machines. We have thousands of plants runn ing in 170 countries in the world.

GRAPHIC

A. ZENITH Equipments all over the World. In the past 35 years, ZENITH has established good business relations with customers from over 170 countries and regions around the world, exporting over 6800 crushing, grinding and beneficiation plants. In Middle East market (Saudi Arabia, Oman, U.A.E, Yemen, Iraq, Iran, Qatar…) we have over 100production lines running there. In North America(Canada, USA), Europe(Greece, Germany, UK, Hungary, Romania), South America (Brazil, Peru, Colombia, Chile…) Middle America, about 168 lines running. In Africa in Nigeria, there have been 85 complete crushing lines running. In Ghana, we have about 28 production lines running. In Kenya, about 50 lines are running. In Congo, Tanzania, Ethiopia… totally 70 production lines are running there. In South Africa, Australia we have sold out more than 26 production lines. B. ZENITH Branches all over the World. In order to better guarantee the services and technical support, we’ve now established 30 branch offices &company all over the world in Switzerland, South Africa, U.A.E, Australia, Saudi Arabia, Nigeria, Kenya, Russia, Mongolia, Indonesia, Philippines, Malaysia, Vietnam, Brazil etc. …….. C. ZENITH Export amount from 2009-2020 (growth rate38.8%) ZENITH group has been the No. 1China Exporter of crushing and grinding machines. We are so proud to know that our equipment are widely recognized by customers all over the world. We ZENITH are on the way to be one of these top suppliers in the world market and to be the most valuable brand in China mining equipment market. A. ZENITH Equipments all over the World. In the past 35 years, ZENITH has established good business relations with customers from over 170 countries and regions around the world, exporting over 6800 crushing, grinding and beneficiation plants. In Middle East market (Saudi Arabia, Oman, U.A.E, Yemen, Iraq, Iran, Qatar…) we have over 100production lines running there. In North America(Canada, USA), Europe(Greece, Germany, UK, Hungary, Romania), South America (Brazil, Peru, Colombia, Chile…) Middle America, about 168 lines running. In Africa in Nigeria, there have been 85 complete crushing lines running. In Ghana, we have about 28 production lines running. In Kenya, about 50 lines are running. In Congo, Tanzania, Ethiopia… totally 70 production lines are running there. In South Africa, Australia we have sold out more than 26 production lines. B. ZENITH Branches all over the World. In order to better guarantee the services and technical support, we’ve now established 30 branch offices &company all over the world in Switzerland, South Africa, U.A.E, Australia, Saudi Arabia, Nigeria, Kenya, Russia, Mongolia, Indonesia, Philippines, Malaysia, Vietnam, Brazil etc. …….. C. ZENITH Export amount from 2009-2020 (growth rate38.8%) ZENITH group has been the No. 1China Exporter of crushing and grinding machines. We are so proud to know that our equipment are widely recognized by customers all over the world. We ZENITH are on the way to be one of these top suppliers in the world market and to be the most valuable brand in China mining equipment market.

GRAPHIC

European CE China CQC/ISO9001 Nigeria SONCAP Russia GOST European CE China CQC/ISO9001 Nigeria SONCAP Russia GOST

GRAPHIC

$GG1R(DVW*DRNH5RDG3XGRQJ1HZ'LVWULFW6KDQJKDL&KLQD=LS :HEZZZ]HQLWKFUXVKHUFRP ZZZ]HQLWKPLOOVFRP 7HO)D[(PDLOVDUDK#]HQLWKFUXVKHUFRP 6 6WURQJSURFHVVLQJVWUHQJWK Shanghai Zenith Mineral Co., So far the group has 6 large-scale production Ltd. practise the strategy of precision manufacturing, bases covering an area of nearly 1000 acres. It global scientific arrangement by taking Asia as hinderland, has become the leading company in the industry of radiating to the global middle and high-end customers. crushers and grinding mills. The group aims to create an international production base which set specialization, information and intelligence as a whole. --------------------------------------------------------------------------------------------------------------- Construction area is 71736 m2 in total; Main products, including environmental protection equipment, large-scale crushing sand making equipment, precision micro powder equipment etc. which reached international advanced level with high technology content. Hard power is the guarantee for us to provide high-quality products to customers. ------------------------------------------------------------------------- Its construction area is 67000m2 in total; it is a high end equipment assembly display base which integrates research, production and administration, showing us all series of sophisticated products and our fine assembly work to customers. Production is an impetus to our continuous progress. ----------------------------------------------------------------------- Its construction area is 20000m2 in total. We focus on research and manufacturing crusher, grinding mill and some other mining machines to provide professional technical solutions. No.1 Production Base No.2 Production Base No.3 Production Base $GG1R(DVW*DRNH5RDG3XGRQJ1HZ'LVWULFW6KDQJKDL&KLQD=LS :HEZZZ]HQLWKFUXVKHUFRP ZZZ]HQLWKPLOOVFRP 7HO )D[ (PDLOVDUDK#]HQLWKFUXVKHUFRP 6 6WURQJSURFHVVLQJVWUHQJWK Shanghai Zenith Mineral Co., So far the group has 6 large-scale production Ltd. practise the strategy of precision manufacturing, bases covering an area of nearly 1000 acres. It global scientific arrangement by taking Asia as hinderland, has become the leading company in the industry of radiating to the global middle and high-end customers. crushers and grinding mills. The group aims to create an international production base which set specialization, information and intelligence as a whole. --------------------------------------------------------------------------------------------------------------- Construction area is 71736 m2 in total; Main products, including environmental protection equipment, large-scale crushing sand making equipment, precision micro powder equipment etc. which reached international advanced level with high technology content. Hard power is the guarantee for us to provide high-quality products to customers. ------------------------------------------------------------------------- Its construction area is 67000m struction area is 67000m2 in total; it is a high end equipment assembly display base which integrates research, production and administration, showing us all series of sophisticated products and our fine assembly work to customers. Production is an impetus to our continuous progress. ----------------------------------------------------------------------- Its construction area is 20000m2 in total. We focus on research and manufacturing crusher, grinding mill and some other mining machines to provide professional technical solutions. No.1 Production Base No.2 Production Base No.3 Production Base

GRAPHIC

$GG1R(DVW*DRNH5RDG3XGRQJ1HZ'LVWULFW6KDQJKDL&KLQD=LS :HEZZZ]HQLWKFUXVKHUFRP ZZZ]HQLWKPLOOVFRP 7HO )D[ (PDLOVDUDK#]HQLWKFUXVKHUFRP 7 6S management, ERP system and the under construction Bar Code Management make the Production, logistics, quality inspection go on orderly and precisely. -------------------------------------------------------------------------------------------------------- It has standardized workshop with covering are of 30000 m2 and become one of the most important large and medium-sized crushing equipment production bases in China. The crusher, sand making machine, refined powder equipment and some related matched equipment are mainly manufactured here. We will keep upgrading to strengthen our hard power by promoting production team strength and introducing advanced production technology. ---------------------------------------------------------------------- Workshop covering area is 20000m2 in total. It has international standard machine manufacturing technology. Series of highly standard production equipment, production capacity and technological level and equipment strength has ranked the leading position in the industry. Each production base is high-efficient production manufactory built by international standards. -------------------------------------------------------------------------------- This production base is another high-end production base, covering an area of 280000 ΃, which was built in 2015.The total investment of engineering is 15.7 billion yuan. On behalf of Chinese high-end mining equipped with the most advanced research and development, innovation and creative powder. It is the global production base and R & D Center of automation, digitization and low energy consumption. No.4 Production Base No.5 Production Base No.6 Production Base $GG1R(DVW*DRNH5RDG3XGRQJ1HZ'LVWULFW6KDQJKDL&KLQD=LS :HEZZZ]HQLWKFUXVKHUFRP ZZZ]HQLWKPLOOVFRP 7HO )D[ (PDLOVDUDK#]HQLWKFUXVKHUFRP 7 6S management, ERP system and the under construction Bar Code Management make the Production, logistics, quality inspection go on orderly and precisely. -------------------------------------------------------------------------------------------------------- It has standardized workshop with covering are of 30000 m2 and become one of the most important large and medium-sized crushing equipment production bases in China. The crusher, sand making machine, refined powder equipment and some related matched equipment are mainly manufactured here. We will keep upgrading to strengthen our hard power by promoting production team strength and introducing advanced production technology. ---------------------------------------------------------------------- Workshop covering area is 20000m2 in total. It has international standard machine manufacturing technology. Series ofhighly standard production equipment, production capacity and technological level and equipment strength has ranked the leading position in th qp g g position in the industry. Each production base is high-efficient production manufactory built by international standards. -------------------------------------------------------------------------------- This production base is another high-end production base, covering an area of 280000 ΃, which was built in 2015.The total investment of engineering is 15.7 billion yuan. On behalf of Chinese high-end mining equipped with the most advanced research and development, innovation and creative powder. It is the global productionbase and R & D Center of automation, digitization and low energy consumption. No.4 Production Base No.5 Production Base No.6 Production Base

GRAPHIC

WHY ZENITH? “Z”: Zeal ceaseless to be 24 hours responsive to your need. “E”: EPC project strength to help you all-round in Engineering, Procurement, and Construction. “N”: Nation-wide scale with ϲ workshops making ZENITH the Biggest crusher manufacturer in World (Total fabrication area:1,200,000 m2). “I”: International influence with almost 170 countries’ sales coverage and 26 oversea offices. ZENITH now own the industrial Highest world market coverage rate. No.1 in China and NO.5 in the world. “Total annual sales over 300 million USD in the last 3 years while ranking No.1 with the highest annual export sales value in the last 10 years”, reported by China Central Television. “T”: Technological improvements to crushing, grinding, and ore beneficiation production lines. Owning 311 patents and an over 400-people technical service team in which over 50 possessing intermediate professional engineering title or above, we are now the Strongest in terms of technical strength, group scale, and after-sales service ability. “H”: Historical brand of more than 30 years’ influence and centenary vision. Credit rating AAA in the last 8 years; “China Science and Technology Award for Mechanical Industry”; “National Green Factory” honorary title. WHY ZENITH? “Z”: Zeal ceaseless to be 24 hours responsive to your need. “E”: EPC project strength to help you all-round in Engineering, Procurement, and Construction. “N”: Nation-wide scale with ϲ workshops making ZENITH the Biggest crusher manufacturer in World (Total fabrication area:1,200,000 m2). “I”: International influence with almost 170 countries’ sales coverage and 26 oversea offices. ZENITH now own the industrial Highest world market coverage rate. No.1 in China and NO.5 in the world. “Total annual sales over 300 million USD in the last 3 years while ranking No.1 with the highest annual export sales value in the last 10 years”, reported by China Central Television. “T”: Technological improvements to crushing, grinding, and ore beneficiation production lines. Owning 311 patents and an over 400-people technical service team in which over 50 possessing intermediate professional engineering title or above, we are now the Strongest in terms of technical strength, group scale, and after-sales service ability. “H”: Historical brand of more than 30 years’ influence and centenary vision. Credit rating AAA in the last 8 years; “China Science and Technology Award for Mechanical Industry”; “National Green Factory” honorary title.

 

Westwater Resources, Inc. | Coosa Graphite Project

S-K 1300 Report

December 11, 2023

SLR Project No.: 138.20527.00002

 

28.0Appendix 2

 

28.1SLR Cash Flow Summary Tables

 

 

28-1

 

 

 

Westwater Resources, Inc. | Coosa Graphite Project

S-K 1300 Report

December 11, 2023

SLR Project No.: 138.20527.00002

 

Table 28-1: Coosa IA Base Case Cash Flow Summary – US Customary Units

 

  INPUTS UNITS TOTAL Year -2 Year -1 Year 1 Year 2 Year 3 Year 4 Year 5 Year 6 Year 7 Year 8 Year 9 Year 10 Year 11 Year 12 Year 13 Year 14 Year 15 Year 16 Year 17 Year 18 Year 19 Year 20 Year 21 Year 22 Year 23 Year 24
MINING                                                          
Open Pit                                                          
Operating Days 365 days 18,250     365 365 365 365 365 365 365 365 365 365 365 365 365 365 365 365 365 365 365 365 365 365 365 365
Mill Feed tons mined per day   tons / day 3,982     9,132 9,132 9,132 9,132 9,132 9,132 9,132 9,132 9,132 9,132 9,132 9,132 9,132 9,132 9,132 9,132 9,132 9,132 9,132 9,132 9,132 7,300 - -
Total tons moved per day   tons / day 4,798     12,055 11,147 10,959 10,274 10,218 11,472 13,073 12,603 11,781 9,565 11,507 9,847 11,062 13,470 11,274 10,807 10,382 10,092 9,970 10,170 9,594 8,585 - -
                                                           
Production   000 tons 72,665     3,333 3,333 3,333 3,333 3,333 3,333 3,333 3,333 3,333 3,333 3,333 3,333 3,333 3,333 3,333 3,333 3,333 3,333 3,333 3,333 3,333 2,665 - -
Cg Grade   % 3.21%     3.33% 3.35% 3.33% 3.36% 3.29% 3.21% 3.17% 3.09% 3.09% 3.10% 3.04% 3.14% 3.09% 3.21% 3.27% 3.25% 3.22% 3.20% 3.23% 3.27% 3.23% 3.18% 0.00% 0.00%
                                                           
Waste   000 tons 14,901     1,067 735 667 417 396 854 1,438 1,267 967 158 867 261 704 1,583 782 611 456 350 306 379 169 469 - -
Total Moved   000 tons  87,566     4,400 4,069 4,000 3,750 3,730 4,187 4,772 4,600 4,300 3,491 4,200 3,594 4,038 4,917 4,115 3,945 3,789 3,684 3,639 3,712 3,502 3,133 - -
Stripping Ratio   W:MF 0.21     0.32 0.22 0.20 0.12 0.12 0.26 0.43 0.38 0.29 0.05 0.26 0.08 0.21 0.48 0.23 0.18 0.14 0.11 0.09 0.11 0.05 0.18 - -
Percent Inferred tons   %  89%     89% 94% 95% 99% 98% 75% 45% 67% 75% 81% 84% 81% 89% 91% 96% 99% 99% 100% 100% 100% 100% 100% 0% 0%
                                                           
                                                           
PROCESSING                                                          
Operating Days 350 days 17,500     350 350 350 350 350 350 350 350 350 350 350 350 350 350 350 350 350 350 350 350 350 350 350 350
Mill Feed Tons processed per day   tons / day 4,152     9,524 9,524 9,524 9,524 9,524 9,524 9,524 9,524 9,524 9,524 9,524 9,524 9,524 9,524 9,524 9,524 9,524 9,524 9,524 9,524 9,524 7,613 - -
                                                           
Mill Feed   000 tons 72,665     3,333 3,333 3,333 3,333 3,333 3,333 3,333 3,333 3,333 3,333 3,333 3,333 3,333 3,333 3,333 3,333 3,333 3,333 3,333 3,333 3,333 2,665 - -
Cg Grade 100.0% % 3.21%     3.33% 3.35% 3.33% 3.36% 3.29% 3.21% 3.17% 3.09% 3.09% 3.10% 3.04% 3.14% 3.09% 3.21% 3.27% 3.25% 3.22% 3.20% 3.23% 3.27% 3.23% 3.18% 0.00% 0.00%
Contained Cg   tons 2,333,052     110,890 111,679 110,986 112,100 109,636 106,913 105,572 102,884 103,029 103,180 101,358 104,719 102,840 107,072 109,087 108,286 107,200 106,729 107,562 109,078 107,590 84,660 - -
                                                           
Cg Concentrate Recovery 92.0% % 92.0%     92.0% 92.0% 92.0% 92.0% 92.0% 92.0% 92.0% 92.0% 92.0% 92.0% 92.0% 92.0% 92.0% 92.0% 92.0% 92.0% 92.0% 92.0% 92.0% 92.0% 92.0% 92.0% 92.0% 92.0%
                                                           
Material Balance                                                          
Concentrate 95% dst 2,259,377     107,388 108,152 107,481 108,560 106,174 103,537 102,238 99,635 99,775 99,922 98,157 101,412 99,593 103,691 105,642 104,866 103,815 103,359 104,165 105,634 104,193 81,987 - -
Contained Cg   tons 2,146,408     102,019 102,745 102,107 103,132 100,865 98,360 97,126 94,654 94,787 94,925 93,249 96,342 94,613 98,506 100,360 99,623 98,624 98,191 98,957 100,352 98,983 77,888 - -
Cg Grade within concentrate   % 95.00%     95.00% 95.00% 95.00% 95.00% 95.00% 95.00% 95.00% 95.00% 95.00% 95.00% 95.00% 95.00% 95.00% 95.00% 95.00% 95.00% 95.00% 95.00% 95.00% 95.00% 95.00% 95.00%    
Concentrate Moisture 5%                                                        
Concentrate   wst 2,378,292     113,040 113,845 113,138 114,274 111,762 108,986 107,619 104,879 105,027 105,181 103,323 106,750 104,835 109,148 111,202 110,385 109,279 108,799 109,648 111,193 109,677 86,302 - -
                                                           
Total Recovered
Cg Concentrate
  tons 2,259,377     107,388 108,152 107,481 108,560 106,174 103,537 102,238 99,635 99,775 99,922 98,157 101,412 99,593 103,691 105,642 104,866 103,815 103,359 104,165 105,634 104,193 81,987 - -
+50 mesh 5.0% tons 112,969     5,369 5,408 5,374 5,428 5,309 5,177 5,112 4,982 4,989 4,996 4,908 5,071 4,980 5,185 5,282 5,243 5,191 5,168 5,208 5,282 5,210 4,099 - -
+80 mesh 7.5% tons 169,453     8,054 8,111 8,061 8,142 7,963 7,765 7,668 7,473 7,483 7,494 7,362 7,606 7,469 7,777 7,923 7,865 7,786 7,752 7,812 7,923 7,814 6,149 - -
+150 mesh 10.0% tons 225,938     10,739 10,815 10,748 10,856 10,617 10,354 10,224 9,964 9,978 9,992 9,816 10,141 9,959 10,369 10,564 10,487 10,382 10,336 10,417 10,563 10,419 8,199 - -
-150 mesh 77.5% tons 1,751,017     83,226 83,818 83,298 84,134 82,285 80,241 79,234 77,217 77,326 77,439 76,072 78,594 77,184 80,360 81,873 81,271 80,457 80,103 80,728 81,866 80,749 63,540 - -
                                                           
REVENUE                                                          
Metal Prices (CIF Kellyton Plant)   Input Units                                                      
SLR Constant Metal Price US$998 / t conc US$/ton $998 $998 $998 $998 $998 $998 $998 $998 $998 $998 $998 $998 $998 $998 $998 $998 $998 $998 $998 $998 $998 $998 $998 $998 $998 $998 $998
                                                           
Cg Concentrate Payable % 100% %   100.0% 100.0% 100.0% 100.0% 100.0% 100.0% 100.0% 100.0% 100.0% 100.0% 100.0% 100.0% 100.0% 100.0% 100.0% 100.0% 100.0% 100.0% 100.0% 100.0% 100.0% 100.0% 100.0% 100.0% 100.0% 100.0%
                                                           
Cg Concentrate Payable   '000 tons 2,259 - - 107.4 108.2 107.5 108.6 106.2 103.5 102.2 99.6 99.8 99.9 98.2 101.4 99.6 103.7 105.6 104.9 103.8 103.4 104.2 105.6 104.2 82.0 - -
                                                           
Total Gross Revenue   US$ '000 $2,254,180 $0 $0 $107,141 $107,904 $107,234 $108,310 $105,930 $103,299 $102,003 $99,406 $99,546 $99,692 $97,931 $101,179 $99,364 $103,452 $105,399 $104,625 $103,576 $103,121 $103,926 $105,391 $103,953 $81,798 $0 $0
                                                           

CIF Transport to Kellyton Plant
Cg Concentrate

US$11.90 / wmt conc US$ '000 $28,302 $0 $0 $1,345 $1,355 $1,346 $1,360 $1,330 $1,297 $1,281 $1,248 $1,250 $1,252 $1,230 $1,270 $1,248 $1,299 $1,323 $1,314 $1,300 $1,295 $1,305 $1,323 $1,305 $1,027 $0 $0
                                                           
Net Smelter Return   US$ '000 $2,225,879 $0 $0 $105,796 $106,549 $105,888 $106,951 $104,600 $102,002 $100,722 $98,158 $98,296 $98,440 $96,702 $99,909 $98,116 $102,154 $104,076 $103,311 $102,276 $101,827 $102,621 $104,067 $102,648 $80,771 $0 $0
                                                           
Merchant NSR Royalty 0.5% US$ '000 $150 $0 $0 $150                                              
Lessor NSR Royalty 2% US$ '000 $44,518 $0 $0 $2,116 $2,131 $2,118 $2,139 $2,092 $2,040 $2,014 $1,963 $1,966 $1,969 $1,934 $1,998 $1,962 $2,043 $2,082 $2,066 $2,046 $2,037 $2,052 $2,081 $2,053 $1,615 $0 $0
                                                           
Net Revenue   US$ '000 $2,181,361 $0 $0 $103,680 $104,418 $103,770 $104,812 $102,508 $99,962 $98,708 $96,195 $96,330 $96,471 $94,768 $97,911 $96,154 $100,111 $101,994 $101,245 $100,230 $99,790 $100,569 $101,986 $100,595 $79,156 $0 $0
Unit NSR   US$/t feed $30.02 $0.00 $0.00 $31.10 $31.33 $31.13 $31.44 $30.75 $29.99 $29.61 $28.86 $28.90 $28.94 $28.43 $29.37 $28.85 $30.03 $30.60 $30.37 $30.07 $29.94 $30.17 $30.60 $30.18 $29.71 $0.00 $0.00
                                                           
OPERATING COST                                                          
Mining $4.33/t moved US$/t moved $4.33   $4.33 $4.33 $4.33 $4.33 $4.33 $4.33 $4.33 $4.33 $4.33 $4.33 $4.33 $4.33 $4.33 $4.33 $4.33 $4.33 $4.33 $4.33 $4.33 $4.33 $4.33 $4.33 $4.33 $4.33 $4.33
Processing (Incl. Tailings) $8.80/t milled US$/t feed $8.80   $8.80 $8.80 $8.80 $8.80 $8.80 $8.80 $8.80 $8.80 $8.80 $8.80 $8.80 $8.80 $8.80 $8.80 $8.80 $8.80 $8.80 $8.80 $8.80 $8.80 $8.80 $8.80 $8.80 $8.80 $8.80
G&A $1.40/t milled US$/t feed $1.40   $1.40 $1.40 $1.40 $1.40 $1.40 $1.40 $1.40 $1.40 $1.40 $1.40 $1.40 $1.40 $1.40 $1.40 $1.40 $1.40 $1.40 $1.40 $1.40 $1.40 $1.40 $1.40 $1.40 $1.40 $1.40
Total Site Operating Unit Cost   US$/t feed $15.41 $0.00 $0.00 $15.91 $15.48 $15.39 $15.07 $15.04 $15.63 $16.39 $16.17 $15.78 $14.73 $15.65 $14.86 $15.44 $16.58 $15.54 $15.32 $15.12 $14.98 $14.92 $15.02 $14.74 $15.29 $0.00 $0.00
                                                           
Mining (Open Pit)   US$ '000 $378,845   $0 $19,036 $17,603 $17,306 $16,224 $16,135 $18,115 $20,645 $19,901 $18,603 $15,104 $18,171 $15,549 $17,469 $21,272 $17,803 $17,066 $16,395 $15,937 $15,743 $16,060 $15,151 $13,556 $0 $0
Processing   US$ '000 $639,296   $0 $29,326 $29,326 $29,326 $29,326 $29,326 $29,326 $29,326 $29,326 $29,326 $29,326 $29,326 $29,326 $29,326 $29,326 $29,326 $29,326 $29,326 $29,326 $29,326 $29,326 $29,326 $23,443 $0 $0
G&A 10% US$ '000 $101,814   $0 $4,671 $4,671 $4,671 $4,671 $4,671 $4,671 $4,671 $4,671 $4,671 $4,671 $4,671 $4,671 $4,671 $4,671 $4,671 $4,671 $4,671 $4,671 $4,671 $4,671 $4,671 $3,733 $0 $0
Total Site Operating Cost   US$ '000 $1,119,954 $0 $0 $53,033 $51,600 $51,302 $50,221 $50,132 $52,112 $54,642 $53,898 $52,600 $49,101 $52,168 $49,546 $51,466 $55,269 $51,800 $51,063 $50,392 $49,934 $49,740 $50,057 $49,148 $40,732 $0 $0
                                                           
Coosa County Severance Tax US$5.00 / t conc US$ '000 $11,297   $0 $537 $541 $537 $543 $531 $518 $511 $498 $499 $500 $491 $507 $498 $518 $528 $524 $519 $517 $521 $528 $521 $410 $0 $0
Sales & Marketing 0.0% US$ '000 $0   $0 $0 $0 $0 $0 $0 $0 $0 $0 $0 $0 $0 $0 $0 $0 $0 $0 $0 $0 $0 $0 $0 $0 $0 $0
Total Off-Site Operating Costs   US$ '000 $11,297 $0 $0 $537 $541 $537 $543 $531 $518 $511 $498 $499 $500 $491 $507 $498 $518 $528 $524 $519 $517 $521 $528 $521 $410 $0 $0
                                                           
Total Operating Cost   US$ '000 $1,131,251 $0 $0 $53,570 $52,141 $51,840 $50,763 $50,663 $52,630 $55,153 $54,396 $53,099 $49,601 $52,658 $50,053 $51,964 $55,787 $52,328 $51,587 $50,911 $50,450 $50,261 $50,585 $49,669 $41,142 $0 $0
                                                           
Unit Operating Unit Cost   US$/t milled $15.96 $0.00 $0.00 $16.47 $16.05 $15.96 $15.64 $15.60 $16.18 $16.93 $16.69 $16.30 $15.26 $16.17 $15.40 $15.96 $17.13 $16.10 $15.87 $15.66 $15.52 $15.47 $15.57 $15.29 $15.83 $0.00 $0.00
                                                           
Operating Margin - EBITDA 48% US$ '000 $1,050,110 $0 $0 $50,110 $52,277 $51,930 $54,048 $51,845 $47,332 $43,555 $41,799 $43,231 $46,871 $42,109 $47,858 $44,190 $44,324 $49,666 $49,658 $49,320 $49,340 $50,308 $51,401 $50,926 $38,014 $0 $0
                                                           
CAPITAL COST                                                          
Direct Cost                                                          
Mining   US$ '000 $13,231 $3,830 $3,830 $5,571                                              
Processing   US$ '000 $89,230 $44,615 $44,615                                                
Infrastructure   US$ '000 $17,180 $7,873 $7,873 $1,434                                              
Tailings Facility   US$ '000 $31,919   $31,919                                                
Total Direct Cost   US$ '000 $151,559 $56,318 $88,237 $7,005 $0 $0 $0 $0 $0 $0 $0 $0 $0 $0 $0 $0 $0 $0 $0 $0 $0 $0 $0 $0 $0 $0 $0
                                                           
Other Costs                                                          
Indirects (Included in Directs)   US$ '000 $0                                                    
Subtotal Costs   US$ '000 $151,559 $56,318 $88,237 $7,005 $0 $0 $0 $0 $0 $0 $0 $0 $0 $0 $0 $0 $0 $0 $0 $0 $0 $0 $0 $0 $0 $0 $0
                                                           
Contingency (included in Directs)   US$ '000 $0                                                    
Total Initial Capital   US$ '000 $151,559 $56,318 $88,237 $7,005 $0 $0 $0 $0 $0 $0 $0 $0 $0 $0 $0 $0 $0 $0 $0 $0 $0 $0 $0 $0 $0 $0 $0
                                                           
Sustaining Capital                                                          
Sustaining - Mining   US$ '000 $22,284 $0 $0 $0 $0 $0 $0 $0 $7,428 $0 $0 $0 $0 $0 $7,428 $0 $0 $0 $0 $0 $7,428 $0 $0 $0      
Sustaining - Plant/Infrastucture   US$ '000 $6,786 $0 $0 $0 $0 $0 $0 $0 $424 $424 $424 $424 $424 $424 $424 $424 $424 $424 $424 $424 $424 $424 $424 $424      
Sustaining - Tailings   US$ '000 $112,636           $21,372 $0 $0 $0 $0 $22,131 $0 $0 $0 $0 $25,637 $0 $0 $0 $0 $43,496 $0 $0      
Working Capital                                                          
Working Capital   US$ '000 $0 $0 $0 $6,342 $120 -$41 $130 -$186 -$291 -$207 -$176 $64 $155 -$266 $366 -$223 $169 $297 -$31 -$56 -$17 $72 $103 -$77 -$1,416 -$4,832 $0
Closure & Reclamation                                                          
Mine/Plant Reclamation and Closure $0.10/t moved US$ '000 $8,736                                             $4,368 $4,368    
Tailings Reclamation and Closure $33,975 US$ '000 $33,975                                               $11,325 $11,325 $11,325
Total Capital Cost   US$ '000 $335,977 $56,318 $88,237 $13,347 $120 -$41 $21,502 -$186 $7,561 $217 $248 $22,620 $580 $158 $8,218 $201 $26,230 $722 $393 $368 $7,835 $43,992 $528 $4,715 $14,277 $6,493 $11,325
                                                           

 

 

28-2

 

 

 

Westwater Resources, Inc. | Coosa Graphite Project

S-K 1300 Report

December 11, 2023

SLR Project No.: 138.20527.00002

 

  INPUTS UNITS TOTAL Year -2 Year -1 Year 1 Year 2 Year 3 Year 4 Year 5 Year 6 Year 7 Year 8 Year 9 Year 10 Year 11 Year 12 Year 13 Year 14 Year 15 Year 16 Year 17 Year 18 Year 19 Year 20 Year 21 Year 22 Year 23 Year 24
CASH FLOW                                                          
Net Pre-Tax Cashflow   US$ '000 $714,133 ($56,318) ($88,237) $36,763 $52,158 $51,971 $32,546 $52,030 $39,771 $43,338 $41,550 $20,611 $46,291 $41,951 $39,639 $43,989 $18,093 $48,945 $49,265 $48,951 $41,505 $6,316 $50,873 $46,211 $23,737 ($6,493) ($11,325)
Cumulative Pre-Tax Cashflow   US$ '000   ($56,318) ($144,554) ($107,792) ($55,634) ($3,663) $28,883 $80,914 $120,684 $164,022 $205,573 $226,184 $272,475 $314,426 $354,065 $398,055 $416,148 $465,093 $514,358 $563,310 $604,815 $611,130 $662,003 $708,214 $731,951 $725,458 $714,133
                                                           
Alabama Income Tax   US$ '000 $32,777 $0 $0 $1,409 $791 $1,112 $1,512 $1,466 $1,258 $1,099 $1,004 $1,140 $1,269 $1,186 $1,899 $1,672 $1,639 $1,890 $1,832 $1,905 $1,983 $2,033 $1,848 $1,682 $1,146 $0 $0
Federal Income Tax   US$ '000 $105,894 $0 $0 $4,552 $2,557 $3,594 $4,884 $4,736 $4,063 $3,552 $3,242 $3,683 $4,099 $3,833 $6,137 $5,401 $5,294 $6,107 $5,920 $6,156 $6,407 $6,569 $5,972 $5,434 $3,703 $0 $0
                                                           
After-Tax Cashflow   US$ '000 $608,239 ($56,318) ($88,237) $32,211 $49,601 $48,377 $27,662 $47,294 $35,707 $39,786 $38,308 $16,928 $42,192 $38,118 $33,503 $38,588 $12,800 $42,838 $43,345 $42,796 $35,098 ($254) $44,901 $40,777 $20,034 ($6,493) ($11,325)
Cumulative After-Tax Cashflow   US$ '000   ($56,318) ($144,554) ($112,344) ($62,743) ($14,366) $13,297 $60,591 $96,298 $136,084 $174,392 $191,321 $233,513 $271,631 $305,134 $343,722 $356,522 $399,360 $442,705 $485,501 $520,599 $520,345 $565,246 $606,023 $626,057 $619,564 $608,239
                                                           
PROJECT ECONOMICS                                                          
Pre-Tax IRR   % 26.7%                                                    
Pre-tax NPV at 6% discounting 6.0% US$ '000 $301,740                                                    
Pre-tax NPV at 8% discounting 8.0% US$ '000 $229,221                                                    
Pre-tax NPV at 10% discounting 10.0% US$ '000 $174,292                                                    
                                                           
After-Tax IRR   % 24.2%                                                    
After-Tax NPV at 6% discounting 6.0% US$ '000 $253,026                                                    
After-Tax NPV at 8% discounting 8.0% US$ '000 $190,168                                                    
After-tax NPV at 10% discounting 10.0% US$ '000 $142,450                                                    
                                                           

 

 

28-3

 

 

 

Westwater Resources, Inc. | Coosa Graphite Project

S-K 1300 Report

December 11, 2023

SLR Project No.: 138.20527.00002

 

Table 28-2 Coosa IA Base Case Cash Flow Summary – Metric Units

 

  INPUTS UNITS TOTAL Year -3 Year -2 Year -1 Year 1 Year 2 Year 3 Year 4 Year 5 Year 6 Year 7 Year 8 Year 9 Year 10 Year 11 Year 12 Year 13 Year 14 Year 15 Year 16 Year 17 Year 18 Year 19 Year 20 Year 21 Year 22 Year 23 Year 24
MINING                                                            
Open Pit                                                            
                                                             
Operating Days 365 days 18,250       365 365 365 365 365 365 365 365 365 365 365 365 365 365 365 365 365 365 365 365 365 365 365 365
Mill Feed Tonnes mined per day   tonnes / day 3,612       8,285 8,285 8,285 8,285 8,285 8,285 8,285 8,285 8,285 8,285 8,285 8,285 8,285 8,285 8,285 8,285 8,285 8,285 8,285 8,285 8,285 6,623 - -
Total Tonnes moved per day   tonnes / day 4,353       10,936 10,113 9,942 9,320 9,270 10,407 11,860 11,433 10,687 8,677 10,439 8,933 10,036 12,220 10,227 9,804 9,419 9,155 9,044 9,226 8,704 7,788 - -
                                                             
Production   '000 tonnes 65,920       3,024 3,024 3,024 3,024 3,024 3,024 3,024 3,024 3,024 3,024 3,024 3,024 3,024 3,024 3,024 3,024 3,024 3,024 3,024 3,024 3,024 2,417 - -
Cg Grade   % 3.21%       3.33% 3.35% 3.33% 3.36% 3.29% 3.21% 3.17% 3.09% 3.09% 3.10% 3.04% 3.14% 3.09% 3.21% 3.27% 3.25% 3.22% 3.20% 3.23% 3.27% 3.23% 3.18% 0.00% 0.00%
                                                             
Waste   '000 tonnes 13,518       968 667 605 378 359 775 1,305 1,149 877 143 786 236 639 1,436 709 555 414 318 277 344 153 425 - -
Total Moved   '000 tonnes 79,439       3,992 3,691 3,629 3,402 3,383 3,799 4,329 4,173 3,901 3,167 3,810 3,260 3,663 4,460 3,733 3,578 3,438 3,342 3,301 3,368 3,177 2,843 - -
Stripping Ratio   W:MF 0.21       0.32 0.22 0.20 0.12 0.12 0.26 0.43 0.38 0.29 0.05 0.26 0.08 0.21 0.48 0.23 0.18 0.14 0.11 0.09 0.11 0.05 0.18 - -
Percent Inferred Tonnes   % 89%       89% 94% 95% 99% 98% 75% 45% 67% 75% 81% 84% 81% 89% 91% 96% 99% 99% 100% 100% 100% 100% 100% 0% 0%
                                                             
PROCESSING                                                            
Operating Days 350 days 17,500       350 350 350 350 350 350 350 350 350 350 350 350 350 350 350 350 350 350 350 350 350 350 350 350
Mill Feed Tonnes processed per day   tonnes / day 3,767       8,640 8,640 8,640 8,640 8,640 8,640 8,640 8,640 8,640 8,640 8,640 8,640 8,640 8,640 8,640 8,640 8,640 8,640 8,640 8,640 8,640 6,906 - -
                                                             
Mill Feed   '000 tonnes 65,920       3,024 3,024 3,024 3,024 3,024 3,024 3,024 3,024 3,024 3,024 3,024 3,024 3,024 3,024 3,024 3,024 3,024 3,024 3,024 3,024 3,024 2,417 - -
Cg Grade 100.0% % 3.21%       3.33% 3.35% 3.33% 3.36% 3.29% 3.21% 3.17% 3.09% 3.09% 3.10% 3.04% 3.14% 3.09% 3.21% 3.27% 3.25% 3.22% 3.20% 3.23% 3.27% 3.23% 3.18% 0.00% 0.00%
Contained Cg   tonnes 2,116,510       100,598 101,314 100,685 101,696 99,460 96,990 95,773 93,335 93,466 93,603 91,950 95,000 93,295 97,134 98,962 98,235 97,251 96,823 97,579 98,954 97,604 76,803 - -
                                                             
Cg Concentrate Recovery 92.0% % 92.0%       92.0% 92.0% 92.0% 92.0% 92.0% 92.0% 92.0% 92.00% 92.0% 92.0% 92.0% 92.0% 92.0% 92.0% 92.0% 92.0% 92.0% 92.0% 92.0% 92.0% 92.0% 92.0% 92.0% 92.0%
                                                             
Material Balance                                                            
Concentrate 95% dmt 2,049,673       97,421 98,114 97,505 98,484 96,319 93,927 92,749 90,388 90,515 90,647 89,046 92,000 90,349 94,067 95,837 95,133 94,179 93,766 94,497 95,829 94,522 74,377 - -
Contained Cg   tonnes 1,947,189       92,550 93,209 92,630 93,560 91,503 89,231 88,111 85,868 85,989 86,115 84,594 87,400 85,832 89,364 91,045 90,376 89,470 89,078 89,772 91,038 89,796 70,658 - -
Cg Grade within concentrate   % 95.00%       95.00% 95.00% 95.00% 95.00% 95.00% 95.00% 95.00% 95.00% 95.00% 95.00% 95.00% 95.00% 95.00% 95.00% 95.00% 95.00% 95.00% 95.00% 95.00% 95.00% 95.00% 95.00%    
Concentrate Moisture 5%                                                          
Concentrate   wmt 2,157,550       102,548 103,278 102,637 103,667 101,389 98,871 97,630 95,145 95,279 95,418 93,733 96,842 95,104 99,018 100,881 100,140 99,136 98,701 99,471 100,873 99,497 78,292 - -
                                                             
Total Recovered                                                            
Cg Concentrate   tonnes 2,049,673       97,421 98,114 97,505 98,484 96,319 93,927 92,749 90,388 90,515 90,647 89,046 92,000 90,349 94,067 95,837 95,133 94,179 93,766 94,497 95,829 94,522 74,377 - -
+50 mesh 5.0% tonnes 102,484       4,871 4,906 4,875 4,924 4,816 4,696 4,637 4,519 4,526 4,532 4,452 4,600 4,517 4,703 4,792 4,757 4,709 4,688 4,725 4,791 4,726 3,719 - -
+80 mesh 7.5% tonnes 153,725       7,307 7,359 7,313 7,386 7,224 7,045 6,956 6,779 6,789 6,799 6,678 6,900 6,776 7,055 7,188 7,135 7,063 7,032 7,087 7,187 7,089 5,578 - -
+150 mesh 10.0% tonnes 204,967       9,742 9,811 9,751 9,848 9,632 9,393 9,275 9,039 9,051 9,065 8,905 9,200 9,035 9,407 9,584 9,513 9,418 9,377 9,450 9,583 9,452 7,438 - -
-150 mesh 77.5% tonnes 1,588,496       75,501 76,039 75,567 76,325 74,648 72,794 71,880 70,050 70,149 70,252 69,011 71,300 70,021 72,902 74,274 73,728 72,989 72,669 73,235 74,268 73,255 57,642 - -
                                                             
REVENUE                                                            
Metal Prices (CIF Kellyton Plant)   Input Units                                                        
+50 mesh   US$/t $          -                                                      
+80 mesh   US$/t $          -                                                      
+100 mesh   US$/t $          -                                                      
-100 mesh US$1,100 / t conc US$/t $          -                                                      
SLR Constant Metal Price US$/t $1,100 $1,100 $1,100 $1,100 $1,100 $1,100 $1,100 $1,100 $1,100 $1,100 $1,100 $1,100 $1,100 $1,100 $1,100 $1,100 $1,100 $1,100 $1,100 $1,100 $1,100 $1,100 $1,100 $1,100 $1,100 $1,100 $1,100 $1,100
                                                             
Cg Concentrate Payable % 100% %       100.0% 100.0% 100.0% 100.0% 100.0% 100.0% 100.0% 100.0% 100.0% 100.0% 100.0% 100.0% 100.0% 100.0% 100.0% 100.0% 100.0% 100.0% 100.0% 100.0% 100.0% 100.0% 100.0% 100.0% 100.0%
                                                             
Cg Concentrate Payable   '000 tonnes 2,050     - 97.4 98.1 97.5 98.5 96.3 93.9 92.7 90.4 90.5 90.6 89.0 92.0 90.3 94.1 95.8 95.1 94.2 93.8 94.5 95.8 94.5 74.4 - -
                                                             
+50 mesh   US$ '000 $          0                                                      
+80 mesh   US$ '000 $          0                                                      
+150 mesh   US$ '000 $          0                                                      
-150 mesh   US$ '000 $          0                                                      
Total Gross Revenue   US$ '000 $2,254,640     $0 $107,163 $107,926 $107,256 $108,333 $105,951 $103,320 $102,024 $99,426 $99,566 $99,712 $97,951 $101,200 $99,384 $103,474 $105,421 $104,646 $103,597 $103,142 $103,947 $105,412 $103,974 $81,815 $0 $0
                                                             
CIF Transport to Kellyton Plant     $997.90                                                      
                                                           
Cg Concentrate US$11.90 / wmt conc US$ '000 $25,675     $0 $1,220 $1,229 $1,221 $1,234 $1,207 $1,177 $1,162 $1,132 $1,134 $1,135 $1,115 $1,152 $1,132 $1,178 $1,200 $1,192 $1,180 $1,175 $1,184 $1,200 $1,184 $932 $0 $0
                                                             
Total Charges   US$ '000 $25,675     $0 $1,220 $1,229 $1,221 $1,234 $1,207 $1,177 $1,162 $1,132 $1,134 $1,135 $1,115 $1,152 $1,132 $1,178 $1,200 $1,192 $1,180 $1,175 $1,184 $1,200 $1,184 $932 $0 $0
                                                             
Net Smelter Return   US$ '000 $2,228,965     $0 $105,943 $106,697 $106,034 $107,099 $104,745 $102,143 $100,862 $98,294 $98,432 $98,577 $96,836 $100,047 $98,252 $102,295 $104,220 $103,455 $102,418 $101,968 $102,763 $104,212 $102,790 $80,883 $0 $0
                                                             
Merchant NSR Royalty 0.5% US$ '000 $150     $0 $150                                              
Lessor NSR Royalty 2% US$ '000 $44,579     $0 $2,119 $2,134 $2,121 $2,142 $2,095 $2,043 $2,017 $1,966 $1,969 $1,972 $1,937 $2,001 $1,965 $2,046 $2,084 $2,069 $2,048 $2,039 $2,055 $2,084 $2,056 $1,618 $0 $0
                                                             
Net Revenue   US$ '000 $2,184,386     $0 $103,824 $104,563 $103,914 $104,957 $102,650 $100,100 $98,845 $96,328 $96,464 $96,605 $94,899 $98,046 $96,287 $100,249 $102,136 $101,386 $100,369 $99,928 $100,708 $102,128 $100,734 $79,266 $0 $0
Unit NSR   US$/t feed $33.14     $0.00 $34.33 $34.58 $34.36 $34.71 $33.95 $33.10 $32.69 $31.86 $31.90 $31.95 $31.38 $32.42 $31.84 $33.15 $33.78 $33.53 $33.19 $33.05 $33.30 $33.77 $33.31 $32.79 $0.00 $0.00
                                                             
OPERATING COST                                                            
Mining $4.77/t moved US$/t moved $4.77     $4.77 $4.77 $4.77 $4.77 $4.77 $4.77 $4.77 $4.77 $4.77 $4.77 $4.77 $4.77 $4.77 $4.77 $4.77 $4.77 $4.77 $4.77 $4.77 $4.77 $4.77 $4.77 $4.77 $4.77 $4.77
Processing (Incl. Tailings) $9.70/t milled US$/t feed $9.70     $9.70 $9.70 $9.70 $9.70 $9.70 $9.70 $9.70 $9.70 $9.70 $9.70 $9.70 $9.70 $9.70 $9.70 $9.70 $9.70 $9.70 $9.70 $9.70 $9.70 $9.70 $9.70 $9.70 $9.70 $9.70
G&A $1.54/t milled US$/t feed $1.54     $1.54 $1.54 $1.54 $1.54 $1.54 $1.54 $1.54 $1.54 $1.54 $1.54 $1.54 $1.54 $1.54 $1.54 $1.54 $1.54 $1.54 $1.54 $1.54 $1.54 $1.54 $1.54 $1.54 $1.54 $1.54
Total Site Operating Unit Cost   US$/t feed $16.99     $0.00 $17.54 $17.07 $16.97 $16.61 $16.58 $17.24 $18.07 $17.83 $17.40 $16.24 $17.26 $16.39 $17.02 $18.28 $17.13 $16.89 $16.67 $16.52 $16.45 $16.56 $16.26 $16.85 $0.00 $0.00
                                                             
Mining (Open Pit)   US$ '000 $378,922     $0 $19,040 $17,607 $17,309 $16,227 $16,139 $18,119 $20,649 $19,905 $18,607 $15,107 $18,175 $15,552 $17,472 $21,276 $17,807 $17,069 $16,398 $15,940 $15,747 $16,064 $15,154 $13,559 $0 $0
Processing   US$ '000 $639,426     $0 $29,332 $29,332 $29,332 $29,332 $29,332 $29,332 $29,332 $29,332 $29,332 $29,332 $29,332 $29,332 $29,332 $29,332 $29,332 $29,332 $29,332 $29,332 $29,332 $29,332 $29,332 $23,448 $0 $0
G&A 10% US$ '000 $101,835     $0 $4,671 $4,671 $4,671 $4,671 $4,671 $4,671 $4,671 $4,671 $4,671 $4,671 $4,671 $4,671 $4,671 $4,671 $4,671 $4,671 $4,671 $4,671 $4,671 $4,671 $4,671 $3,734 $0 $0
Total Site Operating Cost   US$ '000 $1,120,183     $0 $53,044 $51,611 $51,313 $50,231 $50,142 $52,123 $54,653 $53,909 $52,611 $49,111 $52,178 $49,556 $51,476 $55,280 $51,810 $51,073 $50,402 $49,944 $49,750 $50,067 $49,158 $40,741 $0 $0
                                                             
Coosa County Severance Tax US$5.51 / t conc US$ '000 $11,299     $0 $537 $541 $538 $543 $531 $518 $511 $498 $499 $500 $491 $507 $498 $519 $528 $524 $519 $517 $521 $528 $521 $410 $0 $0
Sales & Marketing 0.0% US$ '000 $0     $0 $0 $0 $0 $0 $0 $0 $0 $0 $0 $0 $0 $0 $0 $0 $0 $0 $0 $0 $0 $0 $0 $0 $0 $0
Total Off-Site Operating Costs   US$ '000 $11,299     $0 $537 $541 $538 $543 $531 $518 $511 $498 $499 $500 $491 $507 $498 $519 $528 $524 $519 $517 $521 $528 $521 $410 $0 $0
                                                             
Total Operating Cost   US$ '000 $1,131,482     $0 $53,581 $52,151 $51,850 $50,774 $50,673 $52,640 $55,164 $54,408 $53,110 $49,611 $52,669 $50,063 $51,974 $55,798 $52,339 $51,598 $50,921 $50,461 $50,271 $50,596 $49,679 $41,151 $0 $0
Unit Operating Unit Cost   US$/t milled       $0.00 $18.12 $17.65 $17.55 $17.20 $17.16 $17.80 $18.63 $18.37 $17.94 $16.78 $17.79 $16.94 $17.56 $18.84 $17.71 $17.46 $17.23 $17.08 $17.02 $17.13 $16.82 $17.41 $0.00 $0.00
  $17.55    
                                                             
Operating Margin - EBITDA 48% US$ '000 $1,052,904   $0 $50,243 $52,411 $52,063 $54,183 $51,976 $47,460 $43,681 $41,921 $43,354 $46,994 $42,230 $47,983 $44,313 $44,451 $49,797 $49,788 $49,448 $49,468 $50,437 $51,532 $51,056 $38,115 $0 $0

 

 

 

28-4

 

 

 

Westwater Resources, Inc. | Coosa Graphite Project

S-K 1300 Report

December 11, 2023

SLR Project No.: 138.20527.00002

 

INPUTS UNITS TOTAL Year- 3 Year -2 Year -1 Year 1 Year 2 Year 3 Year 4 Year 5 Year 6 Year 7 Year 8 Year 9 Year 10 Year 11 Year 12 Year 13 Year 14 Year 15 Year 16 Year 17 Year 18 Year 19 Year 20 Year 21 Year 22 Year 23 Year 24
CAPITAL COST                                                            
Direct Cost                                                            
Mining   US$ '000 $13,231 $0 $3,830 $3,830 $5,571                                              
Processing   US$ '000 $89,230 $0 $44,615 $44,615                                                
Infrastructure   US$ '000 $17,180 $0 $7,873 $7,873 $1,434                                              
Tailings Facility    US$ '000 $31,919     $31,919                                                
Total Direct Cost   US$ '000 $151,559   $56,318 $88,237 $7,005 $0 $0 $0 $0 $0 $0 $0 $0 $0 $0 $0 $0 $0 $0 $0 $0 $0 $0 $0 $0 $0 $0 $0
                                                             
Other Costs                                                            
Indirects (Included in Directs)   US$ '000 $0                                                      
Subtotal Costs   US$ '000 $151,559   $56,318 $88,237 $7,005 $0 $0 $0 $0 $0 $0 $0 $0 $0 $0 $0 $0 $0 $0 $0 $0 $0 $0 $0 $0 $0 $0 $0
                                                             
Contingency (included in Directs)   US$ '000 $0                                                      
Total Initial Capital   US$ '000 $151,559   $56,318 $88,237 $7,005 $0 $0 $0 $0 $0 $0 $0 $0 $0 $0 $0 $0 $0 $0 $0 $0 $0 $0 $0 $0 $0 $0 $0
                                                             
Sustaining Capital                                                            
Sustaining - Mining   US$ '000 $22,284   $0 $0 $0 $0 $0 $0 $0 $7,428 $0 $0 $0 $0 $0 $7,428 $0 $0 $0 $0 $0 $7,428 $0 $0 $0      
Sustaining - Plant/Infrastucture   US$ '000 $6,786   $0 $0 $0 $0 $0 $0 $0 $424 $424 $424 $424 $424 $424 $424 $424 $424 $424 $424 $424 $424 $424 $424 $424      
Sustaining - Tailings   US$ '000 $112,636             $21,372 $0 $0 $0 $0 $22,131 $0 $0 $0 $0 $25,637 $0 $0 $0 $0 $43,496 $0 $0      
Working Capital                                                            
Working Capital   US$ '000 $0   $0 $0 $6,354 $120 -$41 $130 -$186 -$291 -$207 -$176 $64 $155 -$266 $366 -$223 $169 $298 -$31 -$56 -$17 $72 $104 -$77 -$1,419 -$4,841 $0
Closure & Reclamation                                                            
Mine/Plant Reclamation and Closure $0.11/t moved US$ '000 $8,738                                               $4,369 $4,369    
Tailings Reclamation and Closure $33,975 US$ '000 $33,975                                                 $11,325 $11,325 $11,325
Total Capital Cost   US$ '000 $335,979   $56,318 $88,237 $13,359 $120 -$41 $21,502 -$186 $7,561 $217 $248 $22,620 $580 $158 $8,219 $201 $26,231 $722 $393 $368 $7,835 $43,992 $528 $4,716 $14,275 $6,484 $11,325
                                                             
CASH FLOW                                                            
Net Pre-Tax Cashflow   US$ '000 $716,925   ($56,318) ($88,237) $36,884 $52,292 $52,104 $32,681 $52,162 $39,899 $43,464 $41,673 $20,734 $46,415 $42,072 $39,765 $44,112 $18,220 $49,075 $49,395 $49,080 $41,633 $6,445 $51,004 $46,339 $23,840 ($6,484) ($11,325)
Cumulative Pre-Tax Cashflow   US$ '000     ($56,318) ($144,554) ($107,670) ($55,379) ($3,274) $29,407 $81,570 $121,468 $164,932 $206,605 $227,339 $273,754 $315,826 $355,590 $399,702 $417,923 $466,998 $516,394 $565,474 $607,107 $613,551 $664,556 $710,895 $734,735 $728,250 $716,925
                                                             
Alabama Income Tax   US$ '000 $32,931   $0 $0 $1,416 $799 $1,120 $1,519 $1,473 $1,265 $1,106 $1,010 $1,147 $1,276 $1,193 $1,906 $1,679 $1,646 $1,897 $1,840 $1,912 $1,990 $2,040 $1,856 $1,689 $1,152 $0 $0
Federal Income Tax   US$ '000 $106,392   $0 $0 $4,576 $2,581 $3,618 $4,908 $4,760 $4,086 $3,574 $3,264 $3,705 $4,121 $3,854 $6,159 $5,423 $5,316 $6,130 $5,943 $6,179 $6,430 $6,592 $5,995 $5,457 $3,721 $0 $0
                                                             
After-Tax Cashflow   US$ '000 $610,533   ($56,318) ($88,237) $32,309 $49,711 $48,487 $27,773 $47,403 $35,813 $39,890 $38,409 $17,029 $42,293 $38,218 $33,606 $38,689 $12,904 $42,945 $43,452 $42,902 $35,203 ($148) $45,009 $40,883 $20,119 ($6,484) ($11,325)
Cumulative After-Tax Cashflow   US$ '000     ($56,318) ($144,554) ($112,246) ($62,535) ($14,048) $13,725 $61,128 $96,940 $136,830 $175,239 $192,268 $234,562 $272,779 $306,385 $345,074 $357,978 $400,924 $444,375 $487,277 $522,480 $522,333 $567,341 $608,224 $628,343 $621,858 $610,533
                                                             
PROJECT ECONOMICS                                                            
Pre-Tax IRR   % 26.8%                                                      
Pre-tax NPV at 6% discounting 6.0% US$ '000 $303,106                                                      
Pre-tax NPV at 8% discounting 8.0% US$ '000 $230,337                                                      
Pre-tax NPV at 10% discounting 10.0% US$ '000 $175,217                                                      
                                                             
After-Tax IRR   % 24.3%                                                      
After-Tax NPV at 6% discounting 6.0% US$ '000 $254,146                                                      
After-Tax NPV at 8% discounting 8.0% US$ '000 $191,083                                                      
After-tax NPV at 10% discounting 10.0% US$ '000 $143,210                                                      
                                                             

 

 

28-5